Active Clamp Boost Converter with Blanking Time Tuning Considered
Abstract
1. Introduction
2. Methodology
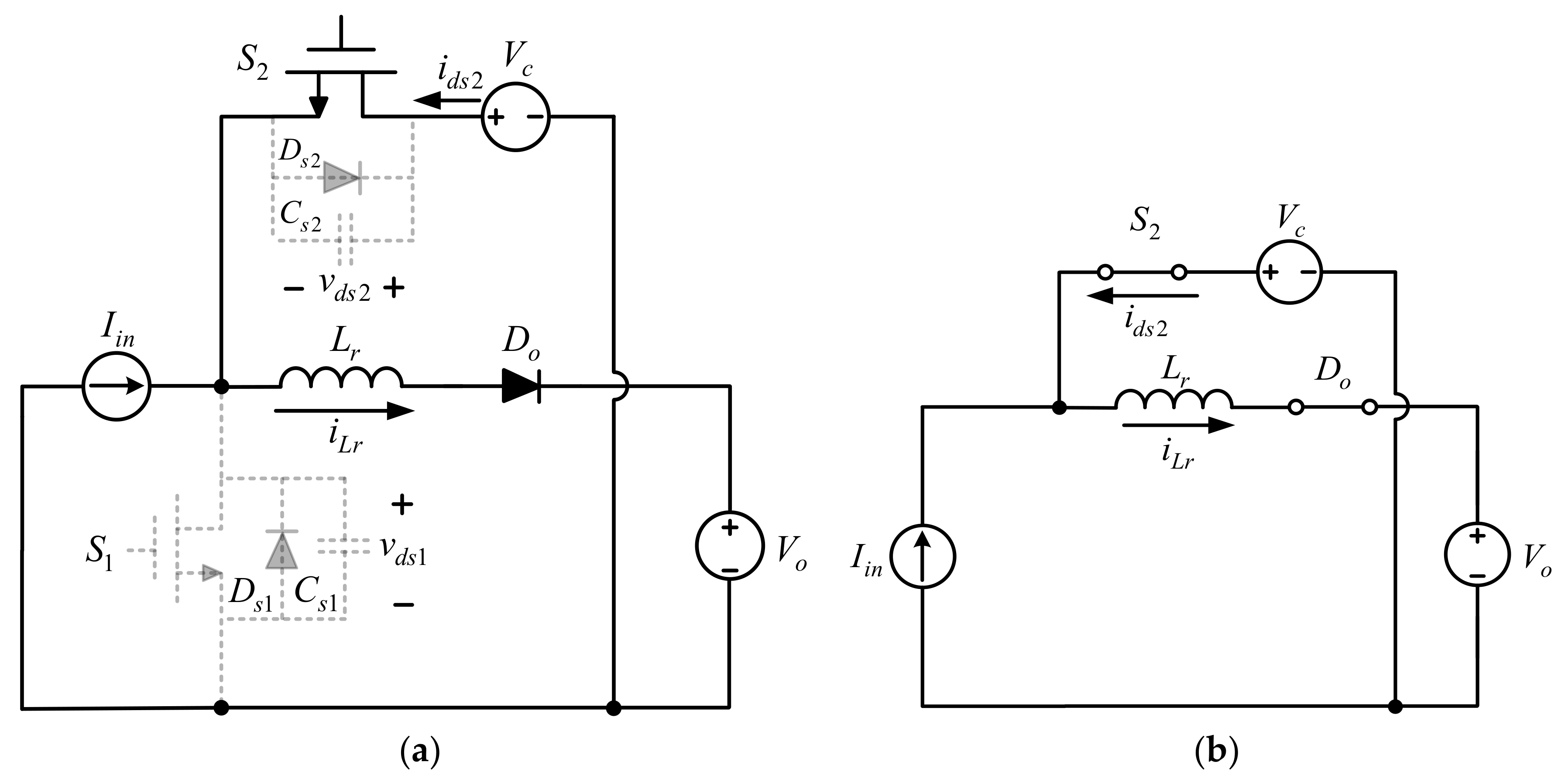
2.1. Proposed Converter
2.2. Operation Principles
2.2.1. Circuit Behavior
Stage 1: ()
Stage 2: ()
Stage 3: ()
Stage 4: ()
Stage 5: ()
Stage 6: ()
Stage 7: ()
Stage 8: ()
Stage 9: ()
2.2.2. Voltage Gain
2.3. Design Considerations
2.3.1. Design of Input Capacitance Co
2.3.2. Design of Input Inductance Lin
2.3.3. Design of Resonant Capacitance Cs
2.3.4. Design of Resonant Inductance Lr
2.3.5. Design of Active Clamp Capacitor Cc
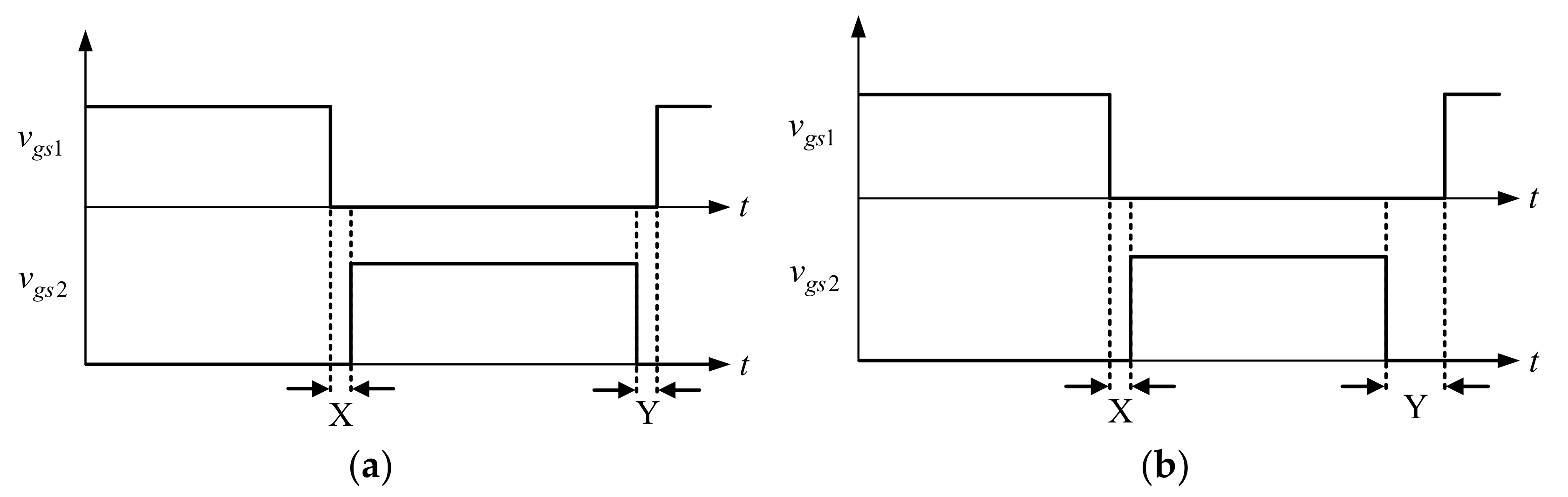
2.4. Digital Control Flow Chart
2.4.1. System Operation
2.4.2. Auto Tuning of the Last Blanking Time of S2
Step 1
Step 2
Step 3
3. Results and Discussion
4. Conclusions and Future Work
Author Contributions
Funding
Institutional Review Board Statement
Informed Consent Statement
Data Availability Statement
Conflicts of Interest
Nomenclature
| Main switch | |
| Auxiliary switch | |
| Input inductor | |
| Resonant inductor | |
| Output capacitor | |
| Active clamp capacitor | |
| Parasitic capacitor of S1 | |
| Parasitic capacitor of S2 | |
| Output diode | |
| Body diode of S1 | |
| Body diode of S2 | |
| Output resistor | |
| Maximum output resistance | |
| Resonant radian frequency | |
| Switching radian frequency | |
| Characteristic impedance | |
| Switching period | |
| Switching frequency | |
| Duty cycle | |
| Input dc voltage | |
| Output dc voltage | |
| Active clamp dc voltage | |
| Maximum output voltage ripple | |
| Active clamp voltage ripple | |
| Active clamp voltage | |
| Gate driving signal for S1 | |
| Gate driving signal for S2 | |
| Voltage across S1 | |
| Voltage across S2 | |
| Voltage across Do | |
| Input dc current | |
| Rated input dc current | |
| Output dc current | |
| Rated output dc current | |
| Minimum output dc current | |
| Current flowing through S1 | |
| Current flowing through S2 | |
| Current flowing through Lr | |
| Rated output power | |
| Minimum output power | |
| Auto-tuning of the cut-off time point of S2 | |
| Front edge blanking time | |
| Back edge blanking time | |
| T6 plus T7 divided by Ts | |
| T8 plus T9 divided by Ts | |
| to | Time points used in Figure 3 |
| to | Elapsed times for operating stages |
| to | Currents in Lr for time points in Figure 3 |
| Maximum current flowing through S2 | |
| Number of turns for Lin | |
| Number of turns for Lr | |
| Inductor coefficient for Lin | |
| Inductor coefficient for Lr | |
| Minimum input inductance | |
| Net charge in Cc |
References
- Jain, P.; Soin, H.; Cardella, M. Constant frequency resonant DC/DC converters with zero switching losses. IEEE Trans. Aerosp. Electron. Syst. 1994, 30, 534–644. [Google Scholar] [CrossRef]
- Wang, C.-M. New family of zero-current-switching PWM converters using a new zero-current-switching PWM auxiliary circuit. IEEE Trans. Ind. Electron. 2006, 53, 768–777. [Google Scholar] [CrossRef]
- Chen, W.; Ruan, X.; Chen, Q.; Ge, J. Zero-coltage-switching PWM full-bridge converter employing auxiliary transformer to reset the clamping diode current. IEEE Trans. Power Electron. 2010, 25, 1149–1162. [Google Scholar] [CrossRef]
- Tseng, C.; Chen, C. A novel ZVT PWM cuk power-factor corrector. IEEE Trans. Ind. Electron. 1999, 46, 780–787. [Google Scholar] [CrossRef]
- Park, N.; Hyun, D. N Interleaved boost converter with a novel ZVT cell using a single resonant inductor for high power applications. In Proceedings of the Conference Record of the 2006 IEEE Industry Applications Conference Forty-First IAS Annual Meeting, Tampa, FL, USA, 8–12 October 2006; pp. 2157–2161. [Google Scholar]
- Li, W.; Wu, J.; Xie, R.; He, X. A non-isolated interleaved ZVT boost converter with high step-up conversion derived from its isolated counterpart. In Proceedings of the 2007 European Conference on Power Electronics and Applications, Aalborg, Denmark, 2–5 September 2007; pp. 1–8. [Google Scholar] [CrossRef]
- Yao, G.; Ma, M.; Deng, Y.; Li, W.; He, X. An improved ZVT PWM three level boost converter for power factor preregulator. In Proceedings of the 2007 IEEE Power Electronics Specialists Conference, Orlando, FL, USA, 17–21 June 2007; pp. 768–772. [Google Scholar] [CrossRef]
- Chen, Z.; Ji, B.; Ji, F.; Shi, L. Analysis and design considerations of an improved ZVS full-bridge DC-DC converter. In Proceedings of the 2010 Twenty-Fifth Annual IEEE Applied Power Electronics Conference and Exposition (APEC), Palm Springs, CA, USA, 21–25 February 2010; pp. 1471–1476. [Google Scholar] [CrossRef]
- Bodur, H.; Bakan, A.F. A new ZVT-ZCT-PWM DC-DC converter. IEEE Trans. Power Electron. 2004, 19, 676–684. [Google Scholar] [CrossRef]
- Lin, J.; Hsieh, J.; Yeh, I. A novel ZCZVT soft-switching single-stage high power factor correction. In Proceedings of the 2004 IEEE Asia-Pacific Conference on Circuits and Systems, Tainan, Taiwan, 6–9 December 2004; pp. 2016–2021. [Google Scholar]
- Hwu, K.; Shieh, J.; Jiang, W. Interleaved boost converter with ZVT-ZCT for main switches and ZCS for auxiliary switch. Appl. Sci. 2020, 10, 2033. [Google Scholar] [CrossRef]
- Lin, B.; Chiang, H.; Huang, C.; Wang, D. Analysis, design and implementation of an active clamp forward converter with synchronous rectifier. In Proceedings of the 2005 IEEE International Conference on Computers Communications, Control and Power Engineering (TENCON), Melbourne, Australia, 21–24 November 2005; pp. 1427–1432. [Google Scholar] [CrossRef]
- Acik, A.; Cadirci, I. Active clamped ZVS forward converter with soft-switched synchronous rectifier for high efficiency, low output voltage applications. IEEE Electron. Power Appl. 2003, 150, 165–174. [Google Scholar] [CrossRef]
- Kim, J.; Oh, W.; Moon, G. A novel two-switch active clamp forward converter for high input voltage applications. In Proceedings of the 2008 IEEE Power Electronics Specialists Conference, Rhodes, Greece, 15–19 June 2008; pp. 3028–3034. [Google Scholar] [CrossRef]
- Ko, S.; Jeong, Y.; Rorrer, R.; Park, J.-D. High efficiency asymmetric dual active clamp forward converter with phase-shift control of small conduction loss. In Proceedings of the 2020 IEEE Applied Power Electronics Conference and Exposition (APEC), New Orleans, LA, USA, 15–19 March 2020; pp. 1866–1871. [Google Scholar] [CrossRef]
- Yau, Y.T.; Jiang, W.Z.; Hwu, K.I. Light-load efficiency improvement for flyback converter based on hybrid clamp circuit. In Proceedings of the 2016 IEEE International Conference on Industrial Technology (ICIT), Taipei, Taiwan, 14–17 March 2016; pp. 329–333. [Google Scholar] [CrossRef]
- Xue, L.; Zhang, J. Highly efficient secondary-resonant active clamp flyback converter. IEEE Trans. Ind. Electron 2018, 65, 1235–1243. [Google Scholar] [CrossRef]
- Chen, M.; Xu, S.; Huang, L.; Sun, W.; Shi, L. A novel digital control method of primary-side regulated flyback with active clamping technique. IEEE Trans. Circuits Syst. I Regul. Pap. 2020, 1–13. [Google Scholar] [CrossRef]
- Das, P.; Laan, B.; Mousavi, S.A.; Moschopoulos, G. A nonisolated bidirectional ZVS-PWM active clamped DC-DC converter. IEEE Trans. Power Electron. 2009, 24, 553–558. [Google Scholar] [CrossRef]
- Wu, X.; Zhang, J.; Ye, X.; Qian, Z. Analysis and design for a new ZVS DC-DC converter with active clamping. IEEE Trans. Power Electron. 2006, 21, 1572–1579. [Google Scholar] [CrossRef]
- Fan, S.; Sun, L.; Duan, J.; Zhang, K. Improved active clamped ZVS buck converter with freewheeling current transfer circuit. IET Power Electron. 2019, 12, 1341–1348. [Google Scholar] [CrossRef]
- Hwu, K.; Tai, Y.; Tu, H. Implementation of a dimmable LED driver with extendable parallel structure and capacitive current sharing. Appl. Sci. 2019, 23, 5177. [Google Scholar] [CrossRef]




















| Interval | Stage | Type |
|---|---|---|
| 4 | S2 ZVS turn-on | |
| 8 | S1 ZVS turn-on | |
| 9 | Do ZCS turn-off |
| Scheme 24. | Specifications |
|---|---|
| Operation Mode | CCM |
| Input Voltage (Vin) | 24 V |
| Output Voltage (Vo) | 42 V |
| Ideal Duty Cycle (D) | 0.43 |
| Switching Frequency (fs) | 100 kHz |
| Output Rated Power (Po,rated)/Current (Io,rated) | 100 W/2.38 A |
| Output Minimum Power (Po,min)/Current (Io,min) | 10 W/0.238 A |
| Components | Specifications |
|---|---|
| Input Inductance (Lin) | 150 μH |
| Resonant Inductance (Lr) | 10 μH |
| Output Capacitance (Co) | 470 μF |
| Clamp Capacitance (Cc) | 2.2 μF |
| Power Switches (S1 and S2) | IRF540 |
| Output Diode (Do) | STPS20120C |
| Field Programmable Gate Array (FPGA) | EP2C20F484C8 |
Publisher’s Note: MDPI stays neutral with regard to jurisdictional claims in published maps and institutional affiliations. |
© 2021 by the authors. Licensee MDPI, Basel, Switzerland. This article is an open access article distributed under the terms and conditions of the Creative Commons Attribution (CC BY) license (http://creativecommons.org/licenses/by/4.0/).
Share and Cite
Yau, Y.-T.; Hwu, K.-I.; Tai, Y.-K. Active Clamp Boost Converter with Blanking Time Tuning Considered. Appl. Sci. 2021, 11, 860. https://doi.org/10.3390/app11020860
Yau Y-T, Hwu K-I, Tai Y-K. Active Clamp Boost Converter with Blanking Time Tuning Considered. Applied Sciences. 2021; 11(2):860. https://doi.org/10.3390/app11020860
Chicago/Turabian StyleYau, Yeu-Torng, Kuo-Ing Hwu, and Yu-Kun Tai. 2021. "Active Clamp Boost Converter with Blanking Time Tuning Considered" Applied Sciences 11, no. 2: 860. https://doi.org/10.3390/app11020860
APA StyleYau, Y.-T., Hwu, K.-I., & Tai, Y.-K. (2021). Active Clamp Boost Converter with Blanking Time Tuning Considered. Applied Sciences, 11(2), 860. https://doi.org/10.3390/app11020860

