A Double Sky-Hook Algorithm for Improving Road-Holding Property in Semi-Active Suspension Systems for Application to In-Wheel Motor
Abstract
:Featured Application
Abstract
1. Introduction
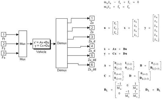
2. Modeling of Suspension Dynamics
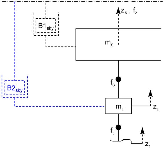
2.1. Quarter Car Model
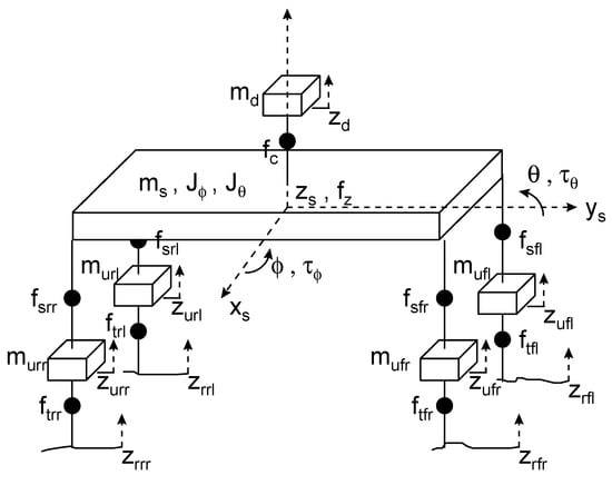
2.2. Full Car Model
3. Double Sky-Hook Control Algorithm
3.1. Conventional Sky-Hook Algorithm
3.2. Double Sky-Hook Algorithm
- Case I. If B2sky = 0, the algorithm behaves like a conventional ideal sky-hook algorithm where a sky-hook damper with a damping coefficient B1sky is attached to a sprung mass.
- Case II. If 0 < B2sky < B1sky, as the value of B2sky increases from zero when the value of B1sky is fixed, we expect better unsprung mass resonance control over the wheel hop frequency region. This will result in a decrease in the tire contact load variation (thus tire deflection). In this case, however, average damping force transmitted to the sprung mass will be increased due to the larger value of Bd, which in turn, will increase the sprung mass acceleration levels. Therefore, the selection of B2sky for the fixed value of B1sky should be made based on the relative importance between the sprung mass acceleration (ride quality) and the tire contact load variation (road-holding property: stability).
- Case III. If B2sky = B1sky, then from Equation (17). This case is equivalent to a passive damper with damping coefficient of B1sky.
- Case IV. If B1sky = 0 or if B2sky > B1sky, then too large a damping force will be generated due to the fact that the vertical speed of the unsprung mass is usually far larger than that of the sprung mass. These cases will therefore degrade the ride quality significantly.
- Step I. For a fixed trial value of B1sky, which may be determined according to the conventional sky-hook theory, adjust B2sky from zero up to B1sky until the tire contact load variation in the vicinity of the wheel hop frequency is similar to that of a passive suspension. This adjustment is based on the fact that the larger the B2sky, the greater the sprung mass acceleration to that of a passive suspension in the vicinity of the wheel hop frequency.
- Step II. If B2sky is determined according to Step I while B1sky is fixed, we will obtain a sub-optimal damper in the wheel hop frequency region. However, overall damping coefficient will be increased so that the tire force variation and chassis acceleration will tend to be increased in-between sprung and unsprung mass resonant frequencies. However, three performance measures still became better than those of the conventional sky-hook algorithm in the sprung mass resonant frequency region. Therefore, we can reduce the value of B1sky, which controls the suspension characteristics in the sprung mass resonant frequency region to a value where three performance measures were still better than those of the conventional sky-hook algorithm.
4. Simulation Studies
4.1. Simulation Conditions
- Case (a): Grade A (Very Good), Sg(Ω0) = 4 with 80 km/h
- Case (b): Grade B (Very Poor), Sg(Ω0) = 256 with 10 km/h
4.2. Quarter Car Model Simulation
- (1)
- The double sky-hook damper generated better suspension performance than the passive damper for all three performance measures except for slight degradation between the sprung and unsprung mass resonant frequencies, even with increased unsprung mass by the in-wheel motors.
- (2)
- (3)
- The double sky-hook damper had a similar body acceleration as shown in Figure 6 to the conventional sky-hook damper in all frequency regions.
4.3. Full Car Model Simulation
- (1)
- The double sky-hook damper had smaller RMS seat accelerations and smaller RMS tire normal force variation than the passive and conventional sky-hook dampers, even in the development vehicle with in-wheel motors.
- (2)
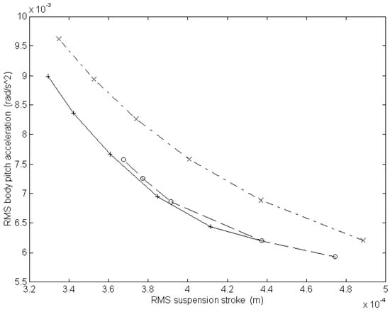
- In the case of the conventional sky-hook damper, the performance indices converged to the vicinity of a certain point (e.g., number 5 in the plots) as B1sky was increased close to infinity. This means that the conventional sky-hook damper cannot generate better road-holding performance than the passive damper. In the meantime, the double sky-hook damper could achieve better road-holding performance and ride quality than a passive damper.
- (3)
- The sky-hook damping parameter at unsprung mass of double sky-hook damper provided tuning freedom to improve tire normal force variation while minimizing deterioration in seat acceleration. Therefore, the parameter was used to differentiate the driving mode of the vehicle under advanced development, as shown in Table 4.
5. Conclusions and Discussion
Author Contributions
Funding
Institutional Review Board Statement
Informed Consent Statement
Data Availability Statement
Conflicts of Interest
Appendix A






References
- Wu, F.-K.; Yeh, T.-J.; Huang, C.-F. Motor Control and Torque Coordination of an Electric Vehicle Actuated by Two In-Wheel Motors. Mechatronics 2013, 23, 46–60. [Google Scholar] [CrossRef]
- Murata, S. Innovation by In-Wheel-Motor Drive Unit. Veh. Syst. Dyn. 2012, 50, 807–830. [Google Scholar] [CrossRef]
- Crolla, D. Automotive Engineering: Powertrain, Chassis System and Vehicle Body; ELSEVIER: Amsterdam, The Netherlands, 2009. [Google Scholar]
- Kobayashi, T.; Katsuyama, E.; Sugiura, H.; Ono, E.; Yamamoto, M. Direct Yaw Moment Control and Power Consumption of In-Wheel Motor Vehicle in Steady-State Turning. Veh. Syst. Dyn. 2017, 55, 104–120. [Google Scholar] [CrossRef]
- Wang, Q.; Zhao, Y.; Deng, Y.; Xu, H.; Deng, H.; Lin, F. Optimal Coordinated Control of ARS and DYC for Four-Wheel Steer and in-Wheel Motor Driven Electric Vehicle with Unknown Tire Model. IEEE Trans. Veh. Technol. 2020, 69, 10809–10819. [Google Scholar] [CrossRef]
- Anderson, M. Unsprung Mass with In-Wheel Motors-Myths and Realities. Proc. AVEC 2010, 10, 261–266. [Google Scholar]
- Du, H.; Sze, K.Y.; Lam, J. Semi-Active H∞ Control of Vehicle Suspension with Magneto-Rheological Dampers. J. Sound Vib. 2005, 283, 981–996. [Google Scholar] [CrossRef]
- Gu, X.; Yu, Y.; Li, J.; Li, Y. Semi-Active Control of Magnetorheological Elastomer Base Isolation System Utilising Learning-Based Inverse Model. J. Sound Vib. 2017, 406, 346–362. [Google Scholar] [CrossRef] [Green Version]
- Jansen, L.M.; Dyke, S.J. Semiactive Control Strategies for MR Dampers: Comparative Study. J. Eng. Mech. 2000, 126, 795–803. [Google Scholar] [CrossRef] [Green Version]
- Karnopp, D.; Crosby, M.J.; Harwood, R.A. Vibration Control Using Semi-Active Force Generators. J. Manuf. Sci. Eng. 1974, 96, 619–626. [Google Scholar] [CrossRef]
- Anaya-Martinez, M.; Lozoya-Santos, J.-J.; Félix-Herrán, L.C.; Tudon-Martinez, J.-C.; Ramirez-Mendoza, R.-A.; Morales-Menendez, R. Control of Automotive Semi-Active MR Suspensions for in-Wheel Electric Vehicles. Appl. Sci. 2020, 10, 4522. [Google Scholar] [CrossRef]
- Basargan, H.; Mihály, A.; Gáspár, P.; Sename, O. Adaptive Semi-Active Suspension and Cruise Control through LPV Technique. Appl. Sci. 2021, 11, 290. [Google Scholar] [CrossRef]
- Emura, J.; Kakizaki, S.; Yamaoka, F.; Nakamura, M. Development of the Semi-Active Suspension System Based on the Sky-Hook Damper Theory. SAE Trans. 1994, 103, 1110–1119. [Google Scholar]
- Venhovens, P.T. The Development and Implementation of Adaptive Semi-Active Suspension Control. Veh. Syst. Dyn. 1994, 23, 211–235. [Google Scholar] [CrossRef]
- Williams, R.A. Electronically Controlled Automotive Suspensions. Comput. Control Eng. J. 1994, 5, 143–148. [Google Scholar] [CrossRef]
- Palkovics, L.; Bokor, J.; Venhovens, P. Design Problems of the Semi-Active Wheel Suspension System and a Possible Way of Their Elimination. In Proceedings of the FISITA’94 World Congress, Beijing, China, 17–21 October 1994. [Google Scholar]
- Kim, H. A Study for the Control of Passenger Car Suspension for Ride Comfort. Ph.D. Thesis, KAIST, Daejeon, Korea, 1994. [Google Scholar]
- Woo, S.; Ryu, J.H. Design of Double Sky-hook Algorithm for Semi-active Suspension System. In Proceedings of the KSAE 1996 Annual Autumn Conference, Seoul, Korea, 30 November 1996. [Google Scholar]
- Goncalves, F.D.; Ahmadian, M. A Hybrid Control Policy for Semi-Active Vehicle Suspensions. Shock Vib. 2003, 10, 59–69. [Google Scholar] [CrossRef] [Green Version]
- Ren, H.; Zhao, Y.; Chen, S.; Liu, G. State Observer Based Adaptive Sliding Mode Control for Semi-Active Suspension Systems. J. Vibroeng. 2015, 17, 1464–1475. [Google Scholar]
- Geng, G.; Yu, Y.; Sun, L.; Li, H. Research on Ride Comfort and Driving Safety under Hybrid Damping Extension Control for Suspension Systems. Appl. Sci. 2020, 10, 1442. [Google Scholar] [CrossRef] [Green Version]
- Wong, J.Y. Theory of Ground Vehicles; John Wiley & Sons: Hoboken, NJ, USA, 2008. [Google Scholar]













| Parameter | Value |
|---|---|
| Effective weight of wheel (mu) | 85 kg |
| Weight of sprung mass (ms) | 563 kg |
| spring stiffness | 32,366 N/m |
| Passive damper coefficient (effective) | 1577 Ns/m |
| Tire vertical stiffness | 248,000 N/m |
| Tire vertical damping coefficient | 322 Ns/m |
| Max. damping coefficient | 3858 Ns/m |
| Min. damping coefficient | 300 Ns/m |
| Sky-hook damper on sprung mass (B1sky) | 18,015 Ns/m |
| Parameter | Value |
|---|---|
| Effective weight of front wheel (mufl, mufr) | 54 kg |
| Effective weight of rear wheel (murl, murr) | 68 kg |
| Weight of sprung mass (ms) | 1754 kg |
| Pitch moment of inertia () | 3012 kg m2 |
| Roll moment inertia () | 598 kg m2 |
| Front axle location from C.G. (Lf) | 1.44 m |
| Rear axle location from C.G. (Lr) | 1.56 m |
| Left/Right side from C.G. (Wl, Wr) | 0.82 m |
| Front spring stiffness | 24,426 N/m |
| Rear spring stiffness | 31,954 N/m |
| Front passive damper coefficient (effective) | 1400 Ns/m |
| Rear passive damper coefficient (effective) | 2000 Ns/m |
| Suspension friction | 54 N |
| Front stabilizer bar stiffness | 19,984 N/m |
| Rear stabilizer bar stiffness | 10,204 N/m |
| Tire vertical stiffness | 248,000 N/m |
| Tire vertical damping coefficient | 322 Ns/m |
| Weight of driver (md) | 65 kg |
| Driver’s seat stiffness | 10,507.1 N/m |
| Driver’s seat damping coefficient | 875.6 Ns/m |
| No. | Passive Damping (Ns/m) | Sky-Hook Algorithm B1sky (Ns/m) | Double Sky-Hook Algorithm B2sky (Ns/m) | |
|---|---|---|---|---|
| Front | Rear | |||
| 1 | 560 | 800 | 5000 | 500 |
| 2 | 840 | 1200 | 10,000 | 1000 |
| 3 | 1120 | 1600 | 40,000 | 1500 |
| 4 | 1400 | 2000 | 100,000 | 2000 |
| 5 | 1680 | 2400 | 1,000,000 | 2500 |
| 6 | 1960 | 2800 | - | - |
| Driving Mode | B2sky (Ns/m) |
|---|---|
| Comfort mode | 0 |
| Normal mode | 500 |
| Sports mode | 1500 |
| Racing track mode (Hyundai N mode) | 2000 |
Publisher’s Note: MDPI stays neutral with regard to jurisdictional claims in published maps and institutional affiliations. |
© 2021 by the authors. Licensee MDPI, Basel, Switzerland. This article is an open access article distributed under the terms and conditions of the Creative Commons Attribution (CC BY) license (https://creativecommons.org/licenses/by/4.0/).
Share and Cite
Woo, S.; Shin, D. A Double Sky-Hook Algorithm for Improving Road-Holding Property in Semi-Active Suspension Systems for Application to In-Wheel Motor. Appl. Sci. 2021, 11, 8912. https://doi.org/10.3390/app11198912
Woo S, Shin D. A Double Sky-Hook Algorithm for Improving Road-Holding Property in Semi-Active Suspension Systems for Application to In-Wheel Motor. Applied Sciences. 2021; 11(19):8912. https://doi.org/10.3390/app11198912
Chicago/Turabian StyleWoo, Seunghoon, and Donghoon Shin. 2021. "A Double Sky-Hook Algorithm for Improving Road-Holding Property in Semi-Active Suspension Systems for Application to In-Wheel Motor" Applied Sciences 11, no. 19: 8912. https://doi.org/10.3390/app11198912
APA StyleWoo, S., & Shin, D. (2021). A Double Sky-Hook Algorithm for Improving Road-Holding Property in Semi-Active Suspension Systems for Application to In-Wheel Motor. Applied Sciences, 11(19), 8912. https://doi.org/10.3390/app11198912

