Next Article in Journal
Mercury Uptake and Transport by Plants in Aquatic Environments: A Meta-Analysis
Previous Article in Journal
Synthesis of Aromatic and Aliphatic N-Heterocyclic Salts and Their Application as Organic Electrolyte Supporters in Electrochemical Capacitor
 
 
Font Type:
Arial Georgia Verdana
Font Size:
Aa Aa Aa
Line Spacing:
Column Width:
Background:
Article

Investigation of the Influences of Thrust Loads Resulted by Helix Angle Directions of Planetary Gear Sets on Bearing Power Losses in Automotive Planetary Gear Trains

Division of Mechanical, Automobile, Robot Components Engineering, IT Convergence College of Components and Materials Engineering, Dong-Eui University, 176 Eomgwangro, Busanjin-gu, Busan 47340, Korea
Appl. Sci. 2021, 11(19), 8827; https://doi.org/10.3390/app11198827
Submission received: 29 July 2021 / Revised: 3 September 2021 / Accepted: 15 September 2021 / Published: 23 September 2021
(This article belongs to the Section Mechanical Engineering)

Abstract

:
In the recent automotive industries, automotive technologies for improving fuel efficiency have focused on the developments of reducing power losses in a transmission. As a well-developed and conventional power transmitting system, an automatic transmission is still widely used in many automotive vehicles. The automatic transmission is co-axially designed with several planetary gear sets and other mechanical parts. The co-axial arrangements and gear helix angles make the transmission necessarily include bearings for supporting loads and allowing relative rotations. In this study, the influences of thrust loads yielded by helix angle directions of planetary gear sets on bearing power losses are presented by performing the structural and power loss analysis. Bearing power losses consist of mechanical and spin power losses. For calculating thrust loads and bearing rotations, a complete transmission model is constructed by using an example structure, and structural analysis is performed for the combinations of helix angle directions of the gear sets. Finally, bearing power losses are computed by using the bearing power loss model, and the results of the entire combinations of helix angle directions are discussed.

1. Introduction

In the recent global automotive industries, an automatic transmission is a well-known mechanical system which is used in automotive vehicles and plays an important role in changing speeds and torques for proper operating conditions. The automatic transmission mainly consists of planetary gear sets of power transmitting components and brakes and wet clutches of mechanical friction components. A planetary gear set is composed of three central members which are the sun and ring gears and the carrier which holds multiple and identical planet gears. The transmission delivers multiple speeds by disengaging or engaging friction devices to connect central members of planetary gear sets. A planetary gear set has powerful and spatial advantages which are its high power density and compact design coming from co-axial arrangements. However, this spatial advantage of co-axial installations mechanically requires not only connection parts, such as transmission hubs and drums, for linking central members, but also rolling element bearings for allowing them to relatively rotate under diverse load conditions. Although multiple speeds are provided from an automatic transmission, a limited power efficiency is achieved with structural complexities and many mechanical parts. However, as dealing with many parameters in designing an automatic transmission, there are still possibilities to improve power efficiency by systematically investigating parameters and resultant operation performances. In an automatic transmission structure, bearings are regarded as an important mechanical part to support shaft and other parts delivering powers in the limited space, and its dimensions and performances are related to other mating parts. Therefore, for improving the transmission power efficiency, a systematic analysis is needed, which considers the around parts affecting bearing power losses as well, even though the contribution of bearing power loss is not dominant in the entire power losses.
Studies on power loss subjects related to gear pairs, bearings, and gear systems have been extensively performed and presented by many researchers [1,2,3,4,5,6,7,8,9,10,11,12,13,14]. For rolling element bearings, empirical models of power losses and friction moments involving mechanical loads and fluid viscous frictions are found in the literature [1,2,3], while the SKF Group [4] developed a model composed of individual contributions of rolling, sliding, sealing and drag. The model reflects practical designs and operations of bearings by adopting several design and operation factors. Power loss analysis of rolling element bearings with gear fluids containing water was performed by Yilmaz et al. [5], and the load-dependent and independent losses were presented with comparing the analysis results of water containing fluids and conventional gear oils. Furthermore, for analyzing bearing loads affecting power losses, a load distribution model of ball and roller bearing with clearances was proposed by Xiaoli et al. [6]. The load distribution on rolling elements is analyzed in static equilibrium condition including contact deformations and forces based on hertzian theory. A bearing model presented by Tomovic [7] is a load calculation model using a load factor to predict the most loaded rolling element of a bearing, including internal radial clearance. As a critical factor affecting power losses, viscometric study of automatic transmission fluids (ATF) on power efficiency was performed under various oil temperatures by Vickerman et al. [8], and it was presented that viscous properties of ATF affect mechanical power efficiency in transmission operations.
As a system level consisting of gears, bearings and shafts, such as a gearbox or transmission, Talbot et al. [9] proposed a power loss model for an axle, which includes contributions of rolling and sliding of hypoid gears, loads and spins of radial rolling bearings, as well as drags, while splash power losses in a gearbox were analyzed by simulations of computational fluid dynamics and the influences of design parameters on the losses were presented by Gorla et al. [10]. Laderou et al. [11] developed a tapered bearing model and dynamic model of parallel shaft gear systems in order to predict the transmission power efficiency considering the effects of temperature on bearing preload. Michaelis et al. [12] proposed that the influential factors affect power loss of a gearbox by investigating bearings, gearings, oil temperatures, and gear churning under load and no-load conditions. Changenet et al. [13] proposed a thermal network model to predict power loss of a manual transmission. The model consists of power loss factors including gearing, bearing, and oil churning affected by temperatures, and power efficiency of the manual gearbox was predicted by considering thermal influences on power loss factors. However, these studies performed in the system level did not cover transmission structures consisting of multiple decks of planetary gear sets, thus it was not presented that the correlations of bearing power losses and thrust loads resulted due to helix angles of a planetary gear train. There are several studies on transmission power efficiency including planetary gear sets [14,15], however efficiency analysis and methodologies have been proposed for conceptual structures not considering bearings.
In order to analyze bearing power losses, modeling an automatic transmission including planetary gear sets is one of main tasks in this study, and the related literature was reviewed accordingly. For investigating basic performances of a concept design, Kahraman et al. [16] and Raghavan [17] proposed systematic methodologies for analyzing kinematics and power flows of a schematic structure. del Castillo [18] proposed a graph-based method to construct a basic structure of a planetary gear train by enumerating connections for central members of planetary gear sets. Related to a given basic structure, Kwon and Kahraman [19] presented a graph-based method to investigate if a given schematic structure can be assembled in rotation plane. For designing planetary gear sets, several earlier publications [20,21,22,23] suggested design methods defining gear geometry parameters and avoiding interference conditions. Kwon et al. [24,25] proposed a design search for planetary gear sets, which considers geometry and performance parameters of external and internal gear meshes simultaneously. While there are diverse studies covering concept structure design, kinematics and gear designs, it is difficult to find literature regarding bearings investigated in the system levels, which are installed in an automatic transmission consisting of several planetary gear sets.
Although there is an extensive quantity of literature related to power losses, limited studies analyzing them in a system level are found amongst them. Furthermore, it is quite difficult to find any research considering the directions of gear helix angles systematically affecting power losses in planetary gear trains. Some analysis and design studies concerning helix angles of gears are found in gear research areas, however their objects are mostly focused on dynamic effects or design optimizations [26,27].
In this manuscript, in order to fill a void in the research areas of bearing power losses affected by the designs of helix angles in a complete transmission system, the influences of thrust loads resulting from helix angle directions of planetary gear sets on bearing power losses are investigated in a system level of a planetary gear train. As an automatic transmission structure changes speed drives, various amounts of loads are applied to bearings accordingly. Therefore, bearing power loss must be analyzed in an entire transmission system for diverse drive situations. For the system level analysis, first a planetary gear train model is constructed referring to an exemplary automatic transmission [28], and the structural analysis for diverse combinations of helix angle directions of planetary gear sets is executed for predicting thrust loads on bearings. Bearing power losses occurring in the transmission are calculated by utilizing the bearing power loss model, and the results of total bearing power losses of the entire combinations are discussed to show the influences of helix angle directions on bearing power losses in a planetary gear train. Figure 1 displays a flowchart of distinct processes for the bearing power loss analysis in this study. The first four processes from the top in the figure are designated to build an automatic transmission model. The fifth and last are the processes of structural and bearing power loss analyses, respectively.

2. Automatic Transmission Modeling

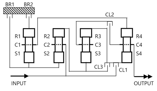
For analyzing axial loads acting to bearings of an automotive transmission, a transmission model needs to be constructed above all. In this section, fundamental parts of a transmission modeling are described thoroughly. A design and development of a new transmission starts from a concept design which is called a skeleton structure shown in Figure 2, and all parts of the entire system are designed by analyzing and evaluating operating speeds and loads in component and system levels. As displayed in Figure 2, a concept structure presented in reference [28] is chosen as an example structure in this study. The example consists of four decks of planetary gear sets, five friction devices, input and output. In the figure, S, C and R denote the sun gear, carrier and ring gear, respectively, and BR and CL mean brake and clutch devices, respectively. Thus, S1 and R4 represent the sun gear of the first planetary gear set and the ring gear of the last (or fourth) planetary gear set respectively. Based on a given structure, the following analysis and design processes are performed for completing a three-dimensional transmission model.

2.1. Kinematics and Power Flows of a Transmission Structure

Analysis described in this subsection is important to compute applied torques on central members of planetary gear sets for designing gear geometry profiles as well as investigate rotational speeds of thrust bearings for calculating bearing spin power losses. For the analysis of both kinematics and power flows of a given automatic transmission structure, the formulations proposed by Kahraman et al. [16] are utilized and described briefly as follows.

2.1.1. Planetary Gear Train Kinematics

Kinematics of a planetary gear train can be analyzed by solving a linear matrix formed by the generalized formulation approach. The generalized formulations consist of three groups of equations, which are (1) kinematic equations of planetary gear sets, (2) constraint equations and (3) an input equation.
As shown in Figure 3, two types of planetary gear sets are generally used to build a planetary gear train. In Figure 3a, one is a single-planet (simple) planetary gear set which includes the sun gear s, ring gear r and carrier c supporting N P number of planet gears p. Central members of the planetary gear set form external and internal gear meshes. The external and internal gear meshes mean conjugations of the sun-planet gears and ring-planet gears, respectively, with a carrier connection. These external (s-p-c) and internal (r-p-c) gear meshes hold corresponding gear mesh kinematic equations which are given as
ω s Z s + ω p Z p ω c ( Z s + Z p ) = 0 , ω r Z r ω p Z p ω c ( Z r Z p ) = 0 ,
where ω and Z denote the absolute angular velocity and the number of teeth of a gear. Subscript s, r, p and c mean the sun, ring and planet gears and the carrier, respectively. The other type shown in Figure 3b is called a double-planet planetary gear set which consists of the sun and ring gears and the carrier holding inner planet gears pi and outer planet gears po. Two external and one internal gear meshes are formed by central members with inner and outer planet gears. Kinematic equations representing the double planet planetary gear set are given as
ω s Z s + ω p i Z p i ω c ( Z s + Z p i ) = 0 , ω r Z r ω p o Z p o ω c ( Z r Z p o ) = 0 , ω p i Z p i + ω p o Z p o ω c ( Z p i + Z p o ) = 0 .
where subscript pi and po denote an inner and outer planet gear, respectively.
Constraint equations involve two cases of central member connections. The first case means that amongst central members of several decks of planetary gear sets, two member i and j of them, which are connected by a rigid connection, have the same angular velocity. The other is a fixed connection where central member k is connected to a transmission housing by brakes and does not rotate. Lastly, an input equation for transmission input member m needs to be specified with a designated input value ω i n . These constraint and input equations are represented mathematically as
ω i ω j = 0   for   i j ,
ω k = 0 ,
ω m = ω i n .
All linear algebraic equations including kinematics of planetary gear sets, constraints, and an input can be developed into a matrix form AX = B with a matrix A involving the whole equations, an unknown vector X comprised of angular velocities, and a vector B having one non-zeros component and the others being zero. For a given schematic diagram in Figure 2 along with the actuation scheme in Table 1, rotational speed ratios of central members of planetary gear sets are analyzed for 8 forward and 1 reverse drives with respect to an input of ω c 2 = 1 , and the results of the kinematic analysis are presented in Table 2a.

2.1.2. Planetary Gear Train Power Flows

Power flow analysis is important to calculate applied torques on central members of planetary gear sets in order to design these components in terms of strength and durability of gears. For analyzing power flows, moment and power equilibrium equations are needed for every planetary gear set. These two equilibrium equations for j-th planetary gear set are given as
T s j + T r j + T c j + i = 1 i j N P G k m T k i / m j = 0 ,
T s j ω s j + T r j ω r j + T c j ω c j + i = 1 i j N P G k m T k i / m j ω m j = 0 ,
where N P G and T denote the number of planetary gear sets and torque values, respectively. For subscripts, i and j mean a planetary gear set number (i.e., i ,   j     [ 1 , N P G ] ), and k and m are one of s, c, r (i.e., k ,   m     [ s , r , c ] ). In Equations (6) and (7), T s j , T r j and T c j mean the external torques acting to s, r and c of j-th planetary gear set respectively, and T k i / m j stands for connection torque on m central member of j-th planetary gear set, which is applied by k central member of i-th planetary gear set. ω in Equation (7) is calculated from kinematic analysis described earlier. In the power equilibrium shown in Equation (7), a power loss term is not included with the assumption that no mechanical power loss occurs in planetary gear decks. In addition, two groups of additional equations which involve constraints and torque assignments are necessarily prepared for completing the entire formulations of power flow analysis. Constraint equations formed by the connected members are torque balance equation of T k i / m j + T m j / k i = 0 . Torque assignments present which external torques are applied to central members. If external torque T e x is assigned to the central member k which are neither an output nor stationary member, T k i = T e x , otherwise T k i = 0 . For the assignments of output and stationary members, no equation is required, since torques externally acting to them are determined by computations. Finally, power flow analysis computing torques acting to central members of a planetary gear train can be achieved by solving these linear equations. For the example structure, the power flow analysis is performed for 9 speed drives with an input torque of T i n = 1 , and Table 2b shows the results of torque ratios of central members.

2.2. Planetary Gear Set Designs

In designing gear geometry profiles of a planetary gear set, spatial requirements of minimum (or maximum) diameters of gears, face widths, and so on, and performance analysis of contact stress, transmission error, and others must be considered simultaneously, since a restricted space is allowed in the transmission and qualified performance must be guaranteed for gear durability and vibration. The planetary gear set consists of the sun, ring and multiple planet gears, and these sun-planet and ring-planet gears rotate simultaneously with forming the external and internal gear meshes. Therefore, identifying individual gear profiles must examine geometrical violations which would occur between gears in mesh and adjacent planet gears. This design complexity makes it more difficult designing a planetary gear set.
For the design of planetary gear sets in the automatic transmission, a methodology of a design search of a planetary gear set proposed by Kwon et al. [24] is utilized in this study. The methodology is comprised of three separate stages of (1) generating a group of gear designs, (2) analyzing performances of designs, (3) selecting the best designs by considering confined ranges of performance indices. The first stage is to generate a large group of design candidates which have acceptable gear geometries within defined design parameters of ring-to-sun gear ratio, pressure angle, backlash and others and do not violate any geometrical interferences such as undercut, root/tip interference and so on. The next is to analyze loaded tooth transmission errors, contact and root stresses of each design candidate of a generated design group by a loaded tooth contact analysis model developed by Houser and Harianto [29]. Lastly, the best designs are searched by eliminating the designs in the complete design group, which do not meet any of multiple bounded ranges of selected performances.
Designs of 4 decks of planetary gear sets are made by using the design search methodology, and the gear profiles and analysis results are shown in Table 3. In the table, as the gear geometry parameters, Z, m, PA, HA, CD and FW denote the number of teeth of a gear, module, pressure and helix angles, center distance and face width, respectively. D o and D r mean outer and root diameters of a gear. TT represents the transverse tooth thickness at the diameter called as tooth thickness diameter TTD. As the performance parameters, TE and σ c imply the motion transmission error and contact stress. Here, the motion transmission error accepting as a gear vibration excitation source is a difference of the maximum and minimum translation amplitudes occurring in loaded gear rotations. For the loaded tooth contact analysis, the torques applied to gears are calculated by using the results of the power flow analysis in Table 2b, and center distances which size the gear sets are defined by referring to previous research [28]. Here, it should be noted that the helix angle directions of the gear set designs are not yet determined in left or right-hand direction.

2.3. Bearing Installations and Other Modelings

An automatic transmission generally includes three types of bearings for supporting rotating parts, which are thrust bearings for axial loads, radial bearings (journal and needle roller bearings) for radial loads and inclined contact bearings (ball and tapered roller bearing) for both thrust and radial direction loads. For all of these type bearings, the respective bearing models are used in building the transmission model in this study. As shown in Figure 4, a total of 20 bearings are installed while the model is in construction, and it consists of 11 thrust bearings (highlighted in yellow), 8 radial bearings (tinted in green), and 1 of the inclined contact bearing (colored in blue). However, it should be noted that concept bearings are applied rather than practical bearings from bearing catalog, since the purpose of this modeling is to analyze thrust loads acting to bearings. Therefore, the concept bearings corresponding to thrust bearings and radial bearings are modeled as including the bearing stiffness in an axial and radial direction, respectively. For replacing the inclined contact bearing, the bearing model is set up to contain both axial and radial bearing models which are independent to each other. In this transmission model, 10 9   N / m is defined for a value of the bearing stiffness in the axial and radial directions, and 10 6   Nm / rad is set for the moment stiffness of the bearings. For installing the bearings in the model, pitch diameters of the bearings are defined as shown in Table 4. For setting planet bearings which are not labelled in Figure 4, the concept bearings supporting radial loads are applied to pin shafts of planetary gear sets as well. However, since the scope of this study is the influences of thrust loads on bearing power losses, the planet bearings are not discussed precisely. As a central member of one planetary gear set is not closely connected to a member of another gear set, shafts, hubs, drums and other miscellaneous parts are used to link them mechanically for simultaneous rotations. In completing the transmission model, these parts are modeled with referring a cross section presented in Dick et al. [28].

3. Bearing and Power Loss Analysis

As an essential mechanical element in a power transmitting system, bearings are installed to enable two adjacent parts to relatively rotate in different angular velocities. While delivering rotating power through shafts and gears carrying loads, bearings must support them against loads. Bearings are generally composed of rolling elements (balls or rollers), inner and outer races. While the inner and outer races of a bearing rotate, rolling and sliding occur between the surfaces of the rolling elements and races. Furthermore, for radial roller bearings with flanges, roller end-race flange sliding frictions take place by thrust loads. These physical phenomena yield friction power losses in the mechanical aspect. In the aspect of fluid mechanics, as a form of viscous friction, viscosity of ATF yields power losses in bearing rotations. Practically, bearing power loss is a complicated outcome involving mechanical, viscous, thermal and other factors, and it is difficult to not only predict the influences of the individual factors but also form theoretical models. Hence, research [1,2,3,4] for predicting bearing power losses has proposed empirical models including critical parameters. In this research, the power loss models proposed by Harris and Kotzalas [1] are adapted for predicting bearing power losses, since the models are composed of mechanical and spin power losses which can be analyzed straight forwardly with the results of the kinematic and structural analyses. Furthermore, the power loss models are represented as simple functions including mainly applied loads and rotational speeds along with less constant factors defining bearing types, lubricant conditions and other operations.
Harris and Kotzalas [1] identified generally two contributions to bearing power losses, which are mechanical power loss P m (load dependent) and spin power loss P s (load independent), and proposed empirical formulations of bearing friction torques and power loss for rolling element bearings supporting loads in the axial and radial directions. Here, it should be noted that rolling bearing friction torques predominantly result from applied loads and lubricant viscous frictions. Furthermore, an influence of roller end-race flange sliding friction is included for radial roller bearings carrying axial loads. Since the purpose of this study is to predict bearing power losses resulted by thrust loads acting on bearings, the selected formulations are used for the analysis. Formulations of bearing power loss P b for thrust cylindrical roller bearings are given as
P b = P m + P s   ,
P m = 1.5705 × 10 7 F a d m n   ,
P s = 1.047 × 10 11 f o ( ν o n ) 2 / 3 d m 3 n f o r   ν o n 2000 167.52 × 10 11 f o d m 3 n f o r   ν o n < 2000   ,
where F a , d m , n and ν o denote an axial load, pitch diameter of a bearing, rotational speed and lubricant kinematic viscosity, respectively. f o represents a value of lubrication type covering grease, oil bath, and oil jet for thrust cylindrical roller bearing. Here, it should denote that the Equation (9) contains a power loss term for thrust loads since roller end-race flange friction is not involved in the case of the bearing type.

4. Results

In the above section, the modeling of the automatic transmission consisting of 4 decks of planetary gear sets, 20 bearings, 5 frictional devices of brakes and clutches, and other parts as shown in Figure 4, is described. In order to analyze the influences of thrust loads resulting from helix angle directions of the gear sets on bearing power losses, the structural analysis on the model is carried out to predict the amounts of loads acting to bearings in the axial direction. Then, power losses produced by the bearings are calculated with the bearing power loss model.

4.1. Helix Angle Directions and Structural Analysis Setup

In designing gears, a helix angle is generally applied to increase face contact ratios for qualified performances in the aspects of strengths and vibrations [29]. For defining a helix angle of gears, an amount of the angle and its direction must be specified together. Generally, both the angle and its direction affect thrust loads acting to bearings. While gear performances are affected by an amount of the helix angle at the gear-mesh level, amounts of thrust loads are systematically determined by both specifications of the helix angle at the transmission level. However, determining the amount of the helix angle is related to defining gear geometry profiles of a planetary gear set. For this reason, this study is confined to analyzing the influences of the helix angle directions of planetary gear sets on bearing power losses.
For a gear and pinion which are in an external gear mesh, once a helix angle direction of the gear is machined in one of left- or right-hand, then the direction of the pinion mating with it is determined in the other direction accordingly. However, for the case of an internal gear mesh, pinion and internal (or ring) gears have the same direction of a helix angle. Hence, for a planetary gear set including sun, ring and planet gears, as the helix angle direction of one of the gears is selected, the others are determined accordingly. If a helix angle direction of a sun gear is decided in left-hand, both planet and ring gears have right-hand angle. As a helix angle direction of each planetary gear set has two options of left- or right-hand, the transmission model shown in Figure 4, containing 4 decks of single-planet planetary gear sets, has 16 combinations of helix angle directions. Furthermore, this transmission model produces 9 speeds of 8 forward and 1 reverse drives by actuating frictional devices. For the entire combinations of helix angle directions, structural analyses of 144 cases are executed in total, and input torque of 550 Nm and rotational speed of 3000 RPM are applied to the input shaft for the analysis setting. MASTA, which is a commercial software developed by Smart Manufacturing Technology, is used for the modeling and structural analysis. For bearing load analysis, preload conditions on bearings are not considered in the simulations.

4.2. Structural Analysis of Bearing Thrust Loads

Figure 5 presents the structural analysis results of bearing thrust loads for 9 speed drives, and combinatorial cases of helix angle directions of planetary gear sets are in RRLR and LLRR directions. The scope of this study is to analyze the influence of thrust loads yielded by helix angle directions on bearing power losses. The input torque applied to the input shaft is a pure torque, hence no radial loads on bearings are found in the automatic transmission structure. We display the results of bearings supporting thrust loads, which cover bearing 1 to 12. Here, L and R represent left- and right-hand helix angles of a sun gear, respectively. In the sense of letter locations amongst 4 capital letters, the letter in the far left and the one in the far right denote the angle directions of the first and fourth (or last) planetary gear sets. Thus, RRLR in Figure 5 means that the first, second and last helix angles are in right-hand and the third has a left-hand angle.
From the results in Figure 5, it is identified that different thrust loads act to respective bearings at a speed drive and thrust loads on individual bearings are varied by changing speeds. As actuating brakes and clutches in accordance with the actuation table, torques and rotational speeds of central members of a planetary gear train are changed in magnitude and direction. As parts which are connected to the central members are supported by bearings, variations of the magnitudes of thrust loads occur by changed power flows. In comparing the results of Figure 5a,b, it is found that the maximum magnitudes of thrust loads are applied to different bearings. In the RRLR case, the maximum thrust load is on bearing 4 at the reverse speed, meanwhile the maximum load is recognized on bearing 7 to 10 in the LLRR case. In addition, the maximum magnitudes of the cases have different values. This distinction is systematically yielded by applying the different helix angle directions to the planetary gear train.
Figure 6 displays the results of the maximum values in bearing thrust loads derived from the first to reverse drives for the entire 16 combinations of helix angle directions of planetary gear sets, and it shows that every combination yields different maximum bearing load conditions. Generally, larger gear ratios are assigned for the first and reverse drives of a power transmission than other drives, and larger torques are accordingly produced in these drives. This means that the largest thrust loads on bearings are identified under the first or reverse drive, and the results shown in the figure consist of the maximum values on individual bearings, which are identified from the first or reverse drives. In Figure 6, for 8 cases (colored in red) in the total combinations, the values of bearing 1 to 3, 11 and 12 are from the first drive, and bearing 4 to 10 have the maximum thrust loads from the reverse. However, for the other cases (colored in blue), the maximum loads of bearing 4 to 10 are obtained from the first speed and the maximum values of the others are from the reverse drive.
In designing a transmission, amongst diverse magnitudes of loads acting on a bearing, the maximum load is one of the critical factors to select a proper bearing in considering bearing load capacity, since the bearing must have enough mechanical strength to tolerate various spectrums of loads in playing a role. In order to investigate which maximum load is totally supported for all combinations, all maximum loads on bearings are added up for every combination, and the result is presented in Figure 7. Here, it is identified that the cases of RRLR and LLRR helix angle directions produce the smallest and largest thrust loads, respectively, in total.

4.3. Bearing Power Loss Analysis

Bearing power losses of the transmission model, consisting of mechanical and spin power losses, are calculated by employing the power loss model described earlier, and the results are shown in Figure 8. The results present the total amounts of bearing power loss P b for 1 to 8 forward drives, since the portion of the reverse drive is significantly low in driving cycles. For calculating spin power losses, the type of lubrication is set as oil bath and ν o = 7.1 is used for lubricant kinematic viscosity. Figure 9 presents the results of spin power losses of bearings for each forward drives and the total amounts of spin power losses of the entire forward drives. In the figure, it is noted that bearing 1, 2, 4 and 5 yield larger spin power losses than other bearings at certain drives since these bearings have higher relative rotational speeds at the drives. As described in the previous section, spin power loss is independent on thrust loads. Spin power loss analysis is carried out by calculating bearing rotation speeds with the kinematic analysis results, and the result is added to the results of mechanical power losses for the entire combinations of the helix angle directions. From the results in Figure 8 and Figure 9, it is identified that mechanical power losses resulted by the helix angle directions are dominant in total power losses of bearings supporting thrust loads.
In Figure 8, it is found that bearings 4 to 10 have smaller power losses in the cases colored in red than the other cases highlighted in blue. Conversely, bearings 1 to 3, 11 and 12 produce smaller losses in the other cases highlighted in blue. This distinction is related to whether the maximum bearing loads are made in the first or reverse drive, and it implies that bearings having the maximum thrust loads in the reverse yield less total power losses since the reverse driving is not included in the power loss analysis. In order to investigate the total bearing power losses depending on the helix angle directions, all bearing power losses for every combination are added up and presented in Figure 10. Amongst the results for the entire combinations, it is identified that the case of LLRR direction has the smallest total bearing power loss, whereas this case produces the largest bearing thrust load as recognized in Figure 7. However, RRLR direction resulting in the smallest load has a large value in total bearing power loss. In designing a transmission, size and power efficiency are important factors for improving quality of a transmission. Based on the structural and power loss results and the assumption that as size of a bearing becomes larger, bearing load capacity increases, it is identified that LRRL, LRLL, LLRL and LLLL directions providing balanced performances in the aspects of load capacity and power efficiency would be the best options for the helix angle directions of planetary gear sets.

5. Conclusions

The influences of thrust loads produced by the helix angle directions of planetary gear sets on bearing power losses are investigated in this study. Bearing power losses consist of two contributions which are load-dependent mechanical and load-independent spin power losses. Mechanical power loss depends on the amount of bearing loads, and spin power loss is affected by viscous properties of ATFs and bearing rotational speeds. Since thrust loads acting to bearings are systematically determined in an automatic planetary gear train, an exemplary model is constructed and analyzed for yielding the results of the entire combinations of helix angle directions of planetary gear sets. Total bearing power losses resulting from thrust loads and bearing rotation speeds are calculated by applying the bearing power loss model. The results of bearing thrust loads and power losses recognize that the case which has the minimum thrust load in total creates a large value of total bearing power loss. In the example, RRLR direction of the helix angles of the planetary gear sets produces the minimum total thrust loads, however a large power loss is yielded by this case than other cases of the helix angle directions. The case of LLRR direction shows the minimum power loss, while the largest total thrust loads is found. Amongst the entire cases, it is found that the best cases are LRRL, LRLL, LLRL and LLLL directions, delivering balanced performances in considering load capacity and bearing power loss rather than having the extrema. Based on the results discussed here, the bearing power losses affected by the thrust loads can be improved by investigating the structural and bearing power loss analysis for changing the helix angle directions of the planetary gear sets in the transmission. Furthermore, this research can be extended to investigations of the influences of the gear profiles of planetary gear sets on bearing power losses in the planetary gear train.

Funding

This work was supported by the National Research Foundation of Korea (NRF) grant funded by the Korea government (MSIT), grant number NRF-2018R1C1B5085509.

Institutional Review Board Statement

Not applicable.

Informed Consent Statement

Not applicable.

Data Availability Statement

Not applicable.

Conflicts of Interest

The author declares no conflict of interest.

References

  1. Harris, T.A.; Kotzalas, M.N. Rolling Bearing Analysis—Essential Concepts of Bearing Technology, 5th ed.; Taylor and Francis Group: Boca Raton, FL, USA, 2007; pp. 181–193. [Google Scholar]
  2. ISO 14179-1. Gear Thermal Capacity—Part 1: Rating Gears Drives with Thermal Equilibrium at 95 °C Sump Temperature; Technical Report; ISO: Geneva, Switzerland, 2001. [Google Scholar]
  3. ISO 14179-2. Gear Thermal Capacity—Part 2: Thermal Load-Carrying Capacity; Technical Report; ISO: Geneva, Switzerland, 2001. [Google Scholar]
  4. SKF GROUP. SKF Rolling Bearings Catalogue. Available online: https://www.skf.com/africa/en/products/rolling-bearings/principles-of-rolling-bearing-selection/bearing-selection-process/operating-temperature-and-speed/bearing-friction-power-loss-and-starting-torque (accessed on 22 July 2021).
  5. Yilmaz, M.; Lohner, T.; Michaelis, K.; Stahl, K. Bearing Power Losses with Water-Containing Gear Fluids. Lubricants 2020, 8, 5. [Google Scholar] [CrossRef] [Green Version]
  6. Xiaoli, R.; Jia, Z.; Ge, R. Calculation of radial load distribution on ball and roller bearings with positive, negative and zero clearance. Int. J. Mech. Sci. 2017, 131–132, 1–7. [Google Scholar] [CrossRef]
  7. Tomović, R. Load Calculation of the Most Loaded Rolling Element for a Rolling Bearing with Internal Radial Clearance. Appl. Sci. 2020, 10, 6934. [Google Scholar] [CrossRef]
  8. Vickerman, R.J.; Streck, K.; Schiferl, E.; Gajanayake, A. The Effect of Viscosity Index on the Efficiency of Transmission Lubricants. SAE Int. J. Fuels Lubr. 2010, 2, 20–26. [Google Scholar] [CrossRef]
  9. Talbot, D.; Kahraman, A.; Li, S.; Singh, A.; Xu, H. Development and Validation of an Automotive Axle Power Loss Model. Tribol. Trans. 2016, 59, 707–719. [Google Scholar] [CrossRef]
  10. Gorla, C.; Concli, F.; Stahl, K.; Höhn, B.-R.; Klaus, M.; Schultheiß, H.; Stemplinger, J.-P. CFD Simulations of Splash Losses of a Gearbox. Adv. Tribol. 2012, 2012, 1–10. [Google Scholar] [CrossRef] [Green Version]
  11. Laderou, A.; Mohammadpour, M.; Theodossiades, S.; Wilson, A.; Daubney, R. Effect of bearing thermally induced preload on the efficiency of automotive manual transmission under RDE. J. Mech. Eng. Sci. 2019, 233, 7423–7441. [Google Scholar] [CrossRef] [Green Version]
  12. Michaelis, K.; Hohn, B.R.; Hinterstoißer, M. Influence factors on gearbox power loss. Ind. Lubr. Tribol. 2011, 63, 46–55. [Google Scholar] [CrossRef]
  13. Changenet, C.; Oviedo-Marlot, X.; Velex, P. Power Loss Predictions in Geared Transmissions Using Thermal Networks-Applications to a Six-Speed Manual Gearbox. J. Mech. Des. 2006, 128, 618–625. [Google Scholar] [CrossRef]
  14. Del Castillo, J.M. The analytical expression of the efficiency of planetary gear trains. Mech. Mach. Theory 2002, 37, 197–214. [Google Scholar] [CrossRef]
  15. Pennestrì, E.; Mariti, L.; Valentini, P.P.; Mucinob, V.H. Efficiency evaluation of gearboxes for parallel hybrid vehicles: Theory and applications. Mech. Mach. Theory 2012, 49, 157–176. [Google Scholar] [CrossRef]
  16. Kahraman, A.; Ligata, H.; Kienzle, K.; Zini, D.M. A Kinematics and Power Flow Analysis Methodology for Automatic Transmission Planetary Gear Trains. J. Mech. Des. 2004, 126, 1071–1081. [Google Scholar] [CrossRef]
  17. Raghavan, M. The Analysis of Planetary Gear Trains. J. Mech. Robot. 2010, 2, 021005. [Google Scholar] [CrossRef]
  18. Del Castillo, J.M. Enumeration of 1-DOF planetary gear train graphs based on functional constraints. J. Mech. Des. 2002, 124, 723–732. [Google Scholar] [CrossRef]
  19. Kwon, H.S.; Kahraman, A. An Assemblability Check Methodology for the Kinematic Configurations of Automatic Transmission Planetary Gear Trains. J. Mech. Sci. Technol. 2016, 30, 5605–5616. [Google Scholar] [CrossRef]
  20. Colbourne, J.R. The Geometry of Involute Gears; Springer: New York, NY, USA, 1987. [Google Scholar]
  21. Polder, J.W. Interference and other limiting conditions of internal gears. In Proceedings of the ASME Design and Production Engineering Technical Conference, Cambridge, MA, USA, October 1984; ASME: New York, NY, USA, 1984; 84-DET-180. [Google Scholar]
  22. Buckingham, E. Analytical Mechanics of Gears; Dover Publications: New York, NY, USA, 1949. [Google Scholar]
  23. Kelley, O. The design of Planetary Gear Trains. SAE Tech. Pap. 1959, 590059. [Google Scholar] [CrossRef]
  24. Kwon, H.S.; Kahraman, A.; Lee, H.K.; Suh, H.S. An Automated Design Search for Single and Double-Planet Planetary Gear Sets. J. Mech. Des. 2014, 136, 061004. [Google Scholar] [CrossRef]
  25. Kwon, H.S.; Kahraman, A. Influence of design parameters on mechanical power losses of planetary gear sets. In Proceedings of the ASME 2015 IDETC & CIE Conference, Boston, MA, USA, 2–5 August 2015; ASME: New York, NY, USA, 2015; DETC2015-47283. [Google Scholar] [CrossRef]
  26. Kahraman, A. Effect of Axial Vibrations on the Dynamics of a Helical Gear Pair. J. Vib. Acoust. 1993, 115, 33–39. [Google Scholar] [CrossRef]
  27. Kang, J.S.; Choi, Y.S. Optimization of Helix Angle for Helical Gear System. J. Mech. Sci. Technol. 2008, 22, 2393–2402. [Google Scholar] [CrossRef]
  28. Dick, A.; Greiner, J.; Locher, A.; Jauch, F. Optimization Potential for a State of the Art 8-Speed AT. SAE Int. J. Passeng. Cars-Mech. Syst. 2013, 6, 899–907. [Google Scholar] [CrossRef]
  29. Houser, D.R.; Harianto, J. A Gear Design Optimization Procedure that Identifies Robust, Minimum Stress and Minimum Noise Gear Pair Designs; AGMA Technical Paper; AGMA: Alexandria, VA, USA, 2002; p. 02FTM11. Available online: https://members.agma.org/ItemDetail?iProductCode=02FTM11&Category=TECH%20PAPER (accessed on 22 July 2021).
Figure 1. A flowchart describing the entire processes.
Figure 1. A flowchart describing the entire processes.
Applsci 11 08827 g001
Figure 2. A schematic diagram of the transmission structure [28].
Figure 2. A schematic diagram of the transmission structure [28].
Applsci 11 08827 g002
Figure 3. (a) A single-planet planetary gear set and (b) double-planet planetary gear set.
Figure 3. (a) A single-planet planetary gear set and (b) double-planet planetary gear set.
Applsci 11 08827 g003
Figure 4. Bearing installations in the transmission model.
Figure 4. Bearing installations in the transmission model.
Applsci 11 08827 g004
Figure 5. Bearing thrust loads resulting from (a) RRLR and (b) LLRR directions of helix angles.
Figure 5. Bearing thrust loads resulting from (a) RRLR and (b) LLRR directions of helix angles.
Applsci 11 08827 g005
Figure 6. Maximum bearing thrust loads of the entire combinations of helix angle directions. (a) RRRR/RRRL/RRLR/RRLL directions; (b) RLRR/RLRL/RLLR/RLLL directions; (c) LRRR/LRRL/LRLR/LRLL directions; (d) LLRR/LLRL/LLLR/LLLL directions.
Figure 6. Maximum bearing thrust loads of the entire combinations of helix angle directions. (a) RRRR/RRRL/RRLR/RRLL directions; (b) RLRR/RLRL/RLLR/RLLL directions; (c) LRRR/LRRL/LRLR/LRLL directions; (d) LLRR/LLRL/LLLR/LLLL directions.
Applsci 11 08827 g006
Figure 7. Total maximum thrust loads of the entire combinations of helix angle directions.
Figure 7. Total maximum thrust loads of the entire combinations of helix angle directions.
Applsci 11 08827 g007
Figure 8. Bearing power losses of the entire combinations of helix angle directions. (a) RRRR/RRRL/RRLR/RRLL directions; (b) RLRR/RLRL/RLLR/RLLL directions; (c) LRRR/LRRL/LRLR/LRLL directions; (d) LLRR/LLRL/LLLR/LLLL directions.
Figure 8. Bearing power losses of the entire combinations of helix angle directions. (a) RRRR/RRRL/RRLR/RRLL directions; (b) RLRR/RLRL/RLLR/RLLL directions; (c) LRRR/LRRL/LRLR/LRLL directions; (d) LLRR/LLRL/LLLR/LLLL directions.
Applsci 11 08827 g008
Figure 9. (a) Bearing spin power losses for the forward drives and (b) spin power losses of the total amounts of the forward drives.
Figure 9. (a) Bearing spin power losses for the forward drives and (b) spin power losses of the total amounts of the forward drives.
Applsci 11 08827 g009
Figure 10. Total bearing power losses of the entire combinations of helix angle directions.
Figure 10. Total bearing power losses of the entire combinations of helix angle directions.
Applsci 11 08827 g010
Table 1. Actuation scheme of brakes and clutches for 8 forward and 1 reverse speeds [28]. Reprinted with permission from ref. [28]. Copyright 2013 SAE International.
Table 1. Actuation scheme of brakes and clutches for 8 forward and 1 reverse speeds [28]. Reprinted with permission from ref. [28]. Copyright 2013 SAE International.
SpeedBR1BR2CL1CL2CL3Gear Ratio
1st 4.714
2nd 3.143
3rd 2.106
4th 1.667
5th 1.285
6th 1.000
7th 0.839
8th 0.667
REV. −3.295
Table 2. (a) Rotational speed and (b) applied torque ratios of central members of the example planetary gear train for 8 forward and 1 reverse drives.
Table 2. (a) Rotational speed and (b) applied torque ratios of central members of the example planetary gear train for 8 forward and 1 reverse drives.
(a)
SpeedS1C1R1S2C2R2S3C3R3S4C4R4
1st00001.01.51.51.21.01.00.20
2nd00001.01.51.51.51.51.50.30
3rd1.00.301.01.01.01.01.01.01.00.50.3
4th1.80.601.81.00.60.60.60.60.60.60.6
5th2.20.702.21.00.40.40.81.01.00.80.7
6th1.01.01.01.01.01.01.01.01.01.01.01.0
7th01.21.901.01.51.51.21.01.01.11.2
8th01.52.301.01.51.51.51.51.51.51.5
REV.00001.01.51.5−0.3−1.4−1.4−0.30
(b)
SpeedS1C1R1S2C2R2S3C3R3S4C4R4
1st1.2−3.72.50000001.0−4.73.7
2nd0.8−2.51.7−0.31.0−0.70000.7−3.12.4
3rd0.5−1.61.1−0.51.6−1.10000.5−2.11.6
4th0.3−1.00.7−0.31.0−0.70.2−0.40.20.3−1.31.0
5th0.1−0.40.3−0.10.4−0.30.3−0.70.40.1−0.50.4
6th0000000.4−1.00.6000
7th000−0.20.50.30.3−0.80.5000
8th000−0.31.0−0.70.3−0.70.4000
REV.−1.33.9−2.6−0.31.0−0.70.6−1.71.1−1.15.0−3.9
Table 3. Designs of planetary gear sets consisting of the example transmission model.
Table 3. Designs of planetary gear sets consisting of the example transmission model.
ItemS1 & S2P1 & P2R1 & R2S3P3R3S4P4R4
Z4824966018962838104
m (mm)1.221.261.26
PA (deg.)182018
HA (deg.)221822
CD (mm)48.252.345.4
FW (mm)21.521.521.5171717171717
D o (mm)66.734.6126.183.026.7126.241.054.8140.6
D r (mm)61.329.2131.577.421.1131.835.449.3146.1
TT (mm)2.072.072.071.872.281.872.132.132.13
TTD (mm)64.332.1128.580.524.1128.738.552.3143.1
TE ( μ m)0.38-0.74-1.67-
-0.30-0.66-0.77
σ c (MPa)3936-2455-5425-
-2737-3255-2718
Table 4. Pitch diameters of bearing 1 to 20.
Table 4. Pitch diameters of bearing 1 to 20.
Bearing Number1~89~11121314151617181920
D p (mm)60.038.540.032.034.044.534.056.525.518.558.0
Publisher’s Note: MDPI stays neutral with regard to jurisdictional claims in published maps and institutional affiliations.

Share and Cite

MDPI and ACS Style

Kwon, H.S. Investigation of the Influences of Thrust Loads Resulted by Helix Angle Directions of Planetary Gear Sets on Bearing Power Losses in Automotive Planetary Gear Trains. Appl. Sci. 2021, 11, 8827. https://doi.org/10.3390/app11198827

AMA Style

Kwon HS. Investigation of the Influences of Thrust Loads Resulted by Helix Angle Directions of Planetary Gear Sets on Bearing Power Losses in Automotive Planetary Gear Trains. Applied Sciences. 2021; 11(19):8827. https://doi.org/10.3390/app11198827

Chicago/Turabian Style

Kwon, Hyun Sik. 2021. "Investigation of the Influences of Thrust Loads Resulted by Helix Angle Directions of Planetary Gear Sets on Bearing Power Losses in Automotive Planetary Gear Trains" Applied Sciences 11, no. 19: 8827. https://doi.org/10.3390/app11198827

APA Style

Kwon, H. S. (2021). Investigation of the Influences of Thrust Loads Resulted by Helix Angle Directions of Planetary Gear Sets on Bearing Power Losses in Automotive Planetary Gear Trains. Applied Sciences, 11(19), 8827. https://doi.org/10.3390/app11198827

Note that from the first issue of 2016, this journal uses article numbers instead of page numbers. See further details here.

Article Metrics

Back to TopTop