Effect of Temperature and Pressure of Supercritical CO2 on Dewatering, Shrinkage and Stresses of Eucalyptus Wood
Abstract
1. Introduction
2. Materials and Methods
2.1. Materials
2.2. Equipment
2.3. Dewatering Test
2.4. Moisture Content and Distribution Measurement
2.5. Shrinkage Measurement
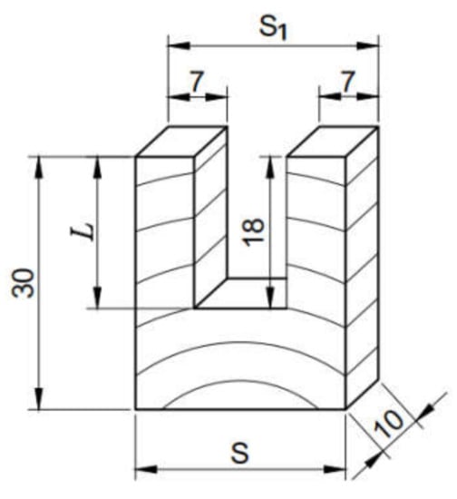
2.6. Residual Stress Measurement
3. Results and Discussion
3.1. Dewatering Rate
3.2. Moisture Content Distribution
3.3. Shrinkage
3.4. Residual Stress
4. Conclusions
Funding
Institutional Review Board Statement
Informed Consent Statement
Data Availability Statement
Conflicts of Interest
References
- Yang, L.; Mao, H.Z.; Liu, H.H.; Wu, Z.H. Effect of freezing and compressing pre-treatment on collapse of Eucalyptus Grandis × E. Urophylla during drying. J. For. Eng. 2018, 3, 30–34. [Google Scholar] [CrossRef]
- Zhou, Y.D.; Sun, F.; Lü, J.X.; Li, X.L. Veneer drying quality comparison of six eucalyptus species. Sci. Silvae Sin. 2014, 50, 104–108. [Google Scholar] [CrossRef]
- Yang, L.; Liu, H.H. A review of Eucalyptus wood collapse and its control during drying. BioResources 2018, 13, 2171–2181. [Google Scholar] [CrossRef]
- Chen, Y.S.; Zhu, J. Study on bending characteristics of fast growing eucalyptus bookcase shelves by using burgers model. Wood Res. 2019, 64, 137–144. [Google Scholar]
- Teixeira, T.O.B.; Silva, M.L.; Jacovine, L.A.G.; Valverde, S.R.; Pires, V.A.V. A percepçao sobre o uso da madeira de eucalipto pelos fabricantes do polo moveleiro de Uba-MG The perception of manufacturers of the furniture center of Uba-MG about the use of eucalyptus wood. Rev. Arvore 2009, 33, 969–975. [Google Scholar] [CrossRef][Green Version]
- Washusen, R. Processing Methods for Production of Solid Wood Products from Plantation-Grown Eucalyptus Species of Importance to Australia. (Project No. PNB291-1112A); Forest and Wood Products Australia: Melbourne, Australia, 2013. [Google Scholar]
- Yin, Q.; Liu, H.H. Drying Stress and Strain of Wood: A Review. Appl. Sci. 2021, 11, 5023. [Google Scholar] [CrossRef]
- Liu, H.H.; Zhang, J.W.; J, W.J.; Cai, Y.C. Characteristics of commercial-scale radio-frequency/ vacuum (RF/V) drying for hardwood Lumber. Bioresources. 2019, 14, 6923–6935. [Google Scholar] [CrossRef]
- Cai, C.; Zhou, F.; Cai, J. Bound water content and pore size distribution of thermally modified wood studied by NMR. Forests 2020, 11, 1279. [Google Scholar] [CrossRef]
- Li, R.; Fang, L.; Xu, W.; Xiong, X.; Wang, X. Effect of laser irradiation on the surface wettability of poplar wood. Sci. Adv. Mater. 2019, 11, 655–660. [Google Scholar] [CrossRef]
- Hu, W.G.; Li, S.; Liu, Y. Vibrational characteristics of four wood species commonly used in wood products. Bioresources. 2021, 16, 7101–7111. [Google Scholar] [CrossRef]
- Liu, X.Y.; Lv, M.Q.; Liu, M.; Lv, J.F. Repeated Humidity Cycling’s Effect on Physical Properties of Three Kinds of Wood-based Panels. Bioresources 2019, 14, 9444–9453. [Google Scholar] [CrossRef]
- Cai, C.Y.; Haapala, A.; Rahman, M.H.; Tiitta, M.; Tiitta, V.; Tomppo, L.; Lappalainen, R.; Heräjärvi, H. Effect of 2-year Natural Weathering on Chemical and Physical Properties of Thermally Modified Picea abies, Pinus sylvestris and Fraxinus Excelsior. Can. J. For. Res. 2020, 50, 1160–1171. [Google Scholar] [CrossRef]
- Wu, Y.H.; Jia, R.; Ren, H.Q.; Zhou, Y.D.; Xing, X.T.; Wu, Z.K.; Wang, Y.R. Study on radial variation of main physical properties of imported Pinus radiata wood. J. For. Eng. 2019, 4, 48–53. [Google Scholar] [CrossRef]
- Chafe, S.C. The distribution and interrelationship of collapse, volumetric shrinkage, moisture content and density in trees of Eucalyptus Regnans F. Muell. Wood Sci. Technol. 1985, 19, 329–345. [Google Scholar] [CrossRef]
- Kauman, W.G. Cell collapse in wood—part I: Process variables and collapse recovery. Holz. Roh. Werkst. 1964, 22, 183–196. [Google Scholar] [CrossRef]
- Perez-Pena, N.; Cloutier, A.; Segovia, F.; Salinas, C.; Sepulveda, V.; Salvo, L.; Elustondo, D.M.; Ananias, R.A. Hygromechanical strains during the drying of Eucalyptus nitens boards. Maderas-Cienc. Tecnol. 2016, 18, 235–244. [Google Scholar] [CrossRef]
- Perez-Pena, N.; Elustondo, D.; Valenzuela, L.; Ananías, R.A. Variation of perpendicular compressive strength properties related to anatomical structure and density in Eucalyptus nitens Green Specimens. BioResources 2020, 15, 987–1000. [Google Scholar]
- Kong, L.L.; Zhao, Z.J.; He, Z.B.; Yi, S.L. Development of schedule to steaming prior to drying and its effects on Eucalyptus Grandis × E. Urophylla wood. Eur. J. Wood Wood Prod. 2018, 76, 591–600. [Google Scholar] [CrossRef]
- Peres, M.L.; Delucis, R.D.A.; Gatto, D.A.; Reltrame, R. Solid wood bending of Eucalyptus grandis wood plasticized by steam and boiling. Ambient Constr. 2015, 15, 169–177. [Google Scholar] [CrossRef][Green Version]
- Vermaas, H.F. Drying eucalypts for quality: Material characteristics, pre-drying treatments, drying methods, schedules and optimization of drying quality. S. Afr. For. J. 1995, 174, 41–49. [Google Scholar] [CrossRef]
- Yang, L.; Ma, Q.Y.; Liu, H.H.; Liao, X.M.; Wu, Z.H. Freeze-drying properties of Eucalyptus urophylla × E.grandis wood. J. For. Environ. 2018, 38, 277–283. (In Chinese) [Google Scholar]
- Gabitov, R.F.; Khairutdinov, V.F.; Gumerov, F.M.; Gabitov, F.R.; Zaripov, Z.I.; Gaifullina, R.; Farakhov, M.I. Drying and impregnation of wood with propiconazole using supercritical carbon dioxide. Russ. J. Phys. Chem. B 2017, 11, 1223–1230. [Google Scholar] [CrossRef]
- Yu, X.R.; Liu, Y.; Luo, X.L.; Li, L.P.; Zhang, J.Y.; Zhao, P. Comparative analysis of volatile components extracted from the leaves of four Chinese fir clones. J. For. Eng. 2020, 5, 127–132. [Google Scholar] [CrossRef]
- Ferrentino, G.; Morozova, K.; Mosibo, O.K.; Ramezani, M.; Scampicchio, M. Biorecovery of antioxidants from apple pomace by supercritical fluid extraction. J. Clean. Prod. 2018, 186, 253–261. [Google Scholar] [CrossRef]
- Zhang, J.W.; Yang, L.; Liu, H.H. Green and efficient processing of wood with supercritica1 CO2: A review. Appl. Sci. 2021, 11, 3929. [Google Scholar] [CrossRef]
- Yao, Y.; Qin, H.S.; Fu, W.; Cui, C.; Liu, Y.B.; Gong, Y.L. Energy consumption analysis of drying of Hevea brasiliensis using solar energy-heat pump combined kiln. J. For. Eng. 2019, 4, 29–35. [Google Scholar] [CrossRef]
- Franich, R.A.; Gallagher, S.; Kroese, H. Dewatering green sapwood using carbon dioxide cycled between supercritical fluid and gas phase. J. Supercrit. Fluids 2014, 89, 113–118. [Google Scholar] [CrossRef]
- Dawson, B.S.W.; Pearson, H.; Kroese, H.W.; Sargent, R. Effect of specimen dimension and pre-heating temperature on supercritical CO2 dewatering of radiata pine sapwood. Holzforschung 2015, 69, 421–430. [Google Scholar] [CrossRef]
- Dawson, B.S.W.; Pearson, H. Effect of supercritical CO2 dewatering followed by oven-drying of softwood and hardwood timbers. Wood Sci. Technol. 2017, 51, 771–784. [Google Scholar] [CrossRef]
- Dawson, B.S.W.; Pearson, H.; Kimberley, M.O.; Davy, B.; Dickson, A.R. Effect of supercritical CO2 treatment and kiln drying on collapse in Eucalyptus nitens wood. Eur. J. Wood Wood Prod. 2020, 78, 209–217. [Google Scholar] [CrossRef]
- Newman, R.H.; Franich, R.A.; Meder, R.; Hill, S.J.; Kroese, H.; Sandquist, D.; Hindmarsh, J.; Schmid, M.W.; Fuchs, J.; Behr, V.C. Proton magnetic resonance imaging used to investigate dewatering of green sapwood by cycling carbon dioxide between supercritical fluid and gas phase. J. Supercrit. Fluids 2016, 111, 36–42. [Google Scholar] [CrossRef]
- Meder, R.; Franich, R.A.; Callaghan, P.T.; Behr, V.C. A Comparative study of dewatering of pinus radiata sapwood using supercritical CO2 and conventional forced air-drying via in situ magnetic resonance microimaging (MRI). Holzforschung 2015, 69, 1137–1142. [Google Scholar] [CrossRef]
- Franich, R.A.; Meder, R.; Falge, M.; Fuchs, J.; Behr, V.C. Uncovering supercritical CO2 wood dewatering via interleaved 1H-imaging and 13C-spectroscopy with real-time reconstruction. J. Supercrit. Fluids 2019, 144, 56–62. [Google Scholar] [CrossRef]
- Zhang, J.W.; Liu, H.H.; Yang, H.; Yang, L. Drying characteristics of Eucalyptus urophylla × E. grandis with supercritical CO2. Materials 2020, 13, 3989. [Google Scholar] [CrossRef]
- Yang, L.; Liu, H.H. Effect of Supercritical CO2 drying on moisture transfer and wood property of Eucalyptus urophydis. Forests 2020, 11, 1115. [Google Scholar] [CrossRef]
- Yang, L.; Liu, H.H.; Cai, Y.C.; Wu, Z.H. A novel method of studying the collapsed cell of eucalyptus wood using X-ray CT scanning. Dry. Technol. 2019, 37, 1597–1604. [Google Scholar] [CrossRef]
- Ramsey, E.; Sun, Q.B.; Zhang, Z.Q.; Zhang, C.M.; Gou, W. Mini-Review: Green sustainable processes using supercritical fluid carbon dioxide. J. Environ. Sci. 2009, 21, 720–726. [Google Scholar] [CrossRef]
- Fernandes, J.; Kjellow, A.W.; Henriksen, O. Modeling and optimization of the supercritical wood impregnation process-focus on pressure and temperature. J. Supercrit. Fluids 2012, 66, 307–314. [Google Scholar] [CrossRef]
- Hou, S.X.; Maitland, G.C.; Trusler, M. Measurement and modeling of the phase behavior of the (carbon dioxide + water) mixture at temperatures from 298.15 K to 448.15 K. J. Supercrit. Fluids 2013, 73, 87–96. [Google Scholar] [CrossRef]
- Behr, V.C.; Hill, S.J.; Meder, R.; Sandquist, D.; Hindmarsh, J.P.; Franich, R.A.; Newman, R.H. Carbon-13 NMR Chemical-shift Imaging Study of dewatering of green sapwood by cycling carbon dioxide between the su-percritical fluid and gas phases. J. Supercrit. Fluids 2014, 95, 35–540. [Google Scholar] [CrossRef]
- Yue, K.; Song, X.L.; Cheng, X.C.; Lai, Y.J.; Jia, C.; Lu, W.D.; Liu, W.Q. Study on moisture stresses in Chinese fir glued laminated timber. J. For. Eng. 2019, 4, 35–40. [Google Scholar] [CrossRef]
- Moutee, M.; Fortin, Y.; Fafard, M. A global rheological model of wood cantilever as applied to wood drying. Wood Sci. Technol. 2007, 41, 209–234. [Google Scholar] [CrossRef]
- Cheng, W.L.; Liu, Y.X.; Morooka, T.; Norimoto, M. Characteristics of shrinkage stress of wood during drying under high temperature and high pressure steam conditions. J. Beijing For. Univ. 2005, 27, 101–106. [Google Scholar] [CrossRef]








| Process Parameter | Value |
|---|---|
| Supercritical temperature (°C) Maximum pressure (MPa) | 35/40/55 10/30 |
| Minimum pressure (MPa) | 0.1 |
| Pressurization time (min) | 10~30 |
| Holding time (min) | 60 |
| Decompression time (min) | 10 |
| CO2 emission time (min) | 30 |
Publisher’s Note: MDPI stays neutral with regard to jurisdictional claims in published maps and institutional affiliations. |
© 2021 by the author. Licensee MDPI, Basel, Switzerland. This article is an open access article distributed under the terms and conditions of the Creative Commons Attribution (CC BY) license (https://creativecommons.org/licenses/by/4.0/).
Share and Cite
Yang, L. Effect of Temperature and Pressure of Supercritical CO2 on Dewatering, Shrinkage and Stresses of Eucalyptus Wood. Appl. Sci. 2021, 11, 8730. https://doi.org/10.3390/app11188730
Yang L. Effect of Temperature and Pressure of Supercritical CO2 on Dewatering, Shrinkage and Stresses of Eucalyptus Wood. Applied Sciences. 2021; 11(18):8730. https://doi.org/10.3390/app11188730
Chicago/Turabian StyleYang, Lin. 2021. "Effect of Temperature and Pressure of Supercritical CO2 on Dewatering, Shrinkage and Stresses of Eucalyptus Wood" Applied Sciences 11, no. 18: 8730. https://doi.org/10.3390/app11188730
APA StyleYang, L. (2021). Effect of Temperature and Pressure of Supercritical CO2 on Dewatering, Shrinkage and Stresses of Eucalyptus Wood. Applied Sciences, 11(18), 8730. https://doi.org/10.3390/app11188730
