Operation and Challenges of Multi-Infeed LCC–HVDC System: Commutation Failure, AC/DC Power Flow, and Voltage Stability
Abstract
1. Introduction
2. Multi-Infeed LCC–HVDC System
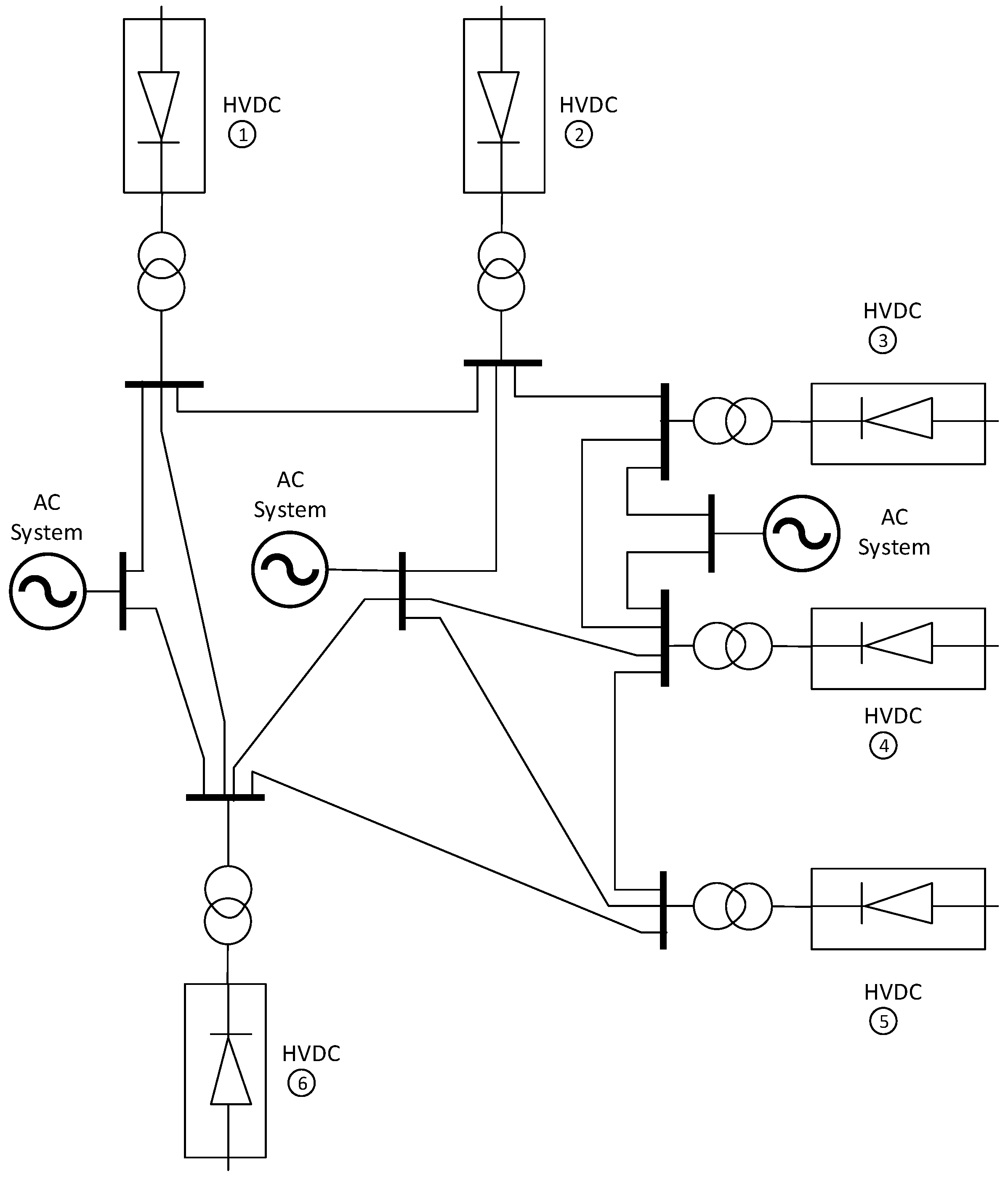
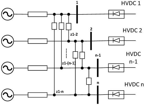
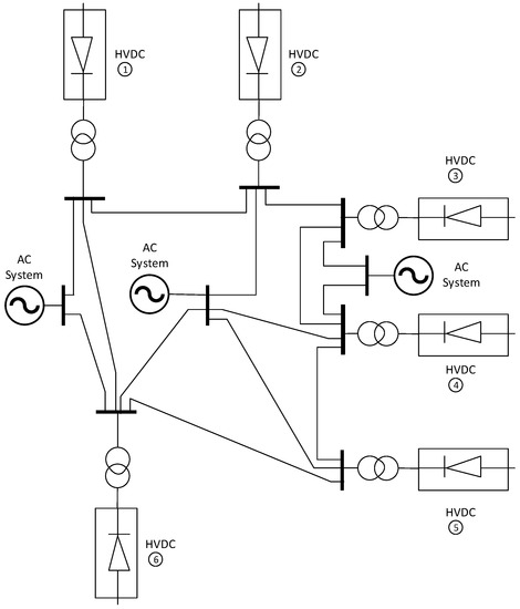
2.1. Multi-Infeed Schemes
- (i).
- Ring type;
- (ii).
- Chain type;
- (iii).
- Mesh type
2.2. Fundamental Indices Developed for a Multi-Infeed LCC–HVDC System
3. Voltage Stability of a Multi-Infeed LCC–HVDC System
3.1. Maximum Available Power (MAP)
3.2. Voltage Stability Factor (VSF)
4. Commutation Failure (CF) in a Multi-Infeed LCC–HVDC System
- Calculating the maximum acceptable voltage drop;
- Electromagnetic transient (EMT) program;
- Examining the valve conduction status;
- Comparing the valve current with a DC current;
- Estimating the AC current of all phases of a transformer;
- Inspecting the DC current of a converter;
- Observing the extinction angle
5. DC Interaction of a Multi-Infeed LCC–HVDC System
6. AC/DC Power Flow of a Multi-Infeed LCC–HVDC System
7. Analytical Expression and Parameter Specification of a Multi-Infeed LCC–HVDC System
8. Conclusions
Author Contributions
Funding
Institutional Review Board Statement
Informed Consent Statement
Data Availability Statement
Acknowledgments
Conflicts of Interest
References
- Long, W.; Nilsson, S. HVDC transmission: Yesterday and today. IEEE Power Energy Mag. 2007, 5, 22–31. [Google Scholar] [CrossRef]
- Cole, S.; Belmans, R. Transmission of bulk power. IEEE Ind. Electron. Mag. 2009, 3, 19–24. [Google Scholar] [CrossRef]
- Rehman, B.; Liu, C. A Generalized N Terminal Current Order Control Scheme for LCC MTDC. In Proceedings of the IEEE 2nd International Electrical and Energy Conference (CIEEC), Beijing, China, 4–6 November 2018; pp. 344–349. [Google Scholar]
- Arrillaga, J. High Voltage Direct Current Transmission, 2nd ed.; Johns, A.T., Warne, D.F., Eds.; The Institution of Engineering and Technology: London, UK, 1998; ISBN 9780852969410. [Google Scholar]
- Rehman, B.; Liu, C. AC/DC Multi-Infeed Power Flow Solution. IET Gener. Transm. Distrib. 2019, 13, 1838–1844. [Google Scholar] [CrossRef]
- Lips, H.P. Aspects of Multiple Infeed of HVDC Inverter Stations into a Common AC System. IEEE Trans. Power Appar. Syst. 1972, 92, 775–779. [Google Scholar]
- Reeve, J.; Lane-Smith, S.P. Multi-Infeed HVDC Transient Response and Recovery Strategies. IEEE Trans. Power Deliv. 1993, 8, 1995–2001. [Google Scholar] [CrossRef]
- IEEE Power & Energy Society. IEEE Guide for Planning DC Links Terminating at AC Locations Having Low Short-Circuit Capacities; IEEE Standard Board: New York, NY, USA, 1997; pp. 1–216. [Google Scholar]
- Krishnayya, P.C.S.; Piwko, R.J.; Weaver, T.L.; Bahrman, M.P.; Hammad, A.E. DC Transmission Terminating at Low Short Cirucit Ratio Locations. IEEE Trans. Power Deliv. 1986, 1, 308–318. [Google Scholar] [CrossRef]
- Gavrilovic, A. AC/DC system strength as indicated by short circuit ratios. In Proceedings of the International Conference on AC and DC Power Transmission, London, UK, 17–20 September 1991; pp. 27–32. [Google Scholar]
- Aik, D.L.H.; Andersson, G. Voltage and Power Stability of HVDC Systems—Emerging Issues and New Analytical Methodologies. In Proceedings of the VII Symposium of Specialists in Electric Operational and Expansion Planing (SEPOPE), Curitiba, Brazil, 23–28 May 2000; pp. 1–10. [Google Scholar]
- Rahimi, E.; Gole, A.M.; Davies, J.B.; Fernando, I.T.; Kent, K.L. Commutation Failure and Overvoltage Phenomena in Multi-Infeed HVDC Systems. In Proceedings of the Colloquium of Role of HVDC, FACTS and Emerging Technologies in Evolving Power Systems, Bangalore, India, 23–24 September 2005; pp. 54–73. [Google Scholar]
- Rahimi, E.; Gole, A.M.; Davies, J.B.; Fernando, I.T.; Kent, K.L. Commutation Failure in single- and multi-infeed HVDC systems. In Proceedings of the IEEE International Conference on AC and DC Power Transmission, London, UK, 5 June 2006; pp. 182–186. [Google Scholar]
- Davies, B.; Williamson, A.; Gole, A.M.; Ek, B.; Long, B.; Burton, D.K.; Brandt, D.; Lee, D.; Rahimi, E.; Andersson, G.; et al. Cigré; WG B4.41; Publication 364: Paris, France, 2008; pp. 1–118. [Google Scholar]
- De Toledo, P.F.; Bergdahl, B.; Asplund, G. Multiple Infeed Short Circuit Ratio—Aspects Related to Multiple HVDC into One AC Network. In Proceedings of the IEEE/PES Transmission & Distribution Conference & Exposition: Asia and Pacific, Dalian, China, 5 December 2005; pp. 1–6. [Google Scholar]
- Ainsworth, J.D.; Gavrilovi’c, T.H. Static and Synchronous Compensators for DC Transmission Converters Connected to Weak AC Systems. In Proceedings of the Cigre General Session, Paris, France, 31 January 1980. Paper 31. [Google Scholar]
- Zhang, X.; Chen, C. Maximum available power of multi-infeed hvdc system analysed by sensitivity method. IET Gener. Transm. Distrib. 2014, 8, 473–479. [Google Scholar] [CrossRef]
- Hammad, A.E.; Sadek, K.; Kauferle, J. A New Approach for the Analysis of and Solution of DC Voltage Stability Problems at HVDC Terminals. In Proceedings of the International Conference on DC Power Transmission, Montreal, QC, Canada, 4–8 June 1984; pp. 164–170. [Google Scholar]
- Franken, B.; Andersson, G. Analysis of HVDC converters connected to weak AC systems. IEEE Trans. Power Syst. 1990, 5, 235–242. [Google Scholar] [CrossRef]
- Tamura, Y.; Mori, H.; Iwamoto, S. Relationship between voltage instability and multiple load flow solutions in electric power systems. IEEE Trans. Power Appar. Syst. 1983, 102, 1115–1125. [Google Scholar] [CrossRef]
- Lee, D.; Aik, H.; Anderson, G. Voltage stability analysis of multi-infeed HVDC systems. IEEE Trans. Power Deliv. 1997, 12, 1309–1318. [Google Scholar]
- Gao, B.; Morison, G.K.; Kundur, P. Voltage stability evaluation using modal analysis. IEEE Trans. Power Syst. 1992, 7, 1529–1542. [Google Scholar] [CrossRef]
- Lof, P.A.; Hill, D.J.; Andersson, G. Analysis of Long Term Voltage Stability. In Proceedings of the 10th Power Systems Computation Conference, Graz, Austria, 1 January 1990; pp. 1252–1269. [Google Scholar]
- Szechtman, M.; Wess, T.; Thio, C.V. A Benchmark model for HVDC system studies. In Proceedings of the International Conferance on AC and DC Power Transmission, London, UK, 17–20 September 1991; pp. 374–378. [Google Scholar]
- Lee, D.H.A.; Andersson, G. An Equivalent Single-Infeed Model of Multi-Infeed HVDC Systems for Voltage and Power Stability Analysis. IEEE Trans. Power Deliv. 2016, 31, 303–312. [Google Scholar] [CrossRef]
- Lee, D.H.A. Voltage stability assessment using equivalent nodal analysis. IEEE Trans. Power Syst. 2016, 31, 454–463. [Google Scholar] [CrossRef]
- Wu, G.; Minakawa, T.; Hayashi, T. Modal Voltage Stability Analysis of Multi-Infeed HVDC System Considering Its Control Systems. IEEJ Trans. Power Energy 2006, 126, 776–782. [Google Scholar] [CrossRef][Green Version]
- Pinto, H.J.C.P.; Martins, N.; Vieira, X.; Bianco, A.; Gomes, P.; dos Santos, M.G. Modal Analysis for Voltage Stability: Application at Base Case and Point of Collapse. In Proceedings of the Bulk Power Systems Voltage Phenomena III: Voltage Stability Security and Control, Davos, Switzerland, 22–26 August 1994; pp. 1–14. [Google Scholar]
- Kundur, P.; Rogers, G.J.; Wong, D.Y.; Wang, L.; Lauby, M.G. A comprehensive computer program package for small signal stability analysis of power systems. IEEE Trans. Power Syst. 1990, 5, 1076–1083. [Google Scholar] [CrossRef]
- Lee, D.; Aik, H.; Anderson, G. Power Stability Analysis of Multi-infeed HVDC Systems. IEEE Trans. Power Deliv. 1998, 13, 923–931. [Google Scholar]
- Saichand, K.; Padiyar, K.R. Analysis of voltage stability in multi-infeed HVDC systems with STATCOM. In Proceedings of the IEEE International Conference on Power Electronics, Drives and Energy Systems, Bengaluru, India, 16–19 December 2012; pp. 1–6. [Google Scholar]
- Thio, C.V.; Davies, J.B.; Kent, K.L. Commutation failures in HVDC transmission systems. IEEE Trans. Power Deliv. 1996, 11, 946–953. [Google Scholar] [CrossRef]
- Wang, F.; Liu, T.; Li, X. Decreasing the frequency of HVDC commutation failures caused by harmonics. IET Power Electron. 2017, 10, 215–221. [Google Scholar] [CrossRef]
- Rahimi, E.; Gole, A.M.; Davies, J.B.; Fernando, I.T.; Kent, K.L. Commutation Failure Analysis in Multi-Infeed HVDC Systems. IEEE Trans. Power Deliv. 2011, 26, 378–384. [Google Scholar] [CrossRef]
- Kundur, P. Power System Stability and Control, EPRI Power System Engineering Series; McGraw-Hill: New Delhi, India, 1994. [Google Scholar]
- Rahimi, E.; Filizadeh, S.; Gole, A. Commutation Failure Analysis in HVDC Systems Using Advanced Multiple-Run Method. In Proceedings of the IPST—International Conference on Power Systems Transients, Montreal, QC, Canada, 19–23 June 2005; pp. 19–23. [Google Scholar]
- Gole, A.M.; Fernando, I.T.; Irwin, G.D.; Nayak, O.B. Modeling of power electronic apparatus: Additional interpolation issues. In Proceedings of the International Conference on Power Systems Transients, Seattle, WA, USA, June 1997; pp. 23–28. [Google Scholar]
- Xiao, H.; Li, Y.; Zhu, J.; Duan, X. Efficient approach to quantify commutation failure immunity levels in multi-infeed HVDC systems. IET Gener. Transm. Distrib. 2016, 10, 1032–1038. [Google Scholar] [CrossRef]
- Guo, C.; Li, C.; Zhao, C.; Ni, X.; Zha, K.; Xu, W. An Evolutional Line-Commutated Converter Integrated with Thyristor-Based Full-Bridge Module to Mitigate the Commutation Failure. IEEE Trans. Power Electron. 2017, 32, 967–976. [Google Scholar] [CrossRef]
- Mirsaeidi, S.; Dong, X.; Tzelepis, D.; Mat Said, D.; Dysko, A.; Booth, C. A Predictive Control Strategy for Mitigation of Commutation Failure in LCC-Based HVDC Systems. IEEE Trans. Power Electron. 2018, 34, 160–172. [Google Scholar] [CrossRef]
- Yang, H.; Cai, Z.; Li, X.; Yu, C. Assessment of commutation failure in HVDC systems considering spatial-temporal discreteness of AC system faults. J. Mod. Power Syst. Clean Energy 2018, 6, 1055–1065. [Google Scholar] [CrossRef]
- Sun, Y.Z.; Peng, L.; Ma, F.; Li, G.J.; Lv, P.F. Design a fuzzy controller to minimize the effect of HVDC commutation failure on power system. IEEE Trans. Power Syst. 2008, 23, 100–107. [Google Scholar] [CrossRef]
- Wei, Z.; Yuan, Y.; Lei, X.; Wang, H.; Sun, G.; Sun, Y. Direct-current predictive control strategy for inhibiting commutation failure in HVDC converter. IEEE Trans. Power Syst. 2014, 29, 2409–2417. [Google Scholar] [CrossRef]
- Xue, Y.; Zhang, X.P.; Yang, C. Elimination of Commutation Failures of LCC HVDC System with Controllable Capacitors. IEEE Trans. Power Syst. 2016, 31, 3289–3299. [Google Scholar] [CrossRef]
- Guo, C.; Liu, Y.; Zhao, C.; Wei, X.; Xu, W. Power component fault detection method and improved current order limiter control for commutation failure mitigation in HVDC. IEEE Trans. Power Deliv. 2015, 30, 1585–1593. [Google Scholar] [CrossRef]
- Hatziadoniu, C.; Galanos, G.D. Interactions between the ac voltages and dc current in weak AC/DC interconnections. IEEE Trans. Power Deliv. 1988, 3, 2092–2102. [Google Scholar] [CrossRef]
- Aik, D.L.H.; Andersson, G. Analysis of voltage and power interactions in multi-infeed HVDC systems. IEEE Trans. Power Deliv. 2013, 28, 816–824. [Google Scholar] [CrossRef]
- Cheng, C.S.; Shirmohammadi, D. A three-phase power flow method for real-time distribution system analysis. IEEE Trans. Power Syst. 1995, 10, 671–679. [Google Scholar] [CrossRef]
- Fudeh, H.; Ong, C.M. A Simple and Efficient AC-DC Load-Flow Method for Multiterminal DC Systems. IEEE Trans. Power Appar. Syst. 1981, PAS-100, 4389–4396. [Google Scholar] [CrossRef]
- Thukaram, D.; Yesuratnam, G. Optimal reactive power dispatch in a large power system with AC–DC and FACTS controllers. IET Gener. Transm. Distrib. 2008, 2, 71–81. [Google Scholar] [CrossRef]
- Hamad, A.A.; Azzouz, M.A.; Saadany, E.F. El A Sequential Power Flow Algorithm for Islanded Hybrid AC/DC Microgrids. IEEE Trans. Power Syst. 2016, 31, 3961–3970. [Google Scholar] [CrossRef]
- Eajal, A.A.; Abdelwahed, M.A.; El-Saadany, E.F.; Ponnambalam, K. A Unified Approach to the Power Flow Analysis of AC/DC Hybrid Microgrids. IEEE Trans. Sustain. Energy 2016, 7, 1145–1158. [Google Scholar] [CrossRef]
- Ding, Q.F.; Zhang, B.M. A New Approach to AC/MTDC Power Flow. In Proceedings of the Intemational Conference on Advances in Power System Control, Operation and Management, Hong Kong, China, 11–14 November 1997; pp. 689–694. [Google Scholar]
- Khan, M.; Zaman, S.; Noh, C.-H.; Gwon, G.-H.; Kim, C.-H. A Load Flow Analysis for AC/DC Hybrid Distribution Network Incorporated with Distributed Energy Resources for Different Grid Scenarios. Energies 2018, 11, 367. [Google Scholar] [CrossRef]
- Beerten, J.; Cole, S.; Belmans, R. A sequential AC/DC power flow algorithm for networks containing Multi-terminal VSC HVDC systems. In Proceedings of the IEEE PES General Meeting, Minneapolis, MN, USA, 25–29 July 2010; pp. 1–7. [Google Scholar]
- Messalti, S.; Belkhiat, S.; Saadate, S.; Flieller, D. A new approach for load flow analysis of integrated AC–DC power systems using sequential modified Gauss–Seidel methods. Int. Trans. Electr. Energy Syst. 2012, 22, 421–432. [Google Scholar] [CrossRef]
- Gonzalez-Longatt, F.; Roldan, J.M.; Charalambous, C.A. Solution of ac/dc power flow on a multiterminal HVDC system: Illustrative case supergrid phase I. In Proceedings of the International Universities Power Engineering Conference; IEEE: London, UK, 2012; pp. 1–7. [Google Scholar]
- Smed, T.; Andersson, G.; Sheble, G.B.; Grigsby, L.L. A new approach to AC/DC power flow. IEEE Trans. Power Syst. 1991, 6, 1238–1244. [Google Scholar] [CrossRef]
- Fan, Y.K.; Niebur, D.; Nwankpa, C.O.; Kwatny, H.; Fischl, R. Multiple power flow solutions of small integrated AC/DC power systems. In Proceedings of the IEEE International Symposium on Circuits and Systems, Geneva, Switzerland, 28–31 May 2000; pp. 224–227. [Google Scholar]
- Yalcin, F.; Arifoglu, U. A New Sequential AC–DC Power Flow Algorithm for Multi-Terminal HVDC Systems. IEEJ Trans. Electr. Electron. Eng. 2017, 12, S65–S71. [Google Scholar] [CrossRef]
- Liu, C.; Bose, A.; Han, M.; Chen, X. Improved Continuation Power Flow Method for AC / DC Power System. In Proceedings of the IEEE Electrical Power and Energy Conference, Winnipeg, MB, Canada, 3–5 October 2011; pp. 192–198. [Google Scholar]
- Padiyar, K.R.; Kalyanaraman, V. Power flow analysis in mtdc-ac systems—A new approach. Electr. Mach. Power Syst. 1995, 23, 37–54. [Google Scholar] [CrossRef]
- Liu, C.; Zhang, B.; Hou, Y.; Wu, F.F.; Liu, Y. An improved approach for AC-DC power flow calculation with multi-infeed DC systems. IEEE Trans. Power Syst. 2011, 26, 862–869. [Google Scholar] [CrossRef]
- Vasconcelos, L.A.; Passos Filho, J.A.; Marcato, A.L.M.; Junqueira, G.S. A Full-Newton AC-DC Power Flow Methodology for HVDC Multi-Terminal Systems and Generic DC Network Representation. Energies 2021, 14, 1658. [Google Scholar] [CrossRef]




| Formula | Description |
|---|---|
| Short circuit ratio Vi: Thevenin voltage, Zth: Thevenin impedance, : DC power of converter i | |
| Effective short circuit ratio Qc: total installed MVAR at a converter bus | |
| Multi-infeed interaction factor ΔVi: change in bus voltage of converter i | |
| Multi-infeed effective short circuit ratio | |
| Transient overvoltage ViN: normal bus voltage at converter i, Vitov: converter bus voltage in response to disturbance | |
| Transient overvoltage Worst TOV, where all converters in proximity are blocked | |
| Commutation failure immunity index Worst Fault MVA: worst fault that does not cause commutation failure | |
| Power base ratio Relative power ratings of converters in multi-infeed scenario | |
| Commutating resistance Virtual resistance causes voltage drop during commutation | |
| DC voltage Vd0: no load DC voltage, B: no. of bridges, T: transformer turns ratio, VLL: line-to-line AC side voltage, α: rectifier firing angle | |
| Extinction angle γ: inverter’s extinction (firing) angle, XT: saturation reactance of transformer, β: advance firing angle | |
| Rms fundamental frequency of AC line current | |
| AC/DC active power provided lossless converter, is power factor at HT bus (converter AC bus), is AC rms line to neutral voltage | |
| Reactive power provided lossless converter | |
| Power factor at HT bus | |
| Inverter DC voltage | |
| Direct current equation VoR: rectifier no load DC voltage, VoI: inverter no load DC voltage, Rcr: rectifier commutating resistance, Rci: inverter commutating resistance, Rl: transmission line resistance | |
| Linearized power flow equations using Newton–Raphson method Jij: elements of Jacobian matrix ΔP, ΔQ, ΔV, Δδ: incremental value of real power, reactive power, bus voltage magnitude, and angle | |
| Relation of bus voltage and reactive power JR is reduced Jacobian matrix |
| Parameter | Description | Parameter | Description |
|---|---|---|---|
| Sending end AC1 voltage and angle | Receiving end AC1 voltage and angle | ||
| Sending end AC2 voltage and angle | Receiving end AC2 voltage and angle | ||
| Sending end AC1 source impedance and angle | Receiving end AC1 source impedance and angle | ||
| Sending end AC2 source impedance and angle | Receiving end AC2 source impedance and angle | ||
| Transformer ratio of rectifier 1 | Transformer ratio of inverter 1 | ||
| Transformer ratio of rectifier 2 | Transformer ratio of inverter 2 | ||
| Installed total reactive power support at rectifier 1 | Installed total reactive power support at inverter 1 | ||
| Installed total reactive power support at rectifier 2 | Installed total reactive power support at inverter 2 | ||
| Saturation reactance of transformer at rectifier 1 | Saturation reactance of transformer at inverter 1 | ||
| Saturation reactance of transformer at rectifier 2 | Saturation reactance of transformer at inverter 2 | ||
| Rectifier 1 firing angle | Inverter 1 firing angle | ||
| Rectifier 2 firing angle | Inverter 2 firing angle | ||
| Inverter 1 smoothing reactor | Inverter 2 smoothing reactor | ||
| Rectifier 1 smoothing reactor | Rectifier 2 smoothing reactor | ||
| Rectifier 1–inverter 1 transmission line resistance | Rectifier 2–inverter 2 transmission line resistance | ||
| Inverter 1 DC voltage | Inverter 2 DC voltage | ||
| Inverter 1 DC current | Inverter 2 DC current | ||
| Active power supplied by inverter 1 | Active power supplied by inverter 2 | ||
| Reactive power supplied by inverter 1 | Reactive power supplied by inverter 2 | ||
| AC voltage magnitude and angle of inverter 1 | AC voltage magnitude and angle of inverter 2 | ||
| Active power supplied to receiving end connected at inverter 1 | Active power supplied to receiving end connected at inverter 2 | ||
| Reactive power supplied to receiving end connected at inverter 1 | Reactive power supplied to receiving end connected at inverter 2 | ||
| Active power transfer b/w inverter 1 and inverter 2 commutating buses | Reactive power transfer b/w inverter 1 and inverter 2 commutating buses | ||
| Reactance of transformer b/w inverter 1 and inverter 2 commutating buses | Inductance of fault that occurred |
| Description | Symbols |
|---|---|
| AC voltage source | ![]() |
| DC voltage source | ![]() |
| Transformer | ![]() |
| Smoothing reactor | ![]() |
| Resistance | ![]() |
| Inverter | ![]() |
| Rectifier | ![]() |
Publisher’s Note: MDPI stays neutral with regard to jurisdictional claims in published maps and institutional affiliations. |
© 2021 by the authors. Licensee MDPI, Basel, Switzerland. This article is an open access article distributed under the terms and conditions of the Creative Commons Attribution (CC BY) license (https://creativecommons.org/licenses/by/4.0/).
Share and Cite
Rehman, B.; Rehman, A.u.; Khan, W.A.; Sami, I.; Ro, J.-S. Operation and Challenges of Multi-Infeed LCC–HVDC System: Commutation Failure, AC/DC Power Flow, and Voltage Stability. Appl. Sci. 2021, 11, 8637. https://doi.org/10.3390/app11188637
Rehman B, Rehman Au, Khan WA, Sami I, Ro J-S. Operation and Challenges of Multi-Infeed LCC–HVDC System: Commutation Failure, AC/DC Power Flow, and Voltage Stability. Applied Sciences. 2021; 11(18):8637. https://doi.org/10.3390/app11188637
Chicago/Turabian StyleRehman, Bilawal, Atiq ur Rehman, Waqar Ahmad Khan, Irfan Sami, and Jong-Suk Ro. 2021. "Operation and Challenges of Multi-Infeed LCC–HVDC System: Commutation Failure, AC/DC Power Flow, and Voltage Stability" Applied Sciences 11, no. 18: 8637. https://doi.org/10.3390/app11188637
APA StyleRehman, B., Rehman, A. u., Khan, W. A., Sami, I., & Ro, J.-S. (2021). Operation and Challenges of Multi-Infeed LCC–HVDC System: Commutation Failure, AC/DC Power Flow, and Voltage Stability. Applied Sciences, 11(18), 8637. https://doi.org/10.3390/app11188637








