Multipurpose System for Cryogenic Energy Storage and Tri-Generation in a Food Factory: A Case Study of Producing Frozen French Fries
Abstract
:1. Introduction
2. Material and Methods
2.1. Overall Approach
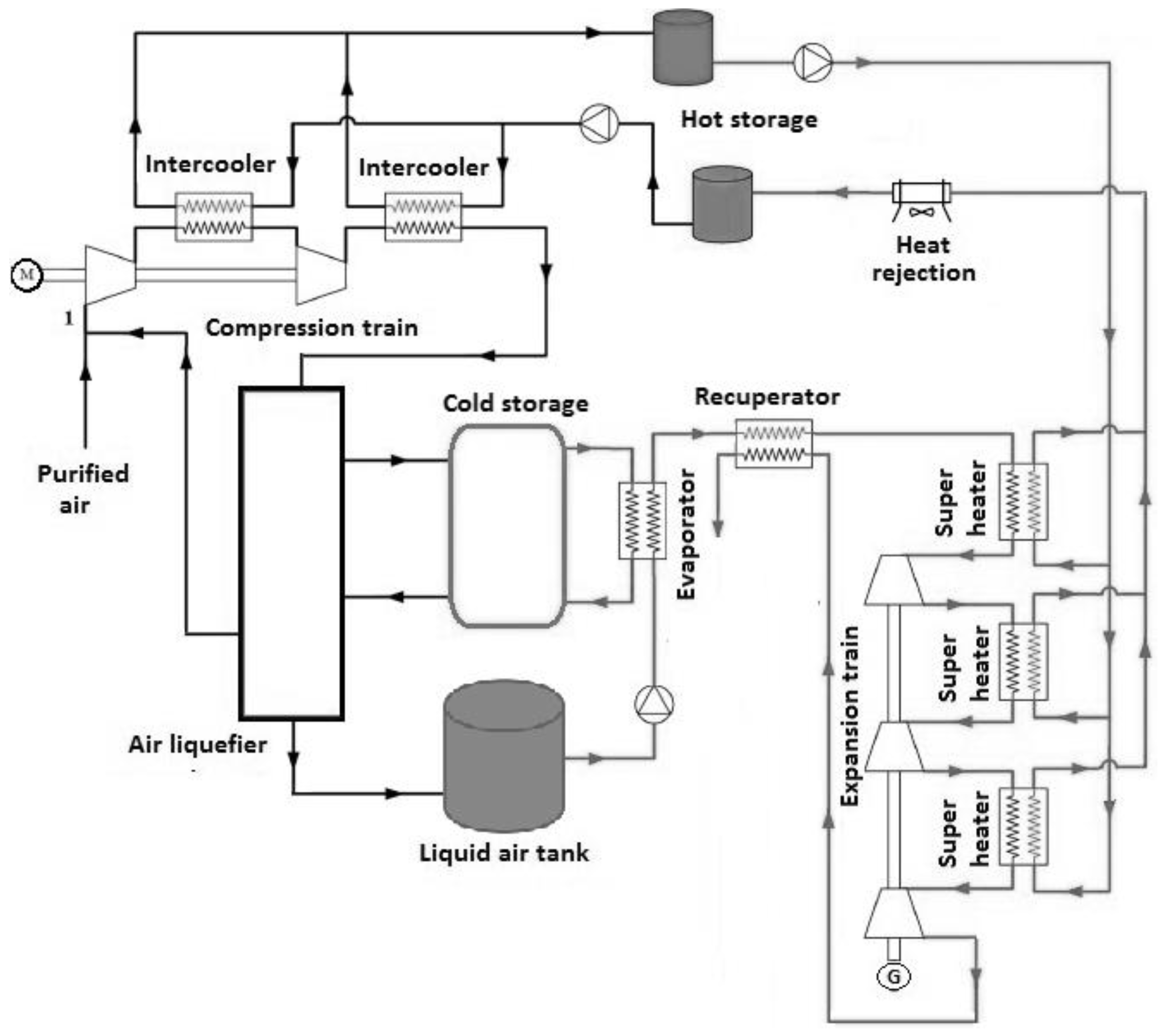
2.2. Standalone LAES System-Baseline Case
2.3. French Fries’ Production as a Feasible Industrial Case for LAES Application
3. Results and Discussion
3.1. Heating and Refrigeration Demands in a Typical French Fries’ Production Line
3.2. LAES-Powered Tri-Generation System
3.3. Tri-Generation Versus Standalone Efficiency
4. Conclusions and Future Prospects
Author Contributions
Funding
Acknowledgments
Conflicts of Interest
Acronyms
| IIR | International Institute of Refrigeration |
| LAES | Liquid Air Energy Storage |
| ORC | Organic Rankine Cycle |
| RTE | Round-Trip Efficiency |
| RES | Renewable Energy Sources |
References
- Borri, E.; Tafone, A.; Zsembinszki, G.; Comodi, G.; Romagnoli, A.; Cabeza, L. Recent Trends on Liquid Air Energy Storage: A Bibliometric Analysis. Appl. Sci. 2020, 10, 2773. [Google Scholar] [CrossRef]
- Shmeleva, E.; Arkharov, I. Selection of the optimal air liquefaction cycle for liquid air energy storage. In MATEC Web of Conferences 324, 01007, Proceedings of the 3rd International Conference “Refrigeration and Cryogenic Engineering, Air Conditioning and Life Support Systems” (CRYOGEN 2019), 2020, Moscow, Russia, 19–20 November 2019; EDP Sciences: Ulis, France, 2019. [Google Scholar] [CrossRef]
- Tafone, A.; Romagnoli, A.; Li, Y.; Borri, E.; Comodi, G. Techno-economic analysis of a liquid air energy storage (LAES) for cooling application in hot climates. Energy Proc. 2017, 105, 4450–4457. [Google Scholar] [CrossRef]
- Tafone, A.; Borri, E.; Comodi, G.; van den Broek, M.; Romagnoli, A. Preliminary assessment of waste heat recovery solution (ORC) to enhance the performance of Liquid Air Energy Storage system. Energy Procedia 2017, 142, 3609–3616. [Google Scholar] [CrossRef]
- Tafone, A.; Borri, E.; Comodi, G.; Van den Broek, M.; Romagnoli, A. Liquid air energy storage performance enhancement by means of organic Rankine cycle and absorption chiller. Appl. Energy 2018, 228, 1810–1821. [Google Scholar] [CrossRef]
- Al-Zareer, M.; Dincer, I.; Rosen, M.A. Analysis and assessment of novel liquid air energy storage system with district heating and cooling capabilities. Energy 2017, 141, 792–802. [Google Scholar] [CrossRef]
- She, X.; Zhang, T.; Peng, X.; Wang, L.; Tong, L.; Luo, Y.; Zhang, X.; Ding, Y. Liquid air energy storage for decentralized micro energy networks with combined cooling, heating, hot water and power supply. J. Therm. Sci. 2021, 30, 1–17. [Google Scholar] [CrossRef]
- Vecchi, A.; Li, Y.; Mancarella, P.; Sciacovelli, A. Multi-energy liquid air energy storage: A novel solution for flexible operation of districts with thermal networks. Energy Convers. Manag. 2011, 238, 114161. [Google Scholar] [CrossRef]
- She, X.; Peng, X.; Nie, B.; Leng, G.; Zhang, X.; Weng, L.; Tong, L.; Zheng, L.; Wang, L.; Ding, Y. Enhancement of round trip efficiency of liquid air energy storage through effective utilization of heat of compression. Appl. Energy 2017, 206, 1632–1642. [Google Scholar] [CrossRef]
- Hamdy, S.; Morosuk, T.; Tsatsaronis, G. Exergoeconomic optimization of an adiabatic cryogenics-based energy storage system. Energy 2019, 183, 812–824. [Google Scholar] [CrossRef]
- Peng, X.; She, X.; Cong, L.; Zhang, T.; Li, C.; Li, Y.; Wang, L.; Tong, L.; Ding, Y. Thermodynamic study on the effect of cold and heat recovery on performance of liquid air energy storage. Appl. Energy 2018, 221, 86–99. [Google Scholar] [CrossRef]
- Zhang, T.; Zhang, X.; Xue, X.; Wang, G.; Mei, S. Thermodynamic analysis of a hybrid power system combining Kalina cycle with Liquid Air Energy Storage. Entropy 2019, 21, 220. [Google Scholar] [CrossRef] [PubMed] [Green Version]
- Gao, Z.; Guo, L.; Ji, W.; Xu, H.; An, B.; Wang, J. Thermodynamic and economic analysis of a tri-generation system based on liquid air energy storage under different operating modes. Energy Convers. Manag. 2020, 221, 86–99. [Google Scholar] [CrossRef]
- Mazzoni, S.; Ooi, S.; Tafone, A.; Borri, E.; Comodi, G.; Romagnoli, A. Liquid Air Energy Storage as a polygeneration system to solve the unit commitment and economic dispatch problems in micro-grids applications. Energy Procedia 2019, 158, 5026–5033. [Google Scholar] [CrossRef]
- Howe, T.; Pollman, A.; Gannon, A. Operating range for a combined, building-scale liquid air energy storage and expansion system: Energy and exergy analysis. Entropy 2018, 20, 770. [Google Scholar] [CrossRef] [Green Version]
- Szablowski, L.; Krawczyk, P.; Wolowicz, M. Exergy analysis of adiabatic Liquid Air Energy Storage (A-LAES) system based on Linde–Hampson cycle. Energies 2021, 14, 945. [Google Scholar] [CrossRef]
- Fikiin, K.; Stankov, B.; Evans, J.; Maidment, G.; Foster, A.; Brown, T.; Radcliffe, J.; Youbi-Idrissi, M.; Alford, A.; Varga, L.; et al. Refrigerated warehouses as intelligent hubs to integrate renewable energy in industrial food refrigeration and to enhance power grid sustainability. Trends Food Sci. Technol. 2017, 60, 96–103. [Google Scholar] [CrossRef]
- Murrant, D.; Radcliffe, J. Analysis of when and where the integration of LAES with refrigerated warehouses could provide the greatest value to Europe. Energy Procedia 2018, 151, 144–149. [Google Scholar] [CrossRef]
- Foster, A.; Negro, D.; Varga, L.; Hu, Y.; Fikiin, K.; Evans, J. Financial viability of liquid air energy storage applied to cold storage warehouses. In Proceedings of the 5th IIR International Conference on Sustainability and the Cold Chain, Beijing, China, 6–8 May 2018; pp. 508–515. [Google Scholar] [CrossRef]
- Damak, C.; Leducq, D.; Hoang, H.M.; Negro, D.; Delahaye, A. Liquid Air Energy Storage (LAES) as a large-scale storage technology for renewable energy integration—A review of investigation studies and near perspectives of LAES. Int. J. Refrig. 2020, 110, 208–218. [Google Scholar] [CrossRef]
- Popov, D.; Fikiin, K.; Stankov, B.; Zlateva, M. Cryogenic energy storage systems as a synergistic contributor to the cooling and heating supply of a refrigerated warehouse or food factory. Refrig. Sci. Technol. 2020, 473–481. [Google Scholar] [CrossRef]
- Monforti-Ferrario, F.; Pinedo-Pascua, I. (Eds.) Energy use in the EU food sector: State of play and opportunities for improvement. In Report EUR 27247 EN of Joint Research Centre for Science and Policy; Office of the European Union: Luxembourg, 2015; Available online: https://publications.jrc.ec.europa.eu/repository/bitstream/JRC96121/ldna27247enn.pdf (accessed on 10 January 2021).
- Einstein, D.; Worrell, E.; Khrushch, M. Steam Systems in Industry: Energy Use and Energy Efficiency Improvement Potentials; Report LBNL-49081. Lawrence Berkeley National Laboratory: Berkeley, CA, USA, 2001. Available online: http://escholarship.org/uc/item/3m1781f1 (accessed on 10 January 2021).
- Toledo, R.; Singh, R.; Kong, F. Fundamentals of Food Process Engineering, 4th ed.; Springer Nature: Cham, Switzerland, 2018. [Google Scholar] [CrossRef]
- Varzakas, T.; Tzia, C. (Eds.) Food Engineering Handbook, Vol. I: Food Engineering Fundamentals, 1st ed.; CRC Press: Boca Raton, FL, USA, 2015. [Google Scholar] [CrossRef]
- Saravacos, G.; Kostaropoulos, A. Handbook of Food Processing Equipment; Springer: New York, NY, USA, 2002. [Google Scholar] [CrossRef]
- THERMOFLEX®. Thermoflow’s Suite. 2021. Available online: www.thermoflow.com/products_generalpurpose.html (accessed on 1 March 2021).
- Guizzi, G.L.; Manno, M.; Tolomei, L.M.; Vitali, R.M. Thermodynamic analysis of a liquid air energy storage system. Energy 2015, 93, 1639–1647. [Google Scholar] [CrossRef] [Green Version]
- Sciacovelli, A.; Vecchi, A.; Ding, Y. Liquid air energy storage (LAES) with packed bed cold thermal storage—From component to system level performance through dynamic modelling. Appl. Energy 2017, 190, 84–98. [Google Scholar] [CrossRef] [Green Version]
- Schuten, H.J.; van Gijssel, J.; Slotboom, E. Effect of frying conditions on the fat content of French fries. In Final Report of Project OPD 03/336; Wageningen UR Agrotechnology and Food Innovations B.V.: Wageningen, The Netherlands, 2004; Available online: https://edepot.wur.nl/35103 (accessed on 25 March 2021).
- Gould, W.A. Potato Production, Processing and Technology; CTI Publications: Timonium, MD, USA, 1999; ISBN 978-1-84569-597-2. [Google Scholar]
- Singh, J.; Kaur, L. (Eds.) Advances in Potato Chemistry and Technology, 2nd ed.; Academic Press: London, UK, 2016. [Google Scholar] [CrossRef]
- Fikiin, A.G. On the thermophysical parameters of frozen foodstuffs. In Proceedings of the IIR Commissions B1, C1 and C2 Conference, Bressanone, Italy, 17–20 September 1974; pp. 175–181. Available online: https://iifiir.org/en/fridoc/5964 (accessed on 25 March 2021).
- Fikiin, K.; Fikiin, A. Predictive equations for thermophysical properties and enthalpy during cooling and freezing of food materials. J. Food Eng. 1999, 40, 1–6. [Google Scholar] [CrossRef]







| Operation | Cold Storage | Washing | Peeling and Cutting | Blanching | Frying | Pre-Cooling | Freezing | Packaging | Frozen Storage |
|---|---|---|---|---|---|---|---|---|---|
| Product flow | Raw potatoes | Potato slices | French fries | Frozen French fries | |||||
| Rel. moisture content, % | 75 | 75 | 75 | 75 | 75 | 48 | 45.5 | 45.5 | 45.5 |
| Mass flow, t/h | 2 | 2 | 1.80 | 1.80 | 1.80 | 1.10 | 1.10 | 1.12 | 1.12 |
| Mass flow, kg/s | 0.55 | 0.55 | 0.50 | 0.50 | 0.50 | 0.30 | 0.30 | 0.31 | 0.31 |
| Specific energy consumption, kJ/kg | 36.6 | 210.1 | N/A | 107.2 | 1795.8 | 463.7 | 209.4 | N/A | 12.9 |
| Operation | Target Product Temperature, °C | Heating or Refrigerating Medium | Medium Temperature, °C | Heating Load, kW | Refrigeration Load, kW |
|---|---|---|---|---|---|
| Cold storage of raw potatoes | 10 | Cold air | 0–5 | N/A | 20.3 |
| Washing | 60–70 | Steam (1.2 bar) | 105 | 116.6 | N/A |
| Blanching | 100 | Steam (1.2 bar) | 105 | 53.6 | N/A |
| Frying | 160 | Steam (8 bar) | 170 | 897.9 | N/A |
| Precooling | 10 | Cold air | 0–5 | N/A | 139.1 |
| Freezing | −18 | Cold air | −40/−50 | N/A | 64.9 |
| Frozen storage of French fries | −18 | Cold air | −18/−20 | N/A | 4.0 |
| Total load | 1068.1 | 228.3 | |||
| Scenario | A | B |
|---|---|---|
| Power input, kWh | 110,871 | 110,871 |
| Power output, kWh | 52,407 | 38,295 |
| RTE of power generation only, % | 47.30 | 34.50 |
| Heating load, kW | N/A | 2142 |
| Useful heating output, kWh | N/A | 19,278 |
| Refrigeration load, kW | N/A | 456 |
| Useful refrigeration output, kWh | N/A | 4104 |
| Total useful energy output (heat, cold and power), kWh | N/A | 61,677 |
| RTE of tri-generation, % | N/A | 55.63 |
Publisher’s Note: MDPI stays neutral with regard to jurisdictional claims in published maps and institutional affiliations. |
© 2021 by the authors. Licensee MDPI, Basel, Switzerland. This article is an open access article distributed under the terms and conditions of the Creative Commons Attribution (CC BY) license (https://creativecommons.org/licenses/by/4.0/).
Share and Cite
Popov, D.; Akterian, S.; Fikiin, K.; Stankov, B. Multipurpose System for Cryogenic Energy Storage and Tri-Generation in a Food Factory: A Case Study of Producing Frozen French Fries. Appl. Sci. 2021, 11, 7882. https://doi.org/10.3390/app11177882
Popov D, Akterian S, Fikiin K, Stankov B. Multipurpose System for Cryogenic Energy Storage and Tri-Generation in a Food Factory: A Case Study of Producing Frozen French Fries. Applied Sciences. 2021; 11(17):7882. https://doi.org/10.3390/app11177882
Chicago/Turabian StylePopov, Dimityr, Stepan Akterian, Kostadin Fikiin, and Borislav Stankov. 2021. "Multipurpose System for Cryogenic Energy Storage and Tri-Generation in a Food Factory: A Case Study of Producing Frozen French Fries" Applied Sciences 11, no. 17: 7882. https://doi.org/10.3390/app11177882
APA StylePopov, D., Akterian, S., Fikiin, K., & Stankov, B. (2021). Multipurpose System for Cryogenic Energy Storage and Tri-Generation in a Food Factory: A Case Study of Producing Frozen French Fries. Applied Sciences, 11(17), 7882. https://doi.org/10.3390/app11177882

