Investigating the Effect of CNTs on Early Age Hydration and Autogenous Shrinkage of Cement Composite
Abstract
1. Introduction
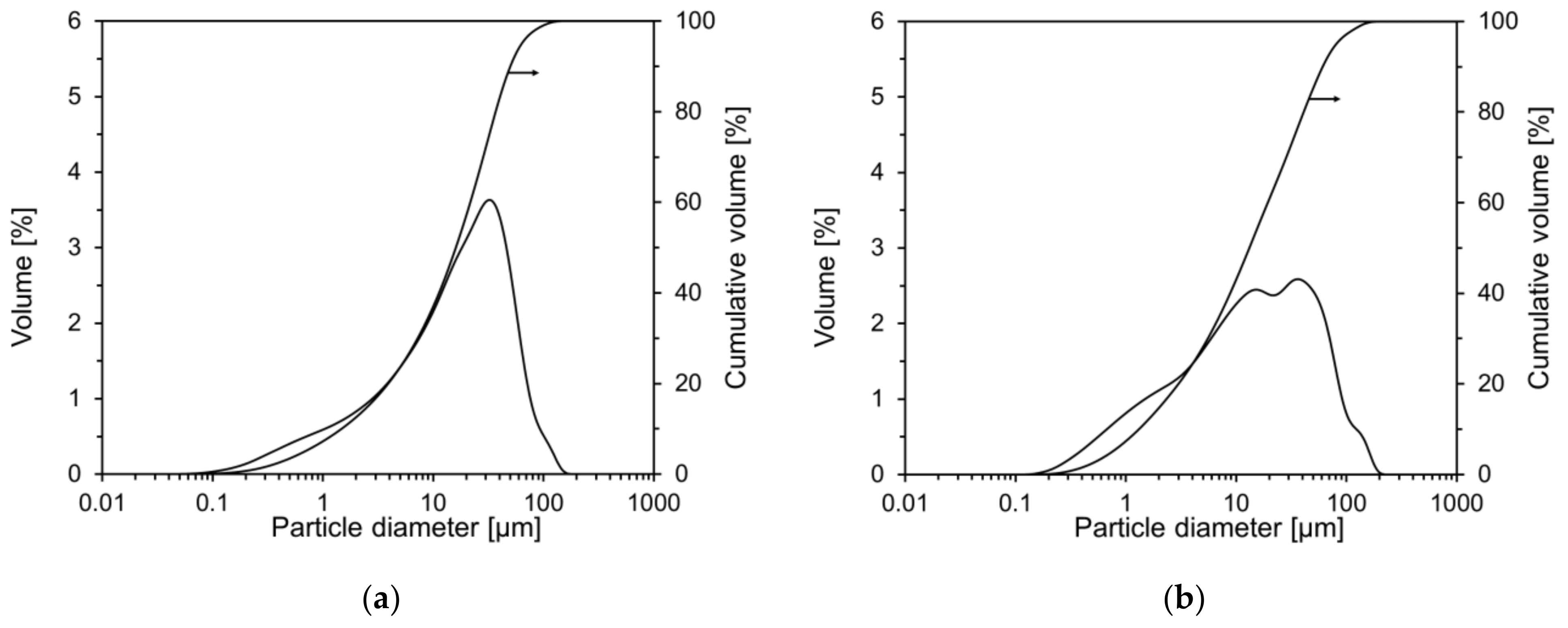
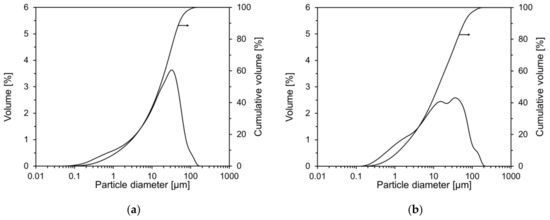
2. Materials and Experiments
2.1. Materials
2.2. Mix Proportions
2.3. Test Methods
3. Results and Discussion
3.1. Hydration
3.2. Compressive Strength
3.3. Autogenous Shrinkage
3.4. Thermogravimetric Analysis
4. Conclusions
- CNTs accelerate the hydration of cementitious materials. As the CNT content increased, the induction period decreased, thereby increasing the hydration rate. The cumulative heat release of CRC00 measured for 48 h, however, was identical to that of CRC01 and its difference from those of CRC03 and CRC05 decreased, thereby showing that the long-term effect of CNTs on hydration was insignificant.
- The compressive strength was greatest when the CNT content was 0.1%, but it decreased as the CNT content was further increased. This appears to be due to the agglomerated CNTs inside the cement composites. Therefore, a method for dispersing CNTs is required to use more than 0.1% of CNTs,
- Unlike previous studies, the autogenous shrinkage of the cement composites decreased as the CNT content increased in this study. This result indicated that the bridge effect of CNTs decreased autogenous shrinkage even though hydration was accelerated by CNTs.
- The internal relative humidity (IRH) decreased as the CNT content increased. This is because CNTs accelerate hydration and thereby rapidly consume water inside the pores. The difference in IRH depending on the CNT content, however, decreased over time.
- When the correlation between IRH and autogenous shrinkage was analyzed, it was found that the effect of the IRH reduction on autogenous shrinkage was not significant. This is because the reduction in autogenous shrinkage was due to the decrease in bulk strain caused by the bridge effect of the CNTs.
- Autogenous shrinkage decreased because the bulk strain of cementitious materials decreased by the bridge effect of CNTs even though the hydration accelerated by the addition of CNTs.
Author Contributions
Funding
Institutional Review Board Statement
Informed Consent Statement
Data Availability Statement
Conflicts of Interest
References
- Tanaka, K.; Sato, T.; Yamabe, T.; Okahara, K.; Uchida, K.; Yumura, M.; Niino, H.; Ohshima, S.; Kuriki, Y.; Yase, K.; et al. Electronic properties of carbon nanotube. Chem. Phys. Lett. 1994, 223, 65–68. [Google Scholar] [CrossRef]
- Salvetat, J.P.; Bonard, J.M.; Thomson, N.H.; Kulik, A.J.; Forr, L.; Benoit, W.; Zuppiroli, L. Mechanical properties of carbon nanotubes. Appl. Phys. A 1999, 69, 255–260. [Google Scholar] [CrossRef]
- Ruoff, R.S.; Lorents, D.C. Mechanical and thermal properties of carbon nanotubes. Carbon 1995, 33, 925–930. [Google Scholar] [CrossRef]
- Nam, I.W.; Kim, H.K.; Lee, H.K. Influence of silica fume additions on electromagnetic interference shielding effectiveness of multi-walled carbon nanotube/cement composites. Constr. Build. Mater. 2012, 30, 480–487. [Google Scholar] [CrossRef]
- Kim, H.K.; Nam, I.W.; Lee, H.K. Enhanced effect of carbon nanotube on mechanical and electrical properties of cement composites by incorporation of silica fume. Compos. Struct. 2014, 107, 60–69. [Google Scholar] [CrossRef]
- Yu, X.; Kwon, E. A carbon nanotube/cement composite with piezoresistive properties. Smart Mater. Struct. 2009, 18, 055010. [Google Scholar] [CrossRef]
- Sobolkina, A.; Mechtcherine, V.; Khavrus, V.; Maier, D.; Mende, M.; Ritschel, M.; Leonhardt, A. Dispersion of carbon nanotubes and its influence on the mechanical properties of the cement matrix. Cem. Concr. Compos. 2012, 34, 1104–1113. [Google Scholar] [CrossRef]
- Balasubramaniam, B.; Mondal, K.; Ramasamy, K.; Palani, G.S.; Iyer, N.R. Hydration phenomena of functionalized carbon nanotubes (CNT)/cement composites. Fibers 2017, 5, 39. [Google Scholar] [CrossRef]
- Cui, X.; Han, B.; Zheng, Q.; Yu, X.; Dong, S.; Zhang, L.; Ou, J. Mechanical properties and reinforcing mechanisms of cementitious composites with different types of multiwalled carbon nanotubes. Compos. Part A 2017, 103, 131–147. [Google Scholar] [CrossRef]
- Zhu, X.; Gao, Y.; Dai, Z.; Corr, D.J.; Shah, S.P. Effect of interfacial transition zone on the Young’s modulus of carbon nanofiber reinforced cement concrete. Cem. Concr. Res. 2018, 107, 49–63. [Google Scholar] [CrossRef]
- Metaxa, Z.S.; Tolkou, A.K.; Efstathiou, S.; Rahdar, A.; Favvas, E.P.; Mitropoulos, A.C.; Kyzas, G.Z. Nanomaterials in cementitious composites: An update. Molecules 2021, 26, 1430. [Google Scholar] [CrossRef]
- Konsta-Gdoutos, M.S.; Aza, C.A. Self sensing carbon nanotube (CNT) and nanofiber (CNF) cementitious composites for real time damage assessment in smart structures. Cem. Concr. Compos. 2014, 53, 162–169. [Google Scholar] [CrossRef]
- Materazzi, A.L.; Ubertini, F.; D’Alessandro, A. Carbon nanotube cement-based transducers for dynamic sensing of strain. Cem. Concr. Compos. 2013, 37, 2–11. [Google Scholar] [CrossRef]
- Zhang, W.; Zheng, Q.; Wang, D.; Yu, X.; Han, B. Electromagnetic properties and mechanisms of multiwalled carbon nanotubes modified cementitious composites. Constr. Build. Mater. 2019, 208, 427–443. [Google Scholar] [CrossRef]
- Han, B.; Yu, X.; Ou, J. Nanotechnology in Civil Infrastructure, 1st ed.; Springer: Berlin Heidelberg, Germany, 2011; pp. 1–47. [Google Scholar] [CrossRef]
- Lee, H.; Yu, W.; Chung, W. Damage detection of carbon nanotube cementitious composites using thermal and electrical resistance properties. Appl. Sci. 2021, 11, 2955. [Google Scholar] [CrossRef]
- Tragazikis, I.K.; Kordatou, T.Z.; Exarchos, D.A.; Dalla, P.T.; Matikas, T.E. Monitoring the hydration process in carbon nanotube reinforced cement-based composites using nonlinear elastic waves. Appl. Sci. 2021, 11, 1720. [Google Scholar] [CrossRef]
- Makar, J.M.; Chan, G.W. Growth of cement hydration products on single-walled carbon nanotubes. J. Am. Ceram. Soc. 2009, 92, 1303–1310. [Google Scholar] [CrossRef]
- Petrunin, S.; Vaganov, V.; Reshetniak, V.; Zakrevskaya, L. Influence of carbon nanotubes on the structure formation of cement matrix. IOP Conf. Ser. Mater. Sci. Eng. 2015, 96, 012046. [Google Scholar] [CrossRef]
- Yamamoto, G.; Shirasu, K.; Hashida, T.; Takagi, T.; Suk, J.W.; An, J.; Piner, R.D.; Ruoff, R.S. Nanotube fracture during the failure of carbon nanotube/alumina composites. Carbon 2011, 49, 3709–3716. [Google Scholar] [CrossRef]
- Konsta-Gdoutos, M.S.; Metaxa, Z.S.; Shah, S.P. Highly dispersed carbon nanotube reinforced cement based materials. Cem. Concr. Res. 2010, 40, 1052–1059. [Google Scholar] [CrossRef]
- Raza, A.; Bhandari, M.; Kim, H.K.; Son, H.M.; Huang, B.; Nam, I.W. A study on mechanical characteristics of cement composites fabricated with nano-silica and carbon nanotube. Appl. Sci. 2021, 11, 152. [Google Scholar] [CrossRef]
- Kim, G.M.; Yang, B.J.; Cho, K.J.; Kim, E.M.; Lee, H.K. Influences of CNT dispersion and pore characteristics on the electrical performance of cementitious composites. Compos. Struct. 2017, 164, 32–42. [Google Scholar] [CrossRef]
- Kim, H.K.; Park, I.S.; Lee, H.K. Improved piezoresistive sensitivity and stability of CNT/cement mortar composites with low water-binder ratio. Compos. Struct. 2014, 116, 713–719. [Google Scholar] [CrossRef]
- Nochaiya, T.; Chaipanich, A. Behavior of multi-walled carbon nanotubes on the porosity and microstructure of cement-based materials. Appl. Surf. Sci. 2011, 257, 1941–1945. [Google Scholar] [CrossRef]
- Yang, Y.; Sato, R.; Kawai, K. Autogenous shrinkage of high-strength concrete containing silica fume under drying at early ages. Cem. Concr. Res. 2005, 35, 449–456. [Google Scholar] [CrossRef]
- Tazawa, E. Autogenous Shrinkage of Concrete, 1st ed.; CRC Press: London, UK, 1999. [Google Scholar]
- Stynoski, P.; Mondal, P.; Marsh, C. Effects of silica additives on fracture properties of carbon nanotube and carbon fiber reinforced Portland cement mortar. Cem. Concr. Compos. 2015, 55, 232–240. [Google Scholar] [CrossRef]
- Hawreen, A.; Bogas, J.A.; Dias, A.P.S. On the mechanical and shrinkage behavior of cement mortars reinforced with carbon nanotubes. Constr. Build. Mater. 2018, 168, 459–470. [Google Scholar] [CrossRef]
- Morsy, M.S.; Alsayed, S.H.; Aqel, M. Hybrid effect of carbon nanotube and nano-clay on physico-mechanical properties of cement mortar. Constr. Build. Mater. 2011, 25, 145–149. [Google Scholar] [CrossRef]
- Liu, X.; Fang, T.; Zuo, J. Effect of nano-materials on autogenous shrinkage properties of cement based materials. Symmetry 2019, 11, 1144. [Google Scholar] [CrossRef]
- Collins, F.; Lambert, J.; Duan, W.H. The influences of admixtures on the dispersion, workability, and strength of carbon nanotube-OPC paste mixtures. Cem. Concr. Compos. 2012, 34, 201–207. [Google Scholar] [CrossRef]
- Bom, D.; Andrews, R.; Jacques, D.; Anthony, J.; Chen, B.; Meier, M.S.; Selegue, J.P. Thermogravimetric analysis of the oxidation of multiwalled carbon nanotubes: Evidence for the role of defect sites in carbon nanotube chemistry. Nano. Lett. 2002, 2, 615–619. [Google Scholar] [CrossRef]
- Kitiyanan, B.; Alvarez, W.E.; Harwell, J.H.; Resasco, D.E. Controlled production of single-wall carbon nanotubes by catalytic decomposition of CO on bimetallic Co–Mo catalysts. Chem. Phys. Lett. 2000, 317, 497–503. [Google Scholar] [CrossRef]
- Tang, S.; Zhong, Z.; Xiong, Z.; Sun, L.; Liu, L.; Lin, J.; Shen, Z.X.; Tan, K.L. Controlled growth of single-walled carbon nanotubes by catalytic decomposition of CH4 over Mo/Co/MgO catalysts. Chem. Phys. Lett. 2001, 350, 19–26. [Google Scholar] [CrossRef]
- Han, B.; Yu, X.; Ou, J. Effect of water content on the piezoresistivity of MWNT/cement composites. J. Mater. Sci. 2010, 45, 3714–3719. [Google Scholar] [CrossRef]
- Chaipanich, A.; Nochaiya, T.; Wongkeo, W.; Torkittikul, P. Compressive strength and microstructure of carbon nanotubes-fly ash cement composites. Mater. Sci Eng. A 2010, 527, 1063–1067. [Google Scholar] [CrossRef]
- Wang, Q.; Cui, X.; Wang, J.; Li, S.; Lv, C. Dong, Y. Effect of fly ash on rheological properties of graphene oxide cement paste. Constr. Build. Mater. 2017, 138, 35–44. [Google Scholar] [CrossRef]
- ASTM International. NoC191-19 Standard Test Methods for Time of Setting of Hydraulic Cement by Vicat Needle; ASTM International: West Conshohocken, PA, USA, 2019. [Google Scholar] [CrossRef]
- ISO 679. Cement-Test Methods-Determination of Strength; ISO: Geneva, Switzerland, 2009. [Google Scholar]
- Park, B.; Choi, Y.C. Prediction of self-healing potential of cementitious materials incorporating crystalline admixture by isothermal calorimetry. Int. J. Concr. Struct. Mater. 2019, 13, 629–642. [Google Scholar] [CrossRef]
- Kohno, K.; Okamoto, T.; Isikawa, Y.; Sibata, T.; Mori, H. Effects of artificial lightweight aggregate on autogenous shrinkage of concrete. Cem. Concr. Res. 1999, 29, 611–614. [Google Scholar] [CrossRef]
- Kim, J.H.; Choi, S.W.; Lee, K.M.; Choi, Y.C. Influence of internal curing on the pore size distribution of high strength concrete. Constr. Build. Mater. 2018, 192, 50–57. [Google Scholar] [CrossRef]
- Park, B.; Choi, Y.C. Self-healing capability of cementitious materials with crystalline admixtures and super absorbent polymers (SAPs). Constr. Build. Mater. 2018, 189, 1054–1066. [Google Scholar] [CrossRef]
- Jansen, D.; Goetz-Neunhoeffer, F.; Lothenbach, B.; Neubauer, J. The early hydration of Ordinary Portland Cement (OPC): An approach comparing measured heat flow with calculated heat flow from QXRD. Cem. Concr. Res. 2012, 42, 134–138. [Google Scholar] [CrossRef]
- Tafesse, M.; Kim, H.K. The role of carbon nanotube on hydration kinetics and shrinkage of cement composite. Compos. Part B Eng 2019, 169, 55–64. [Google Scholar] [CrossRef]
- Jung, M.; Lee, Y.S.; Hong, S.G.; Moon, J. Carbon nanotubes (CNTs) in ultra-high performance concrete (UHPC): Dispersion, mechanical properties, and electromagnetic interference (EMI) shielding effectiveness (SE). Cem. Concr. Res. 2020, 131, 106017. [Google Scholar] [CrossRef]
- Guan, X.; Bai, S.; Li, H.; Ou, J. Mechanical properties and microstructure of multi-walled carbon nanotube-reinforced cementitious composites under the early-age freezing conditions. Constr. Build. Mater. 2020, 233, 117317. [Google Scholar] [CrossRef]
- Liu, K.; Yu, R.; Shui, Z.; Yi, S.; Li, X.; Ling, G.; He, Y. Influence of external water introduced by coral sand on autogenous shrinkage and microstructure development of Ultra-High Strength Concrete (UHSC). Constr. Build. Mater. 2020, 252, 119111. [Google Scholar] [CrossRef]
- Valipour, M.; Khayat, K.H. Coupled effect of shrinkage-mitigating admixtures and saturated lightweight sand on shrinkage of UHPC for overlay applications. Constr. Build. Mater. 2018, 184, 320–329. [Google Scholar] [CrossRef]
- Cusson, D.; Hoogeveen, T. Internal curing of high-performance concrete with pre-soaked fine lightweight aggregate for prevention of autogenous shrinkage cracking. Cem. Concr. Res. 2008, 38, 757–765. [Google Scholar] [CrossRef]
- Yang, F.; Qian, S. Mechanical and piezoelectric properties of ECC with CNT incorporated through fiber modification. Constr. Build. Mater. 2020, 260, 119717. [Google Scholar] [CrossRef]
- Kim, G.M.; Yoon, H.N.; Lee, H.K. Autogenous shrinkage and electrical characteristics of cement pastes and mortars with carbon nanotube and carbon fiber. Constr. Build. Mater. 2018, 177, 428–435. [Google Scholar] [CrossRef]
- Song, C.; Hong, G.; Choi, S. Effect of dispersibility of carbon nanotubes by silica fume on material properties of cement mortars: Hydration, pore structure, mechanical properties, self-desiccation, and autogenous shrinkage. Constr. Build. Mater. 2020, 265. [Google Scholar] [CrossRef]
- Zhang, J.; Han, Y.D.; Gao, Y.; Luosun, Y. Integrative study on the effect of internal curing on autogenous and drying shrinkage of high-strength concrete. Dry. Technol. 2013, 31, 565–575. [Google Scholar] [CrossRef]
- Han, Y.; Zhang, J.; Luosun, Y.; Hao, T. Effect of internal curing on internal relative humidity and shrinkage of high strength concrete slabs. Constr. Build. Mater. 2014, 61, 41–49. [Google Scholar] [CrossRef]
- Jung, S.H.; Oh, S.; Kim, S.W.; Moon, J.H. Effects of CNT dosages in cement composites on the mechanical properties and hydration reaction with low water-to-binder ratio. Appl. Sci. 2019, 9, 4630. [Google Scholar] [CrossRef]














| Oxide | OPC (wt.%) | FA (wt.%) |
|---|---|---|
| SiO2 | 20.5 | 54.5 |
| Al2O3 | 4.69 | 24.3 |
| Fe2O3 | 3.3 | 5.96 |
| CaO | 62.2 | 3.93 |
| MgO | 3.06 | 1.46 |
| K2O | 1.67 | 1.56 |
| Na2O | 0.17 | 0.98 |
| TiO2 | 0.39 | 1.24 |
| P2O5 | 0.17 | 0.66 |
| SO3 | 1.51 | 2.15 |
| SrO | 0.09 | 0.12 |
| Mixture Name | Water (kg/m3) | Cement (kg/m3) | Fly Ash (kg/m3) | CNT (wt.% of Binder) | SP (1) (kg/m3) |
|---|---|---|---|---|---|
| CRC00 | 202 | 720 | 144 | 0.0 | 1.44 |
| CRC01 | 202 | 720 | 144 | 0.1 | 1.44 |
| CRC03 | 202 | 720 | 144 | 0.3 | 1.44 |
| CRC05 | 202 | 720 | 144 | 0.5 | 1.44 |
| CRC00 | CRC01 | CRC03 | CRC05 | |
|---|---|---|---|---|
| Initial (min) | 251 | 250 | 248 | 245 |
| Final (min) | 331 | 329 | 325 | 321 |
Publisher’s Note: MDPI stays neutral with regard to jurisdictional claims in published maps and institutional affiliations. |
© 2021 by the authors. Licensee MDPI, Basel, Switzerland. This article is an open access article distributed under the terms and conditions of the Creative Commons Attribution (CC BY) license (https://creativecommons.org/licenses/by/4.0/).
Share and Cite
Park, B.; Choi, Y.C. Investigating the Effect of CNTs on Early Age Hydration and Autogenous Shrinkage of Cement Composite. Appl. Sci. 2021, 11, 5545. https://doi.org/10.3390/app11125545
Park B, Choi YC. Investigating the Effect of CNTs on Early Age Hydration and Autogenous Shrinkage of Cement Composite. Applied Sciences. 2021; 11(12):5545. https://doi.org/10.3390/app11125545
Chicago/Turabian StylePark, Byoungsun, and Young Cheol Choi. 2021. "Investigating the Effect of CNTs on Early Age Hydration and Autogenous Shrinkage of Cement Composite" Applied Sciences 11, no. 12: 5545. https://doi.org/10.3390/app11125545
APA StylePark, B., & Choi, Y. C. (2021). Investigating the Effect of CNTs on Early Age Hydration and Autogenous Shrinkage of Cement Composite. Applied Sciences, 11(12), 5545. https://doi.org/10.3390/app11125545

