Numerical Simulation and Experimental Study on Axial Stiffness and Stress Deformation of the Braided Corrugated Hose
Abstract
:1. Introduction
2. Material and Methods Description
2.1. Material
2.2. Methods Description
3. Modeling of the Metallic Braided Tube
3.1. Mathematical Model of the Metallic Braided Tube
3.2. Equivalent Theory Based on Axial Deformation
3.3. Geometric Model of the Equivalent Braided Corrugated Hose
4. Numerical Simulation Analysis and Results
4.1. Finite Element Model of the Metallic Braided Corrugated Hose
4.2. Axial Stiffness and Stress Distribution Rules
- The equivalent stress of the braided corrugated hose is larger than the bellows under the same axial displacement. This is probably because the outer braided tube is more prone to deformation and carries more stress, as Figure 10a and Figure 11b show. In addition, the equivalent stress changes in the range of 1–903 MPa, and the axial stress changes in the range of −561 to 517 MPa.
- For the bellows, the stresses are more likely to be concentrated at the trough of the bellows, except for the area where the crest and the braid come into contact. The stress is unevenly distributed in the wire and is larger when the wire comes into contact with the bellows.
- The axial stiffness is a nonlinear curve, as Figure 12 shows, when the stretching distance is within 1.5 mm. The stiffness is linear when the stretching distance exceeds 1.5 mm and increases steeply due to friction contact between the braided tube and the bellows; the inner bellows limit the radial deformation of the braided tube.
4.3. Contact Compressive Stress, Friction Stress, and Distributions
5. Tensile Testing and Result Analysis of the Braided Corrugated Hose
5.1. Test Scheme
5.2. Tensile Test Results of the Braided Corrugated Hose under Different Loads
5.3. Analysis of Test Results
6. Conclusions
- By analyzing the structural features of the braided tube, the space curve parametric equation of braided tube was deduced. By analyzing the axial deformation of the braided tube, the equivalent braided tube model was generated.
- A Finite Element Model of DN25 braided corrugated hose was established, and the axial stiffness and the stress distribution were obtained. The axial stiffness of the braided corrugated hose is nonlinear, and the equivalent stress was mainly distributed at the trough of the bellows. The contact pressure and frictional stress were mainly distributed at the crest of the bellows.
- The tensile experiment on the braided corrugated hose was performed and compared to the numerical simulation results. The experimental data and simulation results are in good agreement and within the permissible error range, verifying the rationality of the Finite Element Model.
- This study can provide a reference for modeling the braided corrugated hose, especially for the simplification of the braided tube. It can also provide a basis for the wear and fatigue tests of the braided corrugated hose.
Author Contributions
Funding
Institutional Review Board Statement
Informed Consent Statement
Data Availability Statement
Conflicts of Interest
References
- Naik, R.A. Failure Analysis of Woven and Braided Fabric Reinforced Composites. J. Compos. Mater. 1995, 29, 2334–2363. [Google Scholar] [CrossRef]
- Rial, D.; Kebir, H.; Wintrebert, E.; Roelandt, J.-M. Multiaxial fatigue analysis of a metal flexible pipe. Mater. Des. 2014, 54, 796–804. [Google Scholar] [CrossRef]
- Hachemi, H.; Kebir, H.; Roelandt, J.; Wintrebert, E. A study of the braided corrugated hoses: Behavior and life estimation. Mater. Des. 2011, 32, 1957–1966. [Google Scholar] [CrossRef]
- Yuan, Z.; Huo, S.; Ren, J. Mathematical description and mechanical characteristics of reinforced S-shaped bellows. Int. J. Press. Vessel. Pip. 2019, 175, 103931. [Google Scholar] [CrossRef]
- Hao, Z.; Luo, J.; Jin, Y.; Wei, W.; Liu, L. Failure analysis of corrugated metal hose under ultimate repeated bending process. Eng. Fail. Anal. 2020, 109, 104295. [Google Scholar] [CrossRef]
- Yuan, H.; Fei, H.; Sheng, M.; Chun, Z.; Xin, Z. Equivalent Stiffness Modification for Metal Wire Braid Reinforced Hose Based on Nonlinear Constitutive Relation. Chin. Q. Mech. 2015, 36, 70–80. [Google Scholar] [CrossRef]
- Rial, D.; Tiar, A.; Hocine, K.; Roelandt, J.-M.; Wintrebert, E. Metallic Braided Structures: The Mechanical Modeling. Adv. Eng. Mater. 2015, 17, 893–904. [Google Scholar] [CrossRef]
- Jian, Z.; Xin, W.; Qiang, Q.; Jian, M. Investigation on the structural characteristics of the weave net of metal flexible joint used in liquid rocket engine. J. Rocket Propuls. 2019, 45, 48–53. [Google Scholar]
- Pierce, S.O.; Evans, J.L. Failure analysis of a metal bellows flexible hose subjected to multiple pressure cycles. Eng. Fail. Anal. 2012, 22, 11–20. [Google Scholar] [CrossRef]
- Kyosev, Y. Geometrical Modeling and Computational Mechanics Tools for Braided Structures. In Advances in Braiding Technology; Woodhead Publishing: Sawston, UK, 2016; pp. 501–519. [Google Scholar]
- Du, W.; Wang, H.-H.; Wen, S. Finite Element Analysis of Double Layer Metal bellows Flexible Hose for Chemical Pipeline. In Proceedings of the 2017 2nd International Conference on Automation, Mechanical Control and Computational Engineering (AMCCE 2017), Beijing, China, 25–26 March 2017. [Google Scholar]
- Ning, F.; Potluri, P.; Yu, W.; Hearle, J. Geometrical modeling of tubular braided structures using generalized rose curve. Text. Res. J. 2017, 87, 474–486. [Google Scholar] [CrossRef]
- Gere, J.M.; Timoshenko, S.P. Mechanics of Materials 1990; PWS Publishing Company: Boston, MA, USA, 1996. [Google Scholar]
















| Specification | C | Si | Mn | P | S | Cr | Ni |
|---|---|---|---|---|---|---|---|
| 304 stainless steel | ≤0.08 | ≤1 | ≤2 | ≤0.045 | ≤0.03 | ≤18 − 20 | ≤8 − 10.5 |
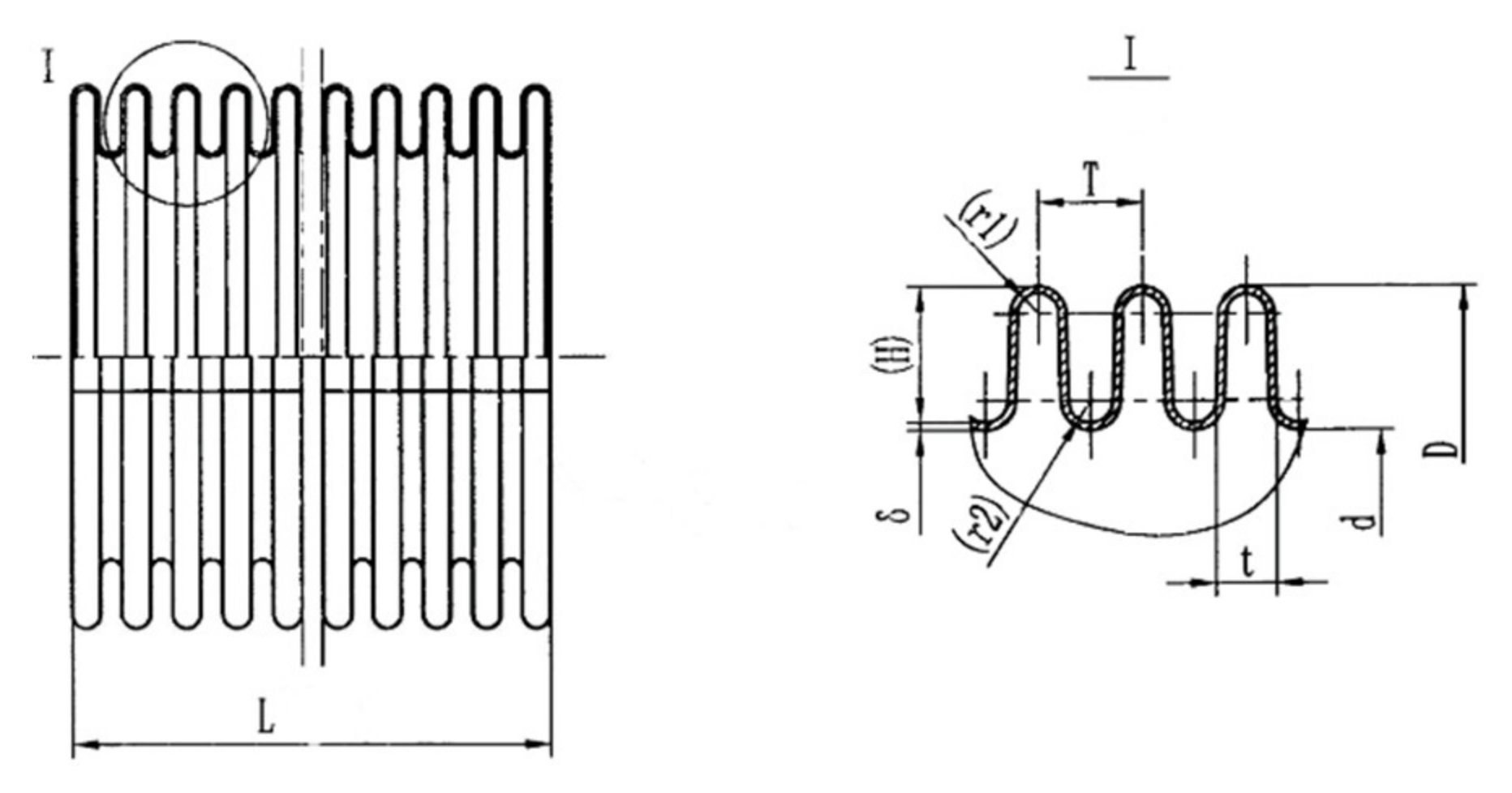
| d /mm | D /mm | T /mm | t /mm | r1 /mm | r2 /mm | /mm | H /mm | L /mm | |
|---|---|---|---|---|---|---|---|---|---|
| DN25 | 25.4 | 31.5 | 3.7 | 2.1 | 0.8 | 0.8 | 0.25 | 2.8 | 200 |
Publisher’s Note: MDPI stays neutral with regard to jurisdictional claims in published maps and institutional affiliations. |
© 2021 by the authors. Licensee MDPI, Basel, Switzerland. This article is an open access article distributed under the terms and conditions of the Creative Commons Attribution (CC BY) license (https://creativecommons.org/licenses/by/4.0/).
Share and Cite
Huang, D.; Zhang, J. Numerical Simulation and Experimental Study on Axial Stiffness and Stress Deformation of the Braided Corrugated Hose. Appl. Sci. 2021, 11, 4709. https://doi.org/10.3390/app11104709
Huang D, Zhang J. Numerical Simulation and Experimental Study on Axial Stiffness and Stress Deformation of the Braided Corrugated Hose. Applied Sciences. 2021; 11(10):4709. https://doi.org/10.3390/app11104709
Chicago/Turabian StyleHuang, Dacheng, and Jianrun Zhang. 2021. "Numerical Simulation and Experimental Study on Axial Stiffness and Stress Deformation of the Braided Corrugated Hose" Applied Sciences 11, no. 10: 4709. https://doi.org/10.3390/app11104709
APA StyleHuang, D., & Zhang, J. (2021). Numerical Simulation and Experimental Study on Axial Stiffness and Stress Deformation of the Braided Corrugated Hose. Applied Sciences, 11(10), 4709. https://doi.org/10.3390/app11104709
