Semi-Active System of Vehicle Vibration Damping
Abstract
1. Introduction
2. MR Damper
- —vector of the deformation velocity of four dampers.
- Delineation determines the set of permissible vectors of the friction forces depending on the velocity vector defining velocity values of damper deformation.
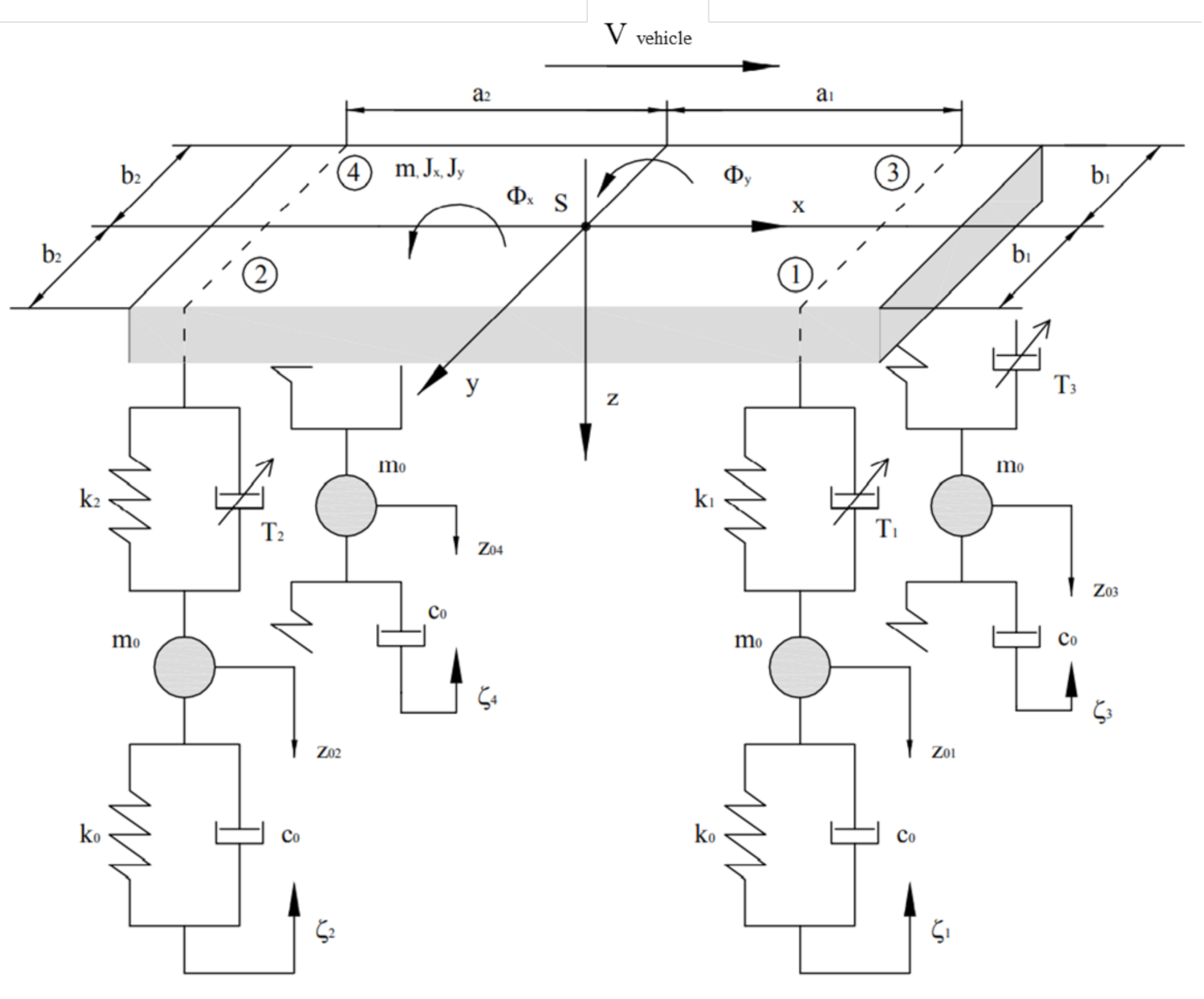
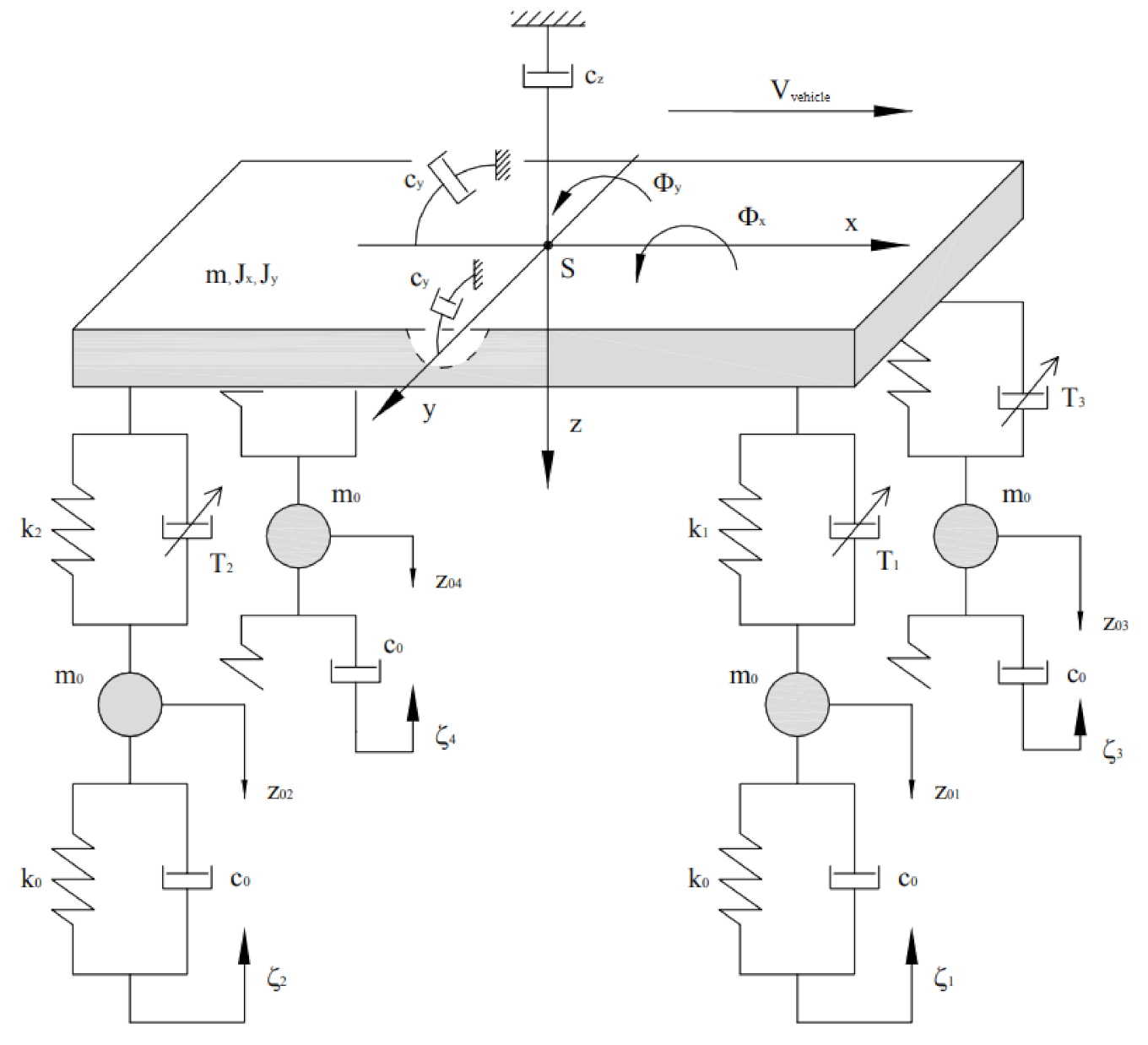
3. Vehicle Model
- −
- Elastic suspension elements have linear characteristics;
- −
- Vehicle wheels are in constant contact with the road surface;
- −
- Elastic-dissipative features of the suspension are mapped with the help of elements located directly above the wheels;
- −
- The vehicle mass is distributed symmetrically relative to the longitudinal axis.
- —vehicle velocity.
- moments of the inertial force acting on the vehicle body during transient .
4. Model of the Control System
- —matrix of the body inertia.
4.1. Solution to the Optimization Task
- —of such vectors, that , ;
- —any positive number;
- —mapping of the projection on the set ;
4.2. Processing of Signals in the Control System
5. Simulation Research of Vehicle Vibration
6. Conclusions
Author Contributions
Funding
Institutional Review Board Statement
Informed Consent Statement
Data Availability Statement
Conflicts of Interest
References
- Batterbee, D.C.; Sims, N.D. Hardware in the loop simulation (HILS) of magnetorheological damper for vehicle suspension systems. The University of Sheffield. J. Syst. Control Eng. 2007, 221, 265–278. [Google Scholar]
- Heidarian, A.; Wang, X. Review on Seat Suspension System Technology Development. Appl. Sci. 2019, 9, 2834. [Google Scholar] [CrossRef]
- Nam, Y.-J.; Park, M.-K. Electromagnetic Design of a Magnetorheological Damper. J. Intell. Mater. Syst. Struct. 2009, 20, 181–191. [Google Scholar] [CrossRef]
- Sapiński, B. Theoretical analysis of magnetorheological damper characteristics in squeeze mode. Acta Mech. Autom. 2015, 9, 89–92. [Google Scholar] [CrossRef][Green Version]
- Choi, S.B.; Choi, Y.T.; Chang, E.G.; Han, S.J.; Kim, C.S. Control characteristics of a continuously variable ER damper. Mechatronics 1998, 8, 143–161. [Google Scholar] [CrossRef]
- Vivas-Lopez, C.A.; Hernández-Alcantara, D.; Morales-Menendez, R.; Ramírez-Mendoza, R.A.; Ahuett-Garzsa, H. Method for modeling electrorheological dampers using its dynamic characteristics. Math. Probl. Eng. 2015, 2015. [Google Scholar] [CrossRef]
- Bartkowski, P.; Zalewski, R.; Chodkiewicz, P. Parameter identification of Bouc-Wen model for vacuum packed particles based on genetic algorithm. Arch. Civ. Mech. Eng. 2019, 19, 322–333. [Google Scholar] [CrossRef]
- Carlson, J.D.; Matthis, W.; Toscano, J.R. Smart prosthetics based on magnetorheological fluids. Smart Struct. Mater. Ind. Commer. Appl. Smart Struct. Technol. 2001, 4332, 308–317. [Google Scholar]
- Choi, S.-B.; Nam, M.-H.; Lee, B.-K. Vibration control of a MR seat damper for commercial vehicles. J. Intell. Mater. Syst. Struct. 2000, 11, 936–944. [Google Scholar] [CrossRef]
- Kim, K.; Jeon, D. Vibration suppression in an MR fluid damper suspension system. J. Intell. Mater. Syst. Struct. 1999, 10, 779–786. [Google Scholar] [CrossRef]
- Makowski, M. Algorithm for Damping Control in Vehicle Suspension Equipped with Magneto-Rheological Dampers. In Dynamical Systems in Theoretical Perspective. DSTA 2017; Springer Proceedings in Mathematics & Statistics; Awrejcewicz, J., Ed.; Springer: Cham, Switzerland, 2017; Volume 248, Print ISBN 978-3-319-96597-0; Online ISBN 978-3-319-96598-7. [Google Scholar] [CrossRef]
- Spencer, B.F.; Nagarajaiah, S. State of the art of structural control. J. Struct. Eng. 2003, 129, 845–856. [Google Scholar] [CrossRef]
- Jung, H.J.; Sodeyama, B.F.; Ni, Y.Q.; Lee, I.W. State-of-the-art of semiactive control systems using MR fluid dampers in civil engineering applications. Struct. Eng. Mech. 2004, 17, 493–526. [Google Scholar] [CrossRef]
- Liu, Y.F.; Lin, T.K.; Chang, K.C. Analytical and experimental studies on building mass damper system with semi-active control device. Inter. J. Intell. Syst. 2018. [Google Scholar] [CrossRef]
- Bui, Q.-D.; Nguyen, Q.H.; Nguyen, T.T.; Mai, D.-D. Development of a Magnetorheological Damper with Self-Powered Ability for Washing Machines. Appl. Sci. 2020, 10, 4099. [Google Scholar] [CrossRef]
- Spelta, C.; Previdi, F.; Savaresi, S.M.; Fraternale, G.; Gaudiano, N. Control of magnetorheological dampers for vibration reduction in a washing machine. Mechatronics 2009, 19, 410–421. [Google Scholar] [CrossRef]
- Fu, B.; Giossi, R.L.; Persson, R.; Stichel, S.; Bruni, S.; Goodall, R. Active suspension in railway vehicles: A literature survey. Rail. Eng. Sci. 2020, 28, 3–35. [Google Scholar] [CrossRef]
- Wang, D.H.; Liao, W.H. Semi-active suspension systems for railway vehicles using magnetorheological dampers. Veh. Syst. Dyn. 2009, 47, 1305–1325. [Google Scholar] [CrossRef]
- Phu, D.X.; An, J.-H.; Choi, S.-B. A Novel Adaptive PID Controller with Application to Vibration Control of a Semi-Active Vehicle Seat Suspension. Appl. Sci. 2017, 7, 1055. [Google Scholar] [CrossRef]
- Warczek, J.; Burdzik, R.; Konieczny, Ł. The Concept of Autonomous Damper in Vehicle Suspension. In Dynamical Systems in Applications. DSTA 2017; Springer Proceedings in Mathematics & Statistics; Awrejcewicz, J., Ed.; Springer: Cham, Switzerland, 2017; Volume 249. [Google Scholar]
- Yoon, D.S.; Kim, D.S.; Choi, S.B. Response time of magnetorheological dampers to current inputs in a semi-active suspension system: Modeling, control and sensitivity analysis. Mech. Syst. Signal Process. 2021, 146, 106999. [Google Scholar] [CrossRef]
- Sands, T. Optimization Provenance of Whiplash Compensation for Flexible Space Robotics. Aerospace 2019, 6, 93. [Google Scholar] [CrossRef]
- Shuilong, H.; Chen, K.; Enyong, X.; Wei, W.; Zhansi, J. Commercial Vehicle Ride Comfort Optimization Based on Intelligent Algorithms and Nonlinear Damping. Hindawi Shock Vib. 2019, 2019. [Google Scholar] [CrossRef]
- Faraj, R.; Graczykowski, C. Hybrid Prediction Control for self-adaptive fluid-based shock-absorbers. J. Sound Vib. 2019, 449, 427–446. [Google Scholar] [CrossRef]
- Yan, G.; Sun, B.; Lü, Y. Semi-active model predictive control for 3rd generation benchmark problem using smart dampers. Earthq. Engin. Engin. Vib. 2007, 6, 307–315. [Google Scholar] [CrossRef]
- Karnopp, D.C.; Crosby, M.J. Vibration Control Semi-Active Force Generators. Asmej Eng. Ind. 1974, 96, 619–626. [Google Scholar] [CrossRef]
- Karnopp, D.C. Active damping in road vehicle suspension system. Veh. Syst. Dyn. 1983, 12, 183–188. [Google Scholar] [CrossRef]
- Bouc, R.A. Mathematical Model for Hysteresis. Acta Acust. United Acust. 1971, 24, 16–25. [Google Scholar]
- Dyke, S.J.; Spencer, B.F., Jr.; Sain, M.K.; Carlson, J.D. Modeling and control of magnetorheological dampers for seismic response reduction. Smart Mater. Struct. 1996, 5, 565. [Google Scholar] [CrossRef]
- Peng, Y.; Yang, J.; Li, J. Parameter identification of modified Bouc–Wen model and analysis of size effect of magnetorheological dampers. J. Intell. Mater. Syst. Struct. 2018, 29, 1464–1480. [Google Scholar] [CrossRef]
- Makowski, M.; Knap, L. Investigation of an off-road vehicle equipped with magnetorheological dampers. Adv. Mech. Eng. 2018, 10, 1–11. [Google Scholar] [CrossRef]
- Múčka, P. Simulated road profiles according to ISO 8608 in vibration analysis. J. Test. Eval. 2018, 46, 405–418. [Google Scholar] [CrossRef]
- Lenkutis, T.; Cerškus, A.; Šešok, N.; Dzedzickis, A.; Bucinskas, V. Road Surface Profile Synthesis, Assessment of Suitability for Simulation. Symmetry 2021, 13, 68. [Google Scholar] [CrossRef]
- Schütz, T. Hucho-Aerodynamik des Automobils, ATZ/MTZ-Fachbuch; Springer Fachmedien: Wiesbaden, Germany, 2013. [Google Scholar]



















| Criterion | Classic | ||||
|---|---|---|---|---|---|
| W1 | 2.2362 | 2.6568 | 4.6212 | 51.6 | 42.5 |
| W2 | 0.3250 | 0.6523 | 0.3418 | 4.9 | −90.8 |
Publisher’s Note: MDPI stays neutral with regard to jurisdictional claims in published maps and institutional affiliations. |
© 2021 by the authors. Licensee MDPI, Basel, Switzerland. This article is an open access article distributed under the terms and conditions of the Creative Commons Attribution (CC BY) license (https://creativecommons.org/licenses/by/4.0/).
Share and Cite
Grzesikiewicz, W.; Makowski, M. Semi-Active System of Vehicle Vibration Damping. Appl. Sci. 2021, 11, 4577. https://doi.org/10.3390/app11104577
Grzesikiewicz W, Makowski M. Semi-Active System of Vehicle Vibration Damping. Applied Sciences. 2021; 11(10):4577. https://doi.org/10.3390/app11104577
Chicago/Turabian StyleGrzesikiewicz, Wiesław, and Michał Makowski. 2021. "Semi-Active System of Vehicle Vibration Damping" Applied Sciences 11, no. 10: 4577. https://doi.org/10.3390/app11104577
APA StyleGrzesikiewicz, W., & Makowski, M. (2021). Semi-Active System of Vehicle Vibration Damping. Applied Sciences, 11(10), 4577. https://doi.org/10.3390/app11104577

