Distributed Passive Actuation Schemes for Seismic Protection of Multibuilding Systems
Abstract
1. Introduction
2. Mathematical Model
2.1. Plain Building Model
2.2. Interstory and Interbuilding Damping Models
2.3. Overall Multibuilding Model
2.4. State-Space Model and Output Variables
3. Optimization Procedure
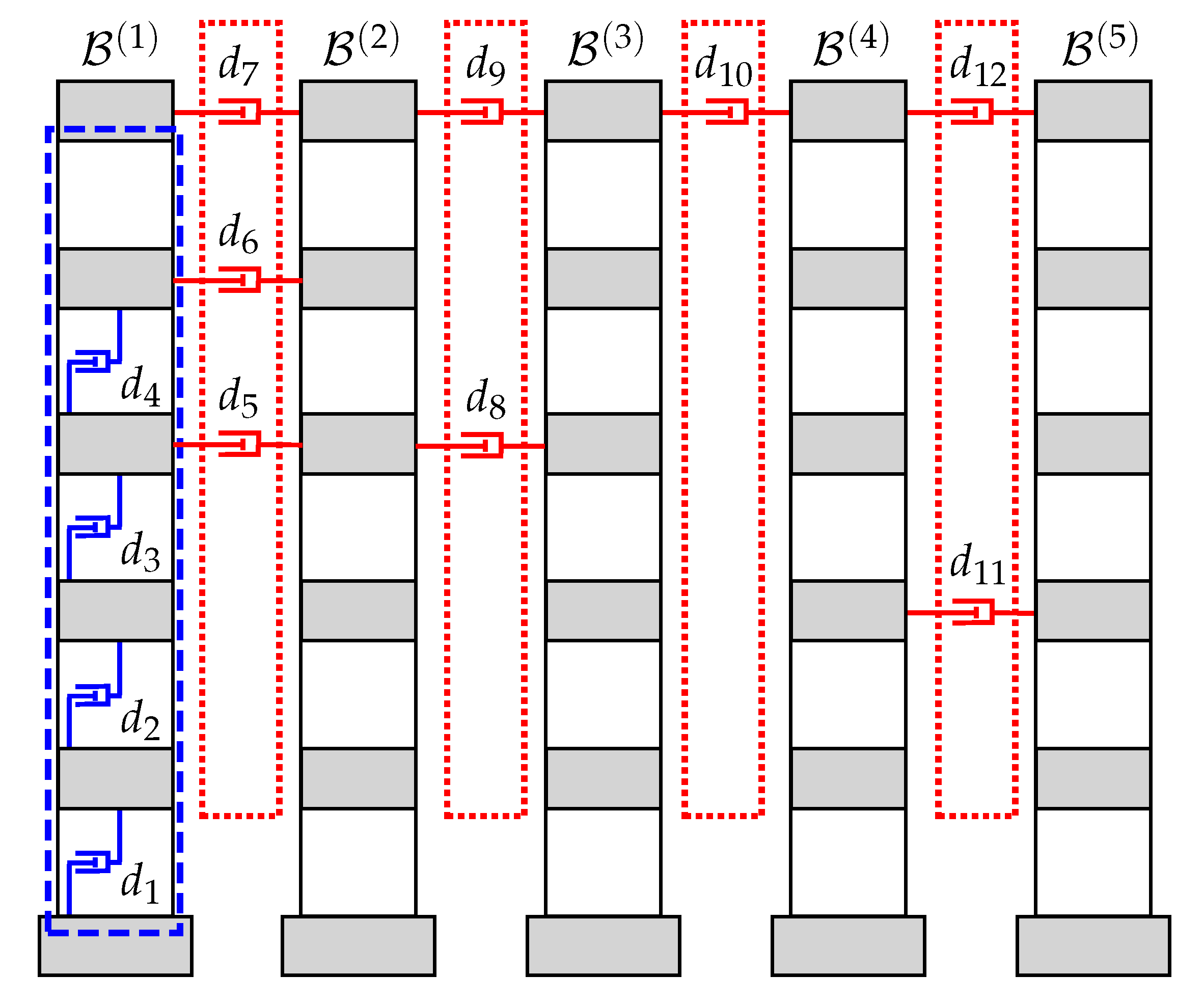
3.1. Allowed Damper Positions, Dampers Allocation and Damping Coefficients
3.2. Optimization Variables and Associated Multibuilding Model
3.3. Objective Function and Optimization Constraints
4. DDS Designs
5. Seismic Responses
6. Conclusions
Author Contributions
Funding
Conflicts of Interest
Abbreviations
| ATOP | allocation-tuning optimization problem |
| DDS | distributed damping system |
| FVD | fluid viscous damper |
| GA | genetic algorithm |
| MBS | multibuilding system |
References
- Soong, T.T.; Spencer, B.F., Jr. Supplemental energy dissipation: state-of-the-art and state-of-the-practice. Eng. Struct. 2002, 24, 243–259. [Google Scholar] [CrossRef]
- Ali, M.M.; Moon, K.S. Structural developments in tall buildings: Current trends and future prospects. Archit. Sci. Rev. 2007, 50, 205–223. [Google Scholar] [CrossRef]
- Takewaki, I.; Fujita, K.; Yamamoto, K.; Takabatake, H. Smart passive damper control for greater building earthquake resilience in sustainable cities. Sustain. Cities Soc. 2011, 1, 3–15. [Google Scholar] [CrossRef]
- Wang, S.; Mahin, S.A. Seismic retrofit of a high-rise steel moment-resisting frame using fluid viscous dampers. Struct. Des. Tall Special Build. 2017, 26, 1–11. [Google Scholar] [CrossRef]
- Aydin, E.; Ozturk, B.; Dutkiewicz, M. Analysis of efficiency of passive dampers in multistorey buildings. J. Sound Vib. 2019, 439, 17–28. [Google Scholar] [CrossRef]
- Li, Z.; Shu, G.; Huang, Z. Proper configuration of metallic energy dissipation system in shear-type building structures subject to seismic excitation. J. Constr. Steel Res. 2019, 154, 177–189. [Google Scholar] [CrossRef]
- De Domenico, D.; Ricciardi, G.; Takewaki, I. Design strategies of viscous dampers for seismic protection of building structures: A review. Soil Dyn. Earthq. Eng. 2019, 118, 144–165. [Google Scholar] [CrossRef]
- López García, D.; Soong, T.T. Efficiency of a simple approach to damper allocation in MDOF structures. J. Struct. Control 2002, 9, 19–30. [Google Scholar] [CrossRef]
- Liu, W.; Tong, M.; Lee, G.C. Optimization methodology for damper configuration based on building performance indices. J. Struct. Eng. 2005, 131, 1746–1756. [Google Scholar] [CrossRef]
- Main, J.A.; Krenk, S. Efficiency and tuning of viscous dampers on discrete systems. J. Sound Vib. 2005, 286, 97–122. [Google Scholar] [CrossRef]
- Fujita, K.; Yamamoto, K.; Takewaki, I. An evolutionary algorithm for optimal damper placement to minimize interstorey-drift transfer function in shear building. Earthq. Struct. 2010, 1, 289–306. [Google Scholar] [CrossRef]
- Del Gobbo, G.M.; Williams, M.S.; Blakeborough, A. Comparing fluid viscous damper placement methods considering total-building seismic performance. Earthq. Eng. Struct. Dyn. 2018, 47, 2864–2886. [Google Scholar] [CrossRef]
- Singh, M.P.; Moreschi, L.M. Optimal seismic response control with dampers. Earthq. Eng. Struct. Dyn. 2001, 30, 553–572. [Google Scholar] [CrossRef]
- Huang, X. Evaluation of genetic algorithms for the optimum distribution of viscous dampers in steel frames under strong earthquakes. Earthq. Struct. 2018, 14, 215–227. [Google Scholar]
- Cetin, H.; Aydin, E.; Ozturk, B. Optimal design and distribution of viscous dampers for shear building structures under seismic excitations. Front. Built Environ. 2019, 5, 1–13. [Google Scholar] [CrossRef]
- Del Gobbo, G.M. Placement of fluid viscous dampers to improve total-building seismic performance. In Proceedings of the CSCE Annual Conference, Laval, Montreal, QC, Canada, 12–15 June 2019; pp. 1–9. [Google Scholar]
- Tubaldi, E. Dynamic behavior of adjacent buildings connected by linear viscous/viscoelastic dampers. Struct. Control Health Monit. 2015, 22, 1086–1102. [Google Scholar] [CrossRef]
- Kandemir-Mazanoglu, E.C.; Mazanoglu, K. An optimization study for viscous dampers between adjacent buildings. Mech. Syst. Signal Process. 2017, 89, 88–96. [Google Scholar] [CrossRef]
- Liu, M.Y.; Wang, A.P.; Chiu, M.Y. Optimal vibration control of adjacent building structures interconnected by viscoelastic dampers. J. Civ. Eng. Arch. 2017, 11, 468–476. [Google Scholar]
- Patel, C.C. Dynamic response of viscous damper connected similar multi-degree of freedom structures. Int. J. Earth Sci. Eng. 2011, 4, 1068–1071. [Google Scholar]
- Patel, C.C.; Jangid, R.S. Dynamic response of identical adjacent structures connected by viscous damper. Struct. Control Health Monit. 2014, 21, 205–224. [Google Scholar] [CrossRef]
- Palacios-Quiñonero, F.; Rubió-Massegú, J.; Rossell, J.M.; Karimi, H.R. Integrated design of hybrid interstory-interbuilding multi-actuation schemes for vibration control of adjacent buildings under seismic excitations. Appl. Sci. 2017, 7, 323. [Google Scholar] [CrossRef]
- Palacios-Quiñonero, F.; Rubió-Massegú, J.; Rossell, J.; Rodellar, J. Interstory-interbuilding actuation schemes for seismic protection of adjacent identical buildings. Smart Struct. Syst. 2019, 24, 67–81. [Google Scholar]
- Del Gobbo, G.M.; Blakeborough, A.; Williams, M.S. Improving total-building seismic performance using linear fluid viscous dampers. Bull. Earthq. Eng. 2018, 16, 4249–4272. [Google Scholar] [CrossRef]
- Yang, J.N.; Lin, S.; Kim, J.-H.; Agrawal, A.K. Optimal design of passive energy dissipation systems based on H∞ and H2 performances. Earthq. Eng. Struct. Dyn. 2002, 31, 921–936. [Google Scholar] [CrossRef]
- Palacios-Quiñonero, F.; Rubió-Massegú, J.; Rossell, J.M.; Karimi, H.R. Optimal passive-damping design using a decentralized velocity-feedback H∞ approach. Model. Identif. Control 2012, 33, 87–97. [Google Scholar] [CrossRef]
- Abdeddaim, M.; Ounis, A.; Djedoui, N.; Shrimali, M.K. Pounding hazard mitigation between adjacent planar buildings using coupling strategy. J. Civ. Struct. Health Monit. 2016, 6, 603–617. [Google Scholar] [CrossRef]
- Jankowski, R.; Mahmoud, S. Linking of adjacent three-storey buildings for mitigation of structural pounding during earthquakes. Bull. Earthq. Eng. 2016, 14, 3075–3097. [Google Scholar] [CrossRef]
- Palacios-Quiñonero, F.; Rubió-Massegú, J.; Rossell, J.M.; Karimi, H.R. Design of inerter-based multi-actuator systems for vibration control of adjacent structures. J. Frankl. Inst. 2019, 356, 7785–7809. [Google Scholar]
- Balas, G.J.; Chiang, R.Y.; Packard, A.K.; Safonov, M.G. MATLAB Robust Control Toolbox User’s Guide, 2019a; The MathWorks, Inc.: Natick, MA, USA, 2019. [Google Scholar]
- MathWorks. MATLAB Global Optimization Toolbox User’s Guide, 2019a; The MathWorks, Inc.: Natick, MA, USA, 2019. [Google Scholar]
- Chopra, A. Dynamics of Structures. Theory and Applications to Earthquake Engineering, 3rd ed.; Prentice Hall: Upper Saddle River, NJ, USA, 2007. [Google Scholar]
- Wang, Y.; Lynch, J.P.; Law, K.H. Decentralized H∞ controller design for large-scale civil structures. Earthq. Eng. Struct. Dyn. 2009, 38, 377–401. [Google Scholar] [CrossRef]
- MathWorks. MATLAB Control System Toolbox User’s Guide, 2019a; The MathsWorks, Inc.: Natick, MA, USA, 2019. [Google Scholar]
- Kurata, N.; Kobori, T.; Takahashi, M.; Niwa, N.; Midorikawa, H. Actual seismic response controlled building with semi-active damper system. Earthq. Eng. Struct. Dyn. 1999, 28, 1427–1447. [Google Scholar] [CrossRef]
- Wang, Q.; Qiao, H.; De Domenico, D.; Zhu, Z.; Xie, Z. Wind-induced response control of high-rise buildings using inerter-based vibration absorbers. Appl. Sci. 2019, 9, 5045. [Google Scholar] [CrossRef]
- Petrini, F.; Giaralis, A.; Wang, Z. Optimal tuned mass-damper-inerter (TMDI) design in wind-excited tall buildings for occupants’ comfort serviceability performance and energy harvesting. Eng. Struct. 2020, 204, 1–16. [Google Scholar] [CrossRef]
- Adachi, F.; Fujita, K.; Tsuji, M.; Takewaki, I. Importance of interstory velocity on optimal along-height allocation of viscous oil dampers in super high-rise buildings. Eng. Struct. 2013, 56, 489–500. [Google Scholar] [CrossRef]
- Logotheti, V.E.; Kafetzi, T.C.; Papagiannopoulos, G.A.; Karabalis, L.K. On the use of interstorey velocity for the seismic retrofit of steel frames with viscous dampers. Soil Dyn. Earthq. Eng. 2020, 129, 1–14. [Google Scholar] [CrossRef]
- Sarcheshmehpour, M.; Estekanchi, H.E.; Ghannad, M.A. Optimum placement of supplementary viscous dampers for seismic rehabilitation of steel frames considering soil–structure interaction. Struct. Des. Tall Special Build. 2020, 29, 1–17. [Google Scholar] [CrossRef]
- Savor Novak, M.; Lazarevic, D.; Atalic, J.; Uros, M. Influence of multiple-support excitation on seismic response of reinforced concrete arch bridges. Appl. Sci. 2020, 10, 17. [Google Scholar] [CrossRef]
- Akehashi, H.; Takewaki, I. Optimal viscous damper placement for elastic-plastic MDOF structures under critical double impulse. Front. Built Environ. 2019, 5, 1–17. [Google Scholar] [CrossRef]
- De Domenico, D.; Ricciardi, G. Earthquake protection of structures with nonlinear viscous dampers optimized through an energy-based stochastic approach. Eng. Struct. 2019, 179, 523–539. [Google Scholar] [CrossRef]















| Conf. | ||||||||||||
|---|---|---|---|---|---|---|---|---|---|---|---|---|
| DC1 | 1.4480 | 1.5137 | 1.3414 | 2.0098 | 2.1014 | 1.9725 | 1.5460 | 1.3074 | 0.4334 | 0.3683 | 0.8023 | 0.1528 |
| DC2 | 1.8626 | 1.9882 | 1.7986 | 1.6611 | 2.1895 | 1.9489 | 1.6484 | 0.6311 | 0.4362 | 0.1519 | 0.0006 | 0.6828 |
| DC3 | 2.6792 | 2.7151 | 2.5843 | 2.1407 | 0.2790 | 0.9873 | 0.7835 | 0.0009 | 1.3963 | 0.9310 | 0.0007 | 0.5018 |
| Conf. | Act. Build. | Norm | opt. vars. | Generations | funct. aval. | Time (s) | Parallel Time (s) |
|---|---|---|---|---|---|---|---|
| Plain conf. | — | 0.8090 | — | — | — | — | — |
| DC1 | 1, 3, 5 | 0.0897 | 47 | 206 | 41,400 | 273.5 | 167.9 |
| DC2 | 2, 4 | 0.0970 | 34 | 161 | 32,400 | 242.8 | 157.5 |
| DC3 | 1 | 0.1457 | 37 | 288 | 57,800 | 409.0 | 103.8 |
| Conf. | Act. Build. | Norm | Max. drift (cm) | Max. accel. (m/s) | Max. Approach. (cm) |
|---|---|---|---|---|---|
| Plain | — | 0.8090 | 5.38 | 9.62 | 20.00 |
| DC1 | 1, 3, 5 | 0.0897 | 2.56 | 5.71 | 22.70 |
| DC2 | 2, 4 | 0.0970 | 2.76 | 5.62 | 23.15 |
| DC3 | 1 | 0.1457 | 3.25 | 7.02 | 21.92 |
| DC4 | 2, 4 | 0.6272 | 5.38 | 9.62 | 20.05 |
© 2020 by the authors. Licensee MDPI, Basel, Switzerland. This article is an open access article distributed under the terms and conditions of the Creative Commons Attribution (CC BY) license (http://creativecommons.org/licenses/by/4.0/).
Share and Cite
Palacios-Quiñonero, F.; Rubió-Massegú, J.; Rossell, J.M.; Karimi, H.R. Distributed Passive Actuation Schemes for Seismic Protection of Multibuilding Systems. Appl. Sci. 2020, 10, 2383. https://doi.org/10.3390/app10072383
Palacios-Quiñonero F, Rubió-Massegú J, Rossell JM, Karimi HR. Distributed Passive Actuation Schemes for Seismic Protection of Multibuilding Systems. Applied Sciences. 2020; 10(7):2383. https://doi.org/10.3390/app10072383
Chicago/Turabian StylePalacios-Quiñonero, Francisco, Josep Rubió-Massegú, Josep M. Rossell, and Hamid Reza Karimi. 2020. "Distributed Passive Actuation Schemes for Seismic Protection of Multibuilding Systems" Applied Sciences 10, no. 7: 2383. https://doi.org/10.3390/app10072383
APA StylePalacios-Quiñonero, F., Rubió-Massegú, J., Rossell, J. M., & Karimi, H. R. (2020). Distributed Passive Actuation Schemes for Seismic Protection of Multibuilding Systems. Applied Sciences, 10(7), 2383. https://doi.org/10.3390/app10072383
