Influence of Powder and Liquid Multi-Wall Carbon Nanotubes on Hydration and Dispersion of the Cementitious Composites
Abstract
1. Introduction
2. Experimental Programs
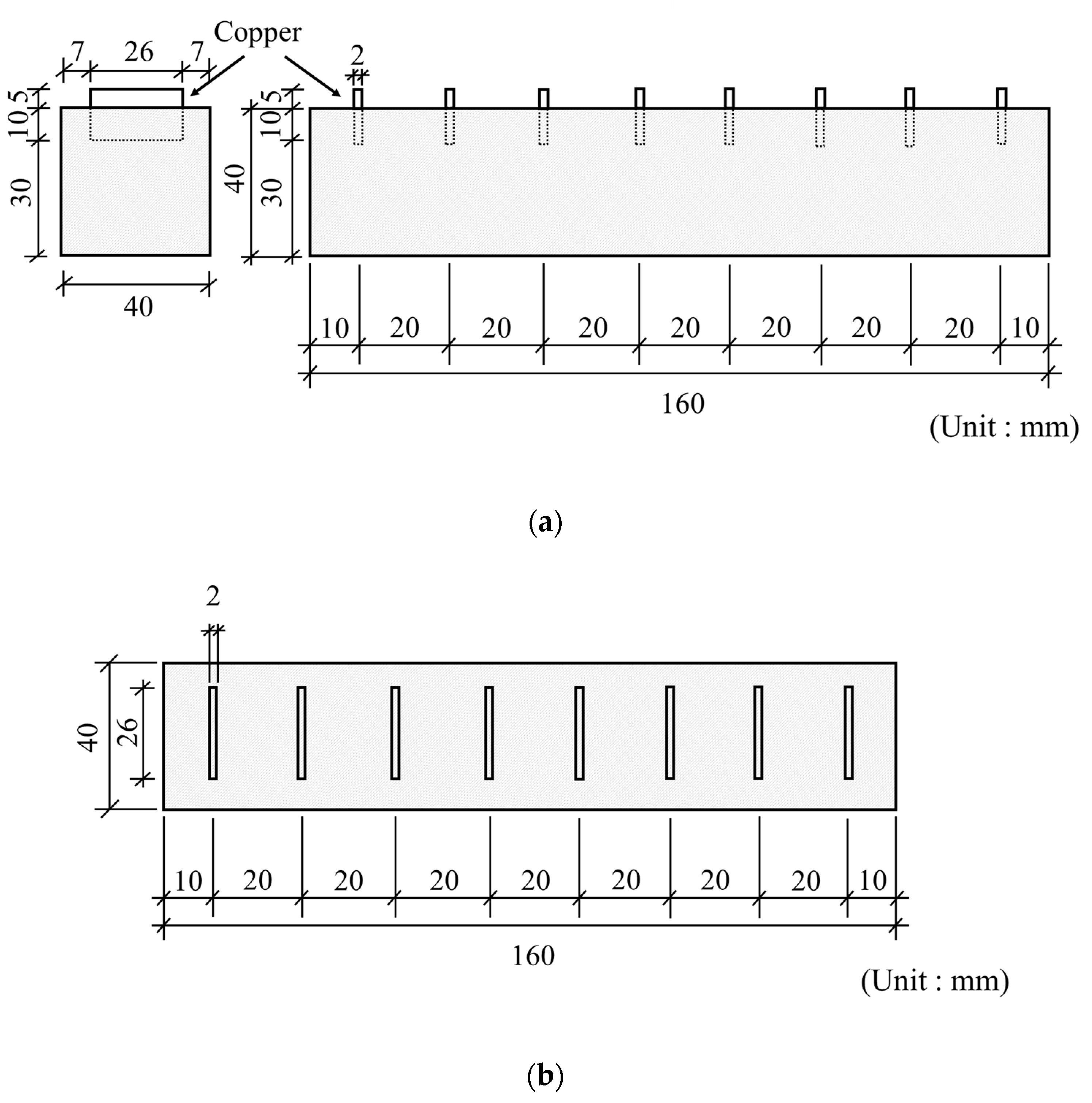
2.1. Materials and Mixture Proportions
2.2. Experimental Methods
3. Experimental Results and Discussion
3.1. Heat of Hydration
3.2. Heat Flow
3.3. Compressive Strength
3.4. Porosity
3.5. Raman Spectroscopy
3.6. SEM Analysis
3.7. Electric Resistance
4. Conclusions
- The heat of hydration decreased with an increase in the addition ratio of the MWCNTs because retardation occurred, due to an excessive amount of the chemical admixture. In addition, as the amount of MWCNTs increased, the amount of the chemical admixture increased, because the powder volume increased in the specimen. On the other hand, the liquid MWCNT showed further improvement in workability compared with the powder MWCNT, thus reducing the amount of the chemical admixture, and the hydration delay was not as great as that in the powder MWCNT.
- The heat flow decreased slightly with the addition of MWCNTs, but the degree of the decrease was not significant. The MWCNTs exhibited no chemical reactions in the composites. Therefore, it was concluded that the decrease in the mechanical performance of the cementitious composite was not due to the chemical reaction, but due to the physical properties. In particular, it was due to the MWCNT agglomeration caused by van der Waals forces.
- The compressive strength tended to decrease as MWCNTs were added. In particular, the powder type showed a greater reduction than the liquid type, and it was found that the MWCNTs did not obtain the micro-filler effect in the mixtures, but rather acted as a strength reduction factor.
- The porosity analysis indicated that the porosity increased as MWCNTs were added, because the MWCNT agglomeration occurred due to failure to secure uniform dispersion in the cementitious composite. Thus, it existed in the form of large capillary pores, which resulted in an increase in the porosity, leading to a decrease in compressive strength. However, when the liquid MWCNT was added, the porosity further decreased compared with the powder type, which implies that the liquid type was advantageous in terms of dispersibility.
- Through Raman spectroscopy analysis, it was revealed that the MWCNTs showed G bands (1350 cm−1) in their Raman spectra of graphite. This confirmed the presence or absence of MWCNTs in the composite, and the strength of the peak was highest in the liquid type of MWCNTs, presenting more homogeneous dispersion than the powder MWCNT.
- In the SEM analysis, agglomeration was clearly observed in the powder MWCNT, and the form of a skein of thread existed. It failed to disperse as it separated from the hydrates in the composite, which resulted in a decrease in strength, due to the presence of pores. However, the liquid MWCNT was relatively well dispersed in the overall zones.
- The electrical resistance value decreased as the addition ratio of MWCNTs increased. The electrical conductivity also increased and was expected to help achieve self-sensing abilities.
Author Contributions
Funding
Acknowledgments
Conflicts of Interest
References
- Banthia, N.; Djeridane, S.; Pigeon, M. Electrical resistivity of carbon and steel micro-fiber reinforced cements. Cem. Concr. Res. 1992, 22, 804–814. [Google Scholar] [CrossRef]
- Chen, P.W.; Chung, D.D.L. Improving the electrical conductivity of composites comprised of short conducting fibers in a non-conducting matrix: The addition of a non-conducting particulate filler. J. Electron. Mater. 1995, 24, 47–51. [Google Scholar] [CrossRef]
- Wen, S.; Chung, D.D.L. Uniaxial compression in carbon fiber-reinforced cement, sensed by electrical resistivity measurement in longitudinal and transverse directions. Cem. Concr. Res. 2001, 31, 297–301. [Google Scholar] [CrossRef]
- Wang, C.S.; Wu, F.; Chang, F.K. Structural health monitoring from fiber-reinforced composites to steel-reinforced concrete. Smart Mater. Struct. 2001, 10, 548–552. [Google Scholar] [CrossRef]
- Wen, S.; Chung, D.D.L. Strain-sensing characteristics of carbon fiber-reinforced cement. Aci Mater. J. 2005, 102, 244–248. [Google Scholar]
- Han, B.; Yu, X.; Kwon, E. A self-sensing carbon nanotube/cement composite for traffic monitoring. Nanotechnology 2009, 20, 445501. [Google Scholar] [CrossRef] [PubMed]
- Silva-Muñoz, R.A.; Lopez-Anido, R.A. Structural health monitoring of marine composite structural joints using embedded fiber Bragg grating strain sensors. Compos. Struct. 2009, 89, 224–234. [Google Scholar] [CrossRef]
- Azhari, F.; Banthia, N. Cement-based sensors with carbon fibers and carbon nanotubes for piezo resistive sensing. Cem. Concr. Compos. 2012, 34, 866–873. [Google Scholar] [CrossRef]
- Galao, O.; Baeza, F.J.; Zornoza, E.; Garcés, P. Strain and damage sensing propertieson multifunctional cement composites with CNF admixture. Cem. Concr. Compos. 2014, 46, 90–98. [Google Scholar] [CrossRef]
- Kim, H.K.; Park, I.S.; Lee, H.K. Improved piezo resistive sensitivity and stability of CNT/cement mortar composites with low water–binder ratio. Compos. Struct. 2014, 116, 713–719. [Google Scholar] [CrossRef]
- Lee, S.J.; You, I.; Zi, G.; Yoo, D.Y. Experimental investigation of the piezo resistive properties of cement composites with hybrid carbon fibers and nanotubes. Sensor 2017, 17, 2516. [Google Scholar] [CrossRef] [PubMed]
- Yoo, D.Y.; You, I.; Lee, S.J. Electrical properties of cement-based composites with carbon nanotube, graphene, and graphite nanofiber. Sensor 2017, 17, 1064. [Google Scholar] [CrossRef]
- Zhou, C.; Li, F.; Hu, J.; Ren, M.; Wei, J.; Yu, Q. Enhanced mechanical properties of cement paste by hybrid graphene oxide/carbon nanotubes. Constr. Build. Mater. 2017, 1314, 336–345. [Google Scholar] [CrossRef]
- Yoo, D.Y.; You, I.; Youn, H.; Lee, S.J. Electrical and piezo resistive properties of cement composites with carbon nanomaterials. J. Compos. Mater. 2018, 52, 3325–3340. [Google Scholar] [CrossRef]
- Dong, W.; Li, W.; Shen, L.; Sheng, D. Piezo resistive behaviours of carbon black cement-based sensors with layer-distributed conductive rubber fibres. Mater. Des. 2019, 182, 108012. [Google Scholar] [CrossRef]
- Kim, G.M.; Nam, I.W.; Yang, B.; Yoon, H.N.; Lee, H.K.; Park, S. Carbon nanotube (CNT) incorporated cementitious composites for functional construction materials: The state of the art. Compos. Struct. 2019, 227, 111244. [Google Scholar] [CrossRef]
- Nayak, S.; Das, S. A microstructure-guided numerical approach to evaluate strain sensing and damage detection ability of random heterogeneous self-sensing structural materials. Comput. Mater. Sci. 2019, 156, 195–205. [Google Scholar] [CrossRef]
- Rovnaník, P.; Kusak, I.; Bayer, P.; Schmid, P.; Fiala, L. Comparison of electrical and self-sensing properties of Portland cement and alkali-activated slag mortars. Cem. Concr. Res. 2019, 118, 84–91. [Google Scholar] [CrossRef]
- Yu, J.; Grossiord, N.; Koning, C.E.; Loos, J. Controlling the dispersion of multi-wall carbon nanotubes in aqueous surfactant solution. Carbon 2007, 45, 618–623. [Google Scholar] [CrossRef]
- Vaisman, L.; Wagner, H.D.; Marom, G. The role of surfactants in dispersion of carbon nanotubes. Adv. Colloid Interface Sci. 2006, 128, 37–46. [Google Scholar] [CrossRef]
- Ma, P.-C.; Siddiqui, N.A.; Marom, G.; Kim, J.-K. Dispersion and functionalization of carbon nanotubes for polymer-based nanocomposites: A review. Compos. Part A: Appl. Sci. Manuf. 2010, 41, 1345–1367. [Google Scholar] [CrossRef]
- Makar, J.M.; Margeson, J.C.; Luh, J. Carbon nanotube/cement composites-early results and potential applications. In Proceedings of the 3rd International Conference on Construction Materials: Performance, Innovation, and Structural Implication, Vancouver, BC, Canada, 22–24 August 2005; pp. 1–10. [Google Scholar]
- Konsta-Gdoutos, M.S.; Metaxa, Z.S.; Shah, S.P. Multi-scale mechanical and fracture characteristics and early-age strain capacity of high performance carbon nanotube/cement nanocomposites. Cem. Concr. Compos. 2010, 32, 110–115. [Google Scholar] [CrossRef]
- Sanchez, F.; Ince, C. Microstructure and macroscopic properties of hybrid carbon nanofiber/silica fume cement composites. Compos. Sci. Technol. 2009, 69, 1310–1318. [Google Scholar] [CrossRef]
- Luo, Y.; Heng, Y.; Dai, X.; Chen, W.; Li, J. Preparation and photocatalytic ability of highly defective carbon nanotubes. J. Solid State Chem. 2009, 182, 2521–2525. [Google Scholar] [CrossRef]
- Kim, B.R.; Lee, H.K.; Kim, E.; Lee, S.H. Intrinsic electromagnetic radiation shielding/absorbing characteristics of polyaniline-coated transparent thin films. Synth. Met. 2010, 160, 1838–1842. [Google Scholar] [CrossRef]
- Collins, F.; Lambert, J.; Duan, W.H. The influences of admixtures on the dispersion, workability, and strength of carbon nanotube–OPC paste mixtures. Cem. Concr. Compos. 2012, 34, 201–207. [Google Scholar] [CrossRef]
- Ha, S.J.; Kang, S.T.; Lee, J.H. Strength of CNT Cement Composites with Different Types of Surfactants and Doses. J. Korea Inst. Struct. Maint. Insp. 2015, 19, 99–107. [Google Scholar] [CrossRef]
- Li, G.Y.; Wang, P.M.; Zhao, X. Mechanical behavior and microstructure of cement composites incorporating surface-treated multi-walled carbon nanotubes. Carbon 2005, 43, 1239–1245. [Google Scholar] [CrossRef]
- Cwirzen, A.; Habermehl-Cwirzen, K.; Penttala, V. Surface decoration of carbon nanotubes and mechanical properties of cement/carbon nanotube composites. Adv. Cem. Res. 2008, 20, 65–73. [Google Scholar] [CrossRef]
- Nochaiya, T.; Chaipanich, A. Behavior of multi-walled carbon nanotubes on the porosity and microstructure of cement-based materials. Appl. Surf. Sci. 2011, 257, 1941–1945. [Google Scholar] [CrossRef]
- KS L 5201. Portland cement. Korean Agency Technol. Stand. 2016, 3–15. [Google Scholar]
- KS F 2560. Chemical Admixtures for Concrete. Korean Agency Technol. Stand. 2019, 1–3. [Google Scholar]
- KS L ISO 679. Methods of testing cements-determination of strength. Korean Agency Technol. Stand. 2018, 12–16. [Google Scholar]
- Oh, S.; Oh, K.S.; Jung, S.H.; Chung, W.; Yoo, S.W. Effects of CNT Additions on Mechanical Properties and Microstructures of Cement. J. Korea Inst. Struct. Maint. Insp. 2017, 21, 162–168. [Google Scholar] [CrossRef]
- Oh, S.; Oh, K.S.; Cho, Y.K.; Hwa, S. Influences of CNT replacement on strengths and porosities of cement-silica fume mortars. In Proceedings of the the 2018 Structures Congress, Songdo Convensia, Incheon, Korea, 27–31 August 2018. [Google Scholar]
- Kim, A.; Lee, M.; Han, S.; Kang, S.J.; Song, K. Raman Spectroscopic Studies of Doped Graphene. Polymer 2015, 39, 956–960. [Google Scholar]













| Chemical Composition (%) | Density (g/cm3) | |||||
|---|---|---|---|---|---|---|
| SiO2 | Al2O3 | Fe2O3 | CaO | MgO | ||
| Cement | 22.23 | 5.21 | 3.38 | 64.58 | 2.3 | 3.15 |
| Silica Fume | 99.61 | 0.03 | 0.05 | 0.03 | 0.02 | 2.12 |
| Water | MWCNT | Surfactant |
|---|---|---|
| 90% | 6% | 4% |
| Item | MWCNT |
|---|---|
| Diameter (nm) | 5~100 |
| Length (μm) | 10 |
| Tension (GPa) | <50 |
| Electrical Resistance (Ω‧m2) | 5.1 × 10−6 |
| Thermal Conductivity (W/m‧K) | max. 3000 |
| Specific Surface Area (m2/g) | 130~160 |
| W/B (%) | Water (%) | Liquid MWCNT (%) | Powder MWCNT (%) | Binder (%) | Admixture (%) | |
|---|---|---|---|---|---|---|
| Cement | SF | |||||
| 20 | 20 | - | 0.0 | 90 | 10 | 2 |
| 20 | - | 1.0 | 7 | |||
| 20 | 2.0 | 12 | ||||
| - | 20 | - | 5 | |||
Publisher’s Note: MDPI stays neutral with regard to jurisdictional claims in published maps and institutional affiliations. |
© 2020 by the authors. Licensee MDPI, Basel, Switzerland. This article is an open access article distributed under the terms and conditions of the Creative Commons Attribution (CC BY) license (http://creativecommons.org/licenses/by/4.0/).
Share and Cite
Lee, G.-C.; Kim, Y.; Hong, S. Influence of Powder and Liquid Multi-Wall Carbon Nanotubes on Hydration and Dispersion of the Cementitious Composites. Appl. Sci. 2020, 10, 7948. https://doi.org/10.3390/app10217948
Lee G-C, Kim Y, Hong S. Influence of Powder and Liquid Multi-Wall Carbon Nanotubes on Hydration and Dispersion of the Cementitious Composites. Applied Sciences. 2020; 10(21):7948. https://doi.org/10.3390/app10217948
Chicago/Turabian StyleLee, Gun-Cheol, Youngmin Kim, and Seongwon Hong. 2020. "Influence of Powder and Liquid Multi-Wall Carbon Nanotubes on Hydration and Dispersion of the Cementitious Composites" Applied Sciences 10, no. 21: 7948. https://doi.org/10.3390/app10217948
APA StyleLee, G.-C., Kim, Y., & Hong, S. (2020). Influence of Powder and Liquid Multi-Wall Carbon Nanotubes on Hydration and Dispersion of the Cementitious Composites. Applied Sciences, 10(21), 7948. https://doi.org/10.3390/app10217948

