Quasi-Independent Bidirectional Communication Methods for Simultaneous Wireless Power and Information Transmission
Abstract
1. Introduction
- By using the DPSK modulation method, the power transmission is quasi-independent of information transmission and remains stable during communication process.
- Compared with the non-differential modulation, the operating frequency of power carrier is fully utilized, the date-frequency-ratio is increased.
- Not only the inductive link but also the power/data modulator is shared, which greatly reduces the complexity, cost and volume of the SWPIT system.
2. System Overview and Circuit Analysis
2.1. System Overview
2.2. Power Transmission Characteristics of SS Compensated Circuit
2.3. Transient Analysis of Power and Information Channels
3. Communication System Design
3.1. Forward Communication Based on Full-Bridge Inverter
3.2. Backward Communication Based on S-BAR
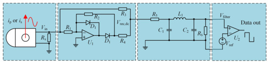
3.3. Demodulator Design
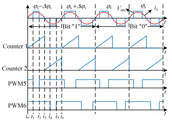
3.4. Half-Duplex Communication Protocol
4. Simulation and Experiment
4.1. Simulation
4.2. Experimental Prototype
4.3. Experimental Results
5. Conclusions
Author Contributions
Funding
Conflicts of Interest
References
- Zhang, Z.; Pang, H.; Georgiadis, A.; Cecati, C. Wireless Power Transfer—An Overview. IEEE Trans. Ind. Electron. 2018, 66, 1044–1058. [Google Scholar] [CrossRef]
- Wang, Z.; Cui, S.; Han, S.; Song, K.; Zhu, C.; Matveevich, M.; Yurievich, O. A Novel Magnetic Coupling Mechanism for Dynamic Wireless Charging System for Electric Vehicles. IEEE Trans. Veh. Technol. 2017, 67, 124–133. [Google Scholar] [CrossRef]
- Luo, Z.; Wei, X. Analysis of Square and Circular Planar Spiral Coils in Wireless Power Transfer System for Electric Vehicles. IEEE Trans. Ind. Electron. 2018, 65, 331–341. [Google Scholar]
- Cai, C.; Wang, J.; Liu, R.; Fang, Z.; Zhang, P.; Long, M.; Hu, M.; Lin, Z. Resonant Wireless Charging System Design for 110 kV High Voltage Transmission Line Monitoring Equipment. IEEE Trans. Ind. Electron. 2019, 66, 4118–4129. [Google Scholar] [CrossRef]
- Wang, J.; Cai, C.; Li, L.; Zhang, P.; Liu, Q.; Zhang, F.; Fang, Z. Extended efficiency control method for WPT systems in smart grid under loose coupling extremes. IET Power Electron. 2019, 12, 2523–2533. [Google Scholar] [CrossRef]
- Basar, M.R.; Ahmad, M.Y.; Cho, J.; Ibrahim, F. An Improved Wearable Resonant Wireless Power Transfer System for Biomedical Capsule Endoscope. IEEE Trans. Ind. Electron. 2018, 65, 7772–7781. [Google Scholar] [CrossRef]
- Mai, R.; Liu, Y.; Li, Y.; Yue, P.; Cao, G.; He, Z. An Active-Rectifier-Based Maximum Efficiency Tracking Method Using an Additional Measurement Coil for Wireless Power Transfer. IEEE Trans. Power Electron. 2017, 33, 716–728. [Google Scholar] [CrossRef]
- Li, Z.; Song, K.; Jiang, J.; Zhu, C. Constant Current Charging and Maximum Efficiency Tracking Control Scheme for Supercapacitor Wireless Charging. IEEE Trans. Power Electron. 2018, 33, 9088–9100. [Google Scholar] [CrossRef]
- Yeo, T.D.; Kwon, D.S.; Khang, S.T.; Yu, J.W. Design of Maximum Efficiency Tracking Control Scheme for Closed-Loop Wireless Power Charging System Employing Series Resonant Tank. IEEE Trans. Power Electron. 2016, 32, 471–478. [Google Scholar] [CrossRef]
- Kim, M.; Joo, D.M.; Lee, B.K. Design and Control of Inductive Power Transfer System for Electric Vehicles Considering Wide Variation of Output Voltage and Coupling Coefficient. IEEE Trans. Power Electron. 2019, 34, 1197–1208. [Google Scholar] [CrossRef]
- Diekhans, T.; Doncker, R.W.D. A Dual-Side Controlled Inductive Power Transfer System Optimized for Large Coupling Factor Variations and Partial Load. IEEE Trans. Power Electron. 2015, 30, 6320–6328. [Google Scholar] [CrossRef]
- Xiao, C.; Cheng, D.; Wei, K. An LCC-C Compensated Wireless Charging System for Implantable Cardiac Pacemakers: Theory, Experiment, and Safety Evaluation. IEEE Trans. Power Electron. 2018, 33, 4894–4905. [Google Scholar] [CrossRef]
- Yan, Z.; Xiang, Z.; Wu, L.; Wang, B.; Zhou, Y.; Xiang, Z.; Lin, W.; Wang, B. Study of Wireless Power and Information Transmission Technology based on the Triangular Current Waveform. IEEE Trans. Power Electron. 2018, 33, 1368–1377. [Google Scholar] [CrossRef]
- Gong, C.; Liu, D.; Miao, Z.; Li, M. A Magnetic-Balanced Inductive Link for the Simultaneous Uplink Data and Power Telemetry. Sensors 2017, 17. [Google Scholar]
- Simard, G.; Member, S.; Sawan, M.; Massicotte, D.; Member, S. High-Speed OQPSK and Efficient Power Transfer Through Inductive Link for Biomedical Implants. Biomed. Circuits Syst. IEEE Trans. 2010, 4, 192–200. [Google Scholar] [CrossRef]
- Xia, C.; Jia, R.; Wu, Y.; Yu, Q.; Zhou, Y. WPIT technology based on the fundamental-harmonic component for a single-channel and two-coil ICPT system. IET Power Electron. 2019, 12, 2608–2614. [Google Scholar] [CrossRef]
- Qian, Z.; Yan, R.; Wu, J.; He, X. Full-Duplex High-Speed Simultaneous Communication Technology for Wireless EV Charging. IEEE Trans. Power Electron. 2019, 34, 9369–9373. [Google Scholar] [CrossRef]
- Ji, L.; Wang, L.; Liao, C.; Li, S. Crosstalk Study of Simultaneous Wireless Power/Information Transmission Based on an LCC Compensation Network. Energies 2017, 10, 1606. [Google Scholar] [CrossRef]
- Li, X.; Wang, H.; Dai, X. A Power and Data Decoupled Transmission Method for Wireless Power Transfer Systems via a Shared Inductive Link. Energies 2018, 11, 2161. [Google Scholar] [CrossRef]
- Wu, J.; Zhao, C.; Lin, Z.; Du, J.; Hu, Y.; He, X. Wireless Power and Data Transfer via a Common Inductive Link Using Frequency Division Multiplexing. IEEE Trans. Ind. Electron. 2015, 62, 7810–7820. [Google Scholar] [CrossRef]
- Huang, C.C.; Lin, C.L. Wireless Power and Bidirectional Data Transfer Scheme for Battery Charger. IEEE Trans. Power Electron. 2018, 33, 4679–4689. [Google Scholar] [CrossRef]
- Min, G.H.; Ha, J.I. Inner Supply Data Transmission in Quasi-Resonant Flyback Converters for Li-Ion Battery Applications Using Multiplexing Mode. IEEE Trans. Power Electron. 2018, 34, 64–73. [Google Scholar] [CrossRef]
- Ahn, D.; Kim, S.; Moon, J.; Cho, I.K. Wireless Power Transfer With Automatic Feedback Control of Load Resistance Transformation. IEEE Trans. Power Electron. 2016, 31, 7876–7886. [Google Scholar] [CrossRef]
- Huang, C.C.; Lin, C.L.; Wu, Y.K. Simultaneous Wireless Power/Data Transfer for Electric Vehicle Charging. IEEE Trans. Ind. Electron. 2017, 64, 682–690. [Google Scholar] [CrossRef]
- Wu, J.; Zhao, C.; Jin, N.; He, S.; Ma, D. Bidirectional information transmission in SWIPT system with single controlled chopper receiver. Electronics 2019, 8, 1027. [Google Scholar] [CrossRef]
- Son, Y.; Ha, J.I. Data transmission method without additional circuits in bidirectional wireless power transfer system. In Proceedings of the 2016 IEEE Applied Power Electronics Conference and Exposition (APEC), Long Beach, CA, USA, 20–24 March 2016. [Google Scholar]
- Jiang, D.; Cirmirakis, D.; Schormans, M.; Perkins, T.A.; Donaldson, N.; Demosthenous, A. An Integrated Passive Phase-Shift Keying Modulator for Biomedical Implants with Power Telemetry over a Single Inductive Link. IEEE Trans. Biomed. Circuits Syst. 2017, 11, 64–77. [Google Scholar] [CrossRef] [PubMed]
- Gati, E.; Kampitsis, G.; Manias, S. Variable frequency controller for inductive power transfer in dynamic conditions. IEEE Trans. Power Electron. 2017, 32, 1684–1696. [Google Scholar] [CrossRef]
- Zhao, F.; Zhu, C.; Lu, R.; Song, K.; Wei, G. Modeling and design of control loop with semi-bridgeless rectifier in wireless charging system. In Proceedings of the 2017 IEEE Transportation Electrification Conference and Expo, Asia-Pacific (ITEC Asia-Pacific), Harbin, China, 7–10 August 2017. [Google Scholar]
- Zhong, W.X.; Hui, S.Y.R. Maximum energy efficiency tracking for wireless power transfer systems. IEEE Trans. Power Electron. 2015, 30, 4025–4034. [Google Scholar] [CrossRef]
- Li, H.L.; Hu, A.P.; Covic, G.A. A direct AC-AC converter for inductive power-transfer systems. IEEE Trans. Power Electron. 2012, 27, 661–668. [Google Scholar] [CrossRef]
- Colak, K.; Asa, E.; Bojarski, M.; Czarkowski, D.; Onar, O.C. A Novel Phase-Shift Control of Semibridgeless Active Rectifier for Wireless Power Transfer. IEEE Trans. Power Electron. 2015, 30, 6288–6297. [Google Scholar] [CrossRef]
- Guo, P.; Yuan, R.; Chen, Y.; Cai, C.; Yang, L. High-Bandwidth-Utilization Wireless Power and Information Transmission Based on DDPSK Modulation. IEEE Access 2019, 7, 85560–85572. [Google Scholar] [CrossRef]
- Liu, Y.; Madawala, U.K.; Mai, R.; He, Z. Zero-Phase-Angle Controlled Bi-directional Wireless EV Charging Systems for Large Coil Misalignments. IEEE Trans. Power Electron. 2020, 35, 5343–5353. [Google Scholar] [CrossRef]
- Lee, S.; Zhang, R. Distributed Wireless Power Transfer with Energy Feedback. IEEE Trans. Signal Process. 2017, 65, 1685–1699. [Google Scholar] [CrossRef]




















| Periods | MOSFETs | Diodes | Power Transmission |
|---|---|---|---|
| - | is ON, is ON | is OFF, is OFF | Within resonant tank |
| - | is OFF, isON | is ON, is OFF | To load |
| - | is ON, is ON | is OFF, is OFF | Within resonant tank |
| - | is ON, is ON | is OFF, is OFF | Within resonant tank |
| - | is ON, is OFF | is OFF, is OFF | To load |
| - | is ON, is ON | is OFF, is OFF | Within resonant tank |
| Start Bit | Address | Command | Parity Bit | Stop Bit |
|---|---|---|---|---|
| 1 bit | 4 bit | 4 bit | 1 bit | 1 bit |
| Start Bit | Address | Data Type | Data | Parity Bit | Stop Bit |
|---|---|---|---|---|---|
| 1 bit | 4 bit | 4 bit | 10 bit | 1 bit | 1 bit |
| Parameters | Description | Simulation | Experiment |
|---|---|---|---|
| f | Operating frequency | 100 kHz | |
| Voltage of DC power source | 60 V | ||
| Load resistance | 10–25 | ||
| k | Coupling coefficient | 0.1–0.3 | |
| Primary coil inductance | 50 H | 49.2 H | |
| Compensated capacitor of primary side | 50 nF | 51.4 nF | |
| Secondary coil inductance | 50 H | 50.4 H | |
| Compensated capacitor of secondary side | 50 nF | 49.7 nF | |
| Equivalent resistance of primary coil | 0.1 | 0.18 | |
| Equivalent resistance of secondary coil | 0.1 | 0.18 | |
© 2020 by the authors. Licensee MDPI, Basel, Switzerland. This article is an open access article distributed under the terms and conditions of the Creative Commons Attribution (CC BY) license (http://creativecommons.org/licenses/by/4.0/).
Share and Cite
Yuan, R.; Guo, P.; Cai, C.; Yang, L. Quasi-Independent Bidirectional Communication Methods for Simultaneous Wireless Power and Information Transmission. Appl. Sci. 2020, 10, 7130. https://doi.org/10.3390/app10207130
Yuan R, Guo P, Cai C, Yang L. Quasi-Independent Bidirectional Communication Methods for Simultaneous Wireless Power and Information Transmission. Applied Sciences. 2020; 10(20):7130. https://doi.org/10.3390/app10207130
Chicago/Turabian StyleYuan, Rongxiang, Pilong Guo, Changsong Cai, and Lin Yang. 2020. "Quasi-Independent Bidirectional Communication Methods for Simultaneous Wireless Power and Information Transmission" Applied Sciences 10, no. 20: 7130. https://doi.org/10.3390/app10207130
APA StyleYuan, R., Guo, P., Cai, C., & Yang, L. (2020). Quasi-Independent Bidirectional Communication Methods for Simultaneous Wireless Power and Information Transmission. Applied Sciences, 10(20), 7130. https://doi.org/10.3390/app10207130

