Computer-Aided Environmental Assessment Applied for Estimation of Ecological Impacts Derived from Topological Pathways Based on Lignocellulosic Biomass Transformation
Abstract
1. Introduction
2. Materials and Methods
- Steady-state modeling;
- Biomass is already cleaned and milled;
- All cellulose content is glucan;
- All hemicellulose content is xylan;
- All five-carbon carbohydrates are xylose;
- All six-carbon carbohydrates are glucose;
- Ash is assumed to be calcium oxide (CaO);
- Used microorganisms entered biological processes already available for hydrolysis and fermentation processes.
2.1. Topology 1: Butanol Production from Cassava Waste
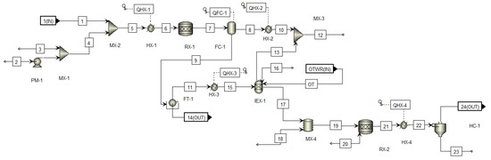
2.1.1. Pretreatment Stage in Topology 1
2.1.2. Hydrolysis Stage in Topology 1
2.1.3. Fermentation Stage in Topology 1
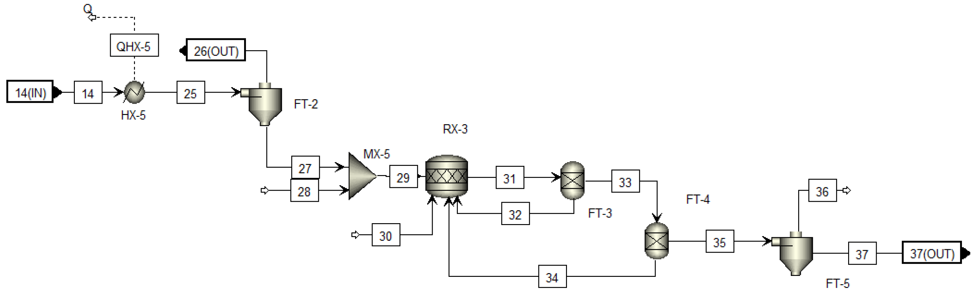
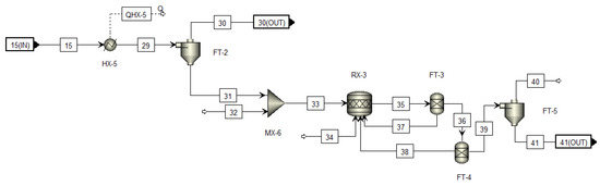
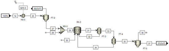
2.1.4. Separation Stage in Topology 1
2.2. Topology 2: Ethanol and Succinic Acid Production from Banana Rachis and Cassava Waste
2.2.1. Pretreatment Stage in Topology 2
2.2.2. Hydrolysis Stage in Topology 2
2.2.3. Five-Carbon Fermentation in Topology 2
2.2.4. Six-Carbon Fermentation Stage in Topology 2
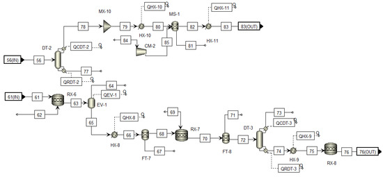
2.2.5. Purification Stage Flowsheet in Topology 2
2.3. Process Evaluation under an Environmental Assessment
3. Results and Discussion
3.1. Results of Technical Performance Indicators
3.2. Results for Environmental Assessment under the WAR Method
3.2.1. Overall Output and Generation Rates
3.2.2. Atmospheric Impact Categories
3.2.3. Toxicological Impact Categories
4. Conclusions
Author Contributions
Funding
Acknowledgments
Conflicts of Interest
References
- Meramo-Hurtado, S.I.; González-Delgado, Á.D. Biorefinery synthesis and design using sustainability parameters and hierarchical/3D multi-objective optimization. J. Clean. Prod. 2019, 240, 118134. [Google Scholar] [CrossRef]
- Foo, D. Process Integration for Resource Conservatiom. Available online: https://books.google.com.co/books?id=fkX7CAAAQBAJ&pg=PA351&lpg=PA351&dq=cost+of+water+regeneration+in+recycling+networks&source=bl&ots=bRpTLejRF3&sig=ACfU3U3U_H2YJo6emoeHZ-agV3pE5N5GZA&hl=es&sa=X&ved=2ahUKEwjF3_rW2YTqAhVDTd8KHTjwABkQ6AEwAHoECAoQAQ#v=onepa (accessed on 15 July 2020).
- Martinazzo, A.P.; Melo, E.D.C.; Barbosa, L.C.A.; Soares, N.D.F.F.; Rocha, R.P.; Randuz, L.L.; Berbert, P.A. Quality Parameters of Cymbopogon citratus Leaves During Ambient Storage. Appl. Eng. Agric. 2009, 25, 543–547. [Google Scholar] [CrossRef]
- Fonseca, G.; Costa, C.; Cruz, A.J.G. Economic analysis of a second-generation ethanol and electricity biorefinery using superstructural optimization. Energy 2020, 204. [Google Scholar] [CrossRef]
- Zhang, Y.; Hu, G.; Brown, R. Life cycle assessment of the production of hydrogen and transportation fuels from corn stover via fast pyrolysis. Environ. Res. Lett. 2013, 8, 025001. [Google Scholar] [CrossRef]
- Meramo-Hurtado, S.; Alarcón-Suesca, C.; González-Delgado, Á.D. Exergetic sensibility analysis and environmental evaluation of chitosan production from shrimp exoskeleton in Colombia. J. Clean. Prod. 2020, 248, 119285. [Google Scholar] [CrossRef]
- Hellsmark, H.; Mossberg, J.; Söderholm, P.; Frishammar, J. Innovation system strengths and weaknesses in progressing sustainable technology: The case of Swedish biorefinery development. J. Clean. Prod. 2016, 131, 702–715. [Google Scholar] [CrossRef]
- López-Linares, J.C.; Gómez-Cruz, I.; Ruiz, E.; Romero, I.; Castro, E. Production of Ethanol from Hemicellulosic Sugars of Exhausted Olive Pomace by Escherichia coli. Processes 2020, 8, 533. [Google Scholar] [CrossRef]
- Vikash, P.V.; Shastri, Y. Conceptual design of a lignocellulosic biorefinery and its supply chain for ethanol production in India. Comput. Chem. Eng. 2019, 121, 696–721. [Google Scholar] [CrossRef]
- Nhien, L.C.; Long, N.V.D.; Lee, M. Novel heat–integrated and intensified biorefinery process for cellulosic ethanol production from lignocellulosic biomass. Energy Convers. Manag. 2017, 141, 367–377. [Google Scholar] [CrossRef]
- Dávila, I.; Gullón, B.; Labidi, J.; Gullón, P. Multiproduct biorefinery from vine shoots: Bio-ethanol and lignin production. Renew. Energy 2019, 142, 612–623. [Google Scholar] [CrossRef]
- Meramo-Hurtado, S.I.; Puello, P.; Ribón, J.C.R. Application of Solution Strategies for Numerical Estimation of Thermodynamic Equilibrium Parameters for an Acetone–Butanol Mixture. Appl. Sci. 2020, 10, 3136. [Google Scholar] [CrossRef]
- Mahmud, M.P.; Huda, N.; Farjana, S.H.; Lang, C. Life-cycle impact assessment of renewable electricity generation systems in the United States. Renew. Energy 2020, 151, 1028–1045. [Google Scholar] [CrossRef]
- Alonso-Fariñas, B.; Gallego-Schmid, A.; Haro, P.; Azapagic, A. Environmental assessment of thermo-chemical processes for bio-ethylene production in comparison with bio-chemical and fossil-based ethylene. J. Clean. Prod. 2018, 202, 817–829. [Google Scholar] [CrossRef]
- Bare, J. TRACI 2.0: The tool for the reduction and assessment of chemical and other environmental impacts 2.0. Clean Technol. Environ. Policy 2011, 13, 687–696. [Google Scholar] [CrossRef]
- Barrett, W.M.; Van Baten, J.; Martin, T.M. Implementation of the waste reduction (WAR) algorithm utilizing flowsheet monitoring. Comput. Chem. Eng. 2011, 35, 2680–2686. [Google Scholar] [CrossRef]
- Fortier, M.-O.P.; Roberts, G.W.; Stagg-Williams, S.M.; Sturm, B.S. Life cycle assessment of bio-jet fuel from hydrothermal liquefaction of microalgae. Appl. Energy 2014, 122, 73–82. [Google Scholar] [CrossRef]
- Moreno-Sader, K.; Meramo-Hurtado, S.I.; González-Delgado, Á.D. Computer-aided environmental and exergy analysis as decision-making tools for selecting bio-oil feedstocks. Renew. Sustain. Energy Rev. 2019, 112, 42–57. [Google Scholar] [CrossRef]
- Alonso-Fariñas, B.; Oliva, A.; Rodríguez-Galán, M.; Esposito, G.; Martin, J.F.G.; Rodríguez-Gutiérrez, G.; Serrano, A.; Fermoso, F. Environmental Assessment of Olive Mill Solid Waste Valorization via Anaerobic Digestion Versus Olive Pomace Oil Extraction. Processes 2020, 8, 626. [Google Scholar] [CrossRef]
- Niño-López, L.; Cárdenas, A.A.; Zambrano, R.G. Evaluation of Chemical Pretreatments for Enzymatic Hydrolysis of Lignocellulosic Residues Cassava (Manihot Esculenta Crantz). Available online: http://www.scielo.org.co/scielo.php?script=sci_arttext&pid=S0120-62302013000400025&lng=en&nrm=iso&tlng=es (accessed on 15 July 2020).
- Igbinadolor, R.O.; Onilude, A.A. Bioprocess systems applied for the production of bio-ethanol from lignocellulosic biomass of cocoa pod husk (Theobroma cacao L.) and other agricultural residues: A review. Afr. J. Biotechnol. 2013, 12, 5375–5388. [Google Scholar] [CrossRef]
- Meramo-Hurtado, S.I.; Sanchez-Tuiran, E.; Ponce-Ortega, J.M.; El-Halwagi, M.M.; Ojeda-Delgado, K.A. Synthesis and Sustainability Evaluation of a Lignocellulosic Multifeedstock Biorefinery Considering Technical Performance Indicators. ACS Omega 2020, 5, 9259–9275. [Google Scholar] [CrossRef]
- Li, M.; Cao, S.; Meng, X.; Studer, M.H.; Wyman, C.E.; Ragauskas, A.J.; Pu, Y. The effect of liquid hot water pretreatment on the chemical–structural alteration and the reduced recalcitrance in poplar. Biotechnol. Biofuels 2017, 10, 237. [Google Scholar] [CrossRef] [PubMed]
- Lodi, G.U.; De Guido, G.; Pellegrini, L.A. Simulation and energy analysis of the ABE fermentation integrated with gas stripping. Biomass-Bioenergy 2018, 116, 227–235. [Google Scholar] [CrossRef]
- Qing, Q.; Yang, B.; Wyman, C.E. Xylooligomers are strong inhibitors of cellulose hydrolysis by enzymes. Bioresour. Technol. 2010, 101, 9624–9630. [Google Scholar] [CrossRef] [PubMed]
- Niglio, S.; Marzocchella, A.; Rehmann, L. Clostridial conversion of corn syrup to Acetone-Butanol-Ethanol (ABE) via batch and fed-batch fermentation. Heliyon 2019, 5, e01401. [Google Scholar] [CrossRef] [PubMed]
- Kaymak, D.B. A novel process design for biobutanol purification from ABE fermentation. Chem. Eng. Trans. 2018, 69, 445–450. [Google Scholar]
- Liu, Q.; Li, W.; Ma, Q.; An, S.; Li, M.; Jameel, H.; Chang, H.-M. Pretreatment of corn stover for sugar production using a two-stage dilute acid followed by wet-milling pretreatment process. Bioresour. Technol. 2016, 211, 435–442. [Google Scholar] [CrossRef]
- De Jong, E.; Gosselink, R.J. Lignocellulose-Based Chemical Products. Bioenerg. Res. Adv. Appl. 2014, 277–313. [Google Scholar] [CrossRef]
- Luo, L.; Van Der Voet, E.; Huppes, G. Biorefining of lignocellulosic feedstock—Technical, economic and environmental considerations. Bioresour. Technol. 2010, 101, 5023–5032. [Google Scholar] [CrossRef]
- Meramo-Hurtado, S.I.; Ojeda, K.A.; Sanchez-Tuiran, E. Environmental and Safety Assessments of Industrial Production of Levulinic Acid via Acid-Catalyzed Dehydration. ACS Omega 2019, 4, 22302–22312. [Google Scholar] [CrossRef]
- Wooley, R.; Ruth, M.; Sheehan, J.; Majdeski, H.; Galvez, A. Lignocellulosic Biomass to Ethanol Process Design and Economics Utilizing Co-Current Dilute Acid Prehydrolysis and Enzymatic Hydrolysis Current and Futuristic Scenarios Lignocellulosic Biomass to Ethanol Process Design and Economics Utilizing Co-Current, D. Contract. Available online: http://devafdc.nrel.gov/pdfs/3957.pdf (accessed on 15 July 2020).
- Kumar, D.; Murthy, G.S. Impact of pretreatment and downstream processing technologies on economics and energy in cellulosic ethanol production. Biotechnol. Biofuels 2011, 4, 27. [Google Scholar] [CrossRef]
- Wooley, R.; Putsche, V. Development of an ASPEN PLUS Physical Property Database for Biofuels Components. (No. NREL/TP-425-20685); National Renewable Energy Lab.: Golden, CO, USA, 1996.
- Jacquet, N.; Maniet, G.; Vanderghem, C.; Delvigne, F.; Richel, A. Application of Steam Explosion as Pretreatment on Lignocellulosic Material: A Review. Ind. Eng. Chem. Res. 2015, 54, 2593–2598. [Google Scholar] [CrossRef]
- Millat, T.; Winzer, K. Mathematical modelling of clostridial acetone-butanol-ethanol fermentation. Appl. Microbiol. Biotechnol. 2017, 101, 2251–2271. [Google Scholar] [CrossRef] [PubMed]
- Qureshi, N.; Saha, B.C.; Cotta, M.A.; Singh, V. An economic evaluation of biological conversion of wheat straw to butanol: A biofuel. Energy Convers. Manag. 2013, 65, 456–462. [Google Scholar] [CrossRef]
- Lin, Z.; Liu, H.; Yan, X.; Zhou, Y.; Cheng, K.-K.; Zhang, J. High-efficiency acetone-butanol-ethanol production and recovery in non-strict anaerobic gas-stripping fed-batch fermentation. Appl. Microbiol. Biotechnol. 2017, 101, 8029–8039. [Google Scholar] [CrossRef] [PubMed]
- Paniagua-García, A.I.; Hijosa-Valsero, M.; Díez-Antolínez, R.; Sánchez, M.E.; Coca, M. Enzymatic hydrolysis and detoxification of lignocellulosic biomass are not always necessary for ABE fermentation: The case of Panicum virgatum. Biomass Bioenerg. 2018, 116, 131–139. [Google Scholar] [CrossRef]
- Martínez-Moreno, R.; Morales, P.; Gonzalez, R.; Mas, A.; Beltran, G. Biomass production and alcoholic fermentation performance of Saccharomyces cerevisiae as a function of nitrogen source. FEMS Yeast Res. 2012, 12, 477–485. [Google Scholar] [CrossRef]
- Haigh, K.; Petersen, A.M.; Gottumukkala, L.; Mandegari, M.A.; Naleli, K.; Görgens, J. Simulation and comparison of processes for biobutanol production from lignocellulose via ABE fermentation. Biofuels Bioprod. Biorefining 2018, 12, 1023–1036. [Google Scholar] [CrossRef]
- Sarchami, T.; Munch, G.; Johnson, E.; Kießlich, S.; Rehmann, L. A Review of Process-Design Challenges for Industrial Fermentation of Butanol from Crude Glycerol by Non-Biphasic Clostridium pasteurianum. Fermentation 2016, 2, 13. [Google Scholar] [CrossRef]
- Friedl, A. Downstream process options for the ABE fermentation. FEMS Microbiol. Lett. 2016, 363. [Google Scholar] [CrossRef]
- Kaymak, D.B. Design and Control of an Alternative Process for Biobutanol Purification from ABE Fermentation. Ind. Eng. Chem. Res. 2019, 58, 1957–1965. [Google Scholar] [CrossRef]
- Lodi, G. Pellegrini LA. Recovery of Butanol from ABE Fermentation Broth by Gas Stripping. Chem. Eng. Trans. 2016, 49, 13–18. [Google Scholar]
- Da Silva, A.R.G.; Giuliano, A.; Errico, M.; Rong, B.-G.; Barletta, D. Economic value and environmental impact analysis of lignocellulosic ethanol production: Assessment of different pretreatment processes. Clean Technol. Environ. Policy 2019, 21, 637–654. [Google Scholar] [CrossRef]
- Kang, Q.; Huybrechts, J.; Van Der Bruggen, B.; Baeyens, J.; Tan, T.; Dewil, R. Hydrophilic membranes to replace molecular sieves in dewatering the bio-ethanol/water azeotropic mixture. Sep. Purif. Technol. 2014, 136, 144–149. [Google Scholar] [CrossRef]
- Meramo-hurtado, S.I.; Gonza, A.D.; Rehmann, L.; Quin, E.; Mehrvar, M. Comparison of Biobutanol Production Pathways via Acetone—Butanol—Ethanol Fermentation Using a Sustainability Exergy-Based Metric. ACS Omega 2020, 5, 18710–18730. [Google Scholar] [CrossRef] [PubMed]
- Meramo-Hurtado, S.; Ojeda-Delgado, K.; Sanchez-Tuiran, E. Exergy analysis of bioethanol production from rice residues. Contemp. Eng. Sci. 2018, 11, 467–474. [Google Scholar] [CrossRef]
- Luthfi, A.A.I.; Jahim, J.M.; Harun, S.; Tan, J.P.; Mohammad, A.W. Biorefinery approach towards greener succinic acid production from oil palm frond bagasse. Process. Biochem. 2016, 51, 1527–1537. [Google Scholar] [CrossRef]
- Fu, N.; Peiris, P.; Markham, J.; Bavor, J. A novel co-culture process with Zymomonas mobilis and Pichia stipitis for efficient ethanol production on glucose/xylose mixtures. Enzym. Microb. Technol. 2009, 45, 210–217. [Google Scholar] [CrossRef]
- Shanmugam, S.; Balasubramaniyan, B.; Jayaraman, J.; Ramanujam, P.K.; Gurunathan, B. Simultaneous saccharification and fermentation of bioethanol from softwood moringa oleifera using thermo-tolerant yeast kluyveromyces marxianus MTCC 1388. Int. J. ChemTech Res. 2014, 6, 5118–5124. [Google Scholar]
- Buruiană, C.-T.; Vizireanu, C.; Garrote, G.; Parajó, J. Optimization of corn stover biorefinery for coproduction of oligomers and second generation bioethanol using non-isothermal autohydrolysis. Ind. Crop. Prod. 2014, 54, 32–39. [Google Scholar] [CrossRef]
- Afzal, S.; Sengupta, D.; Sarkar, A.; El-Halwagi, M.M.; Elbashir, N. Optimization Approach to the Reduction of CO2 Emissions for Syngas Production Involving Dry Reforming. ACS Sustain. Chem. Eng. 2018, 6, 7532–7544. [Google Scholar] [CrossRef]
- González-Delgado, Á.D.; Kafarov, V. Microalgae based biorefinery: Issues to consider. CT&F—Ciencia, Tecnología y Futuro 2011, 4, 5–21. [Google Scholar] [CrossRef]
- Olajuyin, A.M.; Yang, M.; Liu, Y.; Mu, T.; Tian, J.; Adaramoye, O.A.; Xing, J. Efficient production of succinic acid from Palmaria palmata hydrolysate by metabolically engineered Escherichia coli. Bioresour. Technol. 2016, 214, 653–659. [Google Scholar] [CrossRef] [PubMed]
- Zondervan, E.; Nawaz, M.; De Haan, A.B.; Woodley, J.M.; Gani, R. Optimal design of a multi-product biorefinery system. Comput. Chem. Eng. 2011, 35, 1752–1766. [Google Scholar] [CrossRef]
- USEPA. Waste Reduction Algorithm: Chemical Process Simulation for Waste Reduction. Available online: https://www.epa.gov/chemical-research/waste-reduction-algorithm-chemical-process-simulation-waste-reduction (accessed on 15 July 2020).
- Young, U.M.; Cabezas, H. Designing sustainable processes with simulation: The waste reduction (WAR) algorithm. Comput. Chem. Eng. 1999, 23, 1477–1491. [Google Scholar] [CrossRef]
- Moreno-Sader, K.; Meramo-Hurtado, S.; González-Delgado, Á.D. Environmental sustainability analysis of chitosan microbeads production for pharmaceutical applications via computer-aided simulation, WAR and TRACI assessments. Sustain. Chem. Pharm. 2020, 15, 100212. [Google Scholar] [CrossRef]
- Young, D.M.; Scharp, R.; Cabezas, H. The waste reduction (WAR) algorithm: Environmental impacts, energy consumption, and engineering economics. Waste Manag. 2000, 20, 605–615. [Google Scholar] [CrossRef]
- Leong, C.T.; Shariff, A.M. Process route index (PRI) to assess level of explosiveness for inherent safety quantification. J. Loss Prev. Process. Ind. 2009, 22, 216–221. [Google Scholar] [CrossRef]
- Ruiz-Mercado, G.J.; Smith, R.L.; Gonzalez, M.A. Sustainability Indicators for Chemical Processes: I. Taxonomy. Ind. Eng. Chem. Res. 2012, 51, 2309–2328. [Google Scholar] [CrossRef]
- Muse, J.K.; Allen, A. Energy Analysis of Butanol Extraction Using Supercritical Carbon Dioxide. Worcester Polytechnic Institute. 2017. Available online: https://digitalcommons.wpi.edu/mqp-all/3282 (accessed on 15 July 2020).
- Darkwah, K.; Nokes, S.E.; Seay, J.; Knutson, B.L. Mechanistic simulation of batch acetone–butanol–ethanol (ABE) fermentation with in situ gas stripping using Aspen Plus™. Bioprocess Biosyst. Eng. 2018, 41, 1283–1294. [Google Scholar] [CrossRef]
- Cogollo-Herrera, K.; Bonfante-Álvarez, H.; De Ávila-Montiel, G.; Barros, A.H.; González-Delgado, Á.D. Techno-economic sensitivity analysis of large scale chitosan production process from shrimp shell wastes. Chem. Eng. Trans. 2018, 70, 2179–2184. [Google Scholar]
- Qi, M.; Zhu, J.; Xu, J.; Zhao, D.; Liu, Y. Investigation of Inherently Safer Design Through Process Intensification: Novel Safety Assessment Methodology and Case Study in C3–Alkyne Hydrogenation Distillation Process. Ind. Eng. Chem. Res. 2019, 58, 4866–4880. [Google Scholar] [CrossRef]
- Čuček, L.; Dong, X.; Klemeš, J.J.; Kravanja, Z. Total footprints-based multi-criteria optimisation of regional biomass energy supply chains. Energy 2012, 44, 135–145. [Google Scholar] [CrossRef]
- Al-Otaibi, M.; El-Halwagi, M.M. Targeting Techniques for Enhancing Process Yield. Chem. Eng. Res. Des. 2006, 84, 943–951. [Google Scholar] [CrossRef]
- Meramo-Hurtado, S.I.; Urbina-Suaréz, N.; González-Delgado, Á.D. Computer-aided environmental and exergy analyses of a large-scale production of chitosan microbeads modified with TiO2 nanoparticles. J. Clean. Prod. 2019, 237. [Google Scholar] [CrossRef]
- Abas, M.R.B.; Mohamad, S. Hazardous (organic) air pollutants. In Encyclopedia of Environmental Health; Elsevier: Amsterdam, The Netherlands, 2019; pp. 405–416. [Google Scholar]
- Meramo, S. Evaluacion ambiental de una biorrefineria para produccion de maiz. Ahead-Adelante 2016, 7, 40–46. [Google Scholar]
- Moreno-Sader, K.; Alarcón-Suesca, C.; González-Delgado, Á.D. Application of environmental and hazard assessment methodologies towards the sustainable production of crude palm oil in North-Colombia. Sustain. Chem. Pharm. 2020, 15, 100221. [Google Scholar] [CrossRef]

















| Component | Formula | Cassava Waste | Banana Rachis |
|---|---|---|---|
| Cellulose | C6H10O5 | 0.40 | 0.42 |
| Hemicellulose | C5H8O4 | 0.13 | 0.13 |
| Lignin | C7.3H13.9O1.3 | 0.12 | 0.12 |
| Water | H2O | 0.24 | 0.19 |
| Ash | CaO | 0.05 | 0.05 |
| Acetate | [C2H3O2]- | 0.05 | 0.10 |
| Stage | Reaction | Yield | Ref. |
|---|---|---|---|
| Pretreatment | 0.07 | [34] | |
| 0.90 | |||
| 0.05 | |||
| 1.00 | |||
| 0.05 | |||
| Enzymatic hydrolysis | 0.90 | [30] | |
| ABE fermentation | 0.50 | [48] | |
| 0.28 | |||
| 0.05 | |||
| 0.10 | |||
| 0.07 | |||
| 0.50 | |||
| 0.30 | |||
| 0.15 | |||
| 0.01 |
| Unit | Operation | Reaction | Value |
|---|---|---|---|
| GS-1 | Gas stripping | Number of stages | 8 |
| Reflux ratio | 1.5 | ||
| Condenser | Partial-vapor | ||
| Feed stage | 2 | ||
| Gas-feed stage | 7 | ||
| Condenser pressure | 1 atm | ||
| DT-1 | Double-effect distillation | Number of stages | 15 |
| Reflux ratio | 1.5 | ||
| Condenser | Partial-vapor | ||
| Feed stage | 2 | ||
| Distillate rate | 3793 kg/h | ||
| Condenser pressure | 1 atm | ||
| DT-2 | Double-effect distillation | Number of stages | 15 |
| Reflux ratio | 2.5 | ||
| Condenser | Partial-vapor | ||
| Feed stage | 7 | ||
| Distillate rate | 740 kg/h | ||
| Condenser pressure | 0.7 atm | ||
| DT-3 | Double-effect distillation | Number of stages | 25 |
| Reflux ratio | 10 | ||
| Condenser | Partial-vapor | ||
| Feed stage | 7 | ||
| Distillate rate | 280 kg/h | ||
| Condenser pressure | 0.3 atm | ||
| DT-4 | Double-effect distillation | Number of stages | 8 |
| Reflux ratio | 2 | ||
| Condenser | Partial-vapor | ||
| Feed stage | 4 | ||
| Distillate rate | 670 kg/h | ||
| Condenser pressure | 0.5 atm |
| Variable | 1 | 24 | 37 | 42 | 44 | 60 | 62 | 69 |
|---|---|---|---|---|---|---|---|---|
| Temperature (°C) | 28.00 | 50.0 | 30.4 | 35.0 | 35.0 | 35.0 | 30.0 | 28.0 |
| Pressure (bar) | 1.01 | 1.0 | 1.0 | 1.0 | 1.0 | 1.0 | 1.0 | 1.0 |
| Enthalpy Flow (Gcal/h) | −26.81 | −3.7 | −93.4 | −154.1 | −161.0 | −0.6 | −0.5 | −1.5 |
| Mole Flows (kmol/h) | 240.74 | 71.5 | 1371.2 | 2261.7 | 2483.1 | 9.7 | 7.3 | 18.9 |
| Mass Flows (kg/h) | 12,809 | 2910 | 29,871 | 47,584 | 49,084 | 546.3 | 280.0 | 1305 |
| Mass fraction of components | ||||||||
| Water | 0.174 | 0.131 | 0.750 | 0.803 | 0.803 | 0.008 | 0.136 | 0.024 |
| Lignin | 0.141 | 0.025 | 0.000 | 0.000 | 0.000 | 0.000 | 0.000 | 0.000 |
| Cellulose | 0.435 | 0.000 | 0.000 | 0.000 | 0.000 | 0.000 | 0.000 | 0.000 |
| Hemicellulose | 0.141 | 0.000 | 0.000 | 0.000 | 0.000 | 0.000 | 0.000 | 0.000 |
| Ash | 0.054 | 0.191 | 0.000 | 0.000 | 0.000 | 0.000 | 0.000 | 0.000 |
| Xylose | 0.000 | 0.507 | 0.000 | 0.031 | 0.001 | 0.000 | 0.000 | 0.000 |
| Ethanol | 0.000 | 0.000 | 0.000 | 0.000 | 0.005 | 0.024 | 0.851 | 0.000 |
| Glucose | 0.000 | 0.000 | 0.174 | 0.000 | 0.000 | 0.006 | 0.000 | 0.000 |
| Cell biomass | 0.000 | 0.000 | 0.000 | 0.000 | 0.056 | 0.000 | 0.000 | 0.000 |
| Calcium hydroxide | 0.000 | 0.119 | 0.000 | 0.117 | 0.000 | 0.000 | 0.000 | 0.000 |
| Acetic acid | 0.000 | 0.000 | 0.000 | 0.000 | 0.010 | 0.000 | 0.000 | 0.000 |
| Acetate | 0.054 | 0.000 | 0.000 | 0.000 | 0.000 | 0.000 | 0.000 | 0.000 |
| Carbon Dioxide | 0.000 | 0.000 | 0.000 | 0.000 | 0.074 | 0.005 | 0.000 | 0.000 |
| Butanol | 0.000 | 0.000 | 0.000 | 0.000 | 0.030 | 0.000 | 0.013 | 0.964 |
| Acetone | 0.000 | 0.027 | 0.000 | 0.002 | 0.014 | 0.962 | 0.000 | 0.000 |
| Hydrogen | 0.000 | 0.000 | 0.000 | 0.000 | 0.002 | 0.000 | 0.000 | 0.000 |
| Butyric acid | 0.000 | 0.001 | 0.000 | 0.000 | 0.005 | 0.000 | 0.000 | 0.011 |
| Variable | 1 | 2 | 15 | 27 | 46 | 59 | 76 | 83 |
|---|---|---|---|---|---|---|---|---|
| Temperature (°C) | 28 | 28 | 166.85 | 50 | 30 | 30 | 4 | 28 |
| Pressure (bar) | 1.01 | 1.01 | 1.01 | 1.01 | 1.01 | 1.01 | 1.01 | 1.01 |
| Enthalpy Flow (Gcal/h) | −16.79 | −61.38 | −39.59 | −13.43 | −99.2 | −295.04 | −13.14 | −3.3 |
| Mole Flows (kmol/h) | 155.56 | 552.09 | 220.47 | 246.21 | 1,451.99 | 4,300 | 129.1 | 49.48 |
| Mass Flows (kg/h) | 7873.3 | 28,930.4 | 23,842.2 | 10,350.6 | 30,824.3 | 92,043.7 | 13,865.7 | 2277.9 |
| Water | 0.189 | 0.174 | 0.009 | 0.121 | 0.827 | 0.776 | 0.018 | 0.000 |
| Lignin | 0.119 | 0.141 | 0.205 | 0.024 | 0.000 | 0.000 | 0.000 | 0.000 |
| Cellulose | 0.417 | 0.435 | 0.619 | 0.000 | 0.000 | 0.000 | 0.000 | 0.000 |
| Hemicellulose | 0.129 | 0.141 | 0.011 | 0.000 | 0.000 | 0.000 | 0.000 | 0.000 |
| Ash | 0.047 | 0.054 | 0.036 | 0.187 | 0.001 | 0.000 | 0.000 | 0.000 |
| Xylose | 0.000 | 0.000 | 0.096 | 0.502 | 0.135 | 0.000 | 0.000 | 0.000 |
| Ethanol | 0.000 | 0.000 | 0.000 | 0.000 | 0.000 | 0.000 | 0.000 | 1.000 |
| Glucose | 0.000 | 0.000 | 0.023 | 0.119 | 0.032 | 0.161 | 0.000 | 0.000 |
| Furfural | 0.000 | 0.000 | 0.000 | 0.001 | 0.000 | 0.000 | 0.000 | 0.000 |
| Sulfuric acid | 0.000 | 0.000 | 0.001 | 0.000 | 0.000 | 0.000 | 0.000 | 0.000 |
| Gypsum | 0.000 | 0.000 | 0.000 | 0.027 | 0.000 | 0.000 | 0.000 | 0.000 |
| Calcium hydroxide | 0.000 | 0.000 | 0.000 | 0.019 | 0.005 | 0.000 | 0.000 | 0.000 |
| Acetic acid | 0.000 | 0.000 | 0.001 | 0.000 | 0.000 | 0.000 | 0.000 | 0.000 |
| Succinic acid | 0.000 | 0.000 | 0.000 | 0.000 | 0.000 | 0.000 | 0.982 | 0.000 |
| Cellulase | 0.000 | 0.000 | 0.000 | 0.000 | 0.000 | 0.062 | 0.000 | 0.000 |
| Acetate | 0.099 | 0.054 | 0.000 | 0.000 | 0.000 | 0.000 | 0.000 | 0.000 |
| Unit | Operation | Reaction | Value |
|---|---|---|---|
| DT-1 | Double-effect distillation | Number of stages | 6 |
| Reflux ratio | 1.5 | ||
| Condenser | Partial-Vapor | ||
| Feed stage | 2 | ||
| Distillate rate | 2800 kg/h | ||
| Condenser pressure | 1 atm | ||
| DT-2 | Double-effect distillation | Number of stages | 14 |
| Reflux ratio | 5 | ||
| Condenser | Partial-Vapor | ||
| Feed stage | 7 | ||
| Distillate rate | 2650 kg/h | ||
| Condenser pressure | 1 atm | ||
| DT-3 | Double-effect distillation | Number of stages | 7 |
| Reflux ratio | 1.5 | ||
| Condenser | Partial-Vapor | ||
| Feed stage | 2 | ||
| Distillate rate | 950 kg/h | ||
| Condenser pressure |
| Stage | Reaction | Yield | Ref. |
|---|---|---|---|
| Pretreatment | 0.07 | [32] | |
| 0.90 | |||
| 0.05 | |||
| 1.00 | |||
| 0.05 | |||
| Enzymatic hydrolysis | 0.90 | ||
| C5 Fermentation | 0.85 | [30] | |
| 0.003 | |||
| 0.009 | |||
| 0.014 | |||
| 0.002 | |||
| 0.95 | |||
| 0.004 | |||
| 0.006 | |||
| 0.015 | |||
| 0.02 | |||
| C6 Fermentation | 0.70 | ||
| 0.10 | |||
| 0.15 | |||
| 0.01 |
| Category | Symbol | Equation |
|---|---|---|
| Toxicological | ||
| Human toxicity by ingestion | HTPI | |
| Human toxicity by dermal exposure | HTPE | |
| Aquatic toxicity potential | ATP | |
| Terrestrial toxicity potential | TTP | |
| Atmospherical | ||
| Global warming potential | GWP | |
| Ozone depletion potential | ODP | |
| Photochemical oxidation potential | PCOP | |
| Acidification potential | AP | |
| Technical Parameter | Topology 1 | Topology 2 |
|---|---|---|
| Energy consumed (GJ/h) | 525.27 | 1138.76 |
| Resource energy efficiency (%) | 12.38 | 20.43 |
| Product(s) Yield (%) | 16.64 | 43.86 |
| Total product flow (kg/h) | 2130.99 | 16,143.67 |
| Total material consumption (kg) | 120,150.04 | 284,758.03 |
| Total water consumption (m3/h) | 74,628.70 | 221,398.02 |
© 2020 by the authors. Licensee MDPI, Basel, Switzerland. This article is an open access article distributed under the terms and conditions of the Creative Commons Attribution (CC BY) license (http://creativecommons.org/licenses/by/4.0/).
Share and Cite
Meramo-Hurtado, S.I.; Puello, P.; Rodríguez, J. Computer-Aided Environmental Assessment Applied for Estimation of Ecological Impacts Derived from Topological Pathways Based on Lignocellulosic Biomass Transformation. Appl. Sci. 2020, 10, 6586. https://doi.org/10.3390/app10186586
Meramo-Hurtado SI, Puello P, Rodríguez J. Computer-Aided Environmental Assessment Applied for Estimation of Ecological Impacts Derived from Topological Pathways Based on Lignocellulosic Biomass Transformation. Applied Sciences. 2020; 10(18):6586. https://doi.org/10.3390/app10186586
Chicago/Turabian StyleMeramo-Hurtado, Samir Isaac, Plinio Puello, and Julio Rodríguez. 2020. "Computer-Aided Environmental Assessment Applied for Estimation of Ecological Impacts Derived from Topological Pathways Based on Lignocellulosic Biomass Transformation" Applied Sciences 10, no. 18: 6586. https://doi.org/10.3390/app10186586
APA StyleMeramo-Hurtado, S. I., Puello, P., & Rodríguez, J. (2020). Computer-Aided Environmental Assessment Applied for Estimation of Ecological Impacts Derived from Topological Pathways Based on Lignocellulosic Biomass Transformation. Applied Sciences, 10(18), 6586. https://doi.org/10.3390/app10186586

