Fluctuation-Enhanced Sensing (FES): A Promising Sensing Technique
Abstract
Featured Application
Abstract
1. Introduction: Gas Sensing for Health Protection
2. Fluctuation Enhanced Sensing: A Powerful Sensing Technique
3. Fluctuation-Enhanced Gas Sensing: A Brief Historical Overview
4. Fundamental FES Resolution Limits
4.1. On the Sensitivity and Selectivity
4.2. Information Channel Capacity in Classical (Deterministic) Gas Sensors
4.3. Information Channel Capacity in Fluctuation-Enhanced (Stochastic) Sensing
5. Practical Sources of Errors
5.1. Turbulence and Convection
5.2. Ambient Air, Unknown Agents, and Humidity
5.3. Memory, Aging, Fabrication Variations
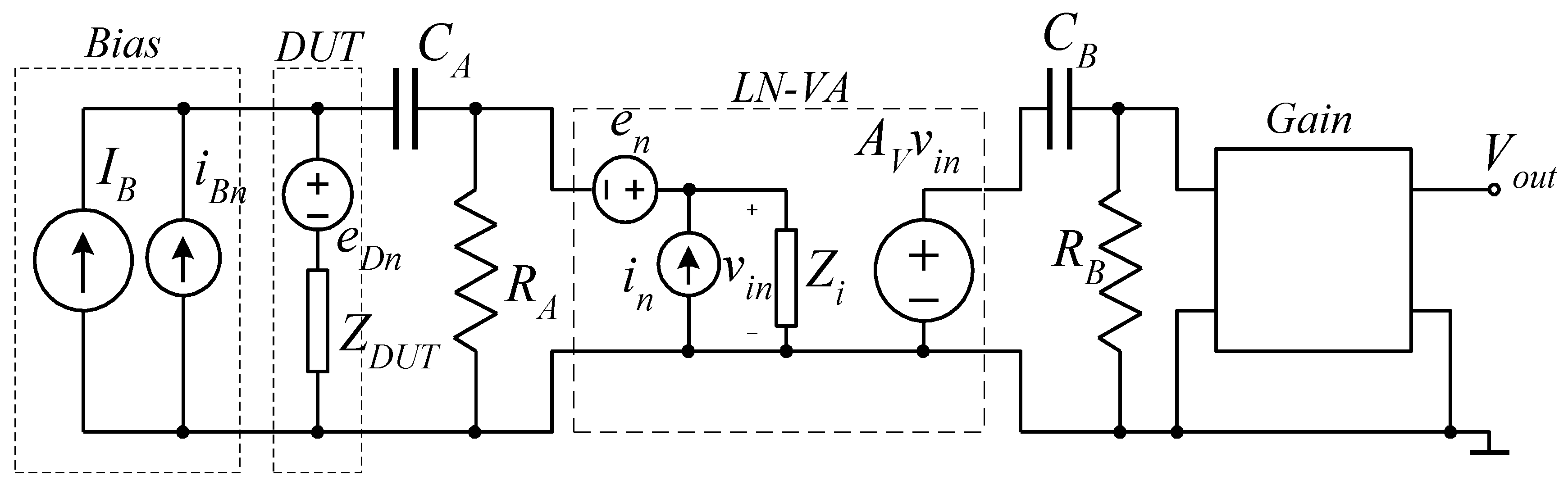
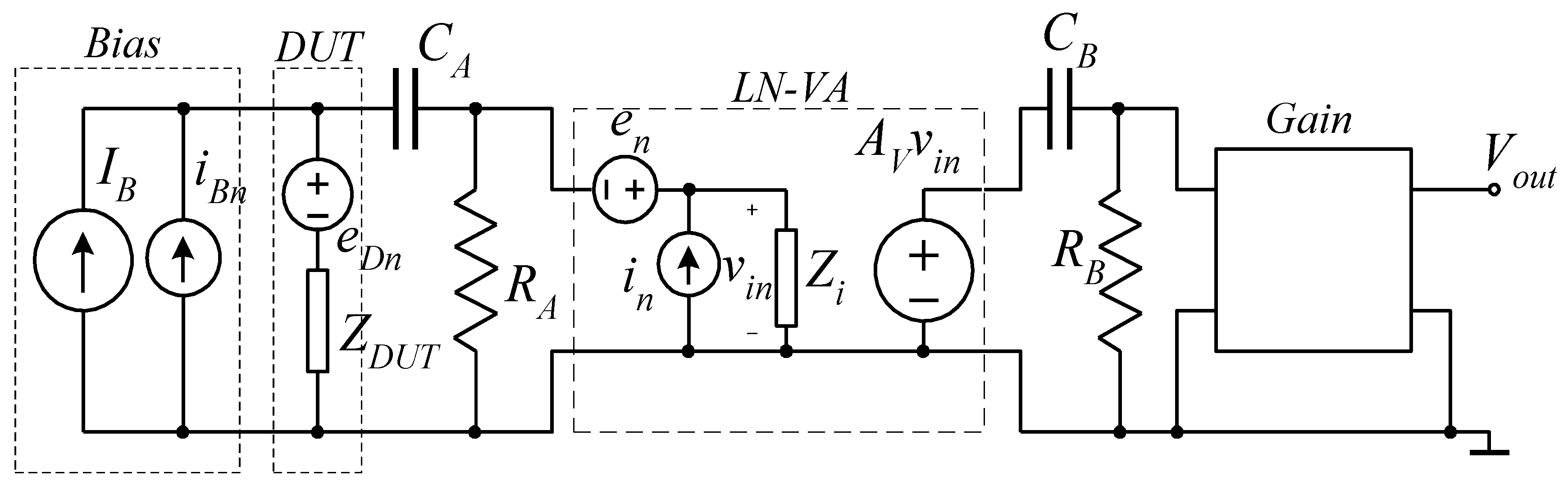
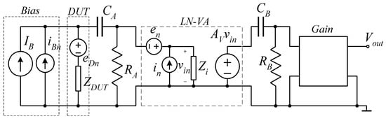
5.4. Measurement Circuitry Problems: Noise, Bandwidth
6. Reducing Errors and Enhancing the Sensory Information Channel Capacity
6.1. Photonic Excitation
UV Light Excitation Experiments and Results
- morphology of gas sensing layer, determining the depth of light penetration,
- irradiation intensity,
- the wavelengths of the UV light.
6.2. Temperature Variation Techniques
6.2.1. Sampling-and-Hold Measurement Technique
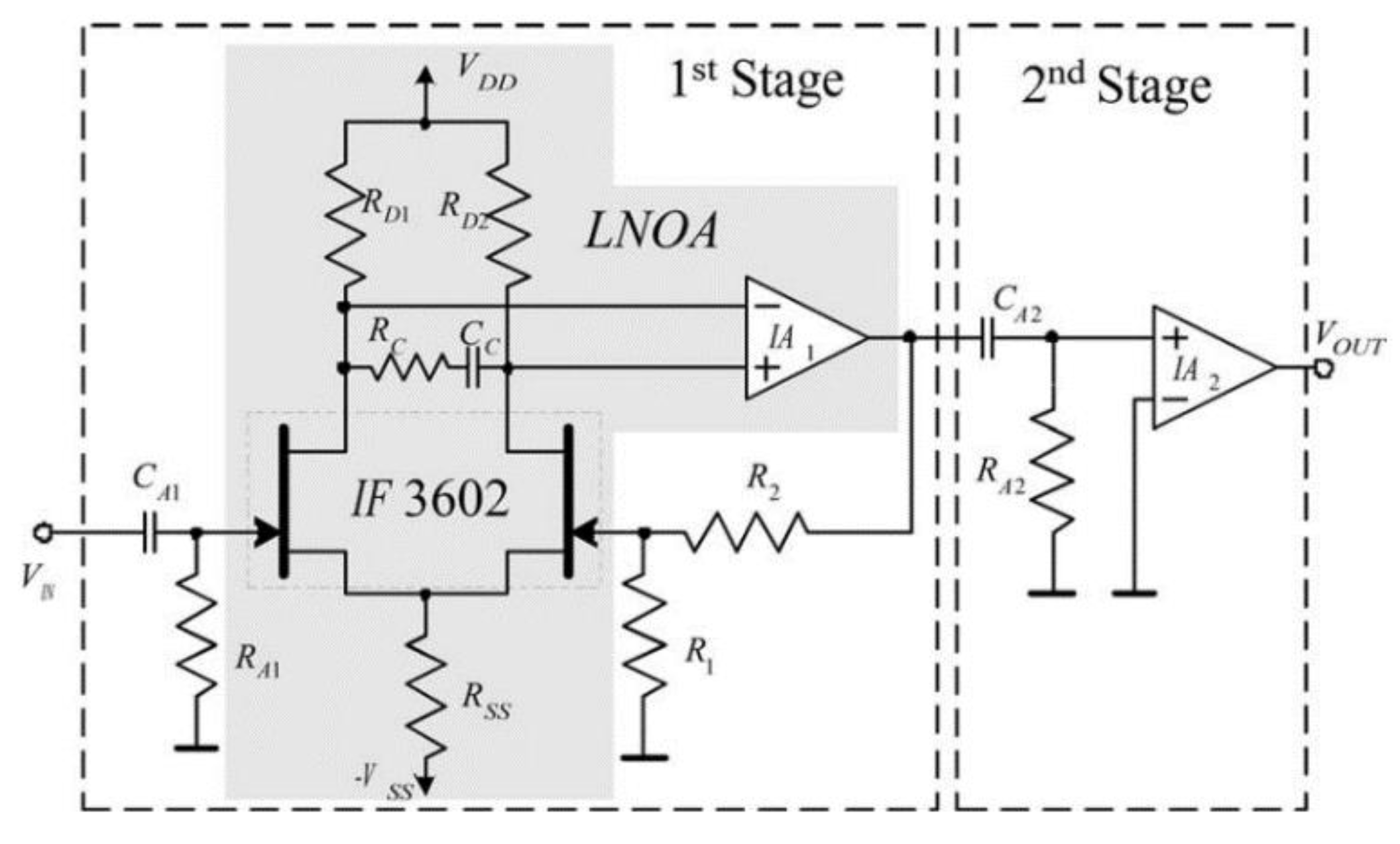
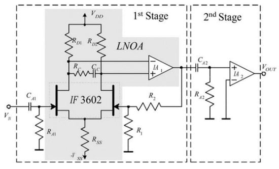
6.3. Dedicated Instrumentation
7. Conclusions
Author Contributions
Funding
Conflicts of Interest
References
- Ghaffarpasand, O.; Beddows, D.C.S.; Ropkins, K.; Pope, F.D. Real-world assessment of vehicle air pollutant emissions subset by vehicle type, fuel and EURO class: New findings from the recent UK EDAR field campaigns, and implications for emissions restricted zones. Sci. Total Environ. 2020, 734, 139416. [Google Scholar] [CrossRef]
- Wang, Y.; Zhao, Y.; Zhang, L.; Zhang, J.; Liud, Y. Modified regional biogenic VOC emissions with actual ozone stress and integrated land cover information: A case study in Yangtze River Delta, China. Sci. Total Environ. 2020, 727, 138703. [Google Scholar] [CrossRef]
- Collier-Oxandale, A.; Wong, N.; Navarro, S.; Johnston, J.; Hannigan, M. Using gas-phase air quality sensors to disentangle potential sources in a Los Angeles neighborhood. Atmos. Environ. 2020, 233, 117519. [Google Scholar] [CrossRef]
- Aguilar, C.M.Z.; Valdes-Manzanilla, A.; Margulis, R.B.; Meraz, E.D.A. Comparison between simulated SO2 concentrations using satellite emission data and Pemex emission inventories in Tabasco, Mexico. Environ. Monit. Assess. 2020, 192, 310. [Google Scholar] [CrossRef] [PubMed]
- Idrees, Z.; Zheng, L. Low cost air pollution monitoring systems: A review of protocols and enabling technologies. J. Ind. Inf. Integr. 2020, 17, 100123. [Google Scholar] [CrossRef]
- Leifer, I.; Melton, C.; Chatfield, R.; Cui, X.; Fischer, M.L.; Fladeland, M.; Gore, W.; Hlavka, D.L.; Iraci, L.T.; Marrero, J.; et al. Air pollution inputs to the Mojave Desert by fusing surface mobile and airborne in situ and airborne and satellite remote sensing: A case study of interbasin transport with numerical model validation. Atmos. Environ. 2020, 224, 117184. [Google Scholar] [CrossRef]
- Ministry of Environmental Protection. Ministry of Environmental Protection of the People’s Republic of China. Technical Regulation on Ambient Air Quality Index 2012. Available online: https://web.archive.org/web/20130820070548/http://kjs.mep.gov.cn/hjbhbz/bzwb/dqhjbh/jcgfffbz/201203/W020120410332725219541.pdf (accessed on 21 August 2020).
- United States Environmental Protection Agency. Air quality Index (AQI)—A Guide to Air Quality and Your Health. Available online: https://www3.epa.gov/airnow/aqi_brochure_02_14.pdf (accessed on 21 August 2020).
- Snyder, E.G.; Watkins, T.H.; Solomon, P.A.; Thomas, E.D.; Williams, R.W.; Hagler, G.S.; Shelow, D.; Hindin, D.A.; Kilaru, V.J.; Preuss, P.W. The changing paradigm of air pollution monitoring. Environ. Sci. Technol. 2013, 47, 11369–11377. [Google Scholar] [CrossRef] [PubMed]
- White, R.M.; Paprotny, I.; Doering, F.; Cascio, W.E.; Solomon, P.A.; Gundel, L.A. Sensors for community-based atmospheric monitoring EM: Air and Waste Management Association’s. Mag. Environ. Manag. 2012, 5, 36–40. [Google Scholar]
- Murota, K.; Hirade, K. GMSK Modulation for Digital Mobile Radio Telephony. IEEE Trans. Commun. 2001, 29, 1044–1050. [Google Scholar] [CrossRef]
- Raul, I.; Gabriel, V.; Septimiu, M. GPRS Based Data Acquisition and Analysis System with Mobile Phone. Control Meas. 2012, 45, 1462–1470. [Google Scholar]
- Brown, S.K.; Sim, M.R.; Abramson, M.J.; Gray, C.N. Concentrations of Volatile Organic Compounds in Indoor Air—A Review. Indoor Air 1994, 4, 123. [Google Scholar] [CrossRef]
- World Health Organization. Indoor Air Pollutants: Exposure and Health Effects; EURO Reports and Studies NO. 78; WHO Regional Office for Europe: Copenhagen, Denmark, 1983. [Google Scholar]
- Horvath, E.P. Building-related illness and sick building syndrome: From the specific to the vague. Clevel. Clin. J. Med. 1997, 64, 3031. [Google Scholar] [CrossRef] [PubMed]
- Silva, L.M. Air Distribution in Rooms, (ROOMVENT 2000); Awbi, H.B., Ed.; Elsevier Science: London, UK, 2000; p. 13. [Google Scholar]
- Li, F.; Cai, H.; Xu, J.; Zhang, K.; Feng, Q.; Wang, H. Gas distribution mapping for indoor environments based on laser absorption spectroscopy: Development of an improved tomographic algorithm. Build. Environ. 2020, 172, 106724. [Google Scholar] [CrossRef]
- Taguchi, N. Gas Detecting Element and Method of Making it. US Patent No. 3,644,795, 22 February 1972. [Google Scholar]
- Eranna, G.; Joshi, B.C.; Runthala, D.P.; Gupta, R.P. Oxide Materials for Development of Integrated Gas Sensors—A Comprehensive Review. Crit. Rev. Solid State Mater. Sci. 2004, 29, 111. [Google Scholar] [CrossRef]
- Lin, Y.; Fan, Z. Compositing strategies to enhance the performance of chemiresistive CO2 gas sensors. Mater. Sci. Semicond. Process. 2020, 107, 104820. [Google Scholar] [CrossRef]
- Lin, H.M.; Hsu, C.H.; Yang, H.Y.; Lee, P.Y.; Yang, C.C. Nanocrystalline WO3-based H2S sensors. Sens. Actuators B 1994, 22, 63. [Google Scholar] [CrossRef]
- Hoel, A. Electrical Properties of Nanocrystalline WO3 for Gas Sensing Applications. Ph.D. Thesis, Acta Universitatis Upsaliensis, Uppsala, Sweden, 2004. [Google Scholar]
- Wang, X.; Yee, S.S.; Carey, W.P. Transition between Neck-Controlled and Grain-Boundary-Controlled Sensitivity of Metal-Oxide Gas Sensors. Sens. Actuators B 1995, 25, 454. [Google Scholar] [CrossRef]
- Reyes, L.F.; Hoel, A.; Saukko, S.; Heszler, P.; Lantto, V.; Granqvist, C.G. Gas sensor response of pure and activated WO3 nanoparticle films made by advanced reactive gas deposition. Sens. Actuators B 2006, 117, 128. [Google Scholar] [CrossRef]
- Malik, R.; Tomer, V.K.; Mishra, Y.K.; Lin, L. Functional gas sensing nanomaterials: A panoramic view. Appl. Phys. Rev. 2020, 7, 021301. [Google Scholar] [CrossRef]
- Panayotova, M.; Panayotov, V.; Oliinyk, T. Gallium and indium nanomaterials for environmental protection. In Proceedings of the International Conference on Sustainable Futures: Environmental, Technological, Social and Economic Matters (ICSF 2020), Kryvyi Rih, Ukraine, 20–22 May 2020; E3S Web Conference 2020. Volume 166. [Google Scholar] [CrossRef]
- Gardner, J.W.; Bartlet, P.N. Electronic Noses: Principles and Applications; Oxford University Press: Oxford, UK, 1999. [Google Scholar]
- Hines, E.L.; Llobet, E.; Gardner, J.W. Electronic noses: A review of signal processing techniques. IEE Proc. Circuits Devices Syst. 1999, 146, 297. [Google Scholar] [CrossRef]
- Hayasaka, T.; Lin, A.; Copa, V.C.; Lopez, L.P., Jr.; Loberternos, R.A.; Ballesteros, L.I.M.; Kubota, Y.; Liu, Y.; Salvador, A.A.; Lin, L. An electronic nose using a single graphene FET and machine learning for water, methanol, and ethanol. Microsyst. Nanoeng. 2020, 6, 50. [Google Scholar] [CrossRef]
- Ionescu, R.; Hoel, A.; Granqvist, C.G.; Llobet, E.; Heszler, P. Low-level detection of ethanol and H2S with temperature- modulated WO3 nanoparticle gas sensors. Sens. Actuators B 2005, 104, 132. [Google Scholar] [CrossRef]
- Faleh, R.; Bedoui, S.; Kachouri, A. Review on Smart Electronic Nose coupled with Artificial Intelligence for Air Quality Monitoring. Adv. Sci. Technol. Eng. Syst. J. 2020, 5, 739–747. [Google Scholar] [CrossRef]
- Kish, L.B.; Schmera, G.; Kwan, C.; Smulko, J.; Heszler, P.; Granqvist, C.G. Fluctuation-enhanced sensing. Keynote Invited Talk. In Proceedings of the Conference on Noise in Materials, Devices and Circuits at SPIE’s Fourth International Symposium on Fluctuations and Noise (FaN’07), Florence, Italy, 20–24 May 2007. [Google Scholar]
- White, D.R.; Galleano, R.; Actis, A.; Brixy, H.; de Groot, M.; Dubbeldam, J.; Reesink, A.L.; Edler, F.; Sakurai, H.; Shepard, R.L.; et al. The status of Johnson noise thermometry. Metrologia 1996, 33, 325–335. [Google Scholar] [CrossRef]
- Ayhan, B.; Kwan, C.; Zhou, J.; Kish, L.B.; Benkstein, K.D.; Rogers, P.H.; Semancik, S. Fluctuation enhanced sensing (FES) with a nanostructured, semiconducting metal oxide film for gas detection and classification. Sens. Actuators B Chem. 2013, 188, 651–660. [Google Scholar] [CrossRef]
- Makra, P.; Topalian, Z.; Granqvist, C.G.; Kish, L.B.; Kwan, C. Accuracy versus speed in fluctuation-enhanced sensing. Fluct. Noise Lett. 2012, 11, 1250010. [Google Scholar] [CrossRef]
- Gingl, Z.; Kish, L.B.; Ayhan, B.; Kwan, C.; Granqvist, C.-G. Fluctuation-Enhanced Sensing with Zero-Crossing Analysis for High-Speed and Low-Power Applications. IEEE Sens. J. 2010, 10, 492–497. [Google Scholar] [CrossRef]
- Chang, H.C.; Kish, L.B.; King, M.D.; Kwan, C. Fluctuation-Enhanced Sensing of Bacterium Odors. Sens. Actuators B 2009, 142, 429–434. [Google Scholar] [CrossRef][Green Version]
- Kwan, C.; Schmera, G.; Smulko, J.; Kish, L.B.; Heszler, P.; Granqvist, C.G. Advanced agent identification at fluctuation-enhanced sensing. IEEE Sens. J. 2008, 8, 706–713. [Google Scholar] [CrossRef]
- Aroutiounian, M.; Mkhitaryan, Z.; Adamian, A.; Granqvist, C.-G.; Kish, L.B. Fluctuation-enhanced gas sensing. Procedia Chem. 2009, 1, 216–219. [Google Scholar] [CrossRef]
- Kish, L.B.; Schmera, G.; King, M.D.; Cheng, M.; Young, R.; Granqvist, C.G. Fluctuation-Enhanced Chemical/Biological Sensing and Prompt Identification of Bacteria by Sensing of Phage Triggered Ion Cascade (SEPTIC). Intern. J. High. Speed Electron. Syst. 2008, 18, 11–18. [Google Scholar] [CrossRef]
- Bruschi, P.; Cacialli, F.; Nannini, A.; Neri, B. Gas and vapour effects on the resistance fluctuation spectra of conducting polymer thin-film resistors. Sens. Actuators B 1994, 19, 421. [Google Scholar] [CrossRef]
- Bruschi, P.; Nannini, A.; Neri, B. Vapour and gas sensing by noise measurements on polymeric balanced bridge microstructures. Sens. Actuators B 1995, 25, 429. [Google Scholar] [CrossRef]
- Gottwald, P.; Kincses, Z.; Szentpali, B. Unsolved Problems of Noise (UPoN’96); Doering, C.R., Kiss, L.B., Shlesinger, M.F., Eds.; World Scientific: Singapore, 1997; p. 122. [Google Scholar]
- Kiss, L.B.; Granqvist, C.G.; Söderlund, J. Detection of Chemicals Based on Resistance Fluctuation Spectroscopy. Swedish Patent, Ser 9803019-0, 17 July 2000. [Google Scholar]
- Kiss, L.B.; Vajtai, R.; Granqvist, C.G. Unsolved Problems of Noise and Fluctuations. In Proceedings of the 2nd International Conference on Unsolved Problems of Noise (UPoN’99), Adelaide, Australia, 11–15 July 1999; American Institute of Physics: Melville, NY, USA, 2000; p. 463. [Google Scholar]
- Kish, L.B.; Vajtai, R.; Granqvist, C.-G. Extracting information from noise spectra of chemical sensors:single sensor electronic noses and tongues. Sens. Actuators B 2000, 71, 55. [Google Scholar] [CrossRef]
- Solis, J.L.; Kish, L.B.; Vajtai, R.; Granqvist, C.G.; Olsson, J.; Schnurer, J.; Lantto, V. Identifying natural and artificial odors through noise analysis with a sampling-and-hold electronic nose. Sens. Actuators B 2001, 77, 312. [Google Scholar] [CrossRef]
- Smulko, J.; Granqvist, C.G.; Kish, L.B. On the statistical analysis of noise in chemical sensors and its application for sensing. Fluct. Noise Lett. 2001, 1, L14722. [Google Scholar] [CrossRef]
- Smulko, J.; Ederth, J.; Kish, L.B.; Heszler, P.; Granqvist, C.G. Higher-order spectra in nanoparticle gas sensors. Fluct. Noise Lett. 2004, 4, L597. [Google Scholar] [CrossRef]
- Smulko, J.M.; Kish, L.B. Higher-Order Statistics for Fluctuation-Enhanced Gas-Sensing. Sens. Mater. 2004, 16, 291–299. [Google Scholar]
- Smulko, J.M.; Ederth, J.; Li, Y.; Kish, L.B.; Kennedy, M.K.; Kruis, F.E. Gas sensing by thermoelectric voltage fluctuations in SnO2 nanoparticle films. Sens. Actuators B 2005, 106, 708. [Google Scholar]
- Hoel, A.; Ederth, J.; Kopniczky, J.; Heszler, P.; Kish, L.B.; Olsson, E.; Granqvist, C.G. Conduction invasion noise in nanoparticle WO3/Au thin-film devices for gas sensing application. Smart Mater. Struct. 2002, 11, 640–644. [Google Scholar] [CrossRef]
- Schmera, G.; Kish, L.B. Fluctuation Enhanced Chemical Sensing by Surface Acoustic Wave Devices. Fluct. Noise Lett. 2002, 2, L117–L123. [Google Scholar] [CrossRef]
- Schmera, G.; Kish, L.B. Surface diffusion enhanced chemical sensing by surface acoustic waves. Sens. Actuators B 2003, 93, 159–163. [Google Scholar] [CrossRef]
- Solis, J.L.; Seeton, G.; Li, Y.; Kish, L.B. Fluctuation-Enhanced Sensing with Commercial Gas Sensors. Sens. Transducers Mag. 2003, 38, 59–66. [Google Scholar]
- Kish, L.B.; Li, Y.; Solis, J.L.; Marlow, W.H.; Vajtai, R.; Granqvist, C.G.; Lantto, V.; Smulko, J.M.; Schmera, G. Detecting harmful gases using fluctuation-enhanced sensing with Taguchi sensors. IEEE Sens. J. 2005, 5, 671. [Google Scholar] [CrossRef]
- Solis, J.L.; Seeton, G.E.; Li, Y.; Kish, L.B. Fluctuation-Enhanced Multiple-Gas Sensing. IEEE Sens. J. 2005, 5, 1338–1345. [Google Scholar] [CrossRef]
- Ederth, J.; Smulko, J.M.; Kish, L.B.; Heszler, P.; Granqvist, C.G. Comparison of classical and fluctuation-enhanced gas sensing with PdxWO3 nanoparticle films. Sens. Actuators B 2006, 113, 310–315. [Google Scholar] [CrossRef]
- Gomri, S.; Seguin, J.L.; Aguir, K. Modelling on oxygen–chemisorption—Induced noise in metallic oxide gas sensors. Sens. Actuators B 2005, 107, 722. [Google Scholar] [CrossRef]
- Gomri, S.; Seguin, J.L.; Guerin, J.; Aguir, K. Adsorption-desorption noise in gas sensors: Modelling using Langmuir and Wolkenstein models for adsorption. Sens. Actuators B 2006, 114, 451. [Google Scholar] [CrossRef]
- Gomri, S.; Seguin, J.; Contaret, T.; Fiorido, T.; Aguir, K. A Noise Spectroscopy-Based Selective Gas Sensing with MOX Gas Sensors. Fluct. Noise Lett. 2018, 17, 1850016. [Google Scholar] [CrossRef]
- Huang, G.H.; Deng, S.P. The conception, structure and techniques on the artificial taste system. Prog. Chem. 2006, 18, 494. [Google Scholar]
- Molnár, D.; Heszler, P.; Mingesz, R.; Gingl, Z.; Kukovecz, Á.; Kónya, Z.; Haspel, H.; Mohl, M.; Sápi, A.; Kiricsi, I.; et al. Increasing chemical selectivity of carbon nanotube-based sensors by fluctuation-enhanced sensing. Fluct. Noise Lett. 2010, 09, 277–287. [Google Scholar] [CrossRef]
- Kukovecz, A.; Heszler, P.; Kordás, K.; Roth, S.; Kónya, Z.; Haspel, H.; Ionescu, R.; Sápi, A.; Maklin, J.; Mohl, M.; et al. Improving the performance of functionalized carbon nanotube thin film sensors by fluctuation enhanced sensing. In Proceedings of the SPIE—The International Society for Optical Engineering, Carbon Nanotubes and Associated Devices, San Diego, CA, USA, 10–12 August 2008; Volume 7037. [Google Scholar] [CrossRef]
- Heszler, P.; Gingl, Z.; Mingesz, R.; Csengeri, A.; Haspel, H.; Kukovecz, A.; Kónya, Z.; Kiricsi, I.; Ionescu, R.; Mäklin, J.; et al. Drift effect of fluctuation enhanced gas sensing on carbon nanotube sensors. Phys. Status Solidi (B) Basic Res. 2008, 245, 2343–2346, Special Issue: Electronic Properties of Novel Materials: “Molecular nanostructures”. [Google Scholar] [CrossRef]
- Kukovecz, Á.; Molnár, D.; Kordás, K.; Gingl, Z.; Moilanen, H.; Mingesz, R.; Kónya, Z.; Mäklin, J.; Halonen, N.; Tóth, G.; et al. Carbon nanotube based sensors and fluctuation enhanced sensing. Phys. Status Solidi (C) Curr. Top. Solid State Phys. 2010, 7, 1217–1221. [Google Scholar] [CrossRef]
- Macucci, M.; Marconcini, P. Theoretical Comparison between the Flicker Noise Behavior of Graphene and of Ordinary Semiconductors. Hindawi J. Sens. 2020, 2020, 2850268. [Google Scholar] [CrossRef]
- Kuberský, P.; Sedlák, P.; Hamáček, A.; Nešpůrek, S.; Kuparowitz, T.; Šikula, J.; Majzner, J.; Sedlaková, V.; Grmela, L.; Syrový, T. Quantitative fluctuation-enhanced sensing in amperometric NO2 sensors. Chem. Phys. 2015, 456, 111–117. [Google Scholar] [CrossRef]
- Sedlak, P.; Kubersky, P.; Skarvada, P.; Hamacek, A.; Sedlakova, V.; Majzner, J.; Nespurek, S.; Sikula, J. Current fluctuation measurements of amperometric gas sensors constructed with three different technology procedures. Metrol. Meas. Syst. 2016, 23, 531–543. [Google Scholar] [CrossRef]
- Mingesz, R.; Gingl, Z.; Kukovecz, Á.; Kónya, Z.; Kordás, K.; Moilanen, H. Compact USB measurement and analysis system for real-time fluctuation enhanced sensing. In Proceedings of the 21st International Conference on Noise and Fluctuations, Toronto, ON, Canada, 12–16 June 2011. [Google Scholar]
- Gingl, Z.; Mingesz, R.; Vadai, G.; Balogh, K.S.; Erdélyi, Á. Fluctuation enhanced gas detector for wireless sensor networks. In Proceedings of the 22nd International Conference on Noise and Fluctuations (ICNF), Montpellier, France, 24–28 June 2013. [Google Scholar]
- Mingesz, R.; Makan, D.G.; Balogh, B.; Vadai, G.; Gingl, Z. IoT framework for Fluctuation Enhanced Sensing. In Proceedings of the 24st International Conference on Noise and Fluctuations (ICNF), Vilnius, Lithuania, 20–23 June 2017. [Google Scholar] [CrossRef]
- Kish, L.B.; Smulko, J.; Heszler, P.; Granqvist, C.G. On the sensitivity, selectivity, sensory information, and optimal size of resistive chemical sensors. Invited paper. Nanotechnol. Percept. 2007, 3, 43–52. [Google Scholar] [CrossRef]
- Kwan, C.; Ayhan, B.; Chen, G.; Chang, C.; Wang, J.; Ji, B. A Novel Approach for Spectral Unmixing, Classification, and Concentration Estimation of Chemical and Biological Agents. IEEE Trans. Geosci. Remote Sens. 2006, 44, 409–419. [Google Scholar] [CrossRef]
- Saletti, R. A comparison between two methods to generate 1/f γ noise. Proc. IEEE 1996, 74, 1595–1596. [Google Scholar] [CrossRef]
- Ciofi, C.; de Marines, M.; Neri, B. Ultralow-noise PC-based measurement system for the characterization of the metallization of integrated circuits. IEEE Trans. Instrum. Measur. 1997, 46, 789–793. [Google Scholar] [CrossRef]
- E4727A Advanced Low-Frequency Noise Analyzer. Available online: https://www.keysight.com/en/pd-2389560-pn-E4727A/advanced-low-frequency-noise-analyzer?nid=-32901.1082931&cc=US&lc=eng (accessed on 19 June 2020).
- Beyne, S.; Croes, K.; De Wolf, I.; Tőkey, Z. 1/f noise measurements for faster evaluation of electromigration in advanced microelectronic interconnections. J. Appl. Phys. 2016, 119, 184302. [Google Scholar] [CrossRef]
- Fleetwood, D.M.; Beyne, S.; Jiang, R.; Zhao, S.E.; Wang, P.; Bonaldo, S.; McCurdy, M.W.; Tőkei, Z.; DeWolf, I.; Croes, K.; et al. Low-frequency noise and defects in copper and ruthenium resistors. Appl. Phys. Lett. 2019, 114, 203501. [Google Scholar] [CrossRef]
- Ferrari, G.; Carminati, M.; Gervasoni, G.; Sampietro, M.; Prati, E.; Pennetta, C.; Lezzi, F.; Pisignano, D. High sensitivity noise measurements: Circuits, techniques and applications. In Proceedings of the 2015 International Conference on Noise and Fluctuations (ICNF), Xi’an, China, 2–6 June 2015. [Google Scholar]
- Chen, G.; Paronyan, T.M.; Pigos, E.M.; Harutyunyan, A.R. Enhanced gas sensing in pristine carbon nanotubes under continuous ultraviolet light illumination. Sci. Rep. 2012, 2, 343. [Google Scholar] [CrossRef] [PubMed]
- Comini, E.; Faglia, G.; Sberveglieri, G. UV light activation of tin oxide thin films for NO2 sensing at low temperatures. Sens. Actuators B Chem. 2001, 78, 73–77. [Google Scholar] [CrossRef]
- Prades, J.D.; Jiménez-Díaz, R.; Hernandez-Ramirez, F.; Barth, S.; Cirera, A.; Romano-Rodriguez, A.; Mathurcd, S.; Moranteae, J.R. Equivalence between thermal and room temperature UV light-modulated responses of gas sensors based on individual SnO2 nanowires. Sens. Actuators B Chem. 2009, 140, 337–341. [Google Scholar] [CrossRef]
- Gong, J.; Li, Y.; Chai, X.; Hu, Z.; Deng, Y. UV-light-activated ZnO fibers for organic gas sensing at room temperature. J. Phys. Chem. C 2009, 114, 1293–1298. [Google Scholar] [CrossRef]
- Trawka, M.; Smulko, J.; Hasse, L.; Granqvist, C.G.; Annanouch, F.E.; Ionescu, R. Fluctuation enhanced gas sensing with WO3-based nanoparticle gas sensors modulated by UV light at selected wavelengths. Sens. Actuators B Chem. 2016, 234, 453–461. [Google Scholar] [CrossRef]
- Trawka, M.P.; Smulko, J.M.; Hasse, L.Z.; Granqvist, C.G.; Ionescu, R.; Eduard, L.; Annanouch, F.E.; Kish, L.B. UV-light-induced fluctuation enhanced sensing by WO 3-based gas sensors. IEEE Sens. J. 2016, 16, 5152–5159. [Google Scholar] [CrossRef]
- Rumyantsev, S.; Liu, G.; Shur, M.S.; Potyrailo, R.A.; Balandin, A.A. Selective gas sensing with a single pristine graphene transistor. Nano Lett. 2012, 12, 2294–2298. [Google Scholar] [CrossRef]
- Topalian, Z.; Smulko, J.M.; Niklasson, G.A.; Granqvist, C.G. Resistance noise in TiO2-based thin film gas sensors under ultraviolet irradiation. J. Phys. Conf. Ser. 2007, 76, 012056. [Google Scholar] [CrossRef]
- Samnakay, R.; Jiang, C.; Rumyantsev, S.L.; Shur, M.S.; Balandin, A.A. Selective chemical vapor sensing with few-layer MoS2 thin-film transistors: Comparison with graphene devices. Appl. Phys. Lett. 2015, 106, 023115. [Google Scholar] [CrossRef]
- Rumyantsev, S.; Liu, G.; Potyrailo, R.A.; Balandin, A.A.; Shur, M.S. Selective sensing of individual gases using graphene devices. IEEE Sens. J. 2013, 13, 2818–2822. [Google Scholar] [CrossRef]
- Kish, L.B.; Granqvist, C.G.; Vajtai, R. Sampling-and-Hold Chemical Sensing by Noise Measurements for Electronic Nose Applications. Swedish Patent SE 9904209-5, 2 July 2001. Available online: http://was.prv.se/spd/pdf/RdizounvzhfWS3oljenFlQ/SE515249.C2.pdf (accessed on 19 June 2020).
- Chang, H.C.; Kish, L.B.; King, M.D.; Kwan, C. Binary Fingerprints at Fluctuation-Enhanced Sensing. Sensors 2010, 10, 361. [Google Scholar] [CrossRef] [PubMed]
- Kish, L.B.; Chang, H.C.; King, M.D.; Kwan, C.; Jensen, J.O.; Schmera, G.; Smulko, J.; Gingl, Z.; Granqvist, C.G. Fluctuation-Enhanced Sensing for Biological Agent Detection and Identification. IEEE Nanotechnol. 2011, 10, 1238–1242. [Google Scholar] [CrossRef]
- Neri, B.; Pellegrini, B.; Saletti, R. Ultra low-noise preamplifier for low-frequency noise measurements in electron devices. IEEE Trans. Instrum. Meas. 1991, 40, 2–6. [Google Scholar] [CrossRef]
- Levinzon, F.A. Ultra-low-noise high-input impedance amplifier for low-frequency measurement applications. IEEE Trans. Circuits Syst. I 2008, 55, 1815–1822. [Google Scholar] [CrossRef]
- Cannatà, G.; Scandurra, G.; Ciofi, C. An ultra low noise preamplifier for low frequency noise measurements. Rev. Sci. Instr. 2009, 80, 114702. [Google Scholar] [CrossRef]
- Serrano-Finetti, E.; Pallas-Areny, R. Noise reduction in AC-coupled amplifiers. IEEE Trans. Instrum. Meas. 2014, 63, 1834–1841. [Google Scholar] [CrossRef]
- Scandurra, G.; Cannatà, G.; Giusi, G.; Ciofi, C. A new approach to DC removal in high gain, low noise voltage amplifiers. In Proceedings of the 24st International Conference on Noise and Fluctuations (ICNF), Vilnius, Lithuania, 20–23 June 2017. [Google Scholar]
- Ciofi, C.; Giannetti, R.; Dattilo, V.; Neri, B. Ultra low noise current sources. IEEE Trans. Instrum. Meas. 1998, 47, 78–81. [Google Scholar] [CrossRef][Green Version]
- Talukdar, D.; Chakraborty, R.K.; Bose, S.; Bardhan, K.K. Low noise costant current source for bias dependent noise measurements. Rev. Sci. Instr. 2011, 82, 013906. [Google Scholar] [CrossRef]
- Scandurra, G.; Cannatà, G.; Giusi, G.; Ciofi, C. Programmable, very low noise current source. Rev. Sci. Instr. 2014, 85, 125109. [Google Scholar] [CrossRef] [PubMed]
- Scandurra, G.; Giusi, G.; Ciofi, C. A programmable bias current compensation approach in current noise measurement applications. In Proceedings of the IEEE International Instrumentation and Measurement Technology Conference (I2MTC), Auckland, New Zealand, 20–23 May 2019. [Google Scholar]
- Texas Instruments OPAx140 Datasheet. Available online: http://www.ti.com/lit/ds/symlink/opa140.pdf (accessed on 19 June 2020).
- IF3601 Datasheet. Available online: https://www.mouser.it/datasheet/2/676/jfet-if3601-interfet.r00-1649101.pdf (accessed on 19 June 2020).
- Scandurra, G.; Cannatà, G.; Ciofi, C. Differential ultra low noise amplifier for low frequency noise measurements. AIP Adv. 2011, 1, 022144. [Google Scholar] [CrossRef]
- Giusi, G.; Cannatà, G.; Scandurra, G.; Ciofi, C. Ultra-low-noise large-bandwidth transimpedance amplifier. Wiley Int. J. Circ. Theor. Appl. 2015, 43, 1455–1473. [Google Scholar] [CrossRef]
- Carminati, M.; Ferrari, G.; Sampietro, M.; Ivanov, A.P.; Albrecht, T. Low-noise dual-channel current amplifier for DNA sensing with solid-state nanopores. In Proceedings of the 19th IEEE International Conference on Electronics, Circuits, and Systems (ICECS 2012), Seville, Spain, 9–12 December 2012. [Google Scholar]
- Ciofi, C.; Scandurra, G.; Merlino, R.; Cannatà, G.; Giusi, G. A new correlation method for high sensitivity current noise measurement. Rev. Sci. Instrum. 2007, 78, 114702. [Google Scholar] [CrossRef]
- Scandurra, G.; Giusi, G.; Ciofi, C. Multichannel Amplifier Topologies for High-Sensitivity and Reduced Measurement Time in Voltage Noise Measurements. IEEE Trans. Instrum. Meas. 2013, 62, 1145–1153. [Google Scholar] [CrossRef]
- Ciofi, C.; Crupi, F.; Pace, C.; Scandurra, G. Improved trade-off between noise and bandwidth in op-amp based transimpedance amplifier. In Proceedings of the IEEE Instrumentation and Measurement Technology Conference, Como, Italy, 18–20 May 2004; Volume 3, pp. 1990–1993. [Google Scholar]
- Ciofi, C.; Crupi, F.; Pace, C.; Scandurra, G.; Patanè, M. A new circuit topology for the realization of very low-noise wide-bandwidth transimpedance amplifier. IEEE Trans. Instrum. Meas. 2007, 56, 1626–1631. [Google Scholar] [CrossRef]
- Ferrari, G.; Sampietro, M. Wide Bandwidth transimpedance amplifier for extremely high sensitivity continuous measurements. Rev. Scient. Instr. 2007, 78, 094703. [Google Scholar] [CrossRef]
- Ciofi, C.; Crupi, F.; Pace, C.; Scandurra, G. Micro-prober for wafer-level low-noise measurements in MOS devices. IEEE Trans. Instrum. Meas. 2003, 52, 1533–1536. [Google Scholar] [CrossRef]
- Giusi, G.; Giordano, O.; Scandurra, G.; Ciofi, C.; Rapisarda, M.; Calvi, S. Automatic measurement system for the DC and low-f noise characterization on FETs at wafer level. In Proceedings of the IEEE Instrumentation and Measurement Technology Conference, I2MTC, Pisa, Italy, 11–14 May 2015. [Google Scholar]
- Scandurra, G.; Beyne, S.; Giusi, G.; Ciofi, C. On the design of an automated system for the characterization of the electromigration performance of advanced interconnects by means of low-frequency noise measurements. Metrol. Meas. Syst. 2019, 26, 13–21. [Google Scholar]
- Trawka, M.; Smulko, J.; Chludziński, T. Portable measurement system for breath analysis by real-time fluctuation enhanced sensing method. In Proceedings of the 24st International Conference on Noise and Fluctuations (ICNF), Vilnius, Lithuania, 20–23 June 2017. [Google Scholar]














© 2020 by the authors. Licensee MDPI, Basel, Switzerland. This article is an open access article distributed under the terms and conditions of the Creative Commons Attribution (CC BY) license (http://creativecommons.org/licenses/by/4.0/).
Share and Cite
Scandurra, G.; Smulko, J.; Kish, L.B. Fluctuation-Enhanced Sensing (FES): A Promising Sensing Technique. Appl. Sci. 2020, 10, 5818. https://doi.org/10.3390/app10175818
Scandurra G, Smulko J, Kish LB. Fluctuation-Enhanced Sensing (FES): A Promising Sensing Technique. Applied Sciences. 2020; 10(17):5818. https://doi.org/10.3390/app10175818
Chicago/Turabian StyleScandurra, Graziella, Janusz Smulko, and Laszlo B. Kish. 2020. "Fluctuation-Enhanced Sensing (FES): A Promising Sensing Technique" Applied Sciences 10, no. 17: 5818. https://doi.org/10.3390/app10175818
APA StyleScandurra, G., Smulko, J., & Kish, L. B. (2020). Fluctuation-Enhanced Sensing (FES): A Promising Sensing Technique. Applied Sciences, 10(17), 5818. https://doi.org/10.3390/app10175818
