Recurrent Neural Network-Based Hybrid Localization for Worker Tracking in an Offshore Environment
Abstract
1. Introduction
2. Related Work
3. Materials and Methods
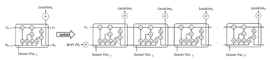
3.1. Structure of RHLS
3.2. Learning Data Collection
3.3. Training of RHLS
3.4. Positioning Module of RHLS
3.4.1. Input Layer
3.4.2. Middle Layer
3.4.3. Output Layer
4. Results
4.1. Experimental Set-Up
4.2. Tracking Accuracy Test
5. Conclusions
Funding
Conflicts of Interest
References
- Available online: https://www.bsee.gov/stats-facts/offshore-incident-statistics (accessed on 24 May 2020).
- Jung, S.H.; Moon, B.C.; Han, D.S. Unsupervised learning for crowdsourced indoor localization in wireless networks. IEEE Trans. Mobi. Comput. 2016, 15, 2892–2906. [Google Scholar] [CrossRef]
- Liu, H. Push the limit of WiFi based localization for smartphones. ACM Mobicom. 2012, 305–316. [Google Scholar] [CrossRef]
- Xiao, Z. Non-line-of-sight identification and mitigation using received signal strength. IEEE Trans. Wireless Commun. 2015, 14, 1689–1702. [Google Scholar] [CrossRef]
- Sudarshan, S.C. Beacon placement for indoor localization using Bluetooth. In Proceedings of the 2008 11th International IEEE Conference on Intelligent Transportation Systems, Beijing, China, 12–15 October 2008. [Google Scholar] [CrossRef]
- Want, R.; Hopper, A.; Falcao, V.; Gibbons, J. The active badge location system. ACM Trans. Inf. Syst. 1992, 10, 91–102. [Google Scholar] [CrossRef]
- Bekkail, A.; Sanson, H.; Matsumoto, M. RFID indoor positioning based on probabilistic RFID map and Kalman filtering. In Proceedings of the Third IEEE International Conference on Wireless and Mobile Computing, Networking and Communications, New York, NY, USA, 8–10 October 2007. [Google Scholar] [CrossRef]
- Lionel, M.N.; Yunhao, L.; Yiu, C.L.; Abhishek, P.P. LANDMARC-Indoor location sensing using active RFID. Wireless Network 2004, 10, 701–710. [Google Scholar] [CrossRef]
- Enrique, C.M.; Francisco, J.; David, C.; Ana, B.; Pedro, S.; Felipe, G. QR-Maps: An efficient tool for indoor user location based on QR-codes and Google Maps. In Proceedings of the 2011 IEEE Consumer Communications and Networking Conference, Las Vegas, NV, USA, 9–12 January 2011; pp. 928–932. [Google Scholar] [CrossRef]
- Chun, Y.; Thao, N.; Erik, B. Mobile positioning via fusion of mixed signals of opportunity. IEEE Aerosp. Electron. Syst. Mag. 2014, 29, 34–46. [Google Scholar] [CrossRef]
- Sudhir, K.; Rajesh, M. Multi-sensor data fusion for indoor localization under collinear ambiguity. Perv. Mobi. Comput. 2015, 30, 18–31. [Google Scholar] [CrossRef]
- Chen, Z.; Zou, H.; Jiang, H.; Zhu, Q.; Chai, Y.; Xie, L. Fusion of WiFi, smartphone sensors and landmarks using the Kalman filter for indoor localization. Sensors 2015, 15, 715–732. [Google Scholar] [CrossRef] [PubMed]
- Suhr, J.; Min, D.; Jung, H. Sensor fusion-based low-cost vehicle localization system for complex urban environments. IEEE Trans. Intelli. Transp. Syst. 2017, 18, 1078–1086. [Google Scholar] [CrossRef]
- Xiang, H.; Daniel, N.; Jia, L. Probabilistic multi-sensor fusion based indoor positioning system on a mobile device. Sensors 2015, 15, 31464–31481. [Google Scholar] [CrossRef]
- Jung, S.; Lee, G.; Han, D. Method and tools to construct a global indoor positioning system. IEEE Trans. Syst. Man Cybe. Syst. 2017, 48, 906–919. [Google Scholar] [CrossRef]
- Minh, T.; Brosnan, Y.; Xiaodal, D.; Tao, L.; Robert, W.; Kishore, R. Recurrent neural networks for accurate RSSI indoor localization. IEEE Internet Things 2019, 6, 10639–10651. [Google Scholar] [CrossRef]
- Gan, X.; Yu, B.; Huang, L.; Li, Y. Deep learning for weights training and indoor positioning using multi-sensor fingerprint. In Proceedings of the 2017 International Conference on Indoor Positioning and Indoor Navigation, Sapporo, Japan, 18–21 September 2017. [Google Scholar] [CrossRef]
- Belay, A.; Lin, H.; Tarekegn, G.; Jeng, S. Applying deep neural network (DNN) for robust indoor localization in multi-building environment. Appl. Sci. 2018, 8, 1–14. [Google Scholar] [CrossRef]
- Xiao, L.; Behboodi, A.; Mathar, R. A deep learning approach to fingerprinting indoor localization. In Proceedings of the 2017 27th International Telecommunication Networks and Applications Conference, Melbourne, Australia, 22–24 November 2017. [Google Scholar] [CrossRef]
- Xiao, C.; Yang, D.; Chen, Z.; Tan, G. 3-D BLE indoor localization based on denoising autoencoder. IEEE Access 2017, 5, 12751–12760. [Google Scholar] [CrossRef]
- Wang, X.; Gao, L.; Mao, S.; Pandey, S. CSI-based fingerprinting for indoor localization: A deep learning approach. IEEE Trans. Vehic. Tech. 2017, 66, 763–776. [Google Scholar] [CrossRef]
- Li, R.; Liu, Q.; Gui, J.; Gu, D.; Hu, H. Indoor relocalization in challenging environments with dual-stream convolutional neural networks. IEEE Trans. Autom. Sci. Engi. 2018, 15, 651–662. [Google Scholar] [CrossRef]
- Liu, Z.; Dai, B.; Wan, X.; Li, X. Hybrid wireless fingerprint indoor localization method based on a convolutional neural network. Sensors 2019, 19, 4597. [Google Scholar] [CrossRef] [PubMed]
- Zhang, G.; Wang, P.; Chen, H.; Zhang, L. Wireless indoor localization using convolutional neural network and Gaussian process regression. Sensors 2019, 19, 2508. [Google Scholar] [CrossRef] [PubMed]
- Takenga, C.; Xi, C.; Kyamakya, K. A hybrid neural network-data base correlation positioning in GSM network. In Proceedings of the 2006 10th IEEE Singapore International Conference on Communication Systems, Singapore, 30 November 2006. [Google Scholar] [CrossRef]
- Stella, M.; Russo, M.; Begusic, D. Location determination in indoor environment based on RSS fingerprinting and artificial neural network. In Proceedings of the 2007 9th International Conference on Telecommunications, Zagreb, Croatia, 13–15 June 2007. [Google Scholar] [CrossRef]
- Jang, H.; Shin, J.; Choi, L. Geomagnetic field based indoor localization using recurrent neural networks. In Proceedings of the GLOBECOM 2017-2017 IEEE Global Communications Conference, Singapore, 4–8 December 2017. [Google Scholar] [CrossRef]
- Valerie, R.; Miguel, O.; Johan, P.; Joaquín, T.; Antonio, R.; Antoni, P.; Germán, M.; Fernando, S.; Yael, L.; Revital, M.; et al. Evaluating indoor positioning systems in a shopping mall: The lessons learned from the IPIN 2018 competition. IEEE Access 2019, 7, 148594–148628. [Google Scholar] [CrossRef]
- Joaquín, T.; Antonio, R.; Adriano, M.; Tomás, L.; Wei-Chung, L.; Stefan, K.; Germán, M.; Fernando, S.; Antoni, P.; Maria, J.; et al. Off-line evaluation of mobile-centric indoor positioning systems: The experiences from the 2017 IPIN competition. Sensors 2018, 18, 487. [Google Scholar] [CrossRef]













| RHLS | Viterbi | k-NN | |
|---|---|---|---|
| Main deck | 2.88 | 3.24 | 3.38 |
| A deck | 2.32 | 2.76 | 3.41 |
| 1st deck | 2.74 | 3.21 | 3.44 |
| 2nd deck | 2.94 | 3.35 | 3.74 |
| Mean error (m) | 2.72 | 3.14 | 3.49 |
| Compute time (ms) | 0.32 | 47.10 | 1.97 |
© 2020 by the author. Licensee MDPI, Basel, Switzerland. This article is an open access article distributed under the terms and conditions of the Creative Commons Attribution (CC BY) license (http://creativecommons.org/licenses/by/4.0/).
Share and Cite
Lee, G. Recurrent Neural Network-Based Hybrid Localization for Worker Tracking in an Offshore Environment. Appl. Sci. 2020, 10, 4721. https://doi.org/10.3390/app10144721
Lee G. Recurrent Neural Network-Based Hybrid Localization for Worker Tracking in an Offshore Environment. Applied Sciences. 2020; 10(14):4721. https://doi.org/10.3390/app10144721
Chicago/Turabian StyleLee, Gunwoo. 2020. "Recurrent Neural Network-Based Hybrid Localization for Worker Tracking in an Offshore Environment" Applied Sciences 10, no. 14: 4721. https://doi.org/10.3390/app10144721
APA StyleLee, G. (2020). Recurrent Neural Network-Based Hybrid Localization for Worker Tracking in an Offshore Environment. Applied Sciences, 10(14), 4721. https://doi.org/10.3390/app10144721

