Managerial and Organizational Implications Arising from the Implementation of Blockchain Technology in Supply Chains: An AS-IS and To-Be Analysis
Abstract
1. Introduction: Interorganizational Processes
- RQ 1. Do blockchain technologies facilitate the development of conditions for increasing structural consonance within supply chains?
- RQ 2. Does the underlying logic of blockchain contribute to a paradigm shift in the concept of “trust” among operators involved in supply chains?
2. Theoretical Background
2.1. Blockchain and Supply Chain Management
2.2. Viable System Approach
2.3. Process Management
3. Methodological Note
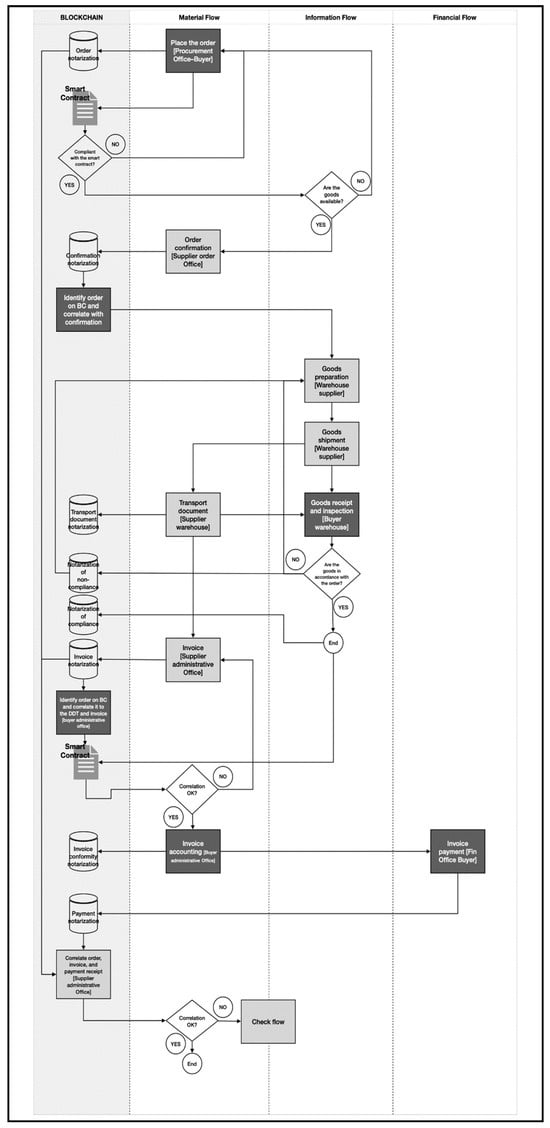
4. The Framework
- Transparency Dimension
- -
- Increased organizational complexity due to continuous analog storage of documents or digital storage of dematerialized documents;
- -
- Lack of adequate transparency of document and informational flows, as the documents are stored by individual organizations involved, and thus are not visible within the processes managing the supply chain relationships.
- -
- Ensuring the temporal certification, certainty, reliability, and immutability of the same;
- -
- Increasing the level of document flow sharing within the processes managing the supply chain relationships;
- -
- Reducing organizational complexity associated with document and information production and their subsequent preservation2.
- 2.
- Traceability Dimension
- -
- Order confirmation -> order being prepared at the supplier;
- -
- Delivery note (DDT) -> order dispatched by the supplier;
- -
- Non-conformity/conformity -> order received by the buyer;
- -
- Invoice conformity -> delivery approved by the buyer;
- -
- Payment -> order paid by the buyer and approved by the supplier.
- The tracking depends on specific inputs provided by the logistics operator and is not protected by a secure, verifiable, and permanent system like BT;
- Therefore, a notarization of the transfer is missing, which would guarantee the immutability of the transfer and related information;
- Even with the implementation of IoT applications (such as sensors that detect material flow movements) that can capture the tracking of goods’ movements and provide visibility to the involved operators (supplier and buyer), they do not guarantee the following:
- -
- The notarization of the transfer (immutability);
- -
- Automation toward connected activities, such as document issuance or the activation of operations (such as payments). These automations, however, could be guaranteed by the BT functions typical of smart contracts.
- 3.
- Efficiency Dimension
- Verification activities, as outlined in point 2 of the current process, involve checking the conditions stated in the order against the supply agreements. The subsequent activation of the informational flow (with order confirmation) and the material flow (order preparation) depend on this verification. The proposed re-engineering involves the use of blockchain technologies for automating this step, using smart contracts to ensure that the involved parties verify the supply conditions. This optimizes resources by freeing up human resources from manual verification tasks, eliminates the risk of errors that may occur during verification, and streamlines the execution times of supply-related flows.
- Further implications are related to financial transaction management for settling exchanges within the supply chain. As highlighted in a study conducted by E. Hoffman et al. (2018), a significant aspect of assessing the impact of blockchain technologies on the supply chain is the reduction in transaction processing times due to the automation of invoice payments under certain conditions, thanks to smart contracts. Among these conditions are certainly the delivery of the purchased goods and the validation of the associated documents. The sharing of orders, transport documents, and invoices on the blockchain facilitates quick and seamless validation, as all involved parties are interconnected on the blockchain and have access to shared documents.
- Document correlation activities involve the following:
- -
- For the buyer: correlating the order with the supplier’s order confirmation (point 4 of the current process) to identify any discrepancies and communicate necessary changes to the supplier before shipment.
- -
- For the buyer: correlating order/delivery note/invoice (point 7 of the current process) to match the document flow with the order and verify any billing discrepancies.
- -
- For the supplier: correlating order/invoice/payment (point 9 of the current process) to match the payment to the issued invoice and close the flow.
5. Discussion
- -
- Data and digital document sharing on the blockchain, implying the following:
- -
- The reliability and immutability of the data, thus ensuring greater security and certainty of the data.
- -
- The increased informational transparency and traceability of the steps that data and documents undergo along the exchange process.
- -
- Broader and faster access to data and documents.
- -
- A broader visibility of the operators involved in supply chains.
- -
- The improvement in traceability and transparency conditions, as investigated in this study, is linked to the potential of blockchains to enable the immutable and transparent recording of all transactions along the supply chain. This increases visibility over physical, informational, and financial flows, allowing companies to quickly identify the position and status of items, documents, and payments at any point in the supply chain. This increased visibility is crucial for responding promptly to unforeseen disruptions, such as quality issues, delays, and external environmental constraints.
- -
- The potential of blockchains regarding the recording and management of critical information concerning suppliers, material quality, and the reliability of customers and other actors in the supply chain enables companies to assess and mitigate risks along the supply chain more effectively. In cases of issues with a supplier or variations in quality levels, companies can react promptly, maintaining greater resilience.
- -
- Blockchains, by supporting the implementation of smart contracts preordained to programmable cause-and-effect relationships within supply chain interactions, are potentially capable of supporting the automation of specific processes within the supply chain, enabling immediate responses to predefined or programmable events. For example, smart contracts could automatically trigger alternative procedures or compensation in case of delivery delays.
- -
- The elimination of or reduction in dependence on intermediaries in transaction and documentation management. This can simplify the supply chain, reducing the risk of disruptions due to issues with intermediaries.
6. Implications, Conclusions, and Future Research Directions
- -
- The possibility of relying on a broader and shared information base, including the existence, characteristics, and specificities of the operators present in the context or potentially TO BE involved.
- -
- Automatisms, especially smart contracts, enable a more transparent and fluid management of exchange agreements.
- -
- A reduction in informational asymmetries among operators.
- -
- Thus, a reduction in cases of opportunism by the involved operators, thanks to the increased transparency and traceability of exchange steps.
- The first blockchains developed had limitations in terms of scalability, meaning the number of transactions per second was limited;
- Some consensus algorithms require high energy consumption, with resulting environmental implications. However, this was mostly observable in the early blockchains;
- Transactions on blockchain can be slower than those on other centralized solutions due to the distributed verification process;
- Blockchain is still a relatively young technology and may not be fully mature for some critical applications;
- There are regulatory uncertainties that can complicate the adoption of blockchain technologies (BTs);
- The user interfaces of BT applications can be complex for inexperienced users;
- While BT ensures transparency, it can raise privacy concerns due to the immutable nature of transactions.
- -
- Replaced by technology, meaning that trust is no longer sought at all costs among supply chain operators in a collaborative perspective but is instead generated and guaranteed by the automation and functionalities of technology;
- -
- Still underlying smart contracts, which incorporate agreements reached beforehand between parties, and then are executed through smart contract automation;
- -
- Generated as a result of greater visibility and broader information sharing along the supply chain thanks to blockchain technology, the latter as an enabling tool. Consider also the trust placed in blockchain technology when it tracks the credentials and references of various suppliers, helping buyers make rational and informed decisions;
- -
- Linked to the favorable and transparent atmosphere of the context within which supply chain exchanges take place, resulting from the implementation of blockchain technologies. As described in the managerial implications section, this configuration can be considered the new paradigm of the concept of “trust”, namely trust placed in the expression of security, transparency, traceability, and efficiency that blockchain technologies may be able to guarantee for supply chains.
Author Contributions
Funding
Institutional Review Board Statement
Informed Consent Statement
Data Availability Statement
Conflicts of Interest
| 1 | Scopus search: Article title, Abstract, Keywords: blockchain AND business AND process AND reengineering. |
| 2 | The Digital Administration Code (CAD) is a unified text that gathers and organizes the regulations concerning the computerization of Public Administration in its relations with citizens and businesses. https://www.agid.gov.it/it/agenzia/strategia-quadro-normativo/codice-amministrazione-digitale (accessed on 25 March 2024). The eIDAS Regulation (electronic IDentification Authentication and Signature)—EU Regulation No. 910/2014 on digital identity: https://www.agid.gov.it/it/piattaforme/eidas#:~:text=Il%20regolamento%20eIDAS%20fornisce%20una,commercio%20elettronico%20nell%27Unione%20Europea (accessed on 25 March 2024). |
References
- Abdelgalil, Taha, Vasileios Manolas, Leandros Maglaras, Ioanna Kantzavelou, and Mohamed Amine Ferrag. 2021. Blockchain Technology: A case study in supply chain management. Paper presented at 2021 Third IEEE International Conference on Trust, Privacy and Security in Intelligent Systems and Applications (TPS-ISA), Atlanta, GA, USA, December 13–15; Piscataway: IEEE, pp. 331–39. [Google Scholar] [CrossRef]
- Akerlof, George Arthur. 1970. The market for “lemons”: Quality uncertainty and the market mechanism. The Quarterly Journal of Economics 84: 488–500. [Google Scholar] [CrossRef]
- Ali, Omar, Ashraf Jaradat, Atik Kulakli, and Ahmed Abuhalimeh. 2021. A comparative study: Blockchain Technology utilization benefits, challenges and functionalities. IEEE Access 9: 12730–49. [Google Scholar] [CrossRef]
- Anupama Kumar, S., and M. Anusha. 2023. Blockchain Enabled Supply Chain Management. SN Computer Science 4: 179. [Google Scholar] [CrossRef] [PubMed]
- Apte, Shireesh, and Nikolai Petrovsky. 2016. Will Blockchain Technology revolutionize excipient supply chain management? Journal of Excipients and Food Chemicals 7: 910. [Google Scholar]
- Aslam, Javed, Aqeela Saleem, and Yun Bae Kim. 2023. Blockchain-enabled supply chain management: Integrated impact on firm performance and robustness capabilities. Business Process Management Journal 29: 1680–705. [Google Scholar] [CrossRef]
- Barile, Sergio, and Claudio Nigro. 1998. Identificazione ed analisi dei processi chiave delle imprese. In Esperienze d’Im- presa. n. 2/98. Salerno. [Google Scholar]
- Barile, Sergio, and Marialuisa Saviano. 2011. Foundations of Systems Thinking: The Structure-System Paradigm. In Various authors, Contributions to Theoretical and Practical Advances in Management: A Viable Systems Approach (VSA). ASVSA, Associazione per la Ricerca sui Sistemi Vitali: International Printing. pp. 1–24. Available online: https://ssrn.com/abstract=2044579 (accessed on 25 March 2024).
- Barile, Sergio, and Mario Calabrese. 2009. The value of enterprise in optical Vital Systemic. Paper presented at in 11th International Conference of the Society for Global Business & Economic Development (SGBED) “Striving for Competitive Advantage & Sustainability: New Challenges of Globalization”, Bratislava, Slovak Republic, May 7–30, vol. 3, pp. 1536–44. [Google Scholar]
- Barile, Sergio, and Mario Calabrese. 2011a. A new frontier in consulting: The (vSa) Consulcube. In AA.VV., Contributions to Theoretical and Practical Advances in Management. A Viable System Approach (vSa). Avellino: Associazione per la ricerca sui Sistemi Vitali (aSvSa) International Printing Srl, pp. 245–62. [Google Scholar]
- Barile, Sergio, and Mario Calabrese. 2011b. Business Design and Context Consonance. Brescia: Rapporti di ricerca Sinergie, no. 31. [Google Scholar]
- Barile, Sergio, Francesco Caputo, and Pietro Vito. 2019. From information transfer to knowledge sharing in corporate governance: The challenging role of Blockchain Technology. Paper presented at New Challenges in Corporate Governance: Theory and Practice, Naples, Italy, October 3–4; pp. 272–86. [Google Scholar] [CrossRef]
- Barile, Sergio, Robert Lusch, Javier Reynoso, James Spohrer, and Marialuisa Saviano. 2016. Systems, networks, and ecosystems in service research. Journal of Service Management 27: 652–74. [Google Scholar] [CrossRef]
- Batwa, Abbas, and Andreas Norrman. 2020. A framework for exploring Blockchain Technology in supply chain management. Operations and Supply Chain Management: An International Journal 13: 294–306. [Google Scholar] [CrossRef]
- Beer, Stafford, Pasquale Saraceno, and Nino Buran. 1973. L’azienda Come Sistema cibernetico. Milano: ISEDI. [Google Scholar]
- Biffi, Alfredo, and Nicola Pecchiari, eds. 1998. Process Management e Reengineering. Scelte strategiche, lo-giche, strumenti realizzativi. Milano: Egea. [Google Scholar]
- Blossey, Gregor, Jannik Eisenhardt, and Gerd Hahn. 2019. Blockchain Technology in supply chain management: An application perspective. Research in Logistics & Production 9: 305–18. [Google Scholar]
- Brinch, Morten. 2018. Understanding the value of big data in supply chain management and its business processes: Towards a conceptual framework. International Journal of Operations & Production Management 38: 1589–614. [Google Scholar]
- Calabrese, Mario. 2014. Il management nell’era della conoscenza. Collana: Rirea Opera Prima. [Google Scholar]
- Calabrese, Mario, Gerardo Bosco, and Roberto Grattacaso. 2024. Armonia operativa. Processi, Controllo, Risk Management nell’era dell’esperienza imprenditoriale. Torino: Giappichelli. [Google Scholar]
- Chang, Ai Chih, Nesreen El-Rayes, and Jim Shi. 2022. Blockchain Technology for Supply Chain Management: A Comprehensive Review. FinTech 1: 191–205. [Google Scholar] [CrossRef]
- Chen, Daniel Q., David S. Preston, and Morgan Swink. 2015. How the use of big data analytics affects value creation in supply chain management. Journal of Management Information Systems 32: 4–39. [Google Scholar] [CrossRef]
- Christidis, Konstantinos, and Michael Devetsikiotis. 2016. Blockchains and Smart Contracts for the Internet of things. IEEE Access 4: 2292–303. [Google Scholar] [CrossRef]
- Cordova, Ronald S., Rolou Lyn Maata, Ferdinand J. Epoc, and Marwan Alshar’e. 2021. Challenges and opportunities of using blockchain in supply chain management. Global Business and Management Research 13: 204–17. [Google Scholar]
- Cosimato, Silvia, and Orlando Troisi. 2015. Green supply chain management: Practices and tools for logistics competitiveness and sustainability. The DHL case study. The TQM Journal 27: 256–76. [Google Scholar] [CrossRef]
- Cozzolino, Alessandra, Mario Calabrese, Gerado Bosco, Paola Signori, and Enrico Massaroni. 2023. Horizontal network collaboration by entrepreneurial ventures: A supply chain finance perspective. Journal of Small Business and Enterprise Development 30: 523–45. [Google Scholar] [CrossRef]
- Das, Sagar. 2020. Application of Blockchain in Outbound Logistics Track and Trace. Master’s thesis, Faculty of Engineering and Natural Sciences, Tampere, Finland. [Google Scholar]
- Di Francesco, Rita Maria, Purushottam Meena, and Gopal Kumar. 2023. How Blockchain Technology improves sustainable supply chain processes: A practical guide. Operations Management Research 16: 620–41. [Google Scholar] [CrossRef]
- Dietrich, Fabian, Yiwen Ge, Ali Turgut, Louis Louw, and Daniel Palm. 2021. Review and analysis of blockchain projects in supply chain management. Procedia Computer Science 180: 724–33. [Google Scholar] [CrossRef]
- Dolgui, Alexandre, Dmitry Ivanov, Semyon Potryasaev, Boris Sokolov, Marina Ivanova, and Frank Werner. 2020. Blockchain-oriented dynamic modelling of Smart Contracts design and execution in the supply chain. International Journal of Production Research 58: 2184–99. [Google Scholar] [CrossRef]
- Dubey, Rameshwar, Angappa Gunasekaran, David J. Bryde, Yogesh K. Dwivedi, and Thanos Papadopoulos. 2020. Blockchain Technology for enhancing swift-trust, collaboration and resilience within a humanitarian supply chain setting. International Journal of Production Research 58: 3381–98. [Google Scholar] [CrossRef]
- Esmaeilian, Behzad, Joe Sarkis, Kemper Lewis, and Sara Behdad. 2020. Blockchain for the future of sustainable supply chain management in Industry 4.0. Resources. Conservation and Recycling 163: 105064. [Google Scholar] [CrossRef]
- Esposito De Falco, Salvatore. 2006. Evoluzione e prospettive negli studi sulla governance tra economia e diritto societario. Napoli: ESI. [Google Scholar]
- Esposito De Falco, Salvatore. 2008. Metodologie, strumenti e metriche di supporto alle dinamiche decisionali. Il contributo del progetto SIVI. Sinergie, Rapporti di Ricerca: n. 29. [Google Scholar]
- Fahimnia, Behnam, Joseph Sarkis, and Hoda Davarzani. 2015. Green supply chain management: A review and bibliometric analysis. International Journal of Production Economics 162: 101–14. [Google Scholar] [CrossRef]
- Francisco, Kristoffer, and David Swanson. 2018. The supply chain has no clothes: Technology adoption of blockchain for supply chain transparency. Logistics 2: 2. [Google Scholar] [CrossRef]
- Gatti, Mauro, Bice Della Piana, and Mario Testa. 2007. Inefficacia dei modelli corporate governance. Caso Parmalat. Sinergie Italian Journal of Management 73–74: 225–98. [Google Scholar]
- Golinelli, Gaetano M. 2005. L’approccio sistemico al governo dell’impresa. In L’impresa sistema vita-le, 2nd ed. Padova: Cedam, vol. I. [Google Scholar]
- Grant, Robert M. 2022. Contemporary Strategy Analysis, XIth ed. London: Wiley. [Google Scholar]
- Hackius, Niels, and Moritz Petersen. 2017. Blockchain in logistics and supply chain: Trick or treat? In Digitalization in Supply Chain Management and Logistics: Smart and Digital Solutions for an Industry 4.0 Environment, Proceedings of the Hamburg International Conference of Logistics (HICL). Berlin: epubli GmbH, vol. 23, pp. 3–18. [Google Scholar]
- Hoffman, Erik, Urs Magnus Strewe, and Nicola Bosia. 2018. Supply Chain Finance and Blockchain Technology. Springer Briefs in Finance. Cham: Springer, pp. 51–75. [Google Scholar] [CrossRef]
- Huang, Yung-Fu, Vu-Dung Van Phan, and Manh-Hoang Do. 2023. The Impacts of Supply Chain Capabilities, Visibility, Resilience on Supply Chain Performance and Firm Performance. Administrative Science 13: 225. [Google Scholar] [CrossRef]
- Iandolo, Francesca, Francesca Loia, Irene Fulco, Chiara Nespoli, and Francesco Caputo. 2021. Combining Big Data and Artificial Intelligence for managing collective knowledge in unpredictable environments: Insights from the Chinese case in facing COVID-19. Journal of the Knowledge Economy 12: 1982–96. [Google Scholar] [CrossRef]
- Jabbari, Arman, and Philp Kaminsky. 2018. Blockchain and Supply Chain Management. Master’s thesis, Department of Industrial Engineering and Operations Research University of California, Berkeley, CA, USA. [Google Scholar]
- Jackson, Aaron, Virginia L. Spiegler, and Kathy Kotiadis. 2023. Exploring the potential of blockchain-enabled lean automation in supply chain management: A systematic literature review, classification taxonomy, and future research agenda. Production Planning & Control, 1–20. [Google Scholar] [CrossRef]
- Jeston, John, and Johan Nelis. 2006. Business Process Management. Pratical Guidelines to Successful Implementations. Oxford: Butterworth-Heinemann, Elsevier. [Google Scholar]
- Karunamurthy, A., T. Amalraj Victoire, S. Sunali, and P. Thamizharasi. 2023. Block-Chain Management in Supply Chain Management—A Comprehensive Review. Supply Chain Management 13: 06-2023. [Google Scholar] [CrossRef]
- Kiwala, Yusuf, Johan Olivier, and Ismail Kintu. 2023. Antecedents and enablers of supply chain value creation: An analysis of trust and competences. Development Southern Africa 40: 580–98. [Google Scholar] [CrossRef]
- Kshetri, Nir. 2018. Blockchain’s roles in meeting key supply chain management objectives. International Journal of Information Management 39: 80–89. [Google Scholar] [CrossRef]
- Longo, Francesco, Letizia Nicoletti, Antonio Padovano, Giangranco d’Atri, and Marco Forte. 2019. Blockchain-enabled supply chain: An experimental study. Computers & Industrial Engineering 136: 57–69. [Google Scholar] [CrossRef]
- Moosavi, Javid, Leila M. Naeni, Amir M. Fathollahi-Fard, and Ugo Fiore. 2021. Blockchain in supply chain management: A review, bibliometric, and network analysis. Environmental Science and Pollution Research, 1–15. [Google Scholar] [CrossRef]
- Paniccia, Paola Maria Anna. 2018. Knowledge management per la competitività d’impresa. Roma: Aracne Editrice. [Google Scholar]
- Pournader, Mehrdokht, Yangyan Shi, Stefan Seuring, and S.C. Lenny Koh. 2020. Blockchain applications in supply chains, transport, and logistics: A systematic review of the literature. International Journal of Production Research 58: 2063–81. [Google Scholar] [CrossRef]
- Risso, Lucas Antonio, Gilberto Miller Devós Ganga, Moacir Godinho Filho, Luis Antonio de Santa-Eulalia, Tinhinane Chikhi, and Elaine Mosconi. 2023. Present and future perspectives of blockchain in supply chain management: A review of reviews and research agenda. Computers & Industrial Engineering, 109195. [Google Scholar] [CrossRef]
- Saberi, Sara, Mahtab Kouhizadeh, Joseph Sarkis, and Lejia Shen. 2019. Blockchain Technology and its relationships to sustainable supply chain management. International Journal of Production Research 57: 2117–35. [Google Scholar] [CrossRef]
- Tiwari, Sunil, Pankaj Sharma, Tsan Ming Choi, and Andrew Lim. 2023. Blockchain and third-party logistics for global supply chain operations: Stakeholders’ perspectives and decision roadmap. Transportation Research Part E: Logistics and Transportation Review 170: 103012. [Google Scholar] [CrossRef]
- Venkatesh, V. G., Kai Kang, Bill Wang, Ray Y. Zhong, and Abraham Zhang. 2020. System architecture for blockchain-based transparency of supply chain social sustainability. Robotics and Computer-Integrated Manufacturing 63: 101896. [Google Scholar] [CrossRef]
- Wu, Chengfeng, Chungfen Xu, Qiuhong Zhao, and Jianhua Zhu. 2023. Research on financing strategy under the integration of green supply chain and Blockchain Technology. Computers & Industrial Engineering 184: 109598. [Google Scholar] [CrossRef]
- Yalcin, Haydar, Wanying Shi, and Zafrin Rahman. 2020. A review and scientometric analysis of supply chain management (SCM). Operations and Supply Chain Management: An International Journal 13: 123–33. [Google Scholar] [CrossRef]
- Yavaprabhas, Kongmanas, Mehrdokht Pournader, and Stefan Seuring. 2023. Blockchain as the “trust-building machine” for supply chain management. Annals of Operations Research 327: 49–88. [Google Scholar] [CrossRef]
- Yontar, Emel. 2023. Critical success factor analysis of Blockchain Technology in agri-food supply chain management: A circular economy perspective. Journal of Environmental Management 330: 117173. [Google Scholar] [CrossRef]



| Material Flow | Information Flow | Financial Flow | |
|---|---|---|---|
| Transparency | Limited view of (a) the supply chain, to the phases in which individual operators intervene; (b) product availability along the supply chain; (c) exchanges along all the steps that occur in the supply chain. | Sharing of information limited to individual transactions (order management and exchanged fiscal documents). Nearly absent additional information on the needs of the supply chain and the markets served (information asymmetries also on exchange conditions). | Limited view of (a) exclusive assessment of the reliability of the other party involved in the exchange; (b) opportunities for working capital mobilization and the operating financial actors. |
| Traceability | The traceability of goods along the supply chain is limited to individual transactions and the specific counterparts involved in the exchange. There may be ex post information on documentation or labels, but specific certainty is not certified. | The information flows are traced only within the specific exchange relationship: order sent–order received; delivery note sent–delivery note received; invoice sent–invoice received. The traceability of goods’ movements is limited to documentation and labels, visible only ex post, meaning upon receipt. Information and documentary flows are also subject to mandatory analog conservation to comply with legal regulations. | The traceability of financial flows is an aspect that concerns each individual transaction within a contractual relationship between two parties, and it materializes only when the debtor makes the payment and sends a specific (accounting) communication to the creditor. |
| Efficiency | Material flows are affected by the limited sharing of information flows, as they are tied to the constraints of document issuance, particularly to the reconciliation between them for the activation of material flows. Consider the non-automatic verification of order conditions to prepare the goods for shipment, the need to reconcile orders with confirmations to prepare the goods for shipment, and the physical receipt of the delivery note (DDT) to confirm and accept the goods. This implies the use of specific resources to carry out the material flow. | Partial view of the supply chain, the involved operators, and the trading conditions (information asymmetries and opportunistic behaviors, which need to be reduced). Operators must allocate more resources to mitigate the effects of these limitations, leading to increased transaction costs. The efficiency of the exchange is also affected by the resources needed for the analog conservation of document flows, in accordance with legal requirements. | Operational limitations associated with the constraints of the traditional flow: invoice issuance–order and DDT reconciliation–payment; elongation of times and potential opportunistic behaviors of debtors. Limited view of counterparts and their reliability, resulting in the need for greater resources to achieve an adequate level of knowledge and reliability in managing exchanges. Human and financial resources must also be employed to seek alternative forms of working capital mobilization, which generally increases transaction costs. |
| Material Flow | Information Flow | Financial Flow | |
|---|---|---|---|
| Transparency | Shared view of the supply chain due to the decentralized certification of operations among the nodes of the blockchain network. Material exchanges traced and visible to all nodes of the network. Transparency regarding product availability increases in relation to the technology’s ability to track the movements of goods. The use of IoT technology allows the monitoring of various stages of merchandise along the supply chain. | Thanks to the automatisms of the shared smart contracts among the involved parties, the constraints related to the need to reduce informational asymmetries among the actors of the supply chain in managing exchanges are minimized. Information transparency is also linked to the immutability of the document passages between the different nodes of the blockchain: all data, information, documents tracked in the blockchain are immutable. This generates certainty in exchanges and widespread transparency. | Thanks to the full and shared traceability of financial flows among the actors involved in the blockchain, it is possible to ensure broader financial transparency within the supply chain. In particular, every actor in the chain is able to know the financial transactions within the chain and have certainty about when they occur. Furthermore, it is possible to have a comprehensive view of all the financial actors participating in the blockchain and, therefore, also of the different solutions that can be pursued for the mobilization of working capital. |
| Traceability | The certification of each step of goods between the nodes of the blockchain network allows the tracking of exchanges within the supply chain and, particularly, ensuring the immutability of these steps, to the benefit of greater certainty of traceability, no longer tied to a unilateral attestation by individual operators post facto in documents and labels. Therefore, all involved operators can have visibility into the traceability of goods. | Information and documents are tracked along the supply chain through blockchain certification of each step. Therefore, traceability is shared in peer-to-peer logic. Document flows are also directed towards digital preservation: the hash of the documents is crystallized on the blockchain, but the native digital document can undergo a legal digital preservation procedure in order to obtain legal validity over time. Thanks to greater traceability of goods and information passages, the involved actors can better plan the receipt of goods and the financial management of the exchange. | Financial flows are tracked and certified on the blockchain, and as a result, their traceability is no longer limited to the parties involved in the transaction. This implies full and shared financial traceability, leading to an increase in financial transparency within the supply chain. |
| Efficiency | The operation of material flows is optimized thanks to the functioning of smart contracts. Material flows can benefit from the functionalities of smart contracts and the certification of the hash of all documents or information issued for the management of material flows. This includes the automatic verification of order conditions against shared smart contracts to prepare goods for dispatch, the ability to reconcile orders with confirmations directly on the blockchain nodes to proceed with preparing the goods and linking the certified delivery note (DDT) on the blockchain to confirm and accept the goods. All of this implies a saving of specific resources to advance the material flow. The use of IoT technologies linked to blockchains allows the monitoring of the passage of goods along the supply chain with optimal resource utilization, generating cost savings and improving subsequent outcomes. | The automations associated with the functioning of smart contracts allow for a reduction in the use of resources for mitigating informational asymmetries, particularly those related to opportunistic behaviors. The impact on process efficiency is also linked to the functionalities of blockchains integrated with document management technologies, enabling the automatic reconciliation of documents (orders, order confirmations, delivery notes, invoices, payment receipts) along the supply chain. Furthermore, improving process efficiency can be achieved through the use of technology for digital document preservation compliant with regulations. This not only ensures legally valid preservation but also optimizes the resources used for preserving documentation related to exchanges within the supply chain. | The operational limitations associated with the constraints of the traditional flow—invoice issuance, reconciliation with orders and delivery notes, and payment—can be overcome through the use of smart contracts combined with blockchain-based document management technologies. These technologies enable a reduction in the timing of transaction payments through the automation of cause-and-effect processes and document reconciliation functionalities for documents certified on the blockchain. As a result, the opportunistic behaviors of debtors can also be limited, and this solution enables the optimization of working capital. The increased financial transparency, coupled with broader traceability of financial flows, allows the involved parties to have a broader view of the other parties involved and their reliability. |
Disclaimer/Publisher’s Note: The statements, opinions and data contained in all publications are solely those of the individual author(s) and contributor(s) and not of MDPI and/or the editor(s). MDPI and/or the editor(s) disclaim responsibility for any injury to people or property resulting from any ideas, methods, instructions or products referred to in the content. |
© 2024 by the authors. Licensee MDPI, Basel, Switzerland. This article is an open access article distributed under the terms and conditions of the Creative Commons Attribution (CC BY) license (https://creativecommons.org/licenses/by/4.0/).
Share and Cite
Bosco, G.; D’Amore, R.; Sciarrone, A.; Barile, S. Managerial and Organizational Implications Arising from the Implementation of Blockchain Technology in Supply Chains: An AS-IS and To-Be Analysis. Adm. Sci. 2024, 14, 120. https://doi.org/10.3390/admsci14060120
Bosco G, D’Amore R, Sciarrone A, Barile S. Managerial and Organizational Implications Arising from the Implementation of Blockchain Technology in Supply Chains: An AS-IS and To-Be Analysis. Administrative Sciences. 2024; 14(6):120. https://doi.org/10.3390/admsci14060120
Chicago/Turabian StyleBosco, Gerardo, Raffaele D’Amore, Alessia Sciarrone, and Sergio Barile. 2024. "Managerial and Organizational Implications Arising from the Implementation of Blockchain Technology in Supply Chains: An AS-IS and To-Be Analysis" Administrative Sciences 14, no. 6: 120. https://doi.org/10.3390/admsci14060120
APA StyleBosco, G., D’Amore, R., Sciarrone, A., & Barile, S. (2024). Managerial and Organizational Implications Arising from the Implementation of Blockchain Technology in Supply Chains: An AS-IS and To-Be Analysis. Administrative Sciences, 14(6), 120. https://doi.org/10.3390/admsci14060120

