Verification of a System for Sustainable Research on Earthquake-Induced Soil Liquefaction in 1-g Environments
Abstract
:1. Introduction
2. Skopje Sand–Material for Testing
3. Shaking Table Tests under 1-g Conditions
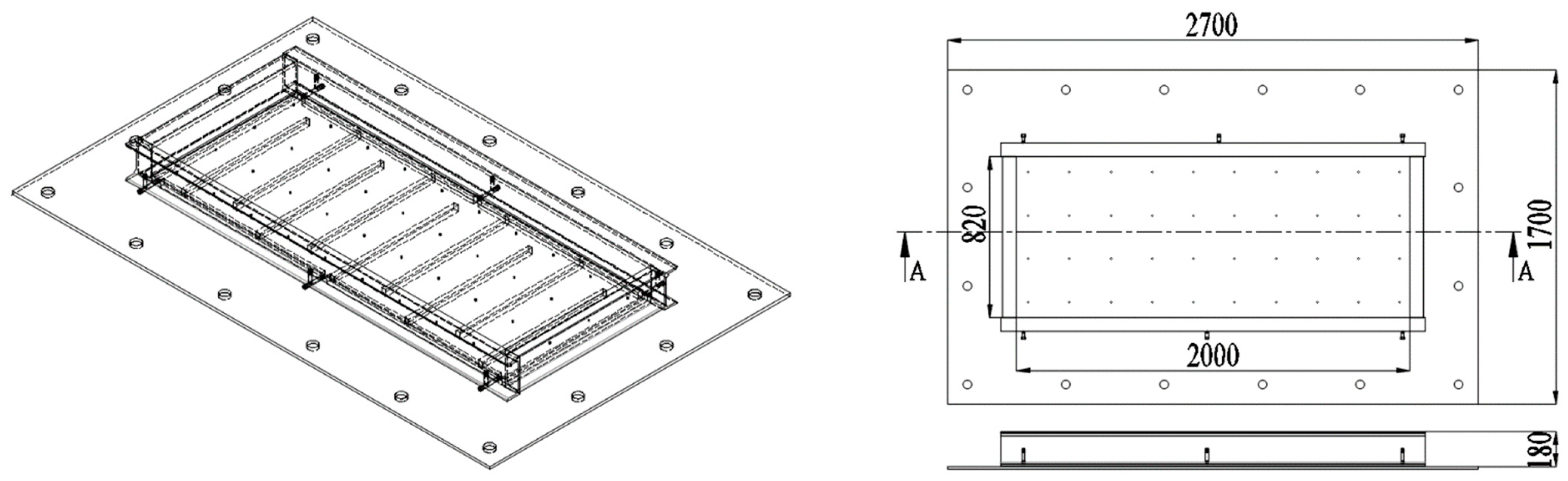
3.1. Description and Components of the Laminar Box
- The aluminum layers were designed to have minimal shear stiffness.
- The mass of the laminar box was much smaller compared to the mass of the soil.
- The membrane was designed to retain water and air, providing the possibility for saturated soil model testing.
- It allowed for the vertical settlement of the soil.
- Each aluminum layer had small dimensions for better shear movement together with the soil.
- The dimensions were large enough, providing the possibility for the improved simulation of the prototype.
- There was the possibility of increasing the confining pressure.
- The horizontal cross-section did not change during shaking.
- The shear stresses at the interface between the soil and the vertical wall were equal to the stresses in the horizontal plane.
- The free movement of soil along the transversal cross-section was enabled.
- Instrumentation setup and provision were easily managed.
- A stiff connection to the shaking table was enabled.
- Aluminum layers and ball bearings;
- A base plate with a saturation and drainage system in the floor;
- A steel frame, which was used to hold the laminar layers;
- An internal membrane providing saturation of the model and protecting the aluminum bearings from dust.

3.1.1. Aluminum Layers and Ball Bearings
3.1.2. The Steel Frame
3.1.3. Drainage System for Saturation
3.1.4. Method of Placement of the Soil
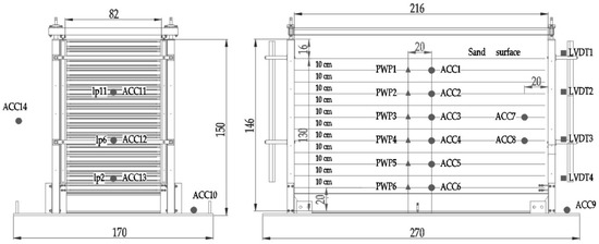
3.1.5. Instrumentation
- Accelerometers–ACC;
- Linear variable displacement transducers–LVDT;
- Pore water pressure transducers–PWP;
- Sensor product name: Kistler 8712A5M1;
- Sensor Range Value: 5 g;
- Sensor Accuracy Value: 0.0004 g.
- Sensor product name: PCB 333B50;
- Sensor Range Value: 49 m/s2;
- Sensor Accuracy Value: 0.0005 m/s2.

- Sensor product name: Macro Sensors DC 750-3000;
- Sensor Range Value: 76 mm;
- Sensor Accuracy Value: null.

- Sensor product name: Kyowa BPR-A-50KPS;
- Rated capacity 50 kPa;
- Weight 35 gr.
3.2. Results of the Shaking Table Tests
- Size: 5.0 m × 5.0 m
- Mass: 330 kN
- Maximum model mass: 400 kN with a height of 6.0 m
- Frequency range: 0–80 Hz
- Maximum horizontal acceleration: 0.70 g
4. Conclusions
- The validation of the design concepts of the laminar box.
- Simulations of the liquefaction phenomena based on the physical measurements of accelerations, displacements, and pore pressure transducers inside the geo-model.
- Based on these test results, the following can be summarized:
- The designed laminar box was tested to see whether it could be used to investigate the liquefaction phenomena and cyclic responses of cohesionless soils. The laminar box exhibited excellent behavior, and the results confirmed that the design criteria were fulfilled and that the laminar box could be used in further model tests of geo-models. The results showed that the response of the soil was essentially that of a shear beam simulating free-field conditions and that the effectiveness of the laminar box system for the shaking table tests was satisfactory for dynamic model tests under the conditions of 1-g gravity. The sand that was used in the shaking table tests was representative of the alluvial deposits around the Vardar River and the performed investigations could provide a good basis for further definitions and raising awareness about the liquefaction hazards in the Republic of North Macedonia. We strongly believe that this new design for a laminar container will overcome many of the shortcomings of previous types of laminar boxes or shear boxes related to boundary conditions, saturation of sand, etc.
- The soil sample was prepared by the so-called carpet pluviator method through a sieve that was designed based on the capacities of the laboratory. The uniformity and the density of the soil specimen prepared inside the box using this method were found to be satisfactory for loose sand deposits that are prone to liquefaction.
- The manifestation of the liquefaction was observed through acceleration and pore water pressure time response of the soil model and the frame of the laminar container. Sand liquefaction occurred within a certain depth instead of the whole specimen. The liquefaction depth in each shaking test was estimated based on the measured pore water pressure and frame movements. The surface settlement was manually measured at several points and the relative density after each shaking test was defined. It was observed that the relative density increased by ~12% after each test.
- The observations from the performed three tests confirmed that liquefaction was initiated along the depth at approximately the same time.
- The number of cycles required to initiate liquefaction increased as the relative density increased.
- The time history of the generation of pore water pressure was measured. Following the liquefaction occurrence, the period of vibration became longer, and the acceleration values decreased and tended to zero.
- The presented experimental setup and soil material represent a well-proven example of a facility for continuous and sustainable research in earthquake geotechnical engineering. The results have shown that the investigated Skopje sand is very sensitive to void parameters and that, under specific stress conditions, liquefaction associated with large deformations may occur.
Author Contributions
Funding
Institutional Review Board Statement
Informed Consent Statement
Conflicts of Interest
References
- Cubrinovski, M.; Green, R.; Allen, J.; Ashford, S.; Bowman, E.; Bradley, B.; Cox, B.; Hutchinson, T.; Kavazanjian, E.; Orense, R.; et al. Geotechnical Reconnaissance of the 2010 Darfield (New Zealand) Earthquake; University of Canterbury: Christchurch, New Zealand, 2010. [Google Scholar]
- Talaganov, K.; Petrovski, J.; Mihailov, V. Soil Liquefaction Seismic Risk Analysis Based on Post 1979 Earthquake Observations in Montenegro. In Proceedings of the First International Conference on Recent Advances in Geotechnical Earthquake Engineering & Soil Dynamics, Missouri University of Science and Technology, St. Louis, MO, USA, 26 April–3 May 1981. [Google Scholar]
- Alessio, G.; Alfonsi, L.; Brunori, C.A.; Burrato, P.; Casula, G.; Cinti, F.R.; Civico, R.; Colini, L.; Cucci, L.; De Martini, P.M. Liquefaction Phenomena Associated with the Emilia Earthquake Sequence of May–June 2012 (Northern Italy). Nat. Hazards Earth Syst. Sci. 2013, 13, 935–947. [Google Scholar]
- Fioravante, V.; Giretti, D.; Abate, G.; Aversa, S.; Boldini, D.; Capilleri, P.P.; Cavallaro, A.; Chamlagain, D.; Crespellani, T.; Dezi, F.; et al. Earthquake Geotechnical Engineering Aspects: The 2012 Emilia-Romagna Earthquake (Italy). In Proceedings of the Seventh International Conference on Case Histories in Geotechnical Engineering, Lecture No. EQ-5. Chicago, IL, USA, 29 April–4 May 2013. [Google Scholar]
- Di Ludovico, M.; Chiaradonna, A.; Bilotta, E.; Flora, A.; Prota, A. Empirical Damage and Liquefaction Fragility Curves from 2012 Emilia Earthquake Data. Earthq. Spectra 2020, 36, 507–536. [Google Scholar] [CrossRef]
- Lai, C.G.; Bozzoni, F.; Mangriotis, M.D.; Martinelli, M. Soil liquefaction during the May 20, 2012 M5.9 Emilia earthquake, Northern Italy: Field reconnaissance and post-event assessment. Earthq. Spectra 2015, 31, 2351–2373. [Google Scholar] [CrossRef]
- Antonijevic, S.K.; Arroucau, P.; Vlahovic, G. Seismotectonic Model of the Kraljevo 3 November 2010 M w 5.4 Earthquake Sequence. Seismol. Res. Lett. 2013, 84, 600–610. [Google Scholar] [CrossRef]
- Sextos, A.; Stefanidou, S.; Baltzopoulos, G.; Fragiadakis, M.; Giarlelis, C.; Lombardi, L.; Markogiannaki, O.; Mavroulis, S.; Plaka, A.; Pnevmatikos, N.; et al. ETAM Report on the Albania Earthquake of November 26, 2019. Structural and Geotechnical Damage. 2020. Available online: https://www.researchgate.net/publication/346008855_ETAM_Report_on_the_Albania_earthquake_of_November_26_2019_Structural_and_Geotechnical_Damage?channel=doi&linkId=5fb574e24585154a5fec766d&showFulltext=true (accessed on 22 May 2022).
- Fischer, E.; Hakhamaneshi, M.; Alam, M.; Alberto, Y.; Aranha, C.; Diaz-Fanas, G.; Wilfrid, D.; Gartner, M.; Hassan, W.; Isufi, B.; et al. EERI VERT Albania Earthquake Phase 1 Report; DesignSafe-CI. 2019. Available online: https://www.designsafe-ci.org/data/browser/public/designsafe.storage.published/PRJ-2649 (accessed on 22 May 2022).
- Mavroulis, S.; Lekkas, E.; Carydis, P. Liquefaction Phenomena Induced by the 26 November 2019, Mw= 6.4 Durrës (Albania) Earthquake and Liquefaction Susceptibility Assessment in the Affected Area. Geosciences 2021, 11, 215. [Google Scholar] [CrossRef]
- Amoroso, S.; Barbača, J.; Belić, N.; Kordić, B.; Brčić, V.; Budić, M.; Civico, R.; De Martini, P.M.; Hećej, N.; Kurečić, T.; et al. Liquefaction Field Reconnaissance Following the 29th December 2020 Mw 6.4 Petrinja Earthquake (Croatia). In EGU General Assembly Conference Abstracts; EGU: Munich, Germany, 2021; p. EGU21-16584. [Google Scholar]
- Baize, S.; Amoroso, S.; Belić, N.; Benedetti, L.; Boncio, P.; Budić, M.; Cinti, F.R.; Henriquet, M.; Jamšek Rupnik, P.; Kordić, B.; et al. Environmental Effects and Seismogenic Source Characterization of the December 2020 Earthquake Sequence near Petrinja, Croatia. Geophys. J. Int. 2022, 230, 1394–1418. [Google Scholar] [CrossRef]
- Kramer, S.L. Geotechnical Earthquake Engineering; Pearson Education India: Noida, India, 1996. [Google Scholar]
- Chen, Y.M.; Liu, H.L.; Zhou, Y.D. Analysis on Flow Characteristics of Liquefied and Post-liquefied Sand. Chin. J. Geotech. Eng. 2006, 28, 1139–1143. [Google Scholar]
- Chen, G.; Zhou, E.; Wang, Z.; Wang, B.; Li, X. Experimental Study on Fluid Characteristics of Medium Dense Saturated Fine Sand in Pre- and Post-liquefaction. Bull. Earthq. Eng. 2016, 14, 2185–2212. [Google Scholar]
- Flora, A.; Chiaradonna, A.; Bilotta, E.; Fasano, G.; Mele, L.; Lirer, S.; Pingue, L.; Fanti, F. Field Tests to Assess the Effectiveness of Ground Improvement for Liquefaction Mitigation. In Earthquake Geotechnical Engineering for Protection and Development of Environment and Constructions; CRC Press: Boca Raton, FL, USA, 2019; pp. 740–752. [Google Scholar]
- Tokimatsu, K.; Seed, H.B. Evaluation of Settlements in Sands due to Earthquake Shaking. J. Geotech. Eng. 1987, 113, 861–878. [Google Scholar] [CrossRef]
- Ishihara, K.; Yoshimine, M. Evaluation of Settlements in Sand Deposits Following Liquefaction During Earthquakes. Soils Found. 1992, 32, 173–188. [Google Scholar] [CrossRef]
- Franke, K.W.; Peterson, B.D.; Error, B.M.; He, J.; Harper, J.N. Probabilistic Seismic Loading Considerations for the Assessment of Liquefaction-Induced Volumetric Settlements in the Free Field. J. Geotech. Geoenviron. Eng. 2021, 147, 04020175. [Google Scholar] [CrossRef]
- Geyin, M.; Maurer, B.W. An Analysis of Liquefaction-induced Free-field Ground Settlement Using 1,000+ Case Histories: Observations vs. State-of-Practice Predictions. In Geo-Congress 2019: Earthquake Engineering and Soil Dynamics 2019, March; American Society of Civil Engineers: Reston, VA, USA, 2019; pp. 489–498. [Google Scholar]
- Lirer, S.; Mele, L. On the Apparent Viscosity of Granular Soils During Liquefaction Tests. Bull. Earthq. Eng. 2019, 17, 5809–5824. [Google Scholar] [CrossRef]
- Mele, L. An Experimental Study on the Apparent Viscosity of Sandy Soils: From Liquefaction Triggering to Pseudo-plastic Behaviour of Liquefied Sands. Acta Geotech. 2022, 17, 463–481. [Google Scholar] [CrossRef]
- Prasad, S.K.; Towhata, I.; Chandradhara, G.P.; Nanjundaswamy, P. Shaking Table Tests in Earthquake Geotechnical Engineering. Curr. Sci. 2004, 87, 1398–1404. [Google Scholar]
- Ueng, T.S. Shaking Table Tests for Studies of Soil Liquefaction and Soil-Pile Interaction. Geotech. Eng. 2010, 41, 29. [Google Scholar]
- Kokusho, T. Current State of Research on Flow Failure Considering Void Redistribution in Liquefied Deposits. Soil Dyn. Earthq. Eng. 2003, 23, 585–603. [Google Scholar] [CrossRef]
- Carvalho, A.T.; Bilé Serra, J.; Oliveira, F.; Morais, P.; Ribeiro, A.R.; Santos Pereira, C. Design of Experimental Setup for 1 g Seismic Load Tests on Anchored Retaining Walls. In Physical Modelling in Geotechnics; Springman, S., Laue, J., Seward, L., Eds.; Taylor & Francis Group: London, UK, 2010; ISBN 978–0-415–59288–8. [Google Scholar]
- Coelho, P. In situ Densification as a Liquefaction Resistance Measure for Bridge Foundations. Ph.D. Thesis, Churchill College, Cambridge, UK, 2007. [Google Scholar]
- Cubrinovski, M.; Kokusho, T.; Ishihara, K. Interpretation from Large-Scale Shake Table Tests on Piles Undergoing Lateral Spreading in Liquefied Soils. Soil Dyn. Earthq. Eng. 2006, 26, 275–286. [Google Scholar] [CrossRef]
- Taylor, C.A.; Dar, A.R.; Crew, A.J. Shaking Table Modelling of Seismic Geotechnical Problems. In Proceedings of the 10th European Conference on Earthquake Engineering, Vienna, Austria, 28 August–2 September 1994; Volume 4, pp. 441–446. [Google Scholar]
- Orense, R.P.; Morimoto, I.; Yamamoto, Y.A.; Yumiyama, T.; Yamamoto, H.; Sugawara, K. Study on Wall-type Gravel Drains as Liquefaction Countermeasure for Underground Structures. Soil Dyn. Earthq. Eng. 2003, 23, 19–39. [Google Scholar] [CrossRef]
- Sesov, V. Dynamic Behavior of Potentially Nonstable Layers and Application of a Model for Decreasing the Seismic Risk of Liquefaction Occurrence. Ph.D. Thesis, University Ss. Cyril and Methodius, Institute of Earthquake Engineering and Engineering Seismology-IZIIS, Skopje, Macedonia, 2003. [Google Scholar]
- Towhata, I. Development of Geotechnical Earthquake Engineering in Japan. 6th Int. Conf. Soil Mech. Geotech. Eng. Osaka Japan 2004, 1, 251–291. [Google Scholar]
- Jafarzadeh, F. Design and Evaluation Concepts of Laminar Shear Box for 1g Shaking Table Tests. In Proceedings of the 13th World Conference on Earthquake Engineering, No. 1391. Vancouver, BC, Canada, 1–6 August 2004. [Google Scholar]
- Arulmoli, K.; Muraleetharan, K.K.; Hossain, M.M.; Fruth, L.S. VELACS: Verification of liquefaction. Analyses by centrifuge studies, laboratory testing program; Report no. 90-0562; The Earth Technology Corporation: Irvine, CA, USA, 1992. [Google Scholar]
- El Ghoraiby, M.A.; Park, H.; Manzari, M. LEAP-2017 GWU Laboratory Tests. DesignSafe-CI, Dataset. 2018. Available online: https://www.designsafe-ci.org/data/browser/public/designsafe.storage.published/PRJ-1783 (accessed on 22 May 2022).
- Özcebe, A.G.; Giretti, D.; Bozzoni, F.; Fioravante, V.; Lai, C.G. Centrifuge and numerical modelling of earthquake-induced soil liquefaction under free-field conditions and by considering soil–structure interaction. Bull. Earthq. Eng. 2021, 19, 47–75. [Google Scholar] [CrossRef]
- Poceski, A. The Ground Effects of the Skopje July 26, 1963 Earthquake. Bull. Seismol. Soc. Am. 1969, 59, 1–22. [Google Scholar] [CrossRef]
- Bojadjieva, J.; Sesov, V.; Edip, K. Sand Characterization for Experimental Studies on Liquefaction Phenomena. In Proceedings of the GE Conference, from Case History to Practice in Honour of Prof. Kenji Ishihara, Istanbul, Turkey, 17–19 June 2013. [Google Scholar]
- Bojadjieva, J. Dynamic Behavior of Saturated Cohesionless Soils Based on Element And 1-G Experiments. Ph.D. Thesis, Ss. Cyril and Methodius: Institute of Earthquake Engineering and Engineering Seismology, Skopje, Macedonia, 2015. [Google Scholar]
- Terzaghi, K.; Peck, R.B.; Mesri, G. Soil Mechanics in Engineering Practice; John Wiley & Sons: Hoboken, NJ, USA, 1996. [Google Scholar]
- Turan, A.; Hinchberger, S.D.; El Naggar, H. Design and Commissioning of a Laminar Soil Container for Use on Small Shaking Tables. Soil Dyn. Earthq. Eng. 2009, 29, 404–414. [Google Scholar] [CrossRef]
- Gade, V.K.; Dave, T.N.; Chauhan, V.B.; Dasaka, S.M. Portable Traveling Pluviator to Reconstitute Specimens of Cohesionless Soils. In Proceedings of the Indian Geotechnical Conference Roorkee; University in Roorkee: Roorkee, India, 2013. [Google Scholar]
- Stringer, M.E.; Pedersen, L.; Nuss, B.D.; Wilson, D.W. Design and Use of a Rotating Spiral Pluviator for Creating Large Sand Models. In ICPMG2014 Physical Modelling in Geotechnics; CRC Press: Boca Raton, FL, USA, 2013; pp. 253–258. [Google Scholar]














| emin (Minimum Void Ratio) | emax (Maximum Void Ratio) | Gs [kN/m3] (Specific Gravity) | D50 [mm] (Median Particle Size Diameter) | Cu (Uniformity Coefficient) | Cc (Coefficient of Curvature) |
|---|---|---|---|---|---|
| 0.95 | 0.51 | 2.615 | 0.26 | 1.8 | 0.8 |
| Test Name | Type | Frequency | Amplitude | Duration |
|---|---|---|---|---|
| Test_01 | Harmonic | 2 Hz | 0.05 g | 12 sec |
| Test_02 | Harmonic | 2 Hz | 0.1 g | 12 sec |
| Test_03 | Harmonic | 2 Hz | 0.2 g | 12 sec |
| Measuring Point | Settlement after Test No. 1 (0.05 g) [cm] | Settlement after Test No. 2 (0.1 g) | Settlement after Test No. 3 (0.2 g) | |
|---|---|---|---|---|
| 1 | 3.2 | 2.8 | 4.9 | ![]() |
| 2 | 3.7 | 2.8 | 4.3 | |
| 3 | 2.8 | 4.3 | 4.0 | |
| 4 | 1.4 | 3.8 | 4.2 | |
| 5 | 2.8 | 3.7 | 3.5 | |
| 6 | 1.6 | 4.4 | 3.8 | |
| 7 | 3.8 | 3.6 | 3.3 | |
| 8 | 3.3 | 3.5 | 3.5 | |
| 9 | 3.6 | 3.8 | 3.0 | |
| Average settlements per test [cm] | 2.9 | 3.6 | 3.8 | |
| Relative density Dr (%) | 41% | 53% | 65% |
Publisher’s Note: MDPI stays neutral with regard to jurisdictional claims in published maps and institutional affiliations. |
© 2022 by the authors. Licensee MDPI, Basel, Switzerland. This article is an open access article distributed under the terms and conditions of the Creative Commons Attribution (CC BY) license (https://creativecommons.org/licenses/by/4.0/).
Share and Cite
Bojadjieva, J.; Sheshov, V.; Edip, K.; Kitanovski, T. Verification of a System for Sustainable Research on Earthquake-Induced Soil Liquefaction in 1-g Environments. Geosciences 2022, 12, 363. https://doi.org/10.3390/geosciences12100363
Bojadjieva J, Sheshov V, Edip K, Kitanovski T. Verification of a System for Sustainable Research on Earthquake-Induced Soil Liquefaction in 1-g Environments. Geosciences. 2022; 12(10):363. https://doi.org/10.3390/geosciences12100363
Chicago/Turabian StyleBojadjieva, Julijana, Vlatko Sheshov, Kemal Edip, and Toni Kitanovski. 2022. "Verification of a System for Sustainable Research on Earthquake-Induced Soil Liquefaction in 1-g Environments" Geosciences 12, no. 10: 363. https://doi.org/10.3390/geosciences12100363
APA StyleBojadjieva, J., Sheshov, V., Edip, K., & Kitanovski, T. (2022). Verification of a System for Sustainable Research on Earthquake-Induced Soil Liquefaction in 1-g Environments. Geosciences, 12(10), 363. https://doi.org/10.3390/geosciences12100363


