An Isolated Arthrobacter sp. Enhances Rice (Oryza sativa L.) Plant Growth
Abstract
:1. Introduction
2. Materials and Methods
2.1. Isolation and Identification
2.2. Plant Growth-Promoting Traits
2.2.1. Detection and Quantification of Indole-3-Acetic Acid Production
2.2.2. Siderophore Production
2.2.3. Screening for Putative Nitrogen Fixation
2.2.4. Phosphate Solubility
2.3. Biofilm Formation
2.4. Antimicrobial and Antifungal Test
2.5. Rice Seed Sterilization, Germination, and Innoculation (In Vitro)
2.6. Pot Experiment Assay
2.7. Plant Root Colonization
2.8. Genome Annotation and Analysis of Genes Involved in PGPB
3. Results
3.1. Isolation and Identification
3.2. Plant Growth Promoting Traits
3.3. Biofilm Formation
3.4. Antimicrobial and Antifungal Test
3.5. Innoculation of Arthrobacter sp. GN70
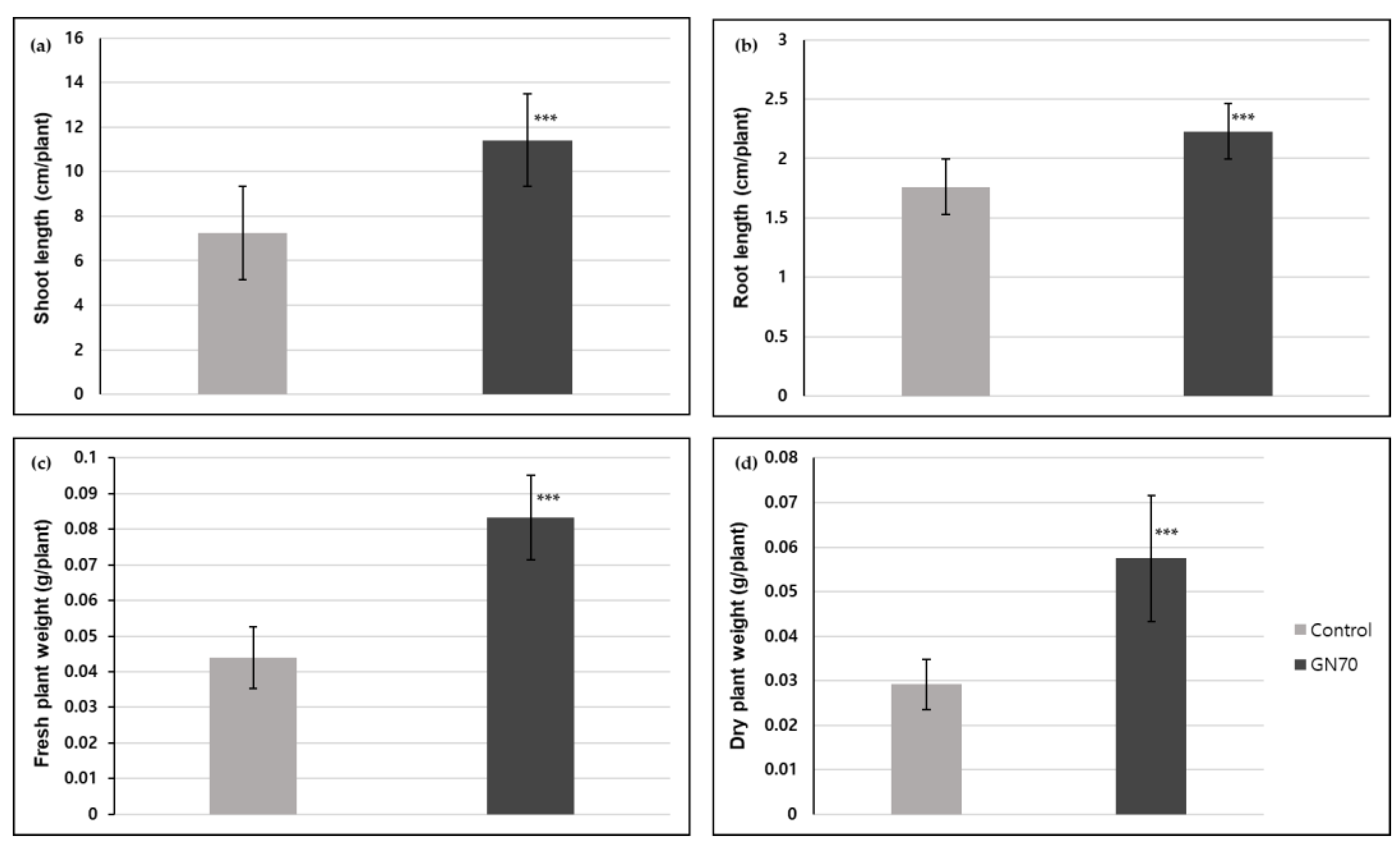
3.6. Innoculation Effects in Pot Experiment
3.7. Plant Root Colonization
3.8. Genome Annotation and Analysis of Genes Involved in PGPB
4. Discussion
Supplementary Materials
Author Contributions
Funding
Data Availability Statement
Conflicts of Interest
References
- García de Salamone, I.E.; Funes, J.M.; Di Salvo, L.P.; Escobar-Ortega, J.S.; D’Auria, F.; Ferrando, L.; Fernandez-Scavino, A. Inoculation of paddy rice with Azospirillum brasilense and Pseudomonas fluorescens: Impact of plant genotypes on rhizosphere microbial communities and field crop production. Appl. Soil Ecol. 2012, 61, 196–204. [Google Scholar] [CrossRef]
- Backer, R.; Rokem, J.S.; Ilangumaran, G.; Lamont, J.; Praslickova, D.; Ricci, E.; Subramanian, S.; Smith, D.L. Plant growth-promoting rhizobacteria: Context, mechanisms of action, and roadmap to commercialization of biostimulants for sustainable agriculture. Front. Plant Sci. 2018, 871, 1473. [Google Scholar] [CrossRef] [PubMed] [Green Version]
- Ngalimat, M.S.; Hata, E.M.; Zulperi, D.; Ismail, S.I.; Ismail, M.R.; Zainudin, N.A.I.M.; Saidi, N.B.; Yusof, M.T. Plant Growth-Promoting Bacteria as an Emerging Tool to Manage Bacterial Rice Pathogens. Microorganisms 2021, 9, 682. [Google Scholar] [CrossRef] [PubMed]
- Tiwari, S.; Singh, P.; Tiwari, R.; Meena, K.K.; Yandigeri, M.; Singh, D.P.; Arora, D.K. Salt-tolerant rhizobacteria-mediated induced tolerance in wheat (Triticum aestivum) and chemical diversity in rhizosphere enhance plant growth. Biol. Fertil. Soils 2011, 47, 907–916. [Google Scholar] [CrossRef]
- Gopalakrishnan, S.; Srinivas, V.; Vidya, M.S.; Rathore, A. Plant growth-promoting activities of Streptomyces spp. in sorghum and rice. Springerplus 2013, 2, 574. [Google Scholar] [CrossRef] [Green Version]
- Zafar, M.; Abbasi, M.K.; Khan, M.A.; Khaliq, A.; Sultan, T.; Aslam, M. Effect of Plant Growth-Promoting Rhizobacteria on Growth, Nodulation and Nutrient Accumulation of Lentil Under Controlled Conditions. Pedosphere 2012, 22, 848–859. [Google Scholar] [CrossRef]
- Fuchs, G.; Boll, M.; Heider, J. Microbial degradation of aromatic compounds- From one strategy to four. Nat. Rev. Microbiol. 2011, 9, 803–816. [Google Scholar] [CrossRef]
- Xu, M.; He, Z.; Zhang, Q.; Liu, J.; Guo, J.; Sun, G.; Zhou, J. Responses of Aromatic-Degrading Microbial Communities to Elevated Nitrate in Sediments. Environ. Sci. Technol. 2015, 49, 12422–12431. [Google Scholar] [CrossRef]
- Bashan, Y.; de-Bashan, L.E.; Prabhu, S.R.; Hernandez, J.P. Advances in plant growth-promoting bacterial inoculant technology: Formulations and practical perspectives (1998–2013). Plant Soil 2014, 378, 1–33. [Google Scholar] [CrossRef] [Green Version]
- Glick, B.R. The enhancement of plant growth by free-living bacteria. Can. J. Microbiol. 2011, 41, 109–117. [Google Scholar] [CrossRef]
- Sandhya, V.Z.A.S.; Grover, M.; Reddy, G.; Venkateswarlu, B. Alleviation of drought stress effects in sunflower seedlings by the exopolysaccharides producing Pseudomonas putida strain GAP-p45. Biol. Fertil. Soils 2009, 46, 17–26. [Google Scholar] [CrossRef]
- Caracciolo, A.B.; Terenzi, V.; Saccà, L.; Manici, L.M. Rhizosphere Microbial Communities and Heavy Metals. Microorganisms 2021, 9, 1462. [Google Scholar] [CrossRef] [PubMed]
- Chhetri, G.; Kim, J.; Kim, I.; Lee, B.; Jang, W.; Seo, T. Adhaeribacter rhizoryzae sp. nov., a fibrillar matrix-producing bacterium isolated from the rhizosphere of rice plant. Int. J. Syst. Evol. Microbiol. 2020, 70, 5382–5388. [Google Scholar] [CrossRef] [PubMed]
- Chhetri, G.; Kim, J.; Kim, I.; Kang, M.; Seo, T. Limnohabitans radicicola sp. nov., a slow-growing bacterium isolated from rhizosphere of rice plant and emended description of the genus Limnohabitans. Int. J. Syst. Evol. Microbiol. 2021, 71, 004957. [Google Scholar] [CrossRef] [PubMed]
- Chhetri, G.; Kim, I.; Kang, M.; Kim, J.; So, Y.; Seo, T. Devosia rhizoryzae sp. nov., and Devosia oryziradicis sp. nov., novel plant growth promoting members of the genus Devosia, isolated from the rhizosphere of rice plants. J. Microbiol. 2021, 60, 1–10. [Google Scholar] [CrossRef] [PubMed]
- Lugtenberg, B.J.J.; Kravchenko, L.V.; Simons, M. Tomato seed and root exudate sugars: Composition, utilization by Pseudomonas biocontrol strains and role in rhizosphere colonization. Environ. Microbiol. 1999, 1, 439–446. [Google Scholar] [CrossRef]
- Kuiper, I.; Bloemberg, G.V.; Noreen, S.; Thomas-Oates, J.E.; Lugtenberg, B.J.J. Increased Uptake of Putrescine in the Rhizosphere Inhibits Competitive Root Colonization by Pseudomonas fluorescens Strain WCS365. Mol. Plant Microbe Interact. 2001, 14, 1096–1104. [Google Scholar] [CrossRef] [Green Version]
- Kim, I.; Kim, J.; Chhetri, G.; Seo, T. Flavobacterium humi sp. nov., a flexirubin-type pigment producing bacterium, isolated from soil. J. Microbiol. 2019, 57, 1079–1085. [Google Scholar] [CrossRef]
- Yoon, S.H.; Ha, S.M.; Kwon, S.; Lim, J.; Kim, Y.; Seo, H.; Chun, J. Introducing EzBioCloud: A taxonomically united database of 16S rRNA gene sequences and whole-genome assemblies. Int. J. Syst. Evol. Microbiol. 2017, 67, 1613–1617. [Google Scholar] [CrossRef]
- Tatusov, R.L.; Galperin, M.Y.; Natale, D.A.; Koonin, E.V. The COG database: A tool for genome-scale analysis of protein functions and evolution. Nucleic Acids Res. 2000, 28, 33–36. [Google Scholar] [CrossRef] [Green Version]
- Sachdev, D.P.; Chaudhari, H.G.; Kasture, V.M.; Dhavale, D.D.; Chopade, B.A. Isolation and characterization of indole acetic acid (IAA) producing Klebsiella pneumoniae strains from rhizosphere of wheat (Triticum aestivum) and their effect on plant growth. Indian J. Exp. Biol. 2009, 47, 993–1000. [Google Scholar] [PubMed]
- Schwyn, B.; Neilands, J.B. Universal chemical assay for the detection and determination of siderophores. Anal. Biochem. 1987, 160, 47–56. [Google Scholar] [CrossRef]
- Jimtha, J.C.; Smitha, P.V.; Anisha, C.; Deepthi, T.; Meekha, G.; Radhakrishnan, E.K.; Gayatri, G.P.; Remakanthan, A. Isolation of endophytic bacteria from embryogenic suspension culture of banana and assessment of their plant growth promoting properties. Plant Cell. Tissue Organ Cult. 2014, 118, 57–66. [Google Scholar] [CrossRef]
- Pikovskaya, R.I. Mobilization of phosphorus in soil in connection with vital activity of some microbial species. Mikrobiologiya 1948, 17, 362–370. [Google Scholar]
- Chhetri, G.; Kim, I.; Kim, J.; So, Y.; Seo, T. Chryseobacterium tagetis sp. nov., a plant growth promoting bacterium with an antimicrobial activity isolated from the roots of medicinal plant (Tagetes patula). J. Antibiot. 2022, 75, 312–320. [Google Scholar] [CrossRef] [PubMed]
- Kim, I.; Chhetri, G.; Kim, J.; Seo, T. Amnibacterium setariae sp. nov., an endophytic actinobacterium isolated from dried foxtail. Antonie Van Leeuwenhoek 2019, 112, 1731–1738. [Google Scholar] [CrossRef]
- Chhetri, G.; Kim, I.; Kang, M.; Kim, J.; So, Y.; Seo, T. Flavobacterium tagetis sp. nov., a novel urea-hydrolysing bacterium isolated from the roots of Tagetes patula. Int. J. Syst. Evol. Microbiol 2021, 71, 4984. [Google Scholar] [CrossRef]
- Parks, D.H.; Imelfort, M.; Skennerton, C.T.; Hugenholtz, P.; Tyson, G.W. CheckM: Assessing the quality of microbial genomes recovered from isolates, single cells, and metagenomes. Genome Cshlp. Org. 2015, 25, 1043–1055. [Google Scholar] [CrossRef] [Green Version]
- Huerta-Cepas, J.; Forslund, K.; Coelho, L.P.; Szklarczyk, D.; Jensen, L.J.; Von Mering, C.; Bork, P. Fast Genome-Wide Functional Annotation through Orthology Assignment by eggNOG-Mapper. Mol. Biol. Evol. 2017, 34, 2115–2122. [Google Scholar] [CrossRef] [Green Version]
- Blin, K.; Shaw, S.; Steinke, K.; Villebro, R.; Ziemert, N.; Lee, S.Y.; Medema, M.H.; Weber, T. antiSMASH 5.0: Updates to the secondary metabolite genome mining pipeline. Nucleic Acids Res. 2019, 47, W81–W87. [Google Scholar] [CrossRef] [Green Version]
- Flemming, H.C. EPS—Then and Now. Microorganisms 2016, 4, 41. [Google Scholar] [CrossRef] [PubMed] [Green Version]
- Mah, T.F.; Pitts, B.; Pellock, B.; Walker, G.C.; Stewart, P.S.; O’Toole, G.A. A genetic basis for Pseudomonas aeruginosa biofilm antibiotic resistance. Nature 2003, 426, 306–310. [Google Scholar] [CrossRef] [PubMed]
- Vacheron, J.; Desbrosses, G.; Bouffaud, M.L.; Touraine, B.; Moënne-Loccoz, Y.; Muller, D.; Legendre, L.; Wisniewski-Dyé, F.; Prigent-Combaret, C. Plant growth-promoting rhizobacteria and root system functioning. Front. Plant Sci. 2013, 4, 356. [Google Scholar] [CrossRef] [PubMed] [Green Version]
- Cassán, F.; Coniglio, A.; López, G.; Molina, R.; Nievas, S.; de Carlan, C.L.N.; Donadio, F.; Torres, D.; Rosas, S.; Pedrosa, F.O.; et al. Everything you must know about Azospirillum and its impact on agriculture and beyond. Biol. Fertil. Soils 2020, 56, 461–479. [Google Scholar] [CrossRef]
- Leontidou, K.; Genitsaris, S.; Papadopoulou, A.; Kamou, N.; Bosmali, I.; Matsi, T.; Madesis, P.; Vokou, D.; Karamanoli, K.; Mellidou, I. Plant growth promoting rhizobacteria isolated from halophytes and drought-tolerant plants: Genomic characterisation and exploration of phyto-beneficial traits. Sci. Rep. 2020, 10, 14857. [Google Scholar] [CrossRef]
- Munaganti, R.K.; Muvva, V.; Konda, S.; Naragani, K.; Mangamuri, U.K.; Dorigondla, K.R.; Akkewar, D.M. Antimicrobial profile of Arthrobacter kerguelensis VL-RK_09 isolated from Mango orchards. Braz. J. Microbiol. 2016, 47, 1030–1038. [Google Scholar] [CrossRef] [Green Version]
- Upadhyay, S.K.; Singh, J.S.; Saxena, A.K.; Singh, D.P. Impact of PGPR inoculation on growth and antioxidant status of wheat under saline conditions. Plant Biol. 2012, 14, 605–611. [Google Scholar] [CrossRef]
- Dakora, F.D.; Matiru, V.N.; Kanu, A.S. Rhizosphere ecology of lumichrome and riboflavin, two bacterial signal molecules eliciting developmental changes in plants. Front. Plant Sci. 2015, 6, 700. [Google Scholar] [CrossRef] [Green Version]
- Hassan, A.H.A.; Alkhalifah, D.H.M.; Al Yousef, S.A.; Beemster, G.T.S.; Mousa, A.S.M.; Hozzein, W.N.; AbdElgawad, H. Salinity Stress Enhances the Antioxidant Capacity of Bacillus and Planococcus Species Isolated From Saline Lake Environment. Front. Microbiol. 2020, 11, 2191. [Google Scholar] [CrossRef]
- Vitreschak, A.G.; Rodionov, D.A.; Mironov, A.A.; Gelfand, M.S. Regulation of riboflavin biosynthesis and transport genes in bacteria by transcriptional and translational attenuation. Nucleic. Acids Res. 2002, 30, 3141–3151. [Google Scholar] [CrossRef] [Green Version]
- Mahmoudi, T.R.; Yu, J.M.; Liu, S.; Pierson, L.S.; Pierson, E.A. Drought-stress tolerance in wheat seedlings conferred by phenazine-producing rhizobacteria. Front. Microbiol. 2019, 10, 1590. [Google Scholar] [CrossRef] [PubMed] [Green Version]
- Harikrishnan, H.; Shanmugaiah, V.; Nithya, K.; Balasubramanian, N.; Sharma, M.P.; Gachomo, E.W.; Kotchoni, S.O. Enhanced production of phenazine-like metabolite produced by Streptomyces aurantiogriseus VSMGT1014 against rice pathogen, Rhizoctonia solani. J. Basic Microbiol. 2016, 56, 153–161. [Google Scholar] [CrossRef] [PubMed]
- Shanmugaiah, V.; Mathivanan, N.; Varghese, B. Purification, crystal structure and antimicrobial activity of phenazine-1-carboxamide produced by a growth-promoting biocontrol bacterium, Pseudomonas aeruginosa MML2212. J. Appl. Microbiol. 2010, 108, 703–711. [Google Scholar] [CrossRef] [PubMed]
- Pii, Y.; Mimmo, T.; Tomasi, N.; Terzano, R.; Cesco, S.; Crecchio, C. Microbial interactions in the rhizosphere: Beneficial influences of plant growth-promoting rhizobacteria on nutrient acquisition process. A review. Biol. Fertil. Soils 2015, 51, 403–415. [Google Scholar] [CrossRef]
- Shafi, J.; Tian, H.; Ji, M. Bacillus species as versatile weapons for plant pathogens: A review. Biotechnol. Biotechnol. Equip. 2017, 31, 446–459. [Google Scholar] [CrossRef] [Green Version]
- Duca, D.; Lorv, J.; Patten, C.L.; Rose, D.; Glick, B.R. Indole-3-acetic acid in plant–microbe interactions. Antonie Van Leeuwenhoek 2014, 106, 85–125. [Google Scholar] [CrossRef]
- Phillips, K.A.; Skirpan, A.L.; Liu, X.; Christensen, A.; Slewinski, T.L.; Hudson, C.; Barazesh, S.; Cohen, J.D.; Malcomber, S.; McSteen, P. vanishing tassel2 Encodes a Grass-Specific Tryptophan Aminotransferase Required for Vegetative and Reproductive Development in Maize. Plant Cell 2011, 23, 550–566. [Google Scholar] [CrossRef] [Green Version]
- Uga, Y.; Sugimoto, K.; Ogawa, S.; Rane, J.; Ishitani, M.; Hara, N.; Kitomi, Y.; Inukai, Y.; Ono, K.; Kanno, N.; et al. Control of root system architecture by DEEPER ROOTING 1 increases rice yield under drought conditions. Nat. Genet. 2013, 45, 1097–1102. [Google Scholar] [CrossRef]
- Ahemad, M.; Kibret, M. Mechanisms and applications of plant growth promoting rhizobacteria: Current perspective. J. King Saud Univ. Sci. 2014, 26, 1–20. [Google Scholar] [CrossRef] [Green Version]
- Bhatti, T.M.; Yawar, W. Bacterial solubilization of phosphorus from phosphate rock containing sulfur-mud. Hydrometallurgy 2010, 103, 54–59. [Google Scholar] [CrossRef]
- Kloepper, J.W.; Leong, J.; Teintze, M.; Schroth, M.N. Enhanced plant growth by siderophores produced by plant growth-promoting rhizobacteria. Nature 1980, 286, 885–886. [Google Scholar] [CrossRef]
- Ahmed, E.; Holmström, S.J.M. Siderophores in environmental research: Roles and applications. Microb. Biotechnol. 2014, 7, 196–208. [Google Scholar] [CrossRef]
- Franche, C.; Lindström, K.; Elmerich, C. Nitrogen-fixing bacteria associated with leguminous and non-leguminous plants. Plant Soil 2008, 321, 35–59. [Google Scholar] [CrossRef]
- Rashid, S.; Charles, T.C.; Glick, B.R. Isolation and characterization of new plant growth-promoting bacterial endophytes. Appl. Soil Ecol. 2012, 61, 217–224. [Google Scholar] [CrossRef]
- Alvarez, A.M. Black Rot of Crucifers. In Mechanisms of Resistance to Plant Diseases; Springer: Dordrecht, The Netherlands, 2000; pp. 21–52. [Google Scholar] [CrossRef]
- Lee, H.B.; Hong, J.P.; Kim, S.B. First Report of Leaf Blight Caused by Pantoea agglomerans on Rice in Korea. Plant Dis. 2010, 94, 1372. [Google Scholar] [CrossRef] [PubMed]
- Li, L.; Liu, L.; Wang, G.; Wang, A.; Wang, L.; Sun, L.; Li, Q.; Huang, S. Research Progress of Spikelet Rot Disease and Bacterial Panicle Blight of Rice. Chin. J. Rice Sci. 2015, 29, 215. [Google Scholar] [CrossRef]
- Velázquez-Becerra, C.; Macías-Rodríguez, L.I.; López-Bucio, J.; Flores-Cortez, I.; Santoyo, G.; Hernández-Soberano, C.; Valencia-Cantero, E. The rhizobacterium Arthrobacter agilis produces dimethylhexadecylamine, a compound that inhibits growth of phytopathogenic fungi in vitro. Protoplasma 2013, 250, 1251–1262. [Google Scholar] [CrossRef]
- Qin, S.; Zhang, Y.J.; Yuan, B.; Xu, P.Y.; Xing, K.; Wang, J.; Jiang, J.H. Isolation of ACC deaminase-producing habitat-adapted symbiotic bacteria associated with halophyte Limonium sinense (Girard) Kuntze and evaluating their plant growth-promoting activity under salt stress. Plant Soil 2013, 374, 753–766. [Google Scholar] [CrossRef]
- Sziderics, A.H.; Rasche, F.; Trognitz, F.; Sessitsch, A.; Wilhelm, E. Bacterial endophytes contribute to abiotic stress adaptation in pepper plants (Capsicum annuum L.). Can. J. Microbiol. 2007, 53, 1195–1202. [Google Scholar] [CrossRef]
- Ruppel, S.; Franken, P.; Witzel, K. Properties of the halophyte microbiome and their implications for plant salt tolerance. Funct. Plant Biol. 2013, 40, 940–951. [Google Scholar] [CrossRef] [Green Version]
- Herpell, J.B.; Vanwijnsberghe, S.; Peeters, C.; Schindler, F.; Fragner, L.; Bejtović, M.; Weckwerth, W.; Vandamme, P. Paraburkholderia dioscoreae sp. Nov., a novel plant associated growth promotor. Int. J. Syst. Evol. Microbiol. 2021, 71, 004969. [Google Scholar] [CrossRef] [PubMed]







| Sequencing Analysis | Plant Growth Promoting Traits | |||||||
|---|---|---|---|---|---|---|---|---|
| No. | Sample Name | Top Taxon Name | 16S rRNA Gene Accession No. | Similarity (%) | Siderophore Production | Phosphate Solubilization | Nitrogen Fixation | IAA Production (µg/mL) |
| 1 | W1 | Lysobacter niabensis GH34-4 | DQ462461 | 98.55 | + | − | − | 5.1 |
| 2 | S1 | Sphingomonas azotifigens IFO 15497 | NR040835 | 99.79 | + | − | − | 8.5 |
| 3 | S12 | Mycolicibacterium anyangense QIA-38 | KJ855063 | 100.00 | + | − | − | 1.9 |
| 4 | S14 | Streptomyces griseus KACC 20084 | NR042791 | 100.00 | − | − | − | 2.8 |
| 5 | S15 | Stenotrophomonas rhizophila DSM 14405 | NR028930 | 99.86 | + | − | − | 8.5 |
| 6 | Cont1 | Hymenobacter aquatilis HMF3095 | KT273909 | 100.00 | − | − | − | 3.8 |
| 7 | 2S11 | Streptomyces novaecaesareae NBRC 13368 | NR041124 | 99.93 | − | − | − | 3.9 |
| 8 | 2S17 | Nocardioides terrigena DS-17 | EF363712 | 99.30 | + | − | − | 1.8 |
| 9 | NS3-4 | Microbacterium trichothecenolyticum DSM 8608 | NR044937 | 99.72 | − | − | + | 2.6 |
| 10 | NS3-6 | Caulobacter rhizosphaerae 7F14 | KX792139 | 99.72 | + | − | + | 18.2 |
| 11 | NS3-7 | Sphingomonas mali IFO 15500 | NR026374 | 100.00 | + | − | + | 2.6 |
| 12 | NS5-3 | Alteraurantiacibacter buctensis M0322 | KJ599648 | 99.65 | − | − | + | 2.7 |
| 13 | NS6-1 | Mycolicibacterium llatzerense MG13 | AJ746070 | 99.28 | − | − | + | 1.8 |
| 14 | NS9-1 | Ideonella dechloratans CCUG 30898 | X72724 | 97.67 | + | − | + | 3.5 |
| 15 | NS9-3 | Acidovorax delafieldii 133 | NR028714 | 99.24 | − | − | + | 3.6 |
| 16 | NS11 | Pelomonas saccharophila DSM 654 | NR024710 | 99.17 | − | − | + | 8.1 |
| 17 | NS12-2 | Pelomonas puraquae CCUG 52769 | AM501439 | 98.96 | − | − | + | 5.1 |
| 18 | NS12-5 | Ideonella dechloratans CCUG 30898 | X72724 | 99.38 | + | − | + | 4.7 |
| 19 | P2 | Burkholderia vietnamiensis LMG 10929 | NR041720 | 100.00 | + | + | + | 8.9 |
| 20 | P3 | Burkholderia gladioli NBRC 13700 | AB680484 | 99.66 | + | + | − | 6.1 |
| 21 | P6 | Burkholderia latens R-5630 | AM747628 | 99.93 | + | + | − | 7.5 |
| 22 | P7 | Pelomonas saccharophila DSM 654 | NR024710 | 98.68 | + | − | − | 10.6 |
| 23 | Sa | Dyella thiooxydans ATSB10 | EF397574 | 99.18 | + | − | − | 3.8 |
| 24 | CT2 | Alteraurantiacibacter buctensis M0322 | KJ599648 | 99.64 | + | − | − | 2.4 |
| 25 | RS2 | Pseudomonas kribbensis 46-2 | KT321658 | 99.86 | + | − | − | 10.4 |
| 26 | RS18 | Agromyces tardus SJ-23 | MH342641 | 100.00 | + | − | − | 3.8 |
| 27 | SO | Streptomyces fulvissimu DSM 40593 | LM999765 | 99.86 | − | − | − | 2.3 |
| 28 | T2 | Aeromonas veronii 115/II | NR044845 | 99.79 | − | − | − | 4.8 |
| 29 | T5 | Exiguobacterium undae L2 | AJ344151 | 99.93 | − | − | − | 1.7 |
| 30 | GN70 | Arthrobacter terricola JH1-1 | MG210584 | 100.00 | + | − | + | 50.3 |
| Microorganisms | Zone of Inhibition (Diameter, mm) |
|---|---|
| Bacillus subtilis subsp. subtilis KACC 16747 | 9 ± 1.5 |
| Staphylococcus aureus subsp. aureus ATCC 6538 | 16 ± 1.4 |
| Pantoea agglomerans KACC 10054 | 24 ± 0.7 |
| Xanthomonas campestris pv. campestris KACC 10377 | 22 ± 2.1 |
| Pseudomonas aeruginosa ATCC 6538 | 16 ± 1.8 |
| Staphylococcus epidermidis KACC 13234 | 18 ± 2.1 |
| * Fusarium proliferatum KACC 44025 | 17 ± 1.2 |
Publisher’s Note: MDPI stays neutral with regard to jurisdictional claims in published maps and institutional affiliations. |
© 2022 by the authors. Licensee MDPI, Basel, Switzerland. This article is an open access article distributed under the terms and conditions of the Creative Commons Attribution (CC BY) license (https://creativecommons.org/licenses/by/4.0/).
Share and Cite
Chhetri, G.; Kim, I.; Kang, M.; So, Y.; Kim, J.; Seo, T. An Isolated Arthrobacter sp. Enhances Rice (Oryza sativa L.) Plant Growth. Microorganisms 2022, 10, 1187. https://doi.org/10.3390/microorganisms10061187
Chhetri G, Kim I, Kang M, So Y, Kim J, Seo T. An Isolated Arthrobacter sp. Enhances Rice (Oryza sativa L.) Plant Growth. Microorganisms. 2022; 10(6):1187. https://doi.org/10.3390/microorganisms10061187
Chicago/Turabian StyleChhetri, Geeta, Inhyup Kim, Minchung Kang, Yoonseop So, Jiyoun Kim, and Taegun Seo. 2022. "An Isolated Arthrobacter sp. Enhances Rice (Oryza sativa L.) Plant Growth" Microorganisms 10, no. 6: 1187. https://doi.org/10.3390/microorganisms10061187
APA StyleChhetri, G., Kim, I., Kang, M., So, Y., Kim, J., & Seo, T. (2022). An Isolated Arthrobacter sp. Enhances Rice (Oryza sativa L.) Plant Growth. Microorganisms, 10(6), 1187. https://doi.org/10.3390/microorganisms10061187

