Hydraulic Switching Control Supplementing Speed Variable Hydraulic Drives
Abstract
1. Introduction
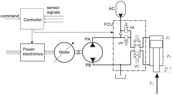
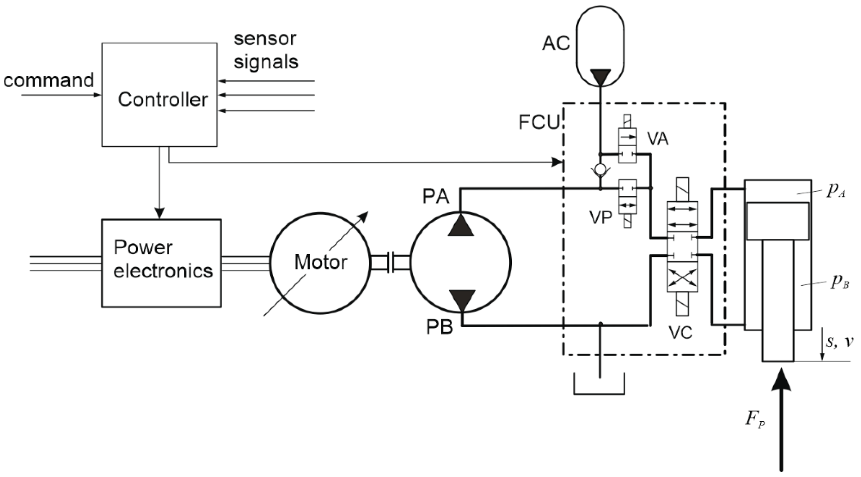
2. Combined Primary and Switching Control of a Linear Hydraulic Drive
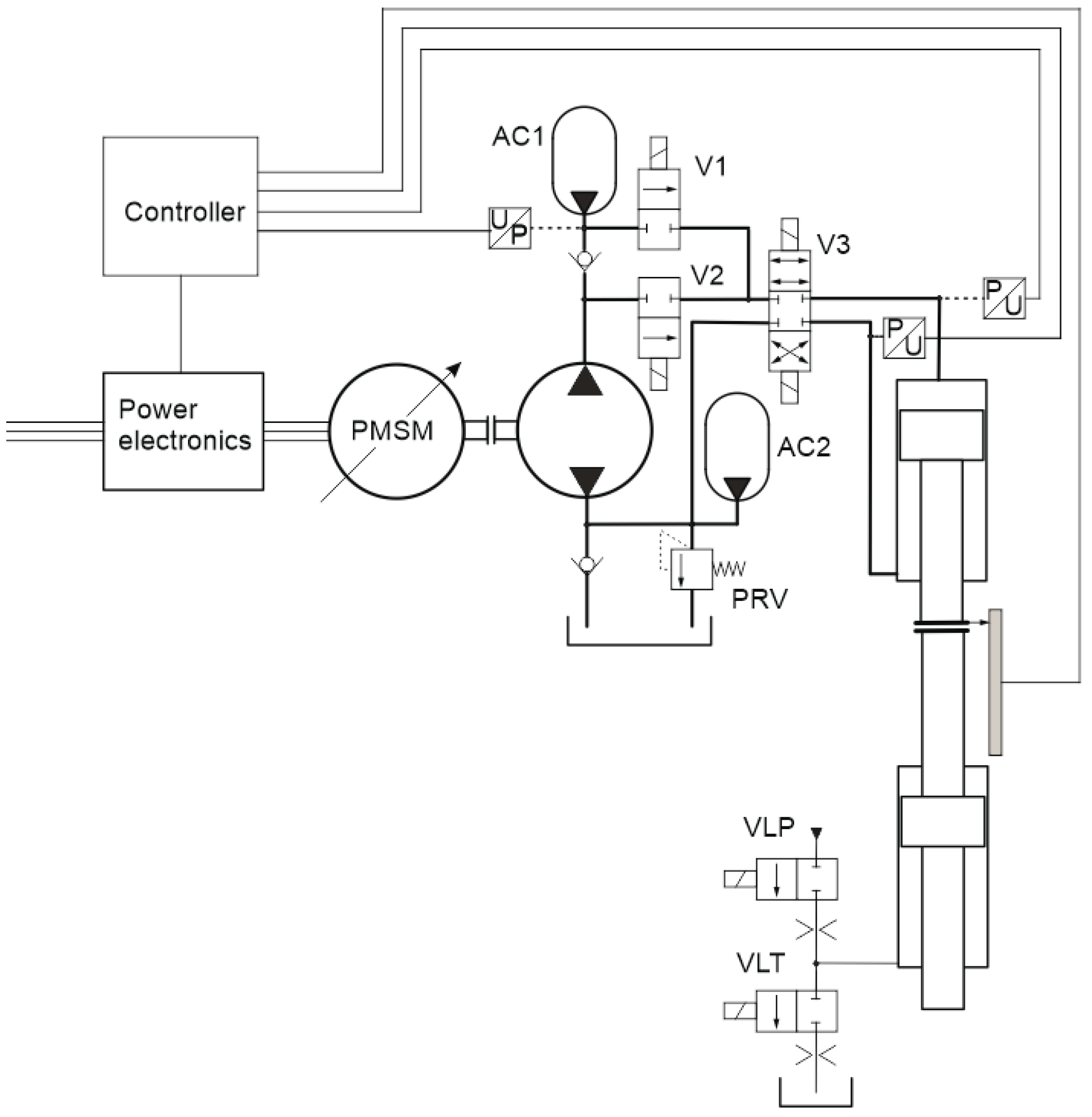
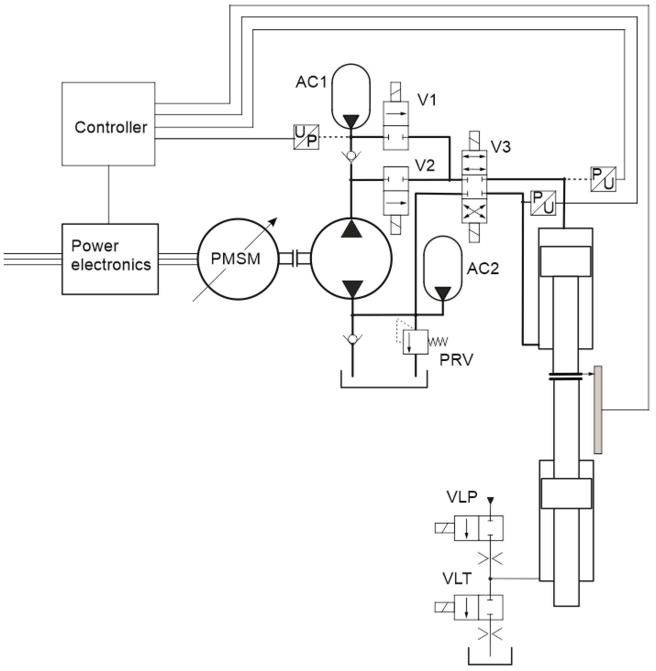
2.1. Drive Architecture Tailored to Operation Conditions
2.2. Basic Performance Considerations
3. Experimental Tests
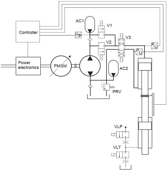
3.1. Test Setup
3.2. Control
3.3. Test Scenario
3.4. Test Results
4. Summary and Conclusions
Author Contributions
Funding
Acknowledgments
Conflicts of Interest
References
- Rühlicke, I. Elektrohydraulische Antriebssysteme mit Drehzahlveränderbarer Pumpe. Dresden, Technische Universität. Ph.D. Thesis, Shaker Verlag, Aachen, Germany, 1997. [Google Scholar]
- Helduser, S. Electric-hydrostatic drive—An innovative energy-saving power and motion contro system. Proc. Inst. Mech. Eng. Part I J. Syst. Control Eng. 1999, 213, 427–437. [Google Scholar]
- Minav, T.A.; Immonen, P.A.; Pyrhönen, J.J.; Laurila, L.I.E. Effect of PMSM sizing on the energy efficiency of an electro-hydraulic forklift. In Proceedings of the XIX International Conference on Electrical Machines-ICEM 2010, Rome, Italy, 6–8 September 2010; pp. 1–6. [Google Scholar]
- Chiang, M.H.; Chen, C.C.; Kuo, C.F.J. The high response and high efficiency velocity control of a hydraulic injection molding machine using a variable rotational speed electro-hydraulic pump-controlled system. Int. J. Adv. Manuf. Technol. 2009, 43, 841–851. [Google Scholar] [CrossRef]
- Yu, T.; Plummer, A.; Iravani, P.; Bhatti, J. The Design of a Powered Ankle Prosthesis with Electrohydrostatic Actuation. In Proceedings of the Fluid Power Systems Technology, ASME/BATH 2015 Symposium on Fluid Power and Motion Control, Chicago, IL, USA, 12–14 October 2015; p. V001T01A041. [Google Scholar] [CrossRef]
- Hametner, G.; Scheidl, R.; Gruber, F.; Freudenthaler, G. Positioning control of a hydraulic press by a variable speed motor. In Proceedings of the Bath Workshop on Power Transmission and Motion Control PTMC 2002, Bath, UK, 11–13 September 2002; pp. 203–214. [Google Scholar]
- Pedersen, H.C.; Schmidt, L.; Andersen, T.O.; Brask, M.H. Investigation of new servo drive concept utilizing two fixed displacement units. JFPS Int. J. Fluid Power Syst. 2014, 8, 1–9. [Google Scholar] [CrossRef]
- Willkomm, J.; Wahler, M.; Weber, J. Process-adapted control to maximize dynamics of speed-and displacement-variable pumps. In ASME/BATH 2014 Symposium on Fluid Power and Motion Control; American Society of Mechanical Engineers Digital Collection: New York, NY, USA, 2014. [Google Scholar]
- Ge, L.; Quan, L.; Zhang, X.; Zhao, B.; Yang, J. Efficiency improvement and evaluation of electric hydraulic excavator with speed and displacement variable pump. Energy Convers. Manag. 2017, 150, 62–71. [Google Scholar] [CrossRef]
- Lovrec, D.; Tic, V.; Tasner, T. Dynamic behaviour of different hydraulic drive concepts–comparison and limits. Int. J. Simul. Model. 2017, 16, 448–457. [Google Scholar] [CrossRef]
- Determining Electric Motor Load and Efficiency. US DOE Motor Challenge, a Program of the US Department of Energy. Available online: www1.eere.energy.gov/industry/bestpractices/pdfs/10097517.pdf (accessed on 5 June 2020).
- Achten, P.; Potma, J.; Eggenkamp, S. A New Hydraulic Pump and Motor Test Bench for Extremely Low Operating Speeds. In ASME/BATH 2017 Symposium on Fluid Power and Motion Control; American Society of Mechanical Engineers Digital Collection: New York, NY, USA, 2017. [Google Scholar]
- Kauranne, H.; Kajaste, J.; Vilenius, M. Hydraulitekniikan Perusteet; WSOY: Helsinki, Finland, 1999. [Google Scholar]
- Michael, P.W.; Khalid, H.; Wanke, T. An Investigation of External Gear Pump Efficiency and Stribeck Values (No. 2012-01-2041); SAE Technical Paper: Rosemont, IL, USA, 2012. [Google Scholar]
- Lee, S.Y.; Hong, Y.S. Effect of CrSiN thin film coating on the improvement of the low-speed torque efficiency of a hydraulic piston pump. Surf. Coat. Technol. 2007, 202, 1129–1134. [Google Scholar] [CrossRef]
- Miller, M.K.; Khalid, H.; Michael, P.W.; Guevremont, J.M.M.; Garelick, K.J.; Pollard, G.W.; Devlin, M.T. An investigation of hydraulic motor efficiency and tribological surface properties. Tribol. Trans. 2014, 57, 622–630. [Google Scholar] [CrossRef]
- Johansen, P.; Grønkær, N.; Langbak, A.; Krempin, S.; Schmidt, L. The Challenge of Feedback in Fluid Power Tribotronic Control Systems. In BATH/ASME 2020 Symposium on Fluid Power and Motion Control; American Society of Mechanical Engineers Digital Collection: New York, NY, USA, 2020. [Google Scholar]
- Ketelsen, S.; Padovani, D.; Andersen, T.O.; Ebbesen, M.K.; Schmidt, L. Classification and Review of Pump-Controlled Differential Cylinder Drives. Energies 2019, 12, 1293. [Google Scholar] [CrossRef]
- Rahmfeld, R. Development and Control of Energy Saving Hydraulic Servo Drives for Mobile Systems. Ph.D. Thesis, TU Hamburg-Harburg, Hamburg, Germany, 2002. [Google Scholar]
- Padovani, D.; Ketelsen, S.; Hagen, D.; Schmidt, L. A Self-Contained Electro-Hydraulic Cylinder with Passive Load-Holding Capability. Energies 2019, 12, 292. [Google Scholar] [CrossRef]
- Dantlgraber, J. Hydraulic System for a Differential Piston Type Cylinder. U.S. Patent 5,179,836, 19 January 1993. [Google Scholar]
- Peter, L.; Karl, L.; Rudolf, S.; Hagen, S. Investigation of a closed electro-hydraulic hybrid drive. In Proceedings of the 11th Scandinavian International Conference on Fluid Power, SICFP’09, Linköping, Sweden, 2–4 June 2009. [Google Scholar]
- Försterling, H.; Stamm, E.; Roth, P. Taylored solutions limit complexity. In Proceedings of the Fourth Workshop on Digital Fluid Power, Linz, Austria, 21–22 September 2011; pp. 51–58. [Google Scholar]
- Zehetbauer, T.; Foschum, P.; Plöckinger, A.; Winkler, B. Advancement and Demonstration of the New Generation of LCM’s FSVi4. 1. In Proceedings of the Ninth Workshop on Digital Fluid Power, Aalborg, Denmark, 7–8 September 2017. [Google Scholar]
- Lukachev, E.; Haas, R.; Scheidl, R. A Hydraulic Switching Control Concept Exploiting a Hydraulic Low Pass Filter. In Proceedings of the 14th Mechatronics Forum International Conference, Karlstad, Sweden, 16–18 June 2014; De Vin, L.J., Solis, J., Eds.; Mechatronics: Karlstad, Sweden, 2014; pp. 151–157. [Google Scholar]
- Lukachev, E.; Scheidl, R. Global Analysis of an RC-Filter for a Switched Hydraulic Drive. In Proceedings of the International Conference Fluid Power 2017, Maribor, Slovenia, 14–15 September 2017; Darko, L., Vito, T., Eds.; University of Maribor Press: Maribor, Slovenia, 2017. [Google Scholar]






| Component | Type | Annotation |
|---|---|---|
| Controller | B&R X20 System | Industrial CPU |
| Power Electronics | B&R ACOPOS 1090 | Frequency Converter |
| PMSM | Rexroth IndraDyn S MSK 071 D | Synchronos motor MSK |
| Pump | Rexroth A10 FZG 006 | Axial piston fixed displacement unit |
| V1, V2 | Rexroth KSDE (High Performance) | 2/2 directional seat valve with solenoid actuation |
| V3 | Rexroth SEC 6 | 4/3 directional poppet valve with solenoid actuation |
| AC1 | Rexroth HAD 1.4 | Diaphragm-type accumulator 1.4 l, p0 = 40 bar |
| AC2 | Rexroth HAD 0.5 | Diaphragm-type accumulator 0.5 l, p0 = 4 bar |
| PRV | Rexroth DBD 6 | Pressure relief valve |
| P/U | Ifm PN 2021 | Pressure transducers |
| Cylinder | AHP Merkle differential cylinder | dpiston = 32 mm, drod = 16 mm, lc = 400 mm |
| VLP, VLT | Parker Hannifin Corporation GS02 | 2/2 way poppet valve |
| Throttle | Tognella FT 257/2-14 | Adjustable |
Publisher’s Note: MDPI stays neutral with regard to jurisdictional claims in published maps and institutional affiliations. |
© 2020 by the authors. Licensee MDPI, Basel, Switzerland. This article is an open access article distributed under the terms and conditions of the Creative Commons Attribution (CC BY) license (http://creativecommons.org/licenses/by/4.0/).
Share and Cite
Zagar, P.; Kogler, H.; Scheidl, R.; Winkler, B. Hydraulic Switching Control Supplementing Speed Variable Hydraulic Drives. Actuators 2020, 9, 129. https://doi.org/10.3390/act9040129
Zagar P, Kogler H, Scheidl R, Winkler B. Hydraulic Switching Control Supplementing Speed Variable Hydraulic Drives. Actuators. 2020; 9(4):129. https://doi.org/10.3390/act9040129
Chicago/Turabian StyleZagar, Philipp, Helmut Kogler, Rudolf Scheidl, and Bernd Winkler. 2020. "Hydraulic Switching Control Supplementing Speed Variable Hydraulic Drives" Actuators 9, no. 4: 129. https://doi.org/10.3390/act9040129
APA StyleZagar, P., Kogler, H., Scheidl, R., & Winkler, B. (2020). Hydraulic Switching Control Supplementing Speed Variable Hydraulic Drives. Actuators, 9(4), 129. https://doi.org/10.3390/act9040129

