Abstract
In this paper, a two-loop fault-tolerant attitude control scheme is proposed for flying-wing aircraft with actuator faults. A regular nonlinear dynamic inversion (NDI) control is used in the outer attitude loop, and a finite time convergence incremental nonlinear dynamic inversion (FINDI) control combined with control allocation strategy is used in the inner angular rate loop. Prescribed performance bound (PPB) is designed to constrain the tracking errors within a residual set, so the prescribed system performance can be guaranteed. An optimal anti-windup (AW) compensator is introduced to solve the actuator saturation problem. Simulation results demonstrate the effectiveness of the proposed approach.
1. Introduction
The flying-wing aircraft has received wide research in recent years for its light weight, good stealth and high control surfaces efficiency [1,2,3]. However, the aerodynamic configuration of flying-wing aircraft brings new challenges for aircraft control. The flying-wing aircraft has bad longitudinal stability and maneuverability because of the short moment arm. There is no vertical tail in flying-wing aircraft; this leads to bad lateral stability. In aircrafts, there are more control actuators than controlled variables to achieve multiple control objectives and high performance; the maneuverability becomes flexible but control surfaces become coupled after introducing the elevons and drag rudders for flying-wing aircrafts. Therefore, many approaches have been designed to improve the control performance of flying-wing aircrafts.
Several nonlinear control approaches have been proposed to overcome the shortcomings of traditional linearization approaches [4,5,6,7,8,9,10]; one popular approach is nonlinear dynamic inversion (NDI) control. NDI control eliminates the nonlinearities in the aircraft system by state feedback, then the nonlinear model is transformed into a linear one controlled by a virtual linear input. The control performance of NDI, however, depends on accurate mathematical models of the plants, which makes it strongly influenced by model uncertainties and the robustness of the controller cannot be guaranteed. An alternative solution to make the controller less dependent on the model is implicit NDI proposed by [11] in 1990; this concept was later further developed into incremental nonlinear dynamic inversion (INDI). Compared to NDI, instead of modeling the angular acceleration based on the state and inverting the aircraft model to get the control input, a desired increment in measured angular acceleration is introduced into an increment of the control input to control the aircraft system. Therefore, INDI is inherently implicit in the sense that desired closed-loop dynamics do not reside in some explicit model to be followed. This way, any unmodeled dynamics are measured and compensated, which increases the robustness of the nonlinear system.
In most of the present papers, the measured angular acceleration is assumed to be readily available; this is, however, hard to be obtained in reality. In addition, the time delay problem always arises in angular acceleration feedback. A proposed method to deal with the time delay problem is combining INDI with a linear predictive filter to predict the angular acceleration [12]. However, the prediction requires additional modeling and it cannot predict disturbances. The authors of [13,14] apply the concept of finite time convergence to INDI, called FINDI; it does not focus on the way angular acceleration is acquired in a timely manner, but solves the time delay problem by the convergence of the tracking error between reference signal and closed-loop output.
Fault-tolerant capability [15,16] is an important feature for safety-critical systems, and hardware redundancy is a key ingredient in fault-tolerant systems, which can be seen in the modern military and civil aircrafts. In order to improve the reliability of the system, fault-tolerant control (FTC) should be introduced in the controller design. With the increase in the available redundant actuators in the flying-wing aircraft, how to distribute the control signals to these actuators is known as the control allocation problem [17]. In the case of actuator fault or failure, an effective control allocation of the actuators is needed to make the faulty actuators be compensated by the remaining healthy actuators, so that the acceptable performance is achieved without redesigning the control low. Therefore, the FINDI based on reasonable control allocation can greatly improve the fault-capability of flying-wing aircraft.
Besides the nonlinear control law and fault-tolerant capability, another important issue associated with the flight control system concerns the transient state performance. The designed controller is expected to achieve the requirement of prescribed system performance in the actual flight control systems [18]. The traditional method is adjusting parameters of the PID controller. However, with the increase in system performance index, the aforementioned method fails to meet multiple performance requirements simultaneously. In the control system, the state performance of the control system can be transferred into the constraint problem of tracking error performance. Traditionally, the nonlinear controller is designed to guarantee that the tracking error is converged to a residual set whose size depends on design parameters and some bounded though unknown terms [19,20,21]. However, no systematic procedure exits to accurately compute the required upper bounds, thus making the a priori selection of the design parameters to satisfy certain steady state behavior practically impossible. Moreover, the convergence rate is difficult to be established even in the case of known nonlinearities [22]. Until recently, such issues were discussed only in terms of the norm of the tracking error that is derived to be a function of explicit design parameters and initial estimation errors [23,24]. However, the aforementioned performance index is connected only indirectly with the actual system response. Therefore, in this work, regarding performance it is required that the tracking error converges to a predefined arbitrarily small residual set with convergence rate no less than a certain prespecified value. The prescribed performance controller has been proposed in [25,26,27] for specific classes of affine nonlinear systems. In [28], it is proposed that the prescribed performance bound (PPB)-based method to restrain the convergence rate of the tracking error and the transient performance of the system is improved. If the PPB system is stable, the tracking errors will be within the prescribed error bounds all the way through. In [29], a command filtered adaptive backstepping compensation approach based on PPB is proposed for the flying-wing aircraft system with actuator stuck or loss of effectiveness and achieves some good results.
In flight control systems, physical limitations of actuators have to be considered. Large control signals for high performance demanded systems are inevitable, which will cause the actuators’ saturation with their own performance constraints. The control efficiency will be discounted and the stability of closed-loop system cannot be guaranteed in the presence of saturation. The control strategies to solve the problem of actuators’ saturation in the nonlinear system can be divided into two kinds: the direct method [30,31] and the anti-windup (AW) method [32,33,34,35]. The control law of the direct method is found based on the Lyapunov theory and optimal control theory. It considers the performance index of a nonlinear system to design the controller, then the optimal performance of the system is guaranteed. However, the direct method is too complex and often has additional restrictions for the nonlinear system. Compared to the direct method, the AW method adds the compensator to the nonlinear control system. In addition, the control input of the AW compensator is based on the error between the normal control input and control saturated input. Therefore, the compensator works only when the control signals are in the saturation zone. For the AW scheme, the control performance with actuators’ saturation is improved while reducing the complexity of the nonlinear control system. As one of the AW methods, the Internal-Model-Control (IMC) type compensator scheme is studied for nonlinear input affine systems by using a state-dependent saturation function in [32,33]. In [34], the control performance is guaranteed by introducing a general AW compensator into the NDI control system based on the optimal IMC theorem.
In this paper, a new PPB-FINDI method with control allocation is proposed for the attitude tracking control of flying-wing aircraft with multiple actuator faults; the fault-tolerant capability of the nonlinear system is improved. In addition, a novel AW scheme is introduced into the PPB-FINDI control system to compensate the actuator saturations.
The structure of this paper is as follows: Section 2 briefly reviews the theorems of NDI, INDI and FINDI. The nonlinear model of flying-wing aircraft is discussed in Section 3. Section 4 proposes the specific design of the FINDI controller based on PPB and control allocation. Section 5 introduces an AW scheme into the PPB-FINDI control system. Finally, simulation results are given by MATLAB in Section 6.
2. NDI, INDI and FINDI
Consider a nonlinear control-affined system
where is state vector, is input vector, is output vector, , and are smooth nonlinear functions, and for , .
Assumption 1.
andare both bound for .
Remark 1.
Assumption 1 can guaranteeis non-singular.
The derivative of Equation (2) is given by
In Equation (3), is the first-order Lie derivative along the function , is the first-order Lie derivative along the function . Assume that is not zero and the relationship between and is established by NDI theory in Equation (3). Then, NDI control law can be designed to transform the dynamic characteristics of the nonlinear system into linear dynamic characteristics through Equation (4), where is replaced by the pseudocontrol input .
The pseudocontrol input is a signal tracked by the derivative of the output. Consequently, the output can be controlled by an appropriate design of that is usually obtained by a linear controller, depending on the error between the reference signal and closed-loop output. It is shown as Equation (5), where denotes the linear controller to be designed.
In this paper, we consider that in Equation (2), and it should be noted that herein. Then Equation (4) can be rewritten as
Substituting Equation (6) into Equation (1), we can get the linear control law as
NDI control depends on and to eliminate the nonlinearities in the aircraft system. However, if model uncertainties exist, the exact elimination of nonlinearities becomes impossible. Considering the uncertainties and , Equation (1) can be described as
Substituting Equation (6) into Equation (8), then
where denotes the identity matrix. As it can be seen, the linear control law is satisfied only for . Otherwise, the closed-loop system is not linearized anymore. This drawback is the main motivation to develop a more robust version of the NDI, known as INDI.
Compared to NDI, INDI control calculates the increment of the control input for each sampling time, instead of computing the total control input directly. In order to obtain the incremental form of the system, Equation (1) is rewritten by first-order Taylor series expansion.
where and denote and in the previous control step in the discrete implementation. The zero-order term of the Taylor series is obtained from sensor that satisfies Equation (11). is the higher order term. Under high update frequency, the value of higher order term is small enough to be ignored, and its influence on the control effect can be neglected. Hence is neglected here.
For short time increments and a sufficiently high control update rate, approaches , that is . As a result, Equation (10) becomes
Replacing by the pseudocontrol input , the linearizing control input is shown by inverting Equation (12). With Assumption 1, the INDI control law can be designed as
Comparing Equations (6) and (13), the control law in INDI does not depend on , changes in are reflected in and the effectiveness of INDI controller is dependent on the measurements of and .
Assuming ideal measurements, all the model uncertainties lie in (uncertainties in are reflected in ). Considering the uncertainties , Equation (12) can be described as
Substituting Equation (13) into (14), then
In INDI control, approaches with high control update rate and Equation (15) can be rewritten as
where . Therefore, still holds, which means that uncertainties in the control matrix do not affect the INDI control; robust control design is not needed in this case.
Most research results assume that is obtained by an ideal sensor without time delay. However, the time delay will affect the availability of , then the output will be affected too. In this paper, the FINDI control is designed to converge the error in finite time and eliminate the influence of the time delay.
Based on the finite time convergence theorem [36], the pseudocontrol input is obtained by a non-smooth controller in Equation (17) combined with a reference differential signal, shown in Equation (18)
where denotes the non-smooth controller that can resist disturbance and denotes the output of . denotes the reference signal and is feed forward control. denotes the bandwidth gain that satisfies . is a constant and is satisfied. Based on the theorem in [14], the pseudocontrol input obtained from Equation (18) is used for the INDI control law, then the tracking error will converge to zero in finite time.
Remark 2.
Equations (17) and (47) in the flying-wing aircraft control are typical finite time control schemes; the anti-disturbance ability and convergence speed are obviously better than smooth feedback control. Although the response smoothness is a bit lower than continuous control, it is acceptable in the simulation of this paper. If there is obvious chattering, we can use the proposed method in [37] to cope with it.
3. Aircraft Model
The configuration of the flying-wing aircraft is shown in Figure 1; two engines are installed on both sides of the blended body symmetrically. All the control surfaces of aircraft are set behind a serrated double “W” wing, including one pair of drag rudders, one pair of ailerons, one pair of elevons and one pair of elevators. All the deflections of control surfaces are in their mechanical limitations; ailerons, elevators and elevons in , drag rudders in .
Figure 1.
Configuration of flying-wing aircraft.
The mathematical model of the flying-wing aircraft is given as
where , denotes kinematic roll angle and , denote attack angle and sideslip angle, respectively. , , denote roll, pitch and yaw rates along the body axis. , , , denote the deflections of ailerons, elevators and rudders, respectively.
NDI control needs the control matrix to be non-singular, which means the number of input variables must be same as the state variables. Consequently, the time scale separation principle is introduced to divide the flying-wing aircraft nonlinear model into two loops; the outer loop with Equation (20) and the inner rate loop with Equation (21).
where is the state vector of attitude control and is the state vector of angular rate control.
and are described as
where denotes the moment of inertia matrix, and in this paper. , , are the aerodynamic pitching, rolling and yawing moments along the body axis, is the thrust moment brought by the power of engines, and these moments are denoted as
where , , , denote the dimensionless roll angular rate, pitch angular rate, yaw angular rate and attack angular rate, respectively. denotes the wind chord and denotes the wing mean geometric chord. denotes the kinetic pressure where denotes the air density and denotes the air speed. denotes the reference area of the wing. , , , , , , , , , , , , , and denote the aerodynamic derivatives of , and . denotes the maximum thrust of one engine, denotes the total throttle angle of two engines and is a constant of the z-axis. denotes the transformation matrix from body axis to velocity axis. and denote the fight path angle and kinematic azimuth angle.
In aircraft model, , , , are
4. Attitude Control Law Design
4.1. PPB Theory
In this paper, prescribed performance means that the closed-loop output tracking error converges to a predefined residual set with convergence rate no less than a certain prespecified value.
Considering a scalar tracking error , , the prescribed performance can be defined as
where and denote prescribed performance functions satisfying
- (1)
- and are smooth.
- (2)
- , and their n-order derivative are bounded.
- (3)
- , , where and denote prescribed constants and .
If , , then can be transformed into
where , , is the smooth performance function to be designed and the decreasing function satisfying . Assume that , where , and are prescribed positive constants. denotes the upper bound of prescribed steady-state error and denotes the lower bound. If , times of the decreasing rate of is the lower bound of the decreasing rate of . The maximum overshoot of is less than . If , times of the decreasing rate of is the lower bound of the decreasing rate of . The maximum overshoot is bigger than .
Then, if satisfies Equation (34) under the designed control law, the tracking error will converge to . For tracking errors of different variables, different prescribed performance functions can be chosen according to the system performance requirements.
The PPB of the tracking error is shown as Figure 2.
Figure 2.
Prescribed performance bound of the tracking error.
Design an increasing scalar function to satisfy Equations (35) and (36), where denotes the transformed tracking error.
Then, if satisfies Equation (37), can satisfy Equation (34).
In this paper, is designed as
It can be proved that satisfies Equations (35) and (36). Then, can be designed as
Differentiating Equation (40), it follows that
where is the scalar differential tracking error.
4.2. Outer Loop Control
In the outer loop, there is no model uncertainty, so NDI can be used to design the controller. There are three state items , and in the outer loop and we make the PPB transformation separately. Noting the tracking error of the outer loop as , then we use Equations (40) and (41) to transform it into the PPB transformed error of outer loop, denoted by . Hence, Equation (5) can be rewritten as
where is the new pseudocontrol input based on the PPB transformation.
Therefore, the standard NDI controller, based on Equations (6), (20), (29) and (30), is given as
where is the reference angular rate signal that is used as the input of the inner loop, and the control diagram is shown as Figure 3.
Figure 3.
Outer loop control.
4.3. Inner Loop Control
With model uncertainties and time delay in the inner loop, FINDI is used to design the controller.
There are three states (, , ) in the inner loop and we make the PPB transformation separately. Noting the tracking error of the inner loop as , then we use Equations (40) and (41) to transform it into the PPB transformed error of the inner loop, denoted by . Hence, Equation (17) can be rewritten as
where denotes the new output of non-smooth controller based on the PPB transformation.
Therefore, the FINDI controller, based on Equations (13), (18), (21) and (31), is given as
In Equation (47), and can be calculated by using different approaches. In this paper, they are obtained by the following washout filter.
where denotes the natural angular frequency of the filter and denotes the damping ratio of the filter. is obtained by .
In Equation (47), it is obvious that the term is the differential tracking error of the inner loop, denoted by . Then, we can use Equations (42) and (43) to transform it into the PPB-transformed differential error of the inner loop, denoted by . Hence, Equation (47) can be rewritten as
Considering the actuator faults, fault-tolerant control should be designed for the system. The flying-wing aircraft with redundancy configuration control actuators can be designed through the control allocation strategy, so that the control signal can be allocated to each operation surface reasonably and effectively. Moreover, the control effect of the actuator fault can be compensated.
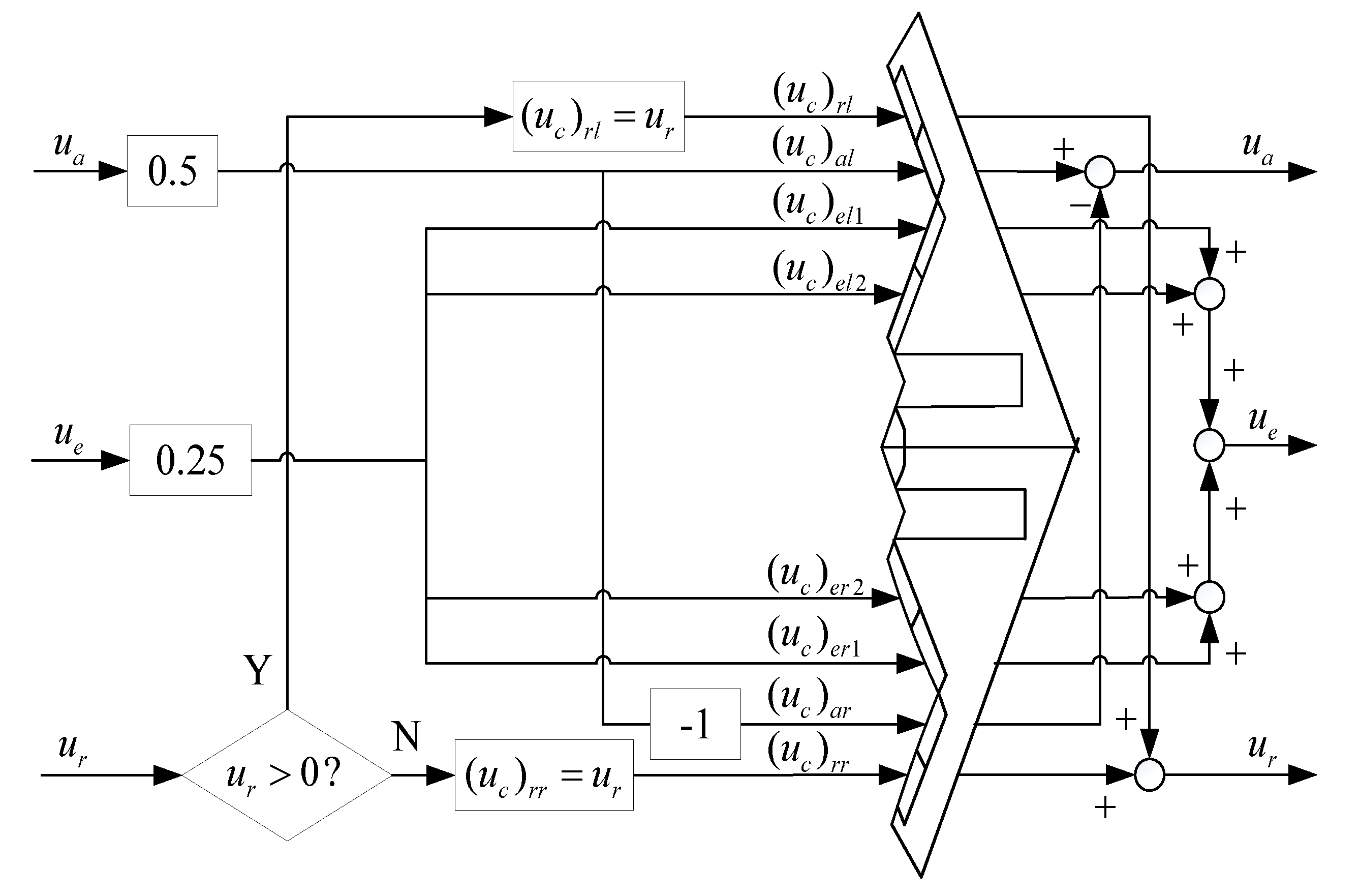
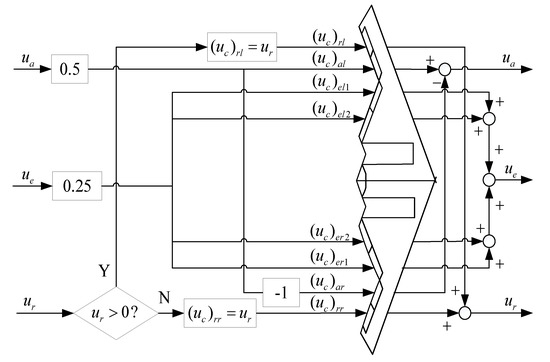
Partial loss of effectiveness and stuck types of actuator faults are considered in this paper. We note , , , , , , and as the deflections of left aileron, right aileron, left elevator, left elevon, right elevator, right elevon, left and right drag rudders of the flying-wing aircraft, respectively. The control allocation without actuator fault can be shown as Equation (52).
where , , , , , and denote the deflections of aforementioned control surfaces without fault, is the fault-free actuator. The control allocation scheme without actuator fault is shown in Figure 4.
Figure 4.
Control allocation without actuator fault.
The control allocation scheme is able to adjust at any time according to different faults. Suppose that the left aileron loses its 40% efficiency and the left elevator is stuck at . Equation (52) can be rewritten as Equation (53), and the deflections of can maintain stability.
5. Attitude Control with Anti-Windup Scheme
When there are saturations in the actuators, the saturation function and dead zone function in the actuators are noted as
So Equation (21) can be rewritten as
Assumption 2.
System (56) is open-loop exponentially stable for, ; that is, when , the origin of is exponentially stable.
Remark 3.
Assumption 2 is usually raised to ensure exponential stability of the closed-loop system with input saturations. In aircraft control, it can be achieved by the augmentation system if needed.
To limit the degradation of tracking performance when saturations occur, a modified AW compensator based on IMC is introduced to the PPB-FINDI control scheme.
The AW compensator is shown as Equations (57)–(59).
where is state vector of the compensator; is a nonlinear function to be designed; and are designed to compensate the control input and output feedback of inner loop .
With consideration of the AW compensator, the PPB-FINDI controller in Equation (50) will be
is designed to ensure Equation (61) is exponentially stable when .
We use the auxiliary linear performance index to design , in which is a constant matrix. Then, according to Theorem 2 in [34], an inequality (62) concerning is satisfied for and .
where is a Lyapunov function about ; is a diagonal matrix; is a scalar; is a constant that denotes -gain of the closed-loop system.
Remark 4.
Theorem 2 in [34] proposes a potential tool for AW compensator design. The design ofcan be determined by minimizingof-gain through the optimal problem.
Remark 5.
The problem of minimizingof-gain, subject to inequality (62) is difficult and is unlikely to be convex.andare the optimization variables. It is possible to search for them together; however, this would be computationally demanding and ineffective.
From the practical point of view, we can solve the optimal problem of by Genetic Algorithms (GAs) [38], then can be determined by Equations (63) and (64).
where is a positive define matrix and the design of is transformed into the choice of . It is chosen by the optimal condition of minimizing of -gain. is selected as a diagonal matrix based on the genetic and evolutionary principles shown in [39].
6. Simulations
In this section, five simulation studies are given to prove the advantages of the proposed method for flying-wing aircraft. The aircraft parameters are given as , , , , , , , , , , , , , , , , , , , , , , , , , , .
In simulation 1, we compare the control performance of the outer loop between PPB-NDI and regular NDI. The reference signals are , and . The parameters of the PID controller for are 20, 0.5, 3; 20, 1, 2; 10, 0.5, 2 and the filter coefficient is 100. The PPB parameters for , and are , and .
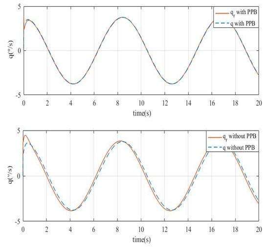
Figure 5 and Figure 6 show the tracking response of , , . and in Figure 5 can track their desired references. Therefore, the regular NDI controller can guarantee the system performance in and without model uncertainties in the outer loop. In Figure 6, it can be seen that in the no PPB case does not track the reference signal well. This indicates the effectiveness of the PPB control.
Figure 5.
Tracking response of and .
Figure 6.
Tracking response of .
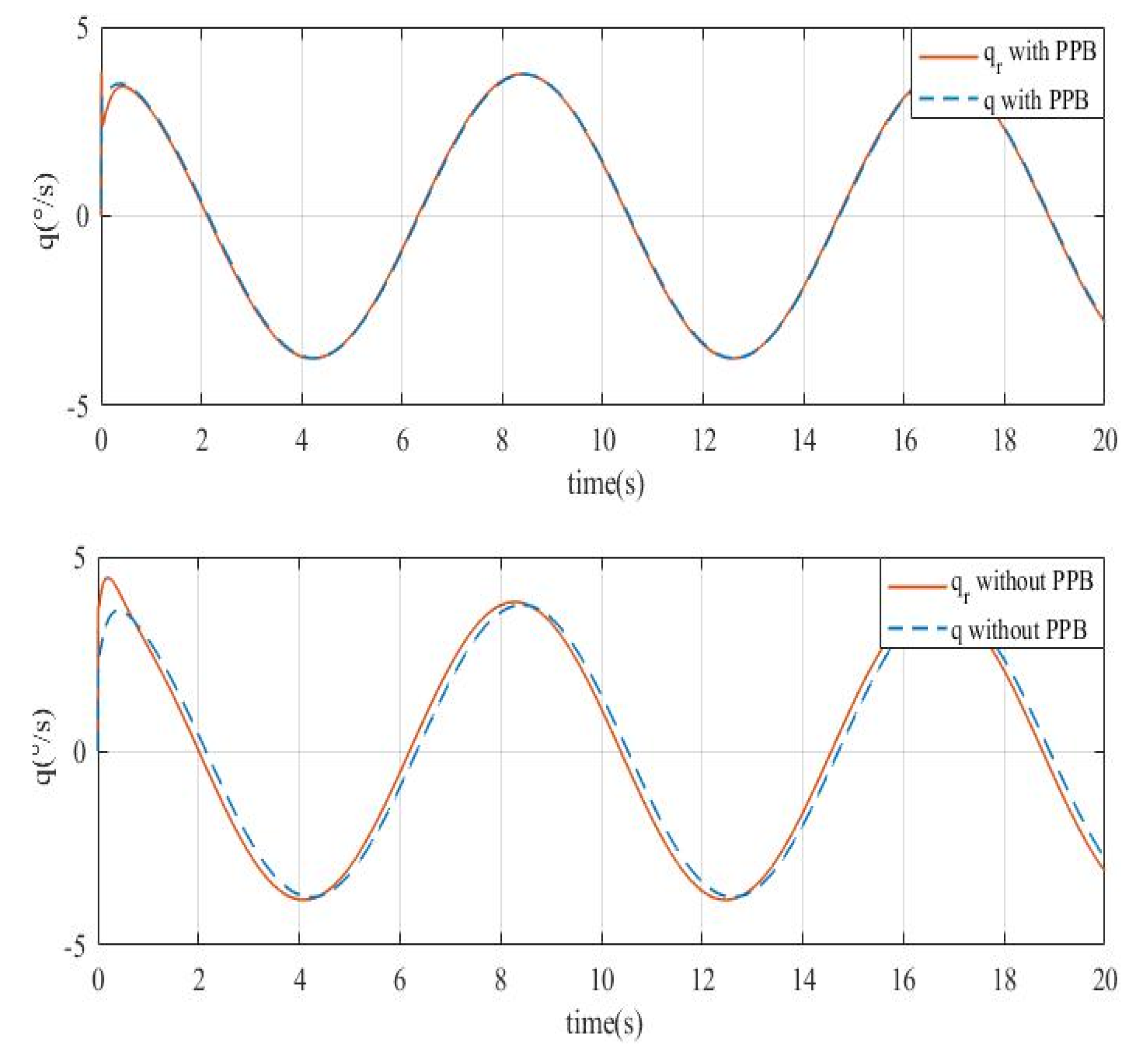
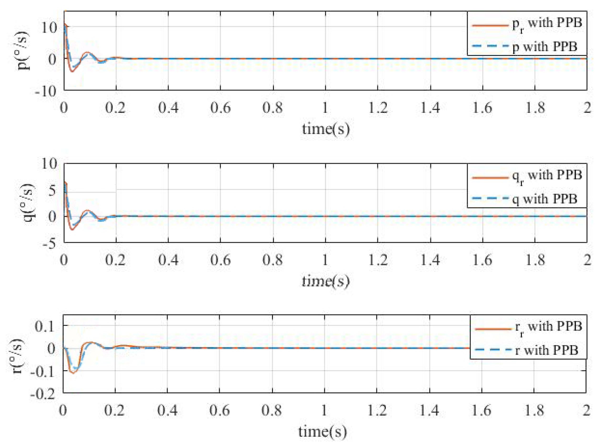
In simulation 2, we compare the performance of inner control between PPB-FINDI and regular FINDI. The reference signals and the PID parameters are the same as simulation 1. The FINDI parameters are , , and . For , the PPB parameters are chosen as: , and . For , the PPB parameters are chosen as: , and . For , the PPB parameters are chosen as: , and .
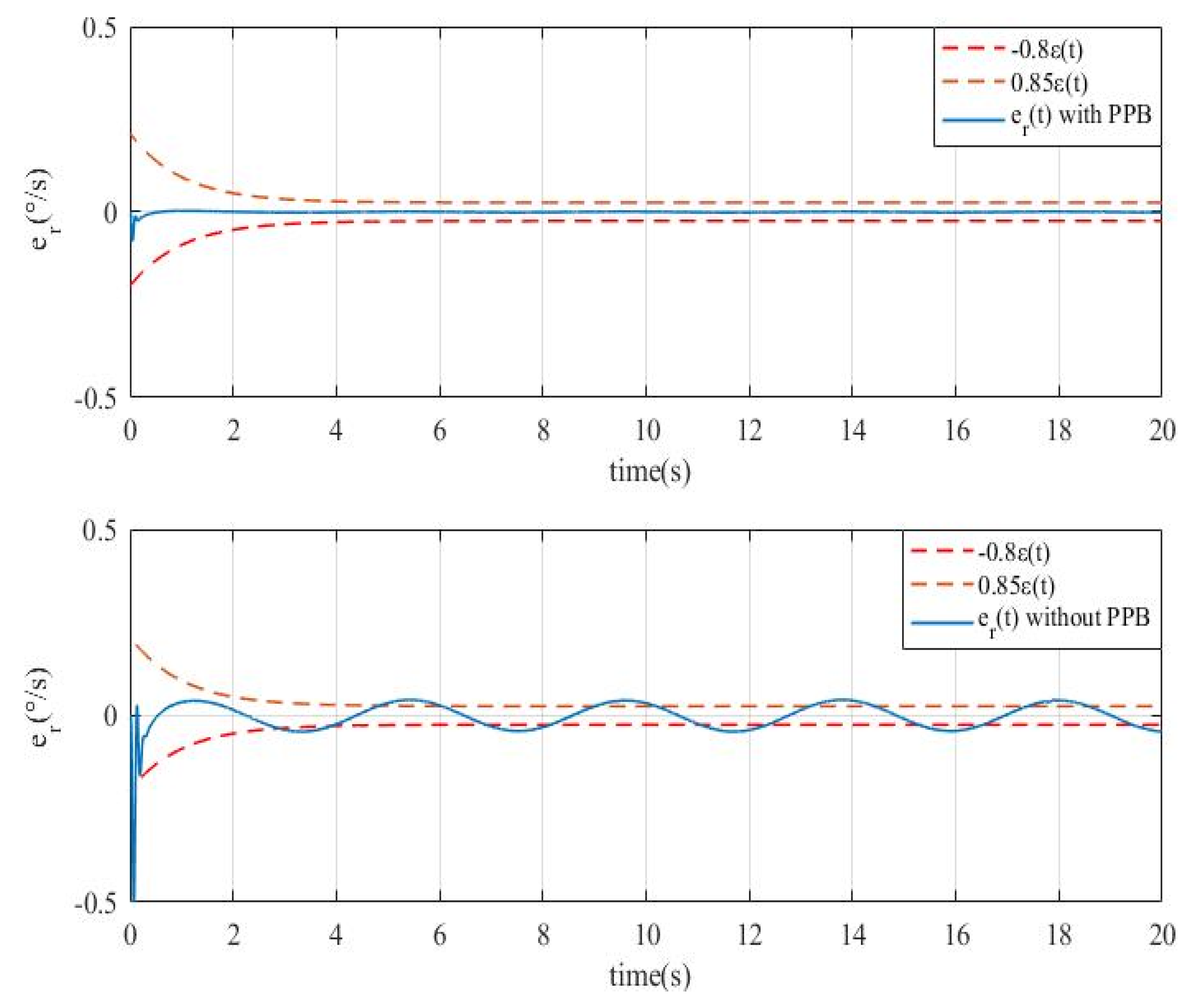
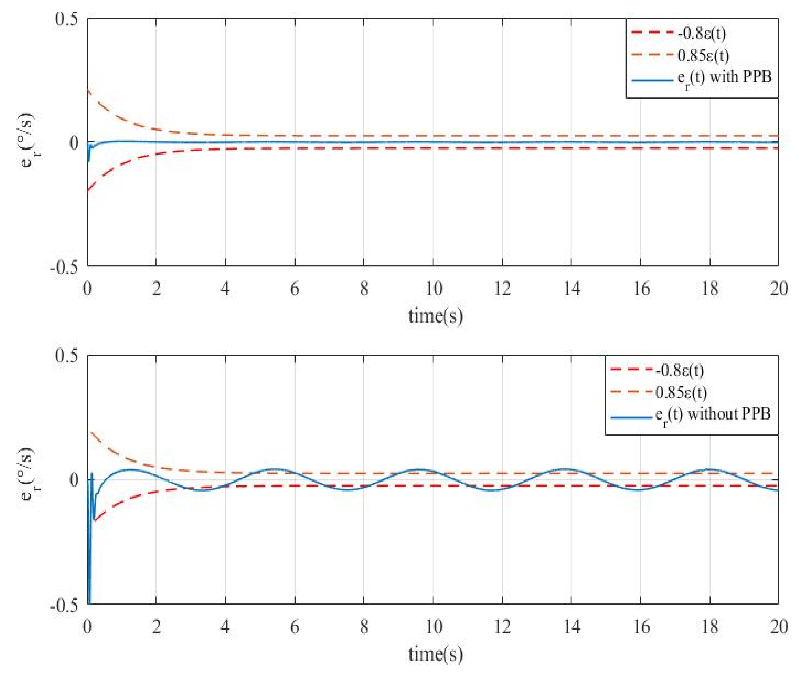
Figure 7, Figure 8 and Figure 9 show the tracking response of , , . In Figure 7 and Figure 8, compared with the PPB case, the performance in the no PPB case is worse, especially at the beginning of the simulation. In Figure 9, with the no PPB case, cannot track the reference well. While in the PPB case, the performance is much better, the prescribed performance output tracking is achieved. To illustrate the superiority of PPB, Figure 10 shows the tracking error of . The tracking error in the no PPB case is beyond the bound a lot at the beginning of the simulation. In addition, when steady state is reached, the tracking error is still outside the steady-state bound. While in the PPB case, the tracking error is restrained within the bound. In conclusion, by the constraint of PPB, both the transient and steady state performance are improved obviously.
Figure 7.
Tracking response of .
Figure 8.
Tracking response of .
Figure 9.
Tracking response of .
Figure 10.
Tracking error of .
In simulation 3, we compare the performance with actuator saturations between the PPB-FINDI combined AW compensator and the PPB-FINDI scheme. The reference signals are , and , ; other parameters are the same as simulation 2.
Figure 11 and Figure 12 show the response of in two-loop control. In the case of no AW compensator, when there are actuator saturations, the simulation stops in 40 s and the values of some state variables change abruptly (the values of and change into infinity). The system is unstable without the AW compensator in this simulation, while in the case of AW compensator, the closed-loop output can still follow the reference well when saturations occur. It is obvious that the AW compensator can improve the tracking performance of controllers and solve the actuator saturations problem.
Figure 11.
Tracking response , and .
Figure 12.
Tracking response of , and .
In simulation 4, we focus on the compensation of the faulty actuator by control allocation in the inner loop. The reference signals and other control parameters are the same as simulation 3. The faults of the actuators are: the left elevator is stuck at at 20 s and the right elevator loses its efficiency at 40 s.
Figure 13 shows the deflections of the actuators. It can be seen that when faults occur in an actuator, other actuators will compensate the efficiency lost by the faulty actuator. Figure 14 shows that the control allocation has a good effect in dealing with actuator faults.
Figure 13.
Deflections of the elevons and elevators.
Figure 14.
Angular rate tracking with actuator faults.
In simulation 5, we focus on the control characteristics of the proposed method with step inputs. The reference signals are , and , denotes the time. Other control parameters are the same as simulation 4.
Figure 15 and Figure 16 show the case of tracking response without PPB control; we can see that the attitude angles can track the reference inputs, but the overshoots are big, and it is obvious that the tracking errors of angle rates are unacceptably high in the beginning. In Figure 17 and Figure 18, the outputs can track the reference inputs much better than Figure 15 and Figure 16 because of the PPB control. This indicates the effectiveness of the PPB control with the step inputs.
Figure 15.
Tracking response of , and without PPB.
Figure 16.
Tracking response of , and without PPB.
Figure 17.
Tracking response of , and with PPB.
Figure 18.
Tracking response of , and with PPB.
7. Conclusions
The proposed FINDI and NDI flight control laws based on PPB transformation are used in the nonlinear flying-wing aircraft to guarantee transient performance. In addition, optimal IMC-based anti-windup and control allocation schemes are introduced to compensate multiple actuator saturations and faults. Simulation results indicate the validity and effectiveness of the proposed method.
Although the simulation results are quite good in this paper, the proposed method should be tested by flight experiment; hardware in loop simulation will be studied next following the research project schedule. On the other hand, we only consider the attitude control of the flying-wing aircraft in this paper; aircraft position control should be studied next, so there will be two more control loops, the position and flight path control loop, to be considered.
Author Contributions
Funding acquisition, project administration, and writing—review and editing, S.Z.; writing—original draft preparation, W.H. and Y.Z.; Simulations, W.H. All authors have read and agreed to the published version of the manuscript.
Funding
This research was funded by National Natural Science Foundation of China under Grant 61473147, Natural Science Foundation of Jiangsu Province under Grant SBK2020020295, Aeronautical Science Foundation of China under Grant 201957052002.
Acknowledgments
We are grateful to our worthy lab mates for their endless support.
Conflicts of Interest
The authors declare no conflict of interest.
References
- Li, M.; Bai, J.; Li, L.; Meng, X.; Liu, Q.; Chen, B. A gradient-based aero-stealth optimization design method for flying wing aircraft. Aerosp. Sci. Technol. 2019, 92, 156–169. [Google Scholar] [CrossRef]
- Qu, X.; Zhang, W.; Shi, J.; Lyu, Y. A novel yaw control method for flying-wing aircraft in low speed regime. Aerosp. Sci. Technol. 2017, 69, 636–649. [Google Scholar] [CrossRef]
- Voss, A. Open and closed loop gust loads analyses for a flying wing configuration with variable longitudinal stability. Aerosp. Sci. Technol. 2019, 89, 1–10. [Google Scholar] [CrossRef]
- Acquatella, P.; Falkena, W.; Van Kampen, E.-J.; Chu, Q.P. Robust Nonlinear Spacecraft Attitude Control using Incremental Nonlinear Dynamic Inversion. In Proceedings of the American Institute of Aeronautics and Astronautics (AIAA) Guidance, Navigation, and Control Conference, Minneapolis, MN, USA, 13–16 August 2012. [Google Scholar]
- Martinez, D.I.; Rubio, J.D.J.; Vargas, T.M.; Garcia, V.; Ochoa, G.; Balcazar, R.; Cruz, D.R.; Aguilar, A.; Novoa, J.F.; Aguilar-Ibanez, C. Stabilization of Robots With a Regulator Containing the Sigmoid Mapping. IEEE Access 2020, 8, 89479–89488. [Google Scholar] [CrossRef]
- Rubio, J.D.J.; Novoa, J.F.; Ochoa, G.; Mújica-Vargas, D.; Garcia, E.; Balcazar, R.; Elias, I.; Cruz, D.R.; Juarez, C.F.; Aguilar, A. Structure Regulator for the Perturbations Attenuation in a Quadrotor. IEEE Access 2019, 7, 138244–138252. [Google Scholar] [CrossRef]
- Alva, J.O.E.; Garcia-Estrada, E.C.; Paramo-Carranza, L.A.; Meda-Campaña, J.A.; Herrera, R.T. Theoretical Application of a Hybrid Observer on Altitude Tracking of Quadrotor Losing GPS Signal. IEEE Access 2018, 6, 76900–76908. [Google Scholar] [CrossRef]
- Rubio, J.D.J.; Martinez, D.I.; Garcia, V.; Gutierrez, G.J.; Vargas, T.M.; Ochoa, G.; Balcazar, R.; Pacheco, J.; Meda-Campaña, J.A.; Mújica-Vargas, D. The Perturbations Estimation in Two Gas Plants. IEEE Access 2020, 8, 83081–83091. [Google Scholar] [CrossRef]
- Aguilar-Ibanez, C.; Suarez-Castanon, M.S. A Trajectory Planning Based Controller to Regulate an Uncertain 3D Overhead Crane System. Int. J. Appl. Math. Comput. Sci. 2019, 29, 693–702. [Google Scholar] [CrossRef]
- Garcia-Sánchez, J.R.; Tavera-Mosqueda, S.; Silva-Ortigoza, R.; Hernández-Guzmán, V.M.; Gutierrez, J.S.; Aranda, M.M.-; Taud, H.; Marciano-Melchor, M. Robust Switched Tracking Control for Wheeled Mobile Robots Considering the Actuators and Drivers. Sensors 2018, 18, 4316. [Google Scholar] [CrossRef]
- Bugajski, D.; Enns, D.; Elgersma, M. A dynamic inversion based control law with application to the high angle-of-attack research vehicle. In Proceedings of the Guidance and Control Conference, American Institute of Aeronautics and Astronautics (AIAA), Portland, OR, USA, 20–22 August 1990; pp. 826–839. [Google Scholar]
- Sieberling, S.; Chu, Q.; Mulder, J.A. Robust Flight Control Using Incremental Nonlinear Dynamic Inversion and Angular Acceleration Prediction. J. Guid. Control Dyn. 2010, 33, 1732–1742. [Google Scholar] [CrossRef]
- Zhang, J.; Ding, S.H.; Liu, J.H. Control law design of hypersonic vehicle based on incremental dynamic inverse. Electron. Opt. Control 2013, 20, 16–20. [Google Scholar]
- Su, Z.; Wang, H.; Shao, X. Vehicle attitude control using finite time convergence incremental nonlinear dynamic inversion combined the command differential signals. In Proceedings of the 2014 IEEE Chinese Guidance, Navigation and Control Conference, Yantai, China, 8–10 August 2014; pp. 1079–1084. [Google Scholar]
- Liu, S.; Lyu, P.; Lai, J.; Yuan, C.; Wang, B. A fault-tolerant attitude estimation method for quadrotors based on analytical redundancy. Aerosp. Sci. Technol. 2019, 93, 105290. [Google Scholar] [CrossRef]
- Liu, M.; Shao, X.; Ma, G. Appointed-time fault-tolerant attitude tracking control of spacecraft with double-level guaranteed performance bounds. Aerosp. Sci. Technol. 2019, 92, 337–346. [Google Scholar] [CrossRef]
- Waters, S.M.; Voskuijl, M.; Veldhuis, L.L.; Geuskens, F.J. Control allocation performance for blended wing body aircraft and its impact on control surface design. Aerosp. Sci. Technol. 2013, 29, 18–27. [Google Scholar] [CrossRef]
- Zhang, Y.; Wang, S.-H.; Chang, B.; Wu, W.-H. Adaptive constrained backstepping controller with prescribed performance methodology for carrier-based UAV. Aerosp. Sci. Technol. 2019, 92, 55–65. [Google Scholar] [CrossRef]
- Bechlioulis, C.P.; A Rovithakis, G. Prescribed Performance Adaptive Control for Multi-Input Multi-Output Affine in the Control Nonlinear Systems. IEEE Trans. Autom. Control 2010, 55, 1220–1226. [Google Scholar] [CrossRef]
- Bechlioulis, C.P.; Theodorakopoulos, A.; Rovithakis, G.A. Output feedback stabilization with prescribed performance for uncertain nonlinear systems in canonical form. In Proceedings of the 52nd IEEE Conference on Decision and Control, Florence, Italy, 10–13 December 2013; pp. 5084–5089. [Google Scholar]
- Li, K.; Wei, Y.; Wang, C.; Deng, H. Longitudinal Attitude Control Decoupling Algorithm Based on the Fuzzy Sliding Mode of a Coaxial-Rotor UAV. Electronics 2019, 8, 107. [Google Scholar] [CrossRef]
- Bechlioulis, C.P.; Rovithakis, G.A. Approximation-free prescribed performance control for unknown SISO pure feedback systems. In Proceedings of the 2013 European Control Conference (ECC), Zurich, Switzerland, 17–19 July 2013; pp. 4544–4549. [Google Scholar]
- Ge, S.S.; Hang, C.C.; Lee, T.H.; Zhang, T. Stable Adaptive Neural Network Control; Springer Science and Business Media LLC: New York, NY, USA, 2002. [Google Scholar]
- Spooner, J.T.; Maggiore, M.; Ordonez, R.; Passino, K.M. Stable Adaptive Control and Estimation for Nonlinear Systems-Neural and Fuzzy Approximator Techniques; Wiley: New York, NY, USA, 2002. [Google Scholar]
- Bechlioulis, C.P.; Rovithakis, G.A. Adaptive control with guaranteed transient and steady state tracking error bounds for strict feedback systems. Automatica 2009, 45, 532–538. [Google Scholar] [CrossRef]
- Bechlioulis, C.P.; Rovithakis, G.A. Robust Adaptive Control of Feedback Linearizable MIMO Nonlinear Systems with Prescribed Performance. IEEE Trans. Autom. Control 2008, 53, 2090–2099. [Google Scholar] [CrossRef]
- Bechlioulis, C.P.; Rovithakis, G.A. Robust Partial-State Feedback Prescribed Performance Control of Cascade Systems with Unknown Nonlinearities. IEEE Trans. Autom. Control 2011, 56, 2224–2230. [Google Scholar] [CrossRef]
- Bechlioulis, C.P.; Rovithakis, G.A. A low-complexity global approximation-free control scheme with prescribed performance for unknown pure feedback systems. Automatica 2014, 50, 1217–1226. [Google Scholar] [CrossRef]
- Zhang, S.; Shuang, W.; Meng, Q. Control Surface Faults Neural Adaptive Compensation Control for Tailless Flying Wing Aircraft with Uncertainties. Int. J. Control. Autom. Syst. 2018, 16, 1660–1669. [Google Scholar] [CrossRef]
- He, H.; Yan, L.; Tu, J. Guaranteed Cost Stabilization of Time-varying Delay Cellular Neural Networks via Riccati Inequality Approach. Neural Process. Lett. 2012, 35, 151–158. [Google Scholar] [CrossRef]
- Tu, J.; He, H. Guaranteed Cost Synchronization of Chaotic Cellular Neural Networks with Time-Varying Delay. Neural Comput. 2012, 24, 217–233. [Google Scholar] [CrossRef] [PubMed]
- Doyle, F.J., III. An anti-windup input–output linearization scheme for SISO systems. J. Process Control 1999, 9, 213–220. [Google Scholar] [CrossRef]
- Kapoor, N.; Daoutidis†, P. An observer-based anti-windup scheme for non-linear systems with input constraints. Int. J. Control 1999, 72, 18–29. [Google Scholar] [CrossRef]
- Herrmann, G.; Menon, P.P.; Turner, M.C.; Bates, D.G.; Postlethwaite, I. Anti-windup synthesis for nonlinear dynamic inversion control schemes. Int. J. Robust Nonlinear Control 2009, 20, 1465–1482. [Google Scholar] [CrossRef]
- Roos, C.; Biannic, J.-M.; Tarbouriech, S.; Prieur, C.; Jeanneau, M. On-ground aircraft control design using a parameter-varying anti-windup approach. Aerosp. Sci. Technol. 2010, 14, 459–471. [Google Scholar] [CrossRef]
- Ding, S.H.; Li, S.H.; Luo, S. Guidance law design based on continuous finite-time control Technique. J. Astronaut. 2011, 32, 727–733. [Google Scholar]
- Xiao, F.; Wang, L.; Chen, J.; Gao, Y. Finite-time formation control for multi-agent systems. Automatica 2009, 45, 2605–2611. [Google Scholar] [CrossRef]
- Goldberg, D.E. Genetic Algorithms in Search, Optimization and Machine Learning; Addison-Wesley: Boston, MA, USA, 1989. [Google Scholar]
- Zhang, S.; Meng, Q. An anti-windup INDI fault-tolerant control scheme for flying wing aircraft with actuator faults. ISA Trans. 2019, 93, 172–179. [Google Scholar] [CrossRef] [PubMed]
© 2020 by the authors. Licensee MDPI, Basel, Switzerland. This article is an open access article distributed under the terms and conditions of the Creative Commons Attribution (CC BY) license (http://creativecommons.org/licenses/by/4.0/).

















