Abstract
To address the nonlinearity and control problems of the Maglev system caused by external disturbances and internal factors of the system, this study first established a kinematic model of a single-point levitation system. Secondly, based on the nonlinear characteristics of the kinematic model, Gaussian noise was introduced into the model as input disturbance, and a neural network was used to train the constructed model. A nonlinear autoregressive model with exogenous inputs was constructed, and the Recursive Least Squares method with Forgetting Factor (RLS-FF) was used to perform parameter identification on the levitation system by combining the training data, further constructing an accurate model of the levitation system. Then, based on the accurate model of the levitation system, the backstepping method was adopted to design an adaptive controller for the levitation system, and its stability was verified. Simulation analysis was conducted on the MATLAB/Simulink platform, and comparisons were made with the LQR control method and the Fuzzy-PID control method that verified that the designed controller had a faster response speed and better self-regulation ability. At the same time, interference signals were introduced into the simulation to simulate the actual scene, and the good anti-interference ability and adaptive performance of the designed controller were further verified.
1. Introduction
Maglev technology [1] refers to the technology that enables an object to levitate in the air or other media without physical contact through specific physical means. Maglev technology has numerous advantages such as low friction, low noise, high precision, high energy utilization efficiency, and high operating efficiency. As a result, Maglev technology has drawn extensive attention and holds potential or practical application prospects in various fields, including transportation, medical diagnosis, aerospace, and precision manufacturing. However, the research and application of Maglev technology still confront a multitude of challenges [2], such as system stability, reliability, control accuracy, and energy consumption optimization, which urgently require solutions. Therefore, the development of Maglev technology is of great strategic significance.
Since the application of Maglev technology, scholars from both domestic and abroad have established a variety of different mathematical models for Maglev systems, such as the kinematic model [3], prediction model [4], dynamic mathematical model [5], etc., and found that it is very important to analyze the key performance indicators of the Maglev systems, such as stability, response speed, and control accuracy. Meanwhile, the open-loop instability and nonlinear problems of the Maglev systems brought great challenges to the modeling process, which made the systems susceptible to interference, and the traditional linear control method was not effective. Therefore, in order to better understand the behavior of Maglev systems, more accurately reflect the real dynamic characteristics of the systems, improve the stability and robustness of the systems, and provide a basis for the design of effective control strategies, nonlinear models were widely used in the research of Maglev systems. A nonlinear model of the levitation system was established by Wang et al. [6] in order to suppress the vibration of the Maglev system, and a novel second-order nonlinear tracking differentiator was proposed based on it. To accurately describe the dynamic behavior of the Maglev ball system in a nonlinear model, Peng et al. [7] proposed Long Short-Term Memory-AutoRegressive with eXogenous inputs (LSTM-ARX). Aiming at the problem of the controller’s adaptability when the controlled object of the Maglev system changes, Lv et al. [8] established a nonlinear model of the system and proposed a nonlinear adaptive control method combined with parameter identification. In order to ensure the safe and reliable operation of the Maglev train, Oppeneiger et al. [9] proposed a nonlinear model of the Maglev system and designed a model predictive controller for the levitation system based on this model. The results showed that the model predictive control exhibited good performance.
Although the modeling of the Maglev system is helpful to understand its physical characteristics and dynamic behavior, the system’s nonlinearity, strong coupling, and sensitivity to external interference (such as electromagnetic fields and airflows) lead to uncertainties in the model, affecting its stability and reliability [10]. Therefore, scholars introduced the parameter identification method into the Maglev system to increase the modeling accuracy, improve the operating efficiency and accuracy of the system, and verify the feasibility of the model. Wen et al. [11] adopted a data-driven iterative inversion learning method to identify the inverse dynamics model of the levitation system, thereby improving the control performance of the system. The least squares method with forgetting factor was employed by Xu et al. [12] for parameter identification based on the theory of feature modeling. The estimation range of each parameter was calculated, which provided a reliable model basis for further improving the control performance of the levitation system. Aiming at the real-time parameter estimation of the Maglev system, Sahoo et al. [13] proposed and implemented a Teaching–Learning-Based Optimization (TLBO) method to update the weights of the Functional Link Artificial Neural Network (FLANN) model. Eventually, it was proven that the proposed method had strong robustness in the Maglev system. In this paper, RLS-FF [14] was employed for parameter identification of the Maglev system, thereby validating the feasibility of the model.
The effective control [15] of the Maglev system was the crucial core issue in the application of levitation technology. The commonly used control methods included Proportional Integral Derivative (PID) control [16], fuzzy control [17], sliding mode control [18], etc. However, PID control was highly dependent on parameters, and it neglected the nonlinearity and uncertainty of the system, making it difficult to apply in practical engineering. The design of fuzzy control was complicated, and its control precision was limited. Additionally, its stability analysis and rule adjustment were difficult. The chattering problem inherent in sliding mode control caused oscillations in the output signal, which not only affected the control accuracy but also imposed high demands on the hardware equipment. Meanwhile, sliding mode control may lead to limitations in the dynamic performance of nonlinear systems. Therefore, an advanced control method suitable for the nonlinear and strongly coupled Maglev system was urgently needed to ensure its stability and control accuracy. Thus, adaptive control based on the backstepping method was applied to the Maglev system.
Adaptive control based on the backstepping method effectively addressed the control problems of nonlinear, time-varying, and uncertain systems. Through a systematic recursive design, it closely integrated the controller design with stability proof, thereby achieving global stability and good transient performance [19]. Moreover, the design process was clear and easy to implement. It could automatically adjust parameters to adapt to system changes, reduce the number of adjustable parameters, and decrease the dependence on prior knowledge. This approach broke through the limitations of the traditional control methods and was suitable for complex and changeable control scenarios. When applying the backstepping method for adaptive control, the controller used model parameters obtained from parameter identification to adjust the control quantity in real time. This enabled it to handle unknown, variable, or uncertain coefficients (such as load fluctuations and environmental changes) in the controlled object [20]. Meanwhile, by constructing an appropriate Lyapunov function [21], the stability of the system was ensured, and the control input was gradually optimized [22]. As a result, the control strategy could accurately and stably maintain the performance of the Maglev system.
The innovations and contributions in this paper are as follows:
- Establishing a nonlinear continuous dynamic model and conducting model training. Compared with common linearization methods and other approaches, this method has achieved model visualization, while also describing the dynamic characteristics of the system and providing a large amount of reliable data for parameter identification.
- Constructing a nonlinear autoregressive with exogenous inputs (NARX) model and integrating parameter identification, which is more interpretable and has higher computational efficiency compared with black-box models such as Transformer.
- Comparing the control method proposed in this paper with Linear Quadratic Regulator (LQR) control and Fuzzy-PID control through MATLAB/Simulink simulation analysis, the advantages of the proposed method in terms of response speed and steady-state error are demonstrated, providing an efficient solution for engineering applications.
The following manuscript is organized as follows: In Section 2 of this paper, a continuous nonlinear kinematic model of the Maglev system is established through dynamic analysis, and the model is trained. In Section 3, based on the data collected in Section 2, a NARX model is constructed. Using this model, parameter identification of the Maglev system is carried out, demonstrating the feasibility of the nonlinear model of the Maglev system. In Section 4, an adaptive controller based on the backstepping method is first designed. Then, the structure of the Maglev system under adaptive control is built in MATLAB/Simulink for simulation analysis. Subsequently, comparative analysis is conducted among the adaptive control, LQR control, and Fuzzy-PID control to verify the control effect of the designed adaptive controller on the levitation system.
2. Nonlinear Model of the Maglev System
The Maglev system is one of the key systems of the EMS Maglev train [23], which maintains a stable gap between the electromagnet and the track by controlling the current, thus achieving levitation. During actual operation, the air gap is affected by a combination of factors such as the train’s dynamic characteristics, vehicle vibration, track deformation and vibration, and track irregularity excitations, resulting in fluctuations in the air gap. Therefore, the performance of the Maglev system determines the stability of the Maglev train during travel and the comfort of passengers. Control algorithms are required to ensure the anti-disturbance ability of the Maglev system and guarantee the safe, stable, and comfortable operation of the Maglev train.
In order to carry out research on the control of the Maglev system, the EMS Maglev train’s principle is briefly introduced and analyzed firstly in this section, and the magnetic levitation system is simplified into a single-point levitation system. Secondly, from the perspective of dynamics, a continuous dynamic model of the magnetic levitation system is established. Finally, after introducing Gaussian noise [24] into this nonlinear model, model training is conducted, and the visualization of the model is realized.
2.1. Operating Principle of the EMS Maglev Train
The EMS Maglev train utilizes the principle of electromagnetic induction. An electromagnetic field is generated between the electromagnets and the track by passing an electric current through the levitation electromagnets, thereby producing an attractive force that lifts the train to achieve suspension. Similarly, the lateral guidance system also generates an attractive force to achieve the guidance of the train. Finally, the linear motor is used to drive the train forward and increase its speed.
The cross-section of the EMS Maglev train is shown in Figure 1. It adopts a structure where the vehicle surrounds the track. The levitation electromagnets and the guidance electromagnets are located below and on the sides of the guide rail, respectively, and both are symmetrically arranged. Generally, the Maglev system of one carriage of the Maglev train is composed of multiple levitation electromagnets. These electromagnets all adopt the same design standards, so they have the same characteristics. Therefore, when studying the Maglev system of the EMS Maglev train, a single electromagnet can be analyzed alone [25]. In this way, the multi-point levitation system composed of multiple magnets can be simplified into a single-point levitation system composed of a single magnet.
Figure 1.
Cross-sectional view of EMS Maglev train.
2.2. The Dynamic Continuous Model of the Maglev System
Before designing the control strategy for the Maglev system, mathematical modeling of the Maglev system is first carried out. In this section, a theoretical analysis of the controlled object is conducted from the perspective of dynamics. The entire Maglev system test plate is shown in Figure 2. The part above in the figure represents the levitation electromagnet, and the ferromagnetic ball in the middle represents the train simulator. When the coil of the electromagnet is connected to the winding voltage , affected by the magnetic resistance that is represented by in the figure, a current passes through the coil winding . The generated electromagnetic field exerts an electromagnetic force on the ferromagnetic ball below. Under the combined action of the self gravity of the ball and the electromagnetic force , the ferromagnetic ball levitates in the air. The gap between the electromagnet and the ferromagnetic ball generated therein is the air gap . When the electromagnetic force is equal to the gravity of the ferromagnetic ball, the ferromagnetic ball stabilizes at the equilibrium position. However, when the ferromagnetic ball is disturbed, it is very likely to lose balance. Therefore, in order to keep the system stable, a controller needs to be designed to control the magnitude of the current. Additionally, the laser sensor under the ferromagnetic ball is used to determine whether the ball reaches the expected equilibrium gap.
Figure 2.
Structural body of the single-point levitation system.
In actual situations, the system is subjected to many internal and external influences, which pose difficulties for modeling. Therefore, before modeling, some assumptions need to be made first. These assumptions can simplify the analysis process and ensure that the system is in an ideal state without affecting the accuracy of the established model. All the assumptions are as follows:
Model the electromagnet coil. The electromagnet coil is merely a series connection of a resistor and an inductor coil.
Ignore phenomena such as remanent magnetism, hysteresis, and magnetic saturation.
Based on the above assumptions, first, according to Newton’s second law, the following can be obtained:
where is the winding current and is the air gap. The electromagnetic force in the equation cannot be obtained directly, so further derivation is required. According to Ohm’s law of magnetic circuits, it can obtain:
where is the magnetomotive force; is the magnetic resistance. The equation for the magnetomotive force and the magnetic resistance can be derived from the following equations:
where is the area of the magnetic pole; is the number of turns of the coil.
According to Equations (2) and (3), the expression of the magnetic flux of the electromagnet coil in terms of the variables and can be obtained:
Multiply this expression by the number of coil turns according to Equation (4) to obtain the expression for the magnetic flux linkage:
Divide Equation (5) by the current, and the instantaneous inductance of the electromagnetic winding can be obtained:
Based on the inductance expression obtained in the previous step, the energy of the magnetic field can be obtained easily:
After obtaining the equation of the magnetic field energy in terms of and , take the partial derivative with respect to the variable . The result is the expression of the electromagnetic force in terms of and :
Obviously, the electromagnetic force is inversely proportional to the air gap. Substitute Equation (8) into Equation (1), and let , can be obtained.
According to Kirchhoff’s laws, the equation of the Maglev system regarding voltage can be derived:
Substitute the previously obtained inductance expression and take the derivative to obtain:
By Combining the previous dynamics and electrical equations, the nonlinear equation set of the single point levitation system can be obtained:
In the equations, , and are abbreviated as , and respectively.
2.3. Training and Visualization of the Nonlinear Model
Since the system model equation set in 11 are nonlinear, the system exhibits complex dynamic behaviors (such as variable coupling, time varying characteristics, etc.) [26]. Model training is required and considering the influence of external disturbances, noise needs to be added to the model. In this section, Gaussian noise is introduced into the model as input disturbance, and then the model is trained. This aims to learn these complex dynamic relationships from a large amount of data, thereby improving the prediction accuracy of the system output, making it closer to the actual observed values, and providing more reliable decisions to provide support in practical applications.
Because the training and visualization of nonlinear models are required, a Convolutional Neural Network (CNN) is employed in this section [27]. The structure of the CNN typically includes an input layer, convolutional layers, activation layers, pooling layers, fully connected layers, and an output layer. The CNN has numerous advantages, such as the ability to automatically extract features, strong nonlinear mapping capabilities, efficient parallel computing capabilities, considerable robustness, and good generalization performance. By leveraging the local perception of convolutional layers, the spatial dimensionality reduction in pooling layers, and the nonlinear transformation of activation functions, the CNN automatically learns complex nonlinear relationships in the data, thereby training powerful nonlinear models. Therefore, in this paper, the CNN is used to train the Maglev system model. The given parameters of each item in the system are shown in Table 1.
Table 1.
Parameter table of the levitation system.
Since a sufficient amount of data are required, the training time is defined to stop at 100 s. The obtained training results are shown in Figure 3.
Figure 3.
Training results of the nonlinear model.
Figure 3 is sliced and layered for visualization, resulting in Figure 4. Meanwhile, 1000 points are randomly selected from the obtained model and marked red, yielding the random point graph as shown in Figure 5.
Figure 4.
Diagram of the model after slicing treatment.
Figure 5.
Random point diagram of the model.
By combining the above-mentioned pictures, it can be found that is located at the middle layer of the model. The closer to this layer, the denser the points are. Meanwhile, the current takes values in the vicinity of .
3. Parameter Identification of the Nonlinear Model
In this section, to perform parameter identification for the nonlinear model of the Maglev system, we need to construct a corresponding parameter identification model. Among various nonlinear models, the Hammerstein–Wiener model can handle systems with obvious nonlinear characteristics of input and output. However, it is limited to systems with relatively simple dynamic characteristics and lacks the ability to characterize complex coupled dynamics. It also depends on a priori structure hypotheses. Although the Nonlinear Autoregressive Moving Average model (NARMA) can capture the nonlinear characteristics of the system through autoregressive and moving average terms, its model complexity is high. A large amount of data are needed to train the model parameters, which results in high computational costs and makes it difficult to apply in engineering practice. Given these considerations, the NARX model [28] is prioritized and established due to its strong nonlinear mapping capability, good generalization performance, and the ability to effectively describe the dynamic characteristics of the system. Subsequently, using the data point set collected for model training, the Recursive Least Squares with Forgetting Factor (RLS-FF) algorithm is employed for parameter identification [29]. This approach aims to improve the operational efficiency and accuracy of the system and to verify the feasibility of the model.
3.1. Construction of the NARX Model
Combining Equation set 11 and Table 1, the differential equation is simplified as follows:
To construct a NARX model, the previous differential equation needs to be transformed into a discrete-time difference equation. The NARX model usually has the following form:
where is the output of the system, is the input of the system, and are the lag order of the output and input, respectively, and is the noise.
For the second derivative , use the central difference equation: , and substitute it into Equation (12) to obtain the following equation:
Substitute into the above equation and sort it out to obtain the following difference equation:
where . In order to facilitate parameter identification, the above equation is written in the standard NARX form, let , add noise to the input current to form a new current input , and then sort out the equation to obtain:
where output and input .
3.2. Parameter Identification Based on RLS-FF
The standard NARX model of Equation (16) is written as follows:
where , is the coefficient matrix composed of the coefficients before each term in .
For the above model, the algorithm of RLS-FF is as follows:
where is the error covariance matrix, is the estimated parameter vector, is the gain matrix, is the unit vector, and is the forgetting factor, which is generally taken as 0.95~0.99. If the forgetting factor is too large, the algorithm will tend to retain the earlier data so as to improve the stability and convergence of the algorithm, but may reduce the ability to track the dynamic changes of the system. If the forgetting factor is too small, the algorithm will be able to respond to the dynamic changes of the system more quickly and improve the tracking effect and convergence speed, but it may lead to large fluctuations in the identification parameters and poor convergence. In the equation, is calculated according to obtained from the previous data collection and the newly collected data, and is obtained by updating the covariance matrix combined with the forgetting factor . At the same time, is recursively calculated to , and then the above process is repeated.
RLS-FF is used to identify the parameters of the NARX model established in this paper [30]. The forgetting factor is taken as 0.98, the Gaussian noise of current is added, and its standard deviation is . The input and output parameters use the data obtained in Section 2. The sampling time is 100 s and the sampling period is 0.05 s. After the parameter identification is completed, the curves of input and output with respect to time t after identification are plotted, as shown in Figure 6 and Figure 7.
Figure 6.
Input current–time curve under Gaussian noise after parameter identification.
Figure 7.
Air gap–time curve after parameter identification.
Combined with Figure 6 and Figure 7, it can be seen that after parameter identification, the air gap fluctuates up and down at 0.0314 m. Since the established model is nonlinear and the used data points are randomly selected, the output of the system cannot reach absolute stability, and there is a certain error; the error is about 0.001 m, close to zero, which can be regarded as approaching stability. Similarly, the corresponding input current I fluctuates up and down at 2.0839 A under the influence of noise, and cannot reach absolute stability; the error is 0.0012 A, which can also be regarded as approaching stability.
4. Adaptive Control and Simulation Analysis of the Levitation System
In this section, based on the data results obtained from the parameter identification of the nonlinear model, the adaptive controller of the levitation system is designed by using the backstepping method first, and the stability of the system is verified by using Lyapunov’s second method in the design process. After that, the levitation system simulation model is built in MATLAB/Simulink; then the simulation is carried out, and the results are analyzed. Finally, the adaptive control method is compared with other different control methods.
4.1. Controller Design
The adaptive controller is designed by using the backstepping method. Firstly, Equation set (11) and Table 1 are combined and simplified to obtain:
where .
Then, in order to facilitate representation and calculation, let:
where is the expectation for , and is the error between the actual value and the expected value of the air gap . In the design process, it is expected that tends to zero, and in order to make the system stable, Lyapunov’s second method is combined to design, and the Lyapunov function is constructed:
When , , so is positive definite. To make the system stable, needs to be designed so as to make it negative definite; if:
then in order to make negative definite, let the expectation of be ; suppose:
The above equation is sorted out to obtain: ; then substitute it into Equation (22) to obtain:
where is the gain coefficient, and , so when , . Therefore, is negative definite, and since is positive definite, the system is stable.
Then calculate the error of :
And the differential of error is calculated:
Similarly, the Lyapunov function is designed:
In Equation (27), when and , , so is positive definite. To stabilize the system, it is necessary to design to make it negative definite; there is:
According to Lyapunov’s second method, in order to make negative definite, let:
where and are both gain coefficients, and , . Substituting Equation (29) into (28):
When and , . Therefore, is negative definite and since is positive definite, the system is stable.
Combining Equations (28) and (29), the following is obtained:
Place and separately on both sides of the equation to obtain:
Combining the design process and Equation set (11), the control law is obtained:
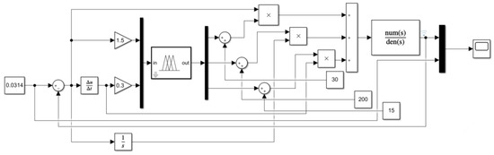
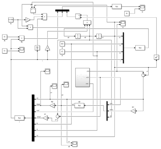
4.2. Simulation Analysis of the Levitation System
The control simulation experiments in this section will all be completed on MATLAB/Simulink. The control structure of the levitation system is mainly composed of three parts: expected output module, adaptive control module, and controlled object module. The simulation model is shown in Figure 8. As can be seen from the figure, the expected output is controlled by the sub-module and connected to the adaptive control module, and the output value is expected to be similar to the expected value. The adaptive control algorithm is constructed by integrating the Fcn module and Mux module, and the adaptive control module is built by combining these with other basic modules. The error function is obtained by using two integrators and combining the output of the sub-module, and it is combined with other modules such as divider and multiplier to complete the construction of the controlled object module.
Figure 8.
Adaptive control structure of the levitation system.
After the simulation, the input voltage curve of the levitation system under adaptive control is drawn, as shown in Figure 9.
Figure 9.
Input voltage curve under adaptive control.
It is noted that the obtained control input voltage tends to be stable after 1 s and tends to the reference voltage . After that, the output air gap curve is drawn, as shown in Figure 10 below.
Figure 10.
Air gap curve under adaptive control.
According to Figure 10, it is noted that the obtained curve tends to stabilize after 1 s, reaching the equilibrium gap. The system overshoot is small, controlled at 4.5%, and the response speed is fast, indicating good adjustment performance. At the same time, when combined with Figure 9 and Figure 10, it can be seen that the air gap immediately responds to the change in the input signal, and the time taken for the air gap to stabilize is almost the same as the time taken for the input voltage to stabilize. These findings reflect the good performance and accurate control efficiency of the designed controller. In addition, the curves of error and error are shown in Figure 11 and Figure 12.
Figure 11.
Error .
Figure 12.
Error .
It can be seen that error and error drop to 0 m within 0.5 s. The decline speed is fast, no longer falls within a very small range after falling to less than 0 m, and starts to rise within 0.1 s after reaching 0 m. These show that the adaptive performance of the system is good, the response speed is fast, and the final two errors are close to 0 m within 1 s and remain unchanged, which shows that the designed controller has strong self-adjustment ability and makes the system stable quickly.
4.3. Performance Analysis of the Levitation System
In order to reflect the effect of the designed adaptive controller, LQR [31] control and Fuzzy-PID control [32] will be used for comparison in this section. LQR control structure and Fuzzy-PID control structure are shown in Figure 13 and Figure 14, respectively.
Figure 13.
LQR control structure.
Figure 14.
Fuzzy-PID control structure.
After the simulation is completed, the output air gap curves under the three controls are placed in a picture for comparison and analysis, as shown in Figure 15.
Figure 15.
Comparison of effects under different controls.
It can be seen that the performance differences of the designed adaptive control, Fuzzy-PID control, and LQR control in the levitation system are mainly reflected in the dynamic response speed and overshoot. In terms of the response speed, adaptive control can converge to the equilibrium gap within 1 s, whereas Fuzzy-PID control and LQR control require more than 2 s. This advantage is due to the real-time parameter adjustment mechanism of adaptive control. By identifying the dynamic characteristics of the system and optimizing the parameters of the controller, adaptive control significantly reduces the adjustment time of the system. In contrast, LQR control is based on the linear quadratic optimal theory, and its control effect depends on the precise mathematical model. When the system has nonlinear or parameter perturbation, it is difficult for the preset fixed feedback gain to adapt to the dynamic change, resulting in the response lag. Although Fuzzy-PID control realizes partial nonlinear compensation through fuzzy rules, its parameter adjustment depends on an empirical rule base, and lacks the active adaptability to the real-time state of the system, so the response speed is limited. In terms of overshoot, the levitation system under the designed adaptive control exhibits a much lower overshoot compared to that under Fuzzy-PID control and LQR control, both of which have overshoot values exceeding 20%. By dynamically adjusting the gain coefficient in the control law, adaptive control can actively suppress the overshoot caused by external interference. For example, during the startup phase of the levitation system, adaptive control can quickly reduce the control output intensity based on real-time error signals to avoid excessive compensation. In contrast, the linear optimal characteristic of LQR control may lead to a too high initial control amount when the model is mismatched, while the integral part of Fuzzy-PID control is prone to accumulate errors during the transient process, both of which will exacerbate the overshoot. In addition, the parameter correction capability of the adaptive control can effectively balance the response speed and stability, thereby reducing the overshoot while maintaining fast convergence.
Thus, the adaptive control method designed for the levitation system not only overcomes the limitations of the traditional control methods, which are slow in regard to the response speed and require linearization [33], but also compensates for the system’s shortcomings in restraining external disturbances and its tendency to accumulate steady-state errors.
In reality, when an EMS Maglev train runs on flexible structures such as turnouts and rail joints, it may cause vehicle–track coupled vibration, leading to fluctuations in the air gap, which directly affect the reliability and comfort of train operations [34]. Therefore, in order to analyze the adaptive performance and control effect of the designed controller in the levitation system, a positive step signal is introduced at t = 3 s, and a negative step signal is introduced at t = 6 s, with the results then compared to those from the other two control methods. The experimental results are illustrated in Figure 16.
Figure 16.
Comparison of different control effects under step signals.
The simulation results demonstrate that the designed adaptive controller exhibits excellent dynamic adjustment performance in the levitation system. As shown by the curves in Figure 16, when the system is disturbed by step signals, the deviation between the air gap and the equilibrium gap rapidly converges under adaptive control. In both step responses, the maximum overshoot is less than 5%, which is lower than that observed under the other two control methods. Meanwhile, the system completes the adjustment within 0.8 s, which is faster than both Fuzzy-PID control and LQR control. The anti-interference capability and good dynamic characteristics of the controller are verified. In particular, during the transient response observed at 6.0 s, the controller enables the system to quickly return to a stable state following a disturbance. The fluctuation range during this phase is significantly lower than that observed during the first disturbance stage. This further indicates that the controller has good adaptability and can effectively suppress the dynamic errors caused by external disturbances while maintaining high-precision stable control of the system.
At the same time, the EMS Maglev train is also subjected to environmental interference and multi-point coupling interference during operation, which is similar to a continuous sinusoidal signal. Therefore, in the simulation analysis, a sinusoidal signal is added to the levitation system, and the results are shown in Figure 17.
Figure 17.
Control effect of the levitation system under the sinusoidal signal.
The results show that the designed adaptive controller has excellent dynamic adjustment ability and anti-interference characteristics when the levitation system is subjected to sinusoidal interference. As shown in Figure 17, the deviation between the air gap and the equilibrium gap is always maintained within a small range (approximately 0.0022 m), and the fluctuation amplitude decreases rapidly due to the control effect. Under continuous interference, the controller can effectively suppress the dynamic influence of the sinusoidal signal, allowing the air gap trajectory to closely follow the equilibrium gap and ultimately achieve steady-state convergence in a finite time (0.6 s). It is worth noting that during the transition stage of amplitude change, the system does not exhibit significant overshoot phenomena, and the curve trajectory remains smooth, which fully reflects the robustness of the controller and the effectiveness of the adaptive mechanism.
In summary, the designed controller can actively adapt to the complex disturbed environment, balancing the dynamic response speed and steady-state accuracy, thereby providing a reliable solution for the high-performance control of the levitation system.
5. Conclusions
In this paper, a nonlinear model of the Maglev system is established. Parameter identification is carried out based on the trained model, and an adaptive control method based on parameter identification is proposed. Through software simulation analysis and comparison with the controller, the accuracy of the established model and the stability of the control method are verified. Although the control method designed in this paper has achieved certain results in terms of stability and interference suppression, there are still many issues that need to be considered and further explored. These include the following: the current model is a single-point levitation, and such an idealized model may cause vibration problems in practical applications. Subsequent research should consider establishing a multi-point levitation system. The proposed control method is effective in the control of the longitudinal levitation gap, but has a poor control effect on the lateral displacement. It is recommended that an independent guiding system be introduced and a corresponding lateral displacement model be established for control in future research.
Author Contributions
Conceptualization, H.Q. and Y.S.; methodology, S.Q.; software, H.H.; validation, H.Q., H.H. and P.C.; formal analysis, H.Q.; investigation, S.Q.; resources, P.C.; data curation, H.H.; writing—original draft preparation, S.Q.; writing—review and editing, H.Q., S.Q. and H.H.; visualization, S.Q.; supervision, P.C.; project administration, H.Q.; funding acquisition, Y.S. All authors have read and agreed to the published version of the manuscript.
Funding
This work was supported in part by the National Natural Science Foundation of China under Grant 52272374 & 52232013, in part by an open project of the Key Laboratory of Railway Industry of Maglev Technology.
Data Availability Statement
Data are contained within the article.
Conflicts of Interest
The authors declare no conflicts of interest.
References
- Zhang, T.B.; Shen, D.; Jiang, S.H.; Xu, H.Z. Adaptive Fixed-Time Antilock Control of Levitation System of High-Speed Maglev Train. IEEE Trans. Intell. Veh. 2023, 8, 3394–3404. [Google Scholar] [CrossRef]
- Nøland, J.K. A Reality Check on Maglev Technology for the Hyperloop Transportation System: Status Update After a Decade of Development. IEEE Access 2024, 12, 162918–162928. [Google Scholar] [CrossRef]
- Abdollahzadeh, M.; Pourgholi, M. Adaptive fuzzy sliding mode control of magnetic levitation system based on Interval Type-2 Fuzzy Neural Network Identification with an Extended Kalman–Bucy filter. Eng. Appl. Artif. Intell. 2024, 130, 107645. [Google Scholar] [CrossRef]
- Gu, H.; Zhu, Q.H.; Hua, Y.Z. Soft Sensing Modeling of Magnetic Suspension Rotor Displacements Based on Continuous Hidden Markov Model. IEEE Trans. Appl. Supercond. 2018, 28, 3600105. [Google Scholar] [CrossRef]
- Mughees, A.; Mughees, N.; Mughees, A.; Mohsin, S.A.; Ejsmont, K. Enhancing stability and position control of a constrained magnetic levitation system through optimal fractional-order PID controller. Alex. Eng. J. 2024, 107, 730–746. [Google Scholar] [CrossRef]
- Wang, Z.Q.; Long, Z.Q.; Xie, Y.D.; Luo, J.; Li, X.L. A Discrete Nonlinear Tracking-Differentiator and Its Application in Vibration Suppression of Maglev System. Math. Probl. Eng. 2020, 2020, 1849816. [Google Scholar] [CrossRef]
- Peng, T.; Peng, H.; Li, R.W. Deep learning based model predictive controller on a magnetic levitation ball system. ISA Trans. 2024, 149, 348–364. [Google Scholar] [CrossRef]
- Lv, Z.G.; Long, Z.Q. Method on Nonlinear Adaptive Controller for Maglev Levitation Ball System. Control Eng. China 2020, 27, 127–133. [Google Scholar]
- Oppeneiger, B.; Lanza, L.; Schell, M.; Dennstädt, D.; Schaller, M.; Zamzow, B.; Berger, T.; Worthmann, K. Model predictive control of a magnetic levitation system with prescribed output tracking performance. Control Eng. Pract. 2024, 151, 106018. [Google Scholar] [CrossRef]
- Zub, S.S.; Yalovega, I.H.; Lyashko, S.I.; Lyashko, V.S. Mathematical Model of Magnet Superconducting Suspension. Cybern Syst Anal. 2024, 60, 383–391. [Google Scholar] [CrossRef]
- Wen, T.; Zhou, X.; Li, X.L.; Long, Z.Q. Data-Driven Nonlinear Iterative Inversion Suspension Control. Actuators 2023, 12, 68. [Google Scholar] [CrossRef]
- Xu, J.Q.; Chen, C.; Sun, Y.G.; Rong, L.J.; Lin, G.B. Nonlinear dynamic characteristic modeling and adaptive control of low speed suspension. Int. J. Appl. Electromagn. Mech. 2019, 62, 73–92. [Google Scholar] [CrossRef]
- Sahoo, A.K.; Mishra, S.K.; Acharya, D.S.; Sahu, S.S.; Paul, S.; Gupta, V.K. Identification and control of Maglev system using fractional and integer order PID controller. J. Intell. Fuzzy Syst. 2023, 44, 7277–7289. [Google Scholar] [CrossRef]
- Marghichi, M.E.; Loulijat, A.; Hantati, I.E. Variable recursive least square algorithm for online battery equivalent circuit model parameters identification for electric vehicles. Electr. Eng. 2023, 106, 2425–2445. [Google Scholar] [CrossRef]
- Ji, W.; Lv, D.Y.; Luo, S.H.; Sun, Y.G. Multiple Models-Based Fault Tolerant Control of Levitation Module of Maglev Vehicles against Partial Actuator Failures. IEEE Trans. Veh. Technol. 2024, 73, 2231–2240. [Google Scholar] [CrossRef]
- Sain, D. Real-Time implementation and performance analysis of robust 2-DOF PID controller for Maglev system using pole search technique. J. Ind. Inf. Integr. 2019, 15, 183–190. [Google Scholar] [CrossRef]
- Sun, Y.G.; Qiang, H.Y.; Wang, L.; Ji, W.; Mardani, A. A Fuzzy-Logic-System-Based Cooperative Control for the Multielectromagnets Suspension System of Maglev Trains With Experimental Verification. IEEE Trans. Fuzzy Syst. 2023, 31, 3411–3422. [Google Scholar] [CrossRef]
- Vo, A.T.; Truong, T.N.; Kang, H.J.; Le, T.D. A fixed-time sliding mode control for uncertain magnetic levitation systems with prescribed performance and anti-saturation input. Eng. Appl. Artif. Intell. 2024, 133, 108373. [Google Scholar] [CrossRef]
- Mo, M.G.; Wu, J.R.; Wu, W.L. Adaptive backstepping sliding mode control for single-inductor double-output boost converter. ISA Trans. 2024, 155, 454–462. [Google Scholar] [CrossRef]
- Li, H.Y.; Wang, F.L. Adaptive output feedback reinforcement learning control for continuous time switched stochastic nonlinear systems with unknown control coefficients and full-state constraints. Int. J. Syst. Sci. 2024, 55, 332–354. [Google Scholar] [CrossRef]
- Vidyasagar, M. Nonlinear Systems Analysis, 2nd ed.; Society for Industrial and Applied Mathematics: Philadelphia, PA, USA, 2002; pp. 135–269. [Google Scholar]
- McIlvanna, S.; Van, M.; Sun, Y.Z.; Naeem, W.; Liu, Z.J. Adaptive fixed-time control for uncertain surface vessels with output constraints using barrier Lyapunov function. Ocean Eng. 2024, 293, 116740. [Google Scholar] [CrossRef]
- Melnikov, D.; Sakamoto, N.; Zavadskiy, S.; Golovkina, A. Nonlinear optimal control for Maglev platform roll motion. IFAC PapersOnLine 2022, 55, 418–423. [Google Scholar] [CrossRef]
- Sweetha, S.; Panneerselvam, V.; Tatar, N.; Sakthivel, R. Observer-based control for nonlinear neutral type stochastic model with fractional Gaussian noise and input saturation. CSF 2023, 167, 113070. [Google Scholar] [CrossRef]
- Feng, Y.; Zhao, C.F.; Tong, L.S.; Yu, Q.S.; Shu, Y. Dynamic impact analysis of the time-delay levitation control system on maglev vehicle system after adding smith predictor. ISA Trans. 2024, 154, 82–94. [Google Scholar] [CrossRef]
- Zhao, X.N.; Sun, Y.G.; Li, Y.M.; Jia, N.; Xu, J.Q. Applications of machine learning in real-time control systems: A review. Meas. Sci. Technol. 2025, 36, 012003. [Google Scholar] [CrossRef]
- LeCun, Y.; Bengio, Y.; Hinton, G. Deep learning. Nature 2015, 521, 436–444. [Google Scholar] [CrossRef]
- Nikolakopoulou, A.; Braatz, R.D. Polynomial NARX-based nonlinear model predictive control of modular chemical systems. Comput. Chem. Eng. 2023, 177, 108272. [Google Scholar] [CrossRef]
- Girgis, M.E.; Elkhateeb, N.A. Enhancing photovoltaic MPPT with P&O algorithm performance based on adaptive PID control using exponential forgetting recursive least squares method. Renew. Energy 2024, 237, 121801. [Google Scholar]
- Khan, T.A.; Chaudhary, N.I.; Khan, Z.A.; Mehmood, K.; Hsu, C.C.; Raja, M.A.Z. Design of Runge-Kutta optimization for fractional input nonlinear autoregressive exogenous system identification with key-term separation. CSF 2024, 182, 114723. [Google Scholar] [CrossRef]
- Mehta, N.S.; Bhaiya, V.; Patel, K.A.; Farsangi, E.N. Predictive active control of building structures using LQR and artificial intelligence. Earthq. Eng. Eng. Vib. 2024, 23, 489–502. [Google Scholar] [CrossRef]
- Hasheminejad, S.M.; Fallahi, R. Intelligent VIV control of 2DOF sprung cylinder in laminar shear-thinning and shear-thickening cross-flow based on self-tuning fuzzy PID algorithm. Mar. Struct. 2023, 89, 103377. [Google Scholar] [CrossRef]
- Qiang, H.Y.; Xiao, C.; Huang, H.Y.; Hai, Y.C.; Sun, Y.G. Yaw Feedback Control of Active Steering Vehicle Based on Differential Flatness Theory. J. Theor. Appl. Mech. 2025, 63, 131–149. [Google Scholar] [CrossRef] [PubMed]
- Chamraz, Š.; Huba, M.; Žáková, K. Stabilization of the Magnetic Levitation System. Appl. Sci. 2021, 11, 10369. [Google Scholar] [CrossRef]
Disclaimer/Publisher’s Note: The statements, opinions and data contained in all publications are solely those of the individual author(s) and contributor(s) and not of MDPI and/or the editor(s). MDPI and/or the editor(s) disclaim responsibility for any injury to people or property resulting from any ideas, methods, instructions or products referred to in the content. |
© 2025 by the authors. Licensee MDPI, Basel, Switzerland. This article is an open access article distributed under the terms and conditions of the Creative Commons Attribution (CC BY) license (https://creativecommons.org/licenses/by/4.0/).