Next Article in Journal
An Adaptive Preload Device for High-Speed Motorized Spindles for Teaching and Scientific Research
Previous Article in Journal
Steady-State Disturbance-Rejection Controllability for LTI Systems with Rigid-Body Mode
Previous Article in Special Issue
Agentic AI for Real-Time Adaptive PID Control of a Servo Motor
 
 
Font Type:
Arial Georgia Verdana
Font Size:
Aa Aa Aa
Line Spacing:
Column Width:
Background:
Article

Nonlinear Controller for Keeping Pulsed-Power Resonant Inverter Driving Time-Varying Series RLC Load in Resonance

1
Applied Energy Laboratory, School of Electrical and Computer Engineering, Ben-Gurion University of the Negev, Beer-Sheva 8410501, Israel
2
nT-Tao Compact Fusion Power Ltd., Hod Hasharon 4501306, Israel
*
Author to whom correspondence should be addressed.
Actuators 2025, 14(12), 590; https://doi.org/10.3390/act14120590 (registering DOI)
Submission received: 29 September 2025 / Revised: 10 November 2025 / Accepted: 20 November 2025 / Published: 3 December 2025
(This article belongs to the Special Issue Advanced Technologies in Actuators for Control Systems)

Abstract

Capacitor-powered resonant inverters are often employed in pulsed-power applications to feed an equivalent series resistance–inductance–capacitance (RLC) load with time-varying component values. Establishing the short-time dynamics of such an arrangement is nontrivial since the system does not reach a steady state within a single pulse period. As a result, linearization around a single operation point cannot be applied for the sake of simplified system modeling. Consequently, the design of feedback controllers for such systems (aiming for, e.g., resonant frequency tracking or energy transfer rate regulation) is highly cumbersome and challenging since a linear time-invariant regulator is unable to bring the system to desired performance within the whole expected operation range. To cope with the modeling task, a reduced-order envelope model of a capacitor-fed resonant inverter feeding a time-varying RLC load was recently proposed by the authors. In this paper, this model is further simplified and split into linear and nonlinear parts, allowing the employment of a combination of feedback linearizing (nonlinear) action with a linear time-invariant regulator to form a nonlinear control structure allowing the attainment of resonant frequency tracking within a wide operation range. The proposed controller design methodology is accurately validated by multiple time-domain simulations.

1. Introduction

Resonant converters are commonly utilized today in applications requiring precise and efficient energy transfer, such as in the cellphone industry [1], inductive cooking for domestic use [2], wireless power chargers for electric vehicles [3,4], magnetic levitation systems for a variety of transportation solutions [5], wireless charging of biomedical implants [6] and induction heating in the metal industry [7]. These converters are generally operated at high frequencies, which consequently causes the inductive reactance to restrict the power delivered to the load. For non-varying or limited-varying load, a resonant capacitor is then typically added for a constant, pre-calculated resonant frequency of the converter, supporting quasi-resonant operation. Modern resonant converters should dynamically track the resonant frequency of varying loads; i.e., resonance is sustained regardless of the load variations. Nonetheless, sustaining resonance under rapid load variations in highly nonlinear systems is challenging, especially in pulsed-power scenarios, where the desired response time of the system to the control signal is shorter than the settling time of the open-loop system. This challenge is evident in pulsed-power hydrogen fusion systems, in which plasma generation leads to large, rapid changes in both resistive and inductive load components [8,9]. Moreover, the capacitance of the resonant elements can shift as a result of temperature fluctuations, mechanical stresses from high current, or degradation [10].
As an example, assume a sinusoidal source with constant magnitude and frequency v t = V M s i n ω s t applied to a general series RLC network (assuming fixed parameter values for brevity) at t = 0. The current flowing through the network would then be given by i t = I M ( t ) s i n ω t   t . In steady state, the linear time-invariant nature of the system imposes i s s t = I M s s   s i n ω s t   +   φ s s with constant I M s s = V M / R   +   j ( ω s L     1 / ω s C ) , φ s s = a r g [ R   +   j ( ω s L     1 / ω s C ) ] and ω = ω s . However, within the transient response, the instantaneous current amplitude and frequency fluctuate, leading to I M t   I M s s and ω t     ω s . On the other hand, instantaneous current frequency may be expressed as ω t = ω s   +   ω ( t ) . Hence, the current flowing through the network may be expressed as i t = I M ( t ) s i n ω s t   +   φ t with φ t = ω ( t ) t ; thus, the varying frequency can be considered as a constant frequency with a time-varying phase, as shown in Figure 1 [11]. In practical pulsed-power operation, the inverter is not driven continuously but rather in a burst-mode manner. Here, the power stage is gated on only for a short time interval (a pulse) and then switched off (all the transistors are de-energized). In the example considered here, only the first 1 ms within the pulse is of interest, while the system would have reached steady state only around 2.75 ms if kept operating. Hence, steady-state phasor-domain analysis proves inadequate for analyzing the dynamics over the power-burst timeframe, and therefore, a time-domain-based analysis method that does not rely on the assumption of steady-state operation is needed.
Nonlinear systems can be characterized as systems with an unproportional output response to their input signal and often exhibit complex input-to-output dynamics, making their analysis and control design a challenging task. In systems with moderate nonlinearity, linearization [12] is commonly used to simplify the described dynamics analysis. The use of linearization allows the construction of a system transfer function and, consequently, a further use of linear control theory tools [13]. For systems that are highly nonlinear, the common, straightforward linearization techniques fail to adequately capture the system dynamics due to fast and substantial variations in the operating point of the system during operation; thus, the analysis of a linearized system model around a certain operating point will often lead to an invalid representation of the system and its input-to-output dynamics. One way to address this challenge is by adopting an approach in which the nonlinear relationship between the system input and output is explicitly identified and utilized in the controller design. In this case, the system’s nonlinearity can be specifically compensated for within the control scheme, resulting in a pseudo-linear system from the controller’s perspective. This simplification enables a linear control design and forms the basis for the suggested nonlinear control strategy. A recent study introduced an envelope modeling technique [14], deriving a plant that accurately represents the system dynamics by capturing the amplitude and phase dynamics of the system. Although effective, traditional envelope modeling inherently increases the system plant model’s order, complicating the subsequent controller design task. Traditionally, in such cases, an order reduction procedure is applied. Commonly, reduced-order models [15] rely on linearization techniques to achieve simplification; nonetheless, such an approach is only suitable for steady-state operating systems with small operating point variations, and thus struggles to correctly capture the behavior of highly operating point-varying systems. Another method to achieve a low-order envelope model based on the energetic coupling between the system inductance and capacitance was proposed in [16]; however, it is only valid in a very close vicinity of resonance. The previously proposed reduced-order envelope model [11] presents a way to alleviate high-order complexity, offering a more practical, lower-order plant, with a wide validity range, more suitable for controller design.
In this paper, previously derived full-order and reduced-order envelope models of the described system are introduced. Under the assumption of near-resonance operation, the reduced-order envelope model is further simplified and utilized to obtain the nonlinear relationship between the inverter switching frequency and its current phase. This relationship forms the core of a novel “nonlinearity compensation unit”, a mathematical part of the controller, possessing the relations between the system switching frequency and phase. From the controller’s perspective, integrating the above compensation unit into the controller yields a linear integrator-like input-to-output behavior of the control loop, thus simplifying the controller design process substantially. The resulting control approach provides a robust, effective, and easy-to-implement solution for managing highly nonlinear fast-varying systems, allowing the use of linear control tools that were previously invalid. The suggested control approach credibility is shown using simulations, and conclusions are given.

2. System Under Consideration and Basic Assumptions

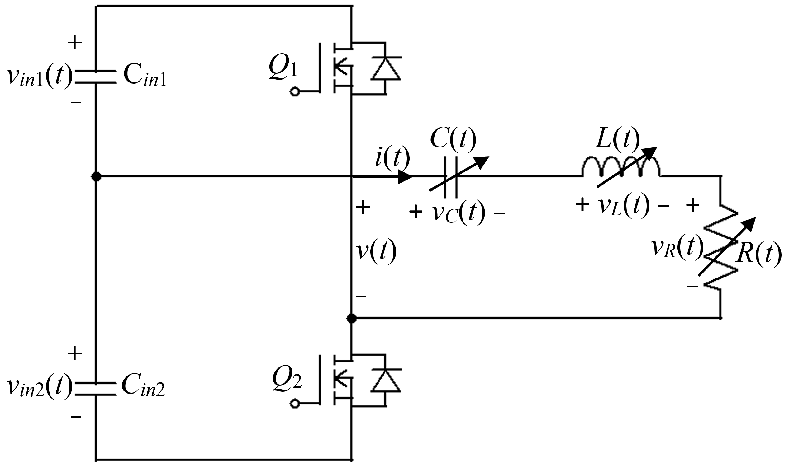
The system under consideration comprises a resonant half-bridge converter feeding a series-connected resistor–inductor–capacitor (RLC) load with time-varying values, shown in Figure 2. Large DC-side capacitors Cin1 and Cin2, pre-charged to a certain initial DC voltage, serve as the system’s energy source. Values of RLC network components are assumed to vary in time according to
R ( t ) = R 0 + Δ R ( t ) Ω , L ( t ) = L 0 + Δ L ( t ) H , C ( t ) = C 0 + Δ C ( t ) F ,
where the first (zero-indexed) right-hand side term denotes a constant nominal value and the second right-hand term signifies a corresponding time-varying quantity.
In addition, relative rate of change in R(t), L(t) and C(t) is significantly lower than angular converter switching frequency ωs [rad/s] in practice. Consequently, RLC network component values are considered to remain constant during a single switching period Ts [s] = 1/fs with fs [Hz] = ωs/2 π . DC-side capacitances Cin1 and Cin2 (assumed to be equal, constant and known) are pre-charged to initial voltages of vin1(0) = vin2(0) = vin(0) prior to burst creation at t = 0. During operation, DC-side capacitances discharge to provide energy to resistance R(t). Nevertheless, Cin1 and Cin2 are typically high enough to assume that the average value of vin(t) remains unchanged during a single switching period Ts. Converter switches operate in complementary fashion with duty cycle of 50% so that its output voltage v(t) may be approximated within a single switching period (neglecting parasitics for brevity) by a square-wave given by
v ( t ) = v i n ( t ) , 0 t T s 2 v i n ( t ) ,   T s 2 t T s
and thus, described by the following Fourier series,
v ( t ) o d d n A n ( t ) sin θ s ( t ) , A n ( t ) = 4 v i n ( t ) n π sin n π 2 , θ s ( t ) = ω s ( t ) d t .
Lastly, it should be emphasized that while converter switching frequency varies in general, corresponding relative rate of change is significantly lower than ωs(t) itself.

3. System Modeling Review

The AC side of the circuit in Figure 2 is governed by the following equation
v ( t ) = R ( t ) i ( t ) v R ( t ) + v L ( t ) + v C ( t ) ,
where voltages across the inductance and the capacitance are related to the AC-side current as
v L ( t ) = d L ( t ) i ( t ) d t =   d L ( t ) d t i ( t ) + d i ( t ) d t L ( t )
and
i ( t ) =   d C ( t ) v C ( t ) d t =   d C ( t ) d t   v C ( t ) + d v C ( t ) d t C ( t ) ,
respectively. As shown in [13], operation in the vicinity of resonance yields nearly sinusoidal capacitor voltage and current (due to the bandpass-filtering nature of series RLC impedance), given by
v C ( t ) V M ( t ) sin θ s ( t ) + φ v ( t ) = V M ( t ) cos φ v ( t ) sin θ s ( t ) + V M ( t ) sin φ v ( t ) cos θ s ( t )
and
i ( t ) I M ( t ) sin θ s ( t ) + φ i ( t ) = I M ( t ) cos φ i ( t ) sin θ s ( t ) + I M ( t ) sin φ i ( t ) cos θ s ( t )
respectively, where VM(t) and IM(t) stand for the corresponding magnitudes and φv(t) and φi(t) symbolize the corresponding phase angles [17]. Further denoting
V M ( t ) cos φ v ( t ) v C s ( t ) , V M ( t ) sin φ v ( t ) v C c ( t ) ,
and
I M ( t ) cos φ i ( t ) i s ( t ) , I M ( t ) sin φ i ( t ) i c ( t ) ,
Equations (7) and (8) may be rewritten as
v C ( t ) = v C s ( t ) sin θ s ( t ) + v C c ( t ) cos θ s ( t )
and
i ( t ) = i s ( t ) sin θ s ( t ) + i c ( t ) cos θ s ( t ) ,
respectively. Combining (4)–(12), a set of four envelope dynamics state equations with corresponding general initial conditions may be established [18,19],
d i s ( t ) d t = ω s ( t ) i c ( t ) + 1 L ( t ) 4 v i n ( t ) π R ( t ) + d L ( t ) d t i s ( t ) v C s ( t ) , i s ( 0 ) = I 0 s d i c ( t ) d t = ω s ( t ) i s ( t ) 1 L ( t ) R ( t ) + d L ( t ) d t i c ( t ) + v C c ( t ) , i c ( 0 ) = I 0 c d v C s ( t ) d t = 1 C ( t ) i s ( t ) + ω s ( t ) v C c ( t ) d C ( t ) d t v c c ( t ) ,   v C s ( 0 ) = V C 0 s d v C c ( t ) d t = 1 C ( t ) i c ( t ) ω s ( t ) v C s ( t ) d C ( t ) d t v C c ( t ) , v C c ( 0 ) = V C 0 c .
Output equations are derived from (9) and (10) as
V M ( t ) = v C s ( t ) 2 + v C c ( t ) 2 , I M ( t ) = i s ( t ) 2 + i c ( t ) 2 , φ v ( t ) = arctan v C c ( t ) v C s ( t ) , φ i ( t ) = arctan i c ( t ) i s ( t ) .
Moreover, the switching-cycle-average power released by the DC link capacitors is dissipated by the RLC network resistance in the case of lossless conversion [13], yielding the fifth state equation with corresponding general initial conditions, namely
d v ¯ i n t d t = R t 2 v ¯ i n t C i n I M 2 t ,     v ¯ i n 0 = V 0
with v ¯ i n ( t ) denoting the switching-cycle-average value of vin(t). Consequently, the envelope model of the system is of fifth order (formed by five state equations—Equations (13) and (15)), even though there are three energy storage elements in the system (split DC link capacitors may be considered as a single element). To counteract the inherent model order augmentation imposed by envelope modeling, the slow-varying amplitude derivative and phase (SVADP) methodology [19] assumes
d v C c ( t ) d t 1 C ( t ) ω s ( t ) d i s ( t ) d t ,   d v C s ( t ) d t 1 C ( t ) ω s ( t ) d i c ( t ) d t
and combining this with (13)–(15) was adopted in [11], allowing us to derive a reduced-order envelope model given by
d tan φ i ( t ) d t = C ( t ) L ( t ) ω s 2 ( t ) ω s ( t ) 1 C ( t ) L ( t ) ω s ( t ) 1 + tan 2 φ i ( t ) C ( t ) L ( t ) ω s 2 ( t ) + 1 1 + tan 2 φ i ( t ) I M 2 ( t ) 4 v ¯ i n ( t ) π L ( t ) C ( t ) L ( t ) ω s 2 ( t ) tan φ i ( t ) C ( t ) L ( t ) ω s 2 ( t ) + 1 , tan φ i ( 0 ) = tan φ i 0 d I M ( t ) d t = C ( t ) L ( t ) ω s 2 ( t ) ω s ( t ) 1 C ( t ) L ( t ) ω s ( t ) tan φ i ( t ) C ( t ) L ( t ) ω s 2 ( t ) R ( t ) L ( t ) C ( t ) L ( t ) ω s 2 ( t ) + 1 1 + tan 2 φ i ( t ) I M ( t ) + C ( t ) L ( t ) ω s 2 ( t ) 4 v ¯ i n ( t ) π L ( t ) 1 + tan 2 φ i ( t ) C ( t ) L ( t ) ω s 2 ( t ) + 1 1 + tan 2 φ i ( t ) tan φ i ( t ) C ( t ) L ( t ) ω s 2 ( t ) ω s ( t ) 1 C ( t ) L ( t ) ω s ( t ) C ( t ) L ( t ) ω s 2 ( t ) + 1 1 + tan 2 φ i ( t ) I M ( t ) tan 2 φ i ( t ) C ( t ) L ( t ) ω s 2 ( t ) R ( t ) L ( t ) C ( t ) L ( t ) ω s 2 ( t ) + 1 1 + tan 2 φ i ( t ) I M ( t ) , I M ( 0 ) = I M 0 d v ¯ i n ( t ) d t = R ( t ) 2 v ¯ i n ( t ) C i n I M 2 ( t ) , v ¯ i n 0 = V 0 .

4. Further Model Simplification

Reduced-order model (17) is formed by complex, highly nonlinear third-order dynamics. To further simplify the system model, a practical assumption is adopted as follows. Denoting the system resonant frequency as
ω 0 ( t ) = 1 L ( t ) C ( t ) ,
operation in the vicinity of resonance yields
C ( t ) L ( t ) ω s 2 ( t ) + 1 2 .
As a result, the first state equation in (17) may be approximated by
d tan φ i ( t ) d t = ω s ( t ) 1 C ( t ) L ( t ) ω s ( t ) 1 + tan 2 φ i ( t ) 2 1 + tan 2 φ i ( t ) I M 2 ( t ) 4 v ¯ i n ( t ) π L ( t ) tan φ i ( t ) 2 , tan φ i ( 0 ) = tan φ 0
Moreover, noticing that linearization
ω s ( t ) 1 C ( t ) L ( t ) ω s ( t ) = ω s ( t ) ω 0 2 ( t ) ω s ( t ) 1.8 ω 0 ( t ) ω s ( t )
is valid in the vicinity of resonance, (20) may be further reduced to
d tan φ i ( t ) d t 0.9 ω s ( t ) ω 0 ( t ) 1 + tan 2 φ i ( t ) 1 + tan 2 φ i ( t ) I M 2 ( t ) 2 v ¯ i n ( t ) π L ( t ) tan φ i ( t ) , tan φ i ( 0 ) = tan φ 0 .
In the following section, a nonlinear feedback controller is established based on the simplified nonlinear dynamics (22).

5. Proposed Feedback Control Structure

Defining the right-hand side of (22) as
d tan φ i ( t ) d t u ( t )
and rearranging accordingly, the inverse relation between u(t) and the inverter switching frequency is given by
ω s ( t ) = ω 0 ( t ) u ( t ) + 2 v ¯ i n ( t ) tan ( φ i ( t ) ) 1 + tan 2 ( φ i ( t ) ) π L ( t ) I M ( t ) 0.9 ( 1 + tan 2 ( φ i ( t ) ) ) ,
indicating the existence of a feedback linearization function. Consequently, a dual-stage control structure consisting of feedback linearization action to cope with (24) and a linear regulator to impose the desired closed-loop dynamics on (23) is proposed. Regarding the former, note that while instantaneous current magnitude and phase, as well as DC link voltage, may be measured in real time, the instantaneous inductance value L(t) is non-measurable in real time. Therefore, a nominal known inductance value L0 is adopted in the controller to form the feedback linearization action as
ω s ( t ) = ω 0 ( t ) u ( t ) + 2 v ¯ i n ( t ) tan ( φ i ( t ) ) 1 + tan 2 ( φ i ( t ) ) π L 0 I M ( t ) 0.9 ( 1 + tan 2 ( φ i ( t ) ) ) .
Applying (25) with (22), there is
d tan φ i ( t ) d t u ( t ) + 2 v ¯ i n ( t ) tan φ i ( t ) 1 + tan 2 φ i ( t ) π I M ( t ) 1 L 0 1 L ( t ) d ( t ) .
In the nominal case (L(t) = L0), (22) reduces to (23) as desired. Otherwise, a nonzero equivalent disturbance function d(t) would be acting on the system. In reality, nonzero d(t) should always be considered since (22) itself is an approximation. Consequently, an integrator-based linear regulator should be adopted in order to bring the steady-state error to zero. Moreover, adopting zero-crossings-based phase measurement [11] introduces the half-switching-period delay Td = Ts/2 into the system, which must be taken into account during linear regulator design. The overall closed-loop system block diagram is depicted in Figure 3.
When the feedback linearization action (25) is applied, the dynamics of the current phase are governed by (26). The corresponding closed-loop system block diagram is depicted in Figure 4 with C(s) denoting the transform function of the linear regulator to be designed next.
According to Figure 4, the loop gain is given by
L G ( s ) = C ( s ) e T d s s .
Adopting a PI controller
C ( s ) = K ( 1 + τ s ) s
as the linear regulator, the loop gain becomes
L G ( s ) = K ( 1 + τ s ) e T d s s 2 .
Denoting the crossover frequency as ωC, there are
L G ( ω C ) = K 1 + τ ω C 2 ω C 2 = 1 , L G ( ω C ) = t g 1 τ ω C π T d ω C = π + P M
with PM denoting the corresponding phase margin. Typically,
τ ω C = 10
is selected [20] so that
ω C = t g 1 10 P M T d
is obtained from (30), yielding
K = t g 1 10 P M 2 101 T d 2 , τ = 10 T d t g 1 10 P M .

6. Verification

To verify the validity of the proposed control methodology, a component-level switched model of the circuit in Figure 2 was established using PSIM software (2025a version). Corresponding parameter values are summarized in Table 1. To obtain the phase, the zero-crossings-based phase measurement approach in [21] was used in the present work, while phase-detection errors were assumed negligible. The minimum operating frequency of the system was assumed to be fs,min = 200 kHz, yielding a worst-case delay of Td,max = Ts,max/2 = 2.5 μs, yielding a crossover frequency of (cf. (32)) ωC ≈ 2π∙45 [krad/s] with π/4 phase margin. The corresponding Bode diagram is depicted in Figure 5.
Applying the proposed feedback linearization, the phase dynamics in (26) become linear in the phase variable in the vicinity of resonance. Together with the PI controller, this yields an LTI unity-feedback loop. Closed-loop stability then follows from the Nyquist criterion, evaluated via the above Bode plot; the positive gain and phase margins ensure local stability around the operating point under consideration. Simulations were performed in open-loop at the nominal resonant frequency
f 0 = 1 2 π C 0 L 0 = 221 [ kHz ]
and closed-loop, where the inverter current phase was regulated by the proposed controller, as illustrated in Figure 3. The controller was given a reference phase value tg(φi(t))* of zero degrees to ensure resonant operation for load power transfer maximization. Six simulation scenarios were conducted with RLC load parameters varied according to (1) with
Δ R ( t ) = R 1 [ u ( t t s t e p 1 ) u ( t t s t e p 2 ) ] Δ L ( t ) = L 1 [ u ( t t s t e p 1 ) u ( t t s t e p 2 ) ] Δ C ( t ) = C 1 [ u ( t t s t e p 1 ) u ( t t s t e p 2 ) ]
and u t     t s t e p x standing for a unity-magnitude step function applied at t = t s t e p x , representing the abrupt change in the load components during actual plasma generation within the pulse. Scenarios corresponding to each simulation are given in Table 2, cf. (35). Corresponding simulation results are shown in Figure 6, Figure 7, Figure 8, Figure 9, Figure 10 and Figure 11. Each result consists of three subplots: instantaneous AC-side current, corresponding phase and operating frequency. In addition, the “ideal current envelope” is indicated by a dashed line in the former subplot, demonstrating the theoretical current envelope of a system instantaneously remaining in resonance. When operated at constant frequency, the instantaneous current magnitude drops immediately upon component value variation, accompanied by a sharp phase increase, returning to the original (resonant) state upon nominal component value restoration. On the other hand, it is well evident that the system remains in resonance following step-like variation in RLC load parameters under the proposed control strategy after a short transient.

7. Conclusions

This paper suggested a novel control strategy for highly nonlinear, time-varying resonant systems, emphasizing fast-response applications such as pulsed-power energy transfer. By leveraging previously developed full-order and reduced-order envelope models, simplification under the assumption of near-resonance operation was applied, and the nonlinear dynamics between the inverter’s switching frequency and current phase were derived. The achieved dynamics analysis enabled the formulation of a nonlinearity compensation unit which, when integrated into the control loop, transforms the system’s input–output behavior into a linear, integrator-like form. As a result, linear control methods became viable for a fundamentally highly nonlinear system, significantly simplifying the controller design process. Simulation results validated the effectiveness and robustness of the proposed control approach under fast-varying load conditions, demonstrating accurate phase tracking and regulation. The developed control strategy in this paper provides a practical and computationally efficient framework for feedback control design in systems where conventional linearization fails, thereby broadening the applicability of resonant converters in dynamic, real-world scenarios. Future work on the subject includes the introduction of a robust or sliding mode [22] feedback linearization controller to the system and subsequent experimental validation.

Author Contributions

Conceptualization, O.A., N.S. and A.K.; methodology, N.S. and A.K.; software, O.A.; validation, O.A.; formal analysis, O.A.; investigation, O.A.; resources, A.K.; data curation, O.A.; writing—original draft preparation, O.A.; writing—review and editing, A.K.; visualization, O.A.; supervision, N.S. and A.K.; project administration, N.S. and A.K.; funding acquisition, A.K. All authors have read and agreed to the published version of the manuscript.

Funding

This research was supported in part by nT-Tao Compact Fusion Power Ltd.

Data Availability Statement

The original contributions presented in this study are included in the article. Further inquiries can be directed to the corresponding author.

Conflicts of Interest

Author Natan Schecter was employed by the company nT-Tao Compact Fusion Power Ltd. The remaining authors declare that the research was conducted in the absence of any commercial or financial relationships that could be construed as a potential conflict of interest.

References

  1. Hui, S.Y. Planar wireless charging technology for portable electronic products and Qi. Proc. IEEE 2013, 101, 1290–1301. [Google Scholar] [CrossRef]
  2. Vishnuram, P.; Ramachandiran, G.; Sudhakar Babu, T.; Nastasi, B. Induction heating in domestic cooking and industrial melting applications: A systematic review on modelling, converter topologies and control schemes. Energies 2021, 14, 6634. [Google Scholar] [CrossRef]
  3. Baimel, D.; Kuperman, A. Multi-regional modeling and operational analysis of LC/S-compensated inductive wireless power transfer link with load-independent current output. Simul. Model. Pract. Theory 2020, 105, 102154. [Google Scholar] [CrossRef]
  4. Vulfovich, A.; Baimel, D.; Kuperman, A. Modified first harmonic approximation-based modeling of SN-compensated inductive power transfer links operating at load-independent-voltage-output frequency. Simul. Model. Pract. Theory 2021, 111, 102340. [Google Scholar] [CrossRef]
  5. Cho, D.; Suh, N.P.; Yoon, U.; Jung, G. Shaped magnetic field in resonance technology and its application to transportation system. In Proceedings of the International ASME Mechanical Engineering Congress and Exposition, Houston, TX, USA, 13–19 November 2015. [Google Scholar]
  6. Si, P.; Hu, A.P.; Malpas, S.; Budgett, D. A frequency control method for regulating wireless power to implantable devices. IEEE Trans. Biomed. Circuits Syst. 2008, 2, 22–29. [Google Scholar] [CrossRef]
  7. Garcia-Michelena, P.; Ruiz-Reina, E.; Herrero-Dorca, N.; Chamorro, X. Multiphysics modeling and experimental validation of heat and mass transfer for the vacuum induction melting process. Appl. Therm. Eng. 2024, 243, 122562. [Google Scholar] [CrossRef]
  8. Lee, S.-Y.; Gho, J.-S.; Kang, B.-H.; Cho, J.-S. Analysis of pulse power converter for plasma application. In Proceedings of the 34th Annual Conference of IEEE Industrial Electronics Society, Orlando, FL, USA, 10–13 November 2008. [Google Scholar]
  9. Fantz, U.; Briefi, A.; Heiler, A.; Wimmer, C. Negative hydrogen ion sources for fusion: From plasma generation to beam properties. Front. Phys 2021, 9, 709651. [Google Scholar] [CrossRef]
  10. Gupta, A.; Yadav, O.P.; DeVoto, D.; Major, J. A review of degradation behavior and modeling of capacitors. In Proceedings of the International Technical Conference and Exhibition on Packaging, San Francisco, CA, USA, 27–30 August 2018. [Google Scholar]
  11. Akler, O.; Kuperman, A. Reduced-order nonlinear envelope modeling and simulation of resonant inverter driving series resistor–inductor–capacitor load with time-varying component values. Appl. Sci. 2025, 15, 4502. [Google Scholar] [CrossRef]
  12. Henson, M.; Seborg, D. Critique of exact linearization strategies for process control. J. Process Control 1991, 1, 122–134. [Google Scholar] [CrossRef]
  13. Middleton, R. Trade-offs in linear control system design. Automatica 1991, 27, 281–292. [Google Scholar] [CrossRef]
  14. Akler, O.; Siton, Y.; Kuperman, A. Envelope modeling of capacitor-powered resonant inverter feeding a time-varying series RLC load. In Proceedings of the 18th IEEE International Conference on Compatibility, Power Electronics and Power Engineering, Gdynia, Poland, 24–26 June 2024. [Google Scholar]
  15. Dominguez, A.; Barragan, L.A.; Artigas, J.I.; Otin, A.; Urriza, I.; Navarro, D. Reduced-order models of series resonant inverters in induction heating applications. IEEE Trans. Power Electron. 2017, 32, 2300–2311. [Google Scholar] [CrossRef]
  16. Li, H.; Wang, K.; Huang, L.; Chen, W.; Yang, X. Dynamic modeling based on coupled modes for wireless power transfer systems. IEEE Trans. Power Electron. 2015, 30, 6245–6253. [Google Scholar] [CrossRef]
  17. Lineykin, S.; Ben-Yaakov, S. Unified SPICE compatible model for large and small-signal envelope simulation on linear circuits excited by modulated signals. IEEE Trans. Ind. Electron. 2006, 53, 745–751. [Google Scholar] [CrossRef]
  18. Bertoluzzo, M.; Giacomuzzi, S.; Forato, M. Performance analysis of envelope modelling applied to resonant converters. IEEE Trans. Ind. Electron. 2022, 69, 4046–4055. [Google Scholar] [CrossRef]
  19. Tian, S.; Lee, F.C.; Li, Q. A simplified equivalent circuit model of series resonant converter. IEEE Trans. Power Electron. 2016, 31, 3922–3931. [Google Scholar] [CrossRef]
  20. Holmes, D.G.; Lipo, T.A.; McGrath, B.P.; Kong, W.Y. Optimized design of stationary frame three phase AC current regulators. IEEE Trans. Power Electron. 2009, 24, 2417–2426. [Google Scholar] [CrossRef]
  21. Johansson, L.A.; Ramaswamy, A.; Vikash; Rodwell, M. Coherent optical receiver with linear XOR phase detection and frequency down-conversion. In Proceedings of the IEEE MTT-S International Microwave Symposium Digest, Boston, MA, USA, 7–12 June 2009. [Google Scholar]
  22. Chau, L.X.; Hung, L.K.; Duong, M.Q. Tracking maximum power point based on improved sliding mode for wind energy conversion systems. J. Sci. Technol. 2025, 23, 131–135. [Google Scholar] [CrossRef]
Figure 1. RLC network current response to sinusoidal voltage excitation at t = 0 [11].
Figure 1. RLC network current response to sinusoidal voltage excitation at t = 0 [11].
Actuators 14 00590 g001
Figure 2. System under consideration.
Figure 2. System under consideration.
Actuators 14 00590 g002
Figure 3. Closed-loop system under the proposed control structure.
Figure 3. Closed-loop system under the proposed control structure.
Actuators 14 00590 g003
Figure 4. Closed-loop system following feedback linearization application.
Figure 4. Closed-loop system following feedback linearization application.
Actuators 14 00590 g004
Figure 5. Loop gain Bode diagram.
Figure 5. Loop gain Bode diagram.
Actuators 14 00590 g005
Figure 6. Results of Simulation 1.1: Open-loop (fixed frequency) operation with time-varying load inductance L(t). Resonance is not sustained, and the power transfer is compromised.
Figure 6. Results of Simulation 1.1: Open-loop (fixed frequency) operation with time-varying load inductance L(t). Resonance is not sustained, and the power transfer is compromised.
Actuators 14 00590 g006
Figure 7. Results of Simulation 1.2: Closed-loop (frequency-controlled) operation with time-varying load inductance L(t). Maximal power transfer and resonance are sustained.
Figure 7. Results of Simulation 1.2: Closed-loop (frequency-controlled) operation with time-varying load inductance L(t). Maximal power transfer and resonance are sustained.
Actuators 14 00590 g007
Figure 8. Results of Simulation 2.1: Open-loop (fixed frequency) operation with time-varying load inductance L(t) and resistance R(t). Resonance is not sustained, and the power transfer is compromised.
Figure 8. Results of Simulation 2.1: Open-loop (fixed frequency) operation with time-varying load inductance L(t) and resistance R(t). Resonance is not sustained, and the power transfer is compromised.
Actuators 14 00590 g008
Figure 9. Results of Simulation 2.2: Closed-loop (frequency-controlled) operation with time-varying load inductance L(t) and resistance R(t). Maximal power transfer and resonance are sustained.
Figure 9. Results of Simulation 2.2: Closed-loop (frequency-controlled) operation with time-varying load inductance L(t) and resistance R(t). Maximal power transfer and resonance are sustained.
Actuators 14 00590 g009
Figure 10. Results of Simulation 3.1: Open-loop (fixed frequency) operation with time-varying load inductance L(t), resistance R(t) and capacitance C(t). Resonance is not sustained, and the power transfer is compromised.
Figure 10. Results of Simulation 3.1: Open-loop (fixed frequency) operation with time-varying load inductance L(t), resistance R(t) and capacitance C(t). Resonance is not sustained, and the power transfer is compromised.
Actuators 14 00590 g010
Figure 11. Results of Simulation 3.2: Closed-loop (frequency-controlled) operation with time-varying load inductance L(t), resistance R(t) and capacitance C(t). Maximal power transfer and resonance are sustained.
Figure 11. Results of Simulation 3.2: Closed-loop (frequency-controlled) operation with time-varying load inductance L(t), resistance R(t) and capacitance C(t). Maximal power transfer and resonance are sustained.
Actuators 14 00590 g011
Table 1. System parameter values.
Table 1. System parameter values.
ParameterValueUnit
V0200V
Cin1, Cin28mF
f0221kHz
R084mΩ
L01.57μH
C00.33μF
tstep10.4ms
tstep20.7ms
Table 2. Summary of simulation scenarios.
Table 2. Summary of simulation scenarios.
ParameterSimulation Parameters
Sim 1.1Sim 1.2Sim 2.1Sim 2.2Sim 3.1Sim 3.2
L1 [H]0.3L00.3L00.3L00.3L00.3L00.3L0
R1 [F]000.5R00.5R00.5R00.5R0
C1 [Ω]00000.3C00.3C0
Loopopenclosedopenclosedopenclosed
Disclaimer/Publisher’s Note: The statements, opinions and data contained in all publications are solely those of the individual author(s) and contributor(s) and not of MDPI and/or the editor(s). MDPI and/or the editor(s) disclaim responsibility for any injury to people or property resulting from any ideas, methods, instructions or products referred to in the content.

Share and Cite

MDPI and ACS Style

Akler, O.; Schecter, N.; Kuperman, A. Nonlinear Controller for Keeping Pulsed-Power Resonant Inverter Driving Time-Varying Series RLC Load in Resonance. Actuators 2025, 14, 590. https://doi.org/10.3390/act14120590

AMA Style

Akler O, Schecter N, Kuperman A. Nonlinear Controller for Keeping Pulsed-Power Resonant Inverter Driving Time-Varying Series RLC Load in Resonance. Actuators. 2025; 14(12):590. https://doi.org/10.3390/act14120590

Chicago/Turabian Style

Akler, Ohad, Natan Schecter, and Alon Kuperman. 2025. "Nonlinear Controller for Keeping Pulsed-Power Resonant Inverter Driving Time-Varying Series RLC Load in Resonance" Actuators 14, no. 12: 590. https://doi.org/10.3390/act14120590

APA Style

Akler, O., Schecter, N., & Kuperman, A. (2025). Nonlinear Controller for Keeping Pulsed-Power Resonant Inverter Driving Time-Varying Series RLC Load in Resonance. Actuators, 14(12), 590. https://doi.org/10.3390/act14120590

Note that from the first issue of 2016, this journal uses article numbers instead of page numbers. See further details here.

Article Metrics

Article metric data becomes available approximately 24 hours after publication online.
Back to TopTop