Abstract
Vascular interventional surgical robots (VISRs) can help doctors to avoid X-ray radiation. This paper proposes a leader–follower isomorphic robot where the structural form and operational logic are completely identical. The doctor’s operation on the leader robot is precisely replicated on the follower robot, enabling delivery and rotation capabilities. It can further achieve collaborative operation. This control system adopts a four-channel scheme based on acceleration and can achieve approximately ideal transparency. The leader–follower delivery error of the catheter/guidewire is less than 1 mm, and the leader–follower rotation error of the guidewire is less than 0.3° in an actual intervention task based on a human vascular model. Subsequently, the cumulative sum (CUSUM) method was used to evaluate the learning curve of the robot system, demonstrating that both operators could master the operation method within 10 trials. We classified operators with different operational experience using machine learning methods. The classification process includes time-frequency domain feature extraction, feature selection based on the Relief method and random forest (RF) method, and a BP neural network (NN) classifier. The results indicate that this method can achieve accuracy of 94%. This paper comprehensively discusses the robot system from the perspectives of the mechanism design, control methods, and evaluation methods, providing valuable insights for the design of related robotic systems.
1. Introduction
Vascular interventional surgery is an effective means of diagnosing and treating vascular lesions. Doctors deliver interventional instruments into the body under the guidance of images. During the surgical process, doctors are inevitably subjected to X-ray radiation, which can have adverse effects on their physical health [1]. Using vascular interventional surgical robots (VISRs) to assist doctors in completing surgeries can fundamentally avoid this problem [2,3,4]. Researchers have studied VISRs from various perspectives for nearly 20 years [5,6], such as the structural form of leader–follower robots [7], control methods [8], and operational skill evaluation methods [9].
In terms of the structural form of robots, some studies adopt active intervention methods, while others adopt passive intervention methods. The former mainly improves traditional instruments such as catheters/guidewires. The latter drives traditional catheters/guidewires and other instruments through follower robots. Indeed, there are also some interventional surgical robots that combine active and passive approaches.
Robots in which the active intervention method is used include control and driving devices at the front end of the catheter. Doctors use tools such as magnetic navigation [10,11], shape memory alloys [12], and steel wire ropes [13] to change the axial movement and direction of rotation. This type of robot system has more degrees of freedom of movement but poor compatibility due to limitations in compatibility with existing interventional instruments.
VISRs can be divided into leader–follower isomorphic robots and leader–follower heterogeneous robots according to their structural form. In heterogeneous robots, the leaders are mostly commercial tactile devices or joysticks. Beyar et al. conducted early research on vascular interventional surgical robots [14]. They proposed a remote navigation system in 2006. The catheter and guidewire are clamped and delivered by friction wheels. This delivery method is widely adopted by most commercial VISRs. The Magellan system [15], CorPath system [16], and Amigo system [17] are typical systems. The leader operating devices of the above systems are all in the form of joysticks. In addition, commercial tactile devices are often used as leader operating devices [18,19]. The usage method of this form of leader operating device is different from surgical operation. Consequently, doctors’ extensive operational experience, which has been accumulated over an extended period, cannot be effectively integrated into this process.
In comparison, in isomorphic robots, the leaders are designed to be more targeted and operable based on the doctor’s operating habits [20,21]. In recent years, an increasing number of researchers have been committed to developing VISRs based on doctors’ operating habits [22,23]. The operator can perform operations such as pinching, delivering, and twisting by using the leader operating device. The follower robots move the catheter and guidewire according to the commands sent by the leader robot. Yang et al. devised an isomorphic leader controller utilizing a catheter and guidewire as the operational handle, which is consistent with actual operation. The structural design of cooperative operation follows the clinical operation skills [7]. This form of robot system is easier for doctors to understand and operate.
In terms of control methods, some existing VISRs use open-loop control methods [24,25]. The position and force information of the follower robot does not contribute to the control of the leader robot. The closed-loop control method usually has better performance. Bilateral control based on acceleration has good transparency and stability and has been widely used in recent years. However, this method has not yet been applied in the field of VISRs. This type of method typically uses a disturbance observer (DOB) for internal loop disturbance compensation and a reaction force observer (RFOB) for tactile interaction [26,27]. A bilateral control system with ideal transparency can be equivalent to a rigid rod with zero stiffness. This method focuses not only on the mutual tracking of the leader–follower positions but also on the transmission of forces. The outer loop of this control method does not require the design of a complex position controller; only a simple proportional–integral–differential (PID) algorithm is needed to achieve the control objectives.
The learning curve serves as a critical metric in evaluating the ease of operation of robots. Researchers often use the cumulative sum (CUSUM) to plot the learning curve for robot-assisted surgery [28,29,30]. This method transforms the changes in the original data into the cumulative sum of the differences between each value and the mean. In the learning curve, the vertical axis is generally the surgery time, and the horizontal axis is generally the number of surgeries. The inflection point on the curve signifies the transition from the learning phase to the proficient phase, after which the performance tends to stabilize or improve.
The evaluation of doctors’ operational skills is usually performed through a scoring scale [31,32]. Traditional skill evaluation methods are easily affected by subjective factors, resulting in deviations in the results. Consequently, developing an objective skill evaluation method is crucial. Some studies use machine learning methods to analyze operators with different operating experience [33,34]. These studies collect motion and image data generated during surgeries and subsequently classify different types of operators or surgical procedures using machine learning algorithms. This approach aids in uncovering the similarities and differences in robotic surgery performance among operators with diverse experience levels.
This paper proposes a novel isomorphic VISR and evaluates its performance. Both the leader and follower robots share an identical structural design and operational logic, inspired by the daily operating skills. This robot system adopts a four-channel bilateral control strategy, which can achieve leader–follower position tracking and force transmission. We recruited four volunteers to complete the same intervention task multiple times and drew their learning curves. Operators can be classified into experts and novices through machine learning methods based on their operational experience. This paper details the processes of feature extraction, feature selection, and classification. The key differences between experts and novices provide valuable insights to facilitate improvements in novices’ operational skills.
The remainder of this paper is organized as follows. Next, we present an overview of the VISR system, detailing its mechanical structure, control methods, CUSUM algorithms, and classification method. Section 3 describes the experiments and presents the evaluation results. In Section 4, we offer a comprehensive discussion of the findings. Finally, we conclude the paper with a summary of the key points.
2. Methods
2.1. Mechanical Structure Design
Catheters and guidewires have the function of guiding the direction. If they move near a branch vessel, the target vessel can be accessed by rotation. If the collaborative operation of a catheter and guidewire is to be achieved, both the catheter and guidewire must have two degrees of freedom: delivery and rotation. Since their movements can be decoupled, each of their movements can be designed separately. The leader robot and the follower robot share an identical structure, enabling the precise replication of the physician’s operations via the follower robot. The intervention instruments used in this study are universal instruments and have not been improved. This solution is beneficial in enabling doctors to quickly understand the operational logic. Furthermore, this system is designed based on the daily operating techniques of doctors, allowing them to retain their own operating habits.
The catheter delivery mechanism, catheter rotation mechanism, and guidewire operation mechanism are designed as shown in Figure 1. These three mechanisms are mounted on top of a long-stroke linear motor, which enables the long-distance delivery of both the catheter and guidewire. It should be noted that the structure of the leader robot is the same as that of the follower robot, with the difference being that there are no catheters or guidewires on the leader robot.
Figure 1.
The robot system consists of a catheter delivery mechanism, a catheter rotation mechanism, and a guidewire operation mechanism.
The catheter delivery mechanism can clamp or release the catheter. There are two voice coil motors inside the electric clamper, which are connected to the upper pressing plate and lower pressing plate, respectively. These two pressing plates are pinched by two fingers of a human hand. If they approach each other, the catheter is clamped; if they move away from each other, the catheter is released. There is a rubber block at the contact place between each pressure plate and the catheter to prevent damage. The structure of the upper pressing plate and lower pressing plate is the same, and they are both equipped with a limited hole. If the catheter is clamped, the movement of this mechanism will drive the catheter to move in the same way. If the catheter is released, the movement of this mechanism will not affect the catheter.
The catheter rotation mechanism can achieve the clockwise or counterclockwise rotation of the catheter. The drive source is a rotating motor that integrates a motor, encoder, and gearbox. The output shaft of the motor is connected to a driving gear. The other meshing driving gear acts on the Y-connector through the shaft system. The gear ratio selected in this paper is 1. The front of the Y-connector is fixedly connected to the catheter and has the function of rotation. Therefore, the catheter can be rotated by rotating the Y-connector. The back of the Y-connector is fixed to the base by the Y-connector holder. A catheter rotary handle has been designed, which can be gripped by the operator’s thumb and index finger to achieve catheter rotation. This is a simulation of a doctor using their fingers to twist the Y-connector.
The guidewire operation mechanism is similar to the catheter rotation mechanism. The guidewire does not need to be clamped and released. The linear motor below the guidewire operation mechanism achieves axial delivery. The gear ratio here is also 1. Similar to the catheter rotary handle, a guidewire operating handle has been designed.
To provide a clearer explanation of the operational logic, a delivery process is introduced as follows:
- (1)
- The catheter is clamped;
- (2)
- The catheter delivery mechanism and catheter rotation mechanism move forward a certain distance and rotate;
- (3)
- The catheter is released;
- (4)
- The guidewire operation mechanism moves forward a certain distance and rotates;
- (5)
- The catheter delivery mechanism moves backwards a certain distance.
Therefore, both the catheter and guidewire can achieve delivery and rotation, allowing the operator to further complete collaborative operations between the two.
2.2. Control Methods
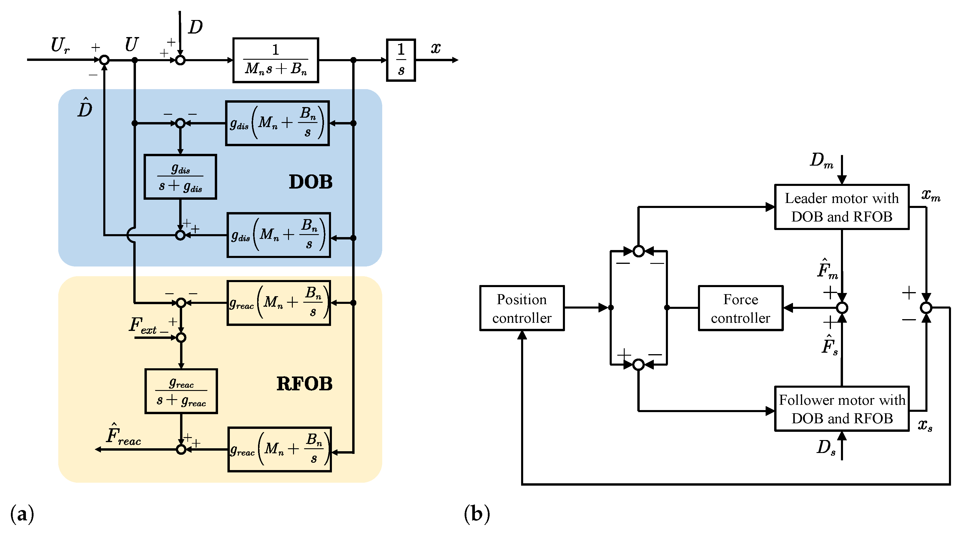
The leader robot and the follower robot use the same motor. For simplicity, this method will be illustrated using a single pair of motors. This paper adopts a four-channel bilateral control method based on a DOB and RFOB.
Figure 2a shows a single-motor control block diagram based on a DOB and RFOB. Here, represents the nominal inertia, represents the nominal damping, is the cutoff frequency of the low-pass filter in the DOB, is the cutoff frequency of the low-pass filter in the RFOB, represents other interference forces, and is the control input before compensating for a disturbance. D represents all disturbances, including external forces and other interference forces, as defined below:
Figure 2.
The control method structure diagram. (a) Speed loop control diagram based on DOB and RFOB. (b) Four-channel bilateral control block diagram based on DOB and RFOB.
is the equivalent interference estimated by DOB.
In the low-frequency band, it can be approximated as
represents reference values for the acceleration of the motor. represents the external force acting on the motor. represents the external force estimated by the RFOB.
If the motor model has high accuracy and ignores other interferences,
For the bilateral control method, high-precision position sensors are used to obtain the position response of the robot, and an RFOB is used to measure the external forces acting on the robot. The control objective is shown in Equation (6).
where represents the displacement of the leader motor and represents the displacement of the follower motor.
Figure 2b shows a bilateral control block diagram. The position controller is a PD controller, and the force controller is a P controller. The controller in the frequency domain is shown in Equation (7).
where is the position controller, and is the proportional gain of force controller. We estimate and , respectively, using an RFOB arranged at both ends of the leader and follower. The subscript m represents the leader motor and the subscript s represents the follower motor. If there is no error between the nominal model and the actual model of the motor, as long as the outer-loop controller is stable, the control system based on DOB will also be stable. Combining Equations (3) and (7),
is a mixed matrix that describes the transmission relationship of energy signals. In an ideal situation, . In the low-frequency range, this method system can approximate ideal transparency.
2.3. CUSUM Methods
The learning curve can be used to understand the speed at which the operator learns the robot system, so as to evaluate the difficulty of operation. This paper uses the CUSUM method to approximate the learning curve. This method is used to calculate the deviation degree of each sample observation value from the target value. The cumulative sum is calculated through the summation method, as shown in Equation (9).
where i is the number of operations, represents the time of the i th operation, n represents the total number of operations, and represents the average value of the operation time. In this study, the difference (deviation degree) between the operation time (sample observation value) of each patient in chronological order and the average operation time (target value) of the whole group of patients will be cumulatively summed to obtain the learning curve value.
The abscissa of the highest point of the curve is the most important indicator. It represents the process of the operator gradually becoming familiar with this robot. The smaller the number of operations, the easier it is to use this robot.
2.4. Operation Skill Assessment
A large number of kinematic data will be generated when operators use robots to assist intervention. Through machine learning, we can use these data to classify operators with different operating experience so as to explore the core differences in different operators during operation. Operators can be classified as experts and novices. The purpose of this part of the work is to explore the differences in the use of the same robot system by operators with different experience.
Catheter delivery is a very important operation in interventional surgery. Doctors should deliver catheters to lesions one by one. In a surgical task, they often have to deliver catheters multiple times. Operators are classified based on the kinematic data generated during catheter delivery. Figure 3 shows the classification process. Force data represent the external contact force estimated in real time by the motor using an RFOB. We extracted velocity and force data for each catheter delivery process.
Figure 3.
Block diagram for assessment of operational skills.
2.4.1. Feature Extraction
We separately calculate the time–frequency-domain features of the velocity and force data during the delivery process of the catheter. There are ten time-domain features, including the maximum value, average value, variance, etc. There are three frequency domain features, namely the gravity frequency, root mean square (RMS) frequency, and variance frequency. Finally, there are 26 features, as shown in Table 1.
Table 1.
Time–frequency-domain features.
2.4.2. Feature Selection
Too many features will increase the complexity and overfitting of the model, while too few features will lead to the insufficient fitting of the model. The primary objective of feature selection is to optimize the model to be complex enough so that its performance can be generalized but simple enough for training, maintenance, and interpretation. Moreover, feature selection has an important role in filtering out the features that have the greatest impact on the classification results. When evaluating the results of different operators using the surgical robot, if we are aware of the features that influence the classification of novices and experts, we can start training novices with these features.
The feature importance rankings obtained using different feature selection algorithms are often not identical. Thus, we combined two typical feature selection algorithms, namely the Relief algorithm and random forest (RF) algorithm, both of which can obtain the importance weights of each feature. We normalized the weights obtained from each algorithm independently and subsequently performed the linear combination of the normalized results to ultimately derive the importance weights for each feature.
The Relief algorithm assigns different weights to features according to the correlation of each feature and category, and features whose weights are less than a certain threshold will be removed. It is a well-known filtering feature selection method. The greater the weight of a feature, the stronger its classification ability; conversely, the lower the weight, the weaker its classification ability.
Let the sample set be , with each sample containing 26 features, . The difference between two samples and () on feature t () is defined as
where and are the maximum and minimum values of feature t in the sample set, respectively. This method first randomly selects a sample and then selects the sample closest to from each of the two types of samples. The sample that is similar to is represented by , while the sample that is dissimilar from is represented by . The following equation is used to update the weight of feature t:
where r is the number of iterations. In the process of iterative computation, features with strong discriminative ability have significant differences between samples of different types and small differences between samples of the same type. Therefore, the weights of features with discriminative abilities are greater.
RF improves the decision tree method by using self-sampling. Each training set trains a decision tree model, and each decision tree can output a classification result. The final output of the RF will be determined by the voting of the results of all decision trees. We constructed an RF model with 100 decision trees, each with 5 leaves. After establishing the decision trees, we calculated the prediction error rate of out-of-bag (OOB) data and then randomly replaced the observed values of feature t and rebuilt the trees again to calculate the prediction error rate of OOB. The weight of feature t in the k-th decision tree is denoted as . Finally, the weight of feature t is calculated as the average between the two OOB error rates in 100 decision trees. The calculation method for is shown in the following equation:
We use the Relief method and RF method separately to determine the importance of each feature. Subsequently, the importance is normalized using the following equation:
is the normalized importance, is the initial importance, is the initial minimum importance, and is the initial maximum importance. We can both reduce the complexity of the classifier model and obtain the features with the greatest differences between experts and novices through feature selection. The initial 26 features have been reduced to 20 features in this part of the work.
2.4.3. Classification Algorithm
Each sample consists of 20 feature values from the data of each catheter delivery task. Given that this study addresses a straightforward binary classification problem, there is no need to develop intricate classifiers. The BP neural network (NN) is one of the most commonly used classification algorithms. It is highly nonlinear and can perform complex logic operations. The parameters designed in this paper are shown in Table 2.
Table 2.
BP NN parameters.
3. Experiments
3.1. Experimental Setup
The leader–follower isomorphic VISR system is shown in Figure 4a. It comprises an industrial personal computer (IPC), a leader robot, a follower robot, and a camera. A real-time system is implemented within the Windows system, with a sampling interval of 1 ms. The follower image is used to simulate contrast conditions, and it displays the real-time motion status of the catheter and guidewire. The operator monitors the follower image to manipulate the leader robot, whose movements are subsequently replicated by the follower robot.
Figure 4.
Experimental system diagram. (a) Robot system under laboratory conditions. (b) Experiments under contrast conditions.
The length of the long-stroke linear motor module is 1451 mm, and the maximum motion stroke of a single rotor is 1050 mm. They are direct-current brushless motors; the rotating motors are direct-current brushed motors, and the electric clampers are voice coil motors. The maximum motion stroke of a single voice coil motor is 5 mm, and the maximum output force is 3.8 N. All encoders are in incremental form. The diameter of the catheter is 5 F (approximately 1.65 mm) and the length is 100 cm. The diameter of the guidewire is 0.038 inches and the length is 150 cm.
3.2. Position Tracking Experiments
In this part of the experiments, the intervention pathway was set from the femoral artery to the internal carotid artery. A doctor conducted an intervention experiment on a vascular model under contrast conditions, as shown in Figure 4b. We recorded the leader–follower positions of catheter delivery, guidewire delivery, and guidewire rotation during an intervention task. The entire operation time was within 100 s, and we obtained the position data of all operation processes, as shown in Figure 5.
Figure 5.
Corresponding positions of leader–follower isomorphic robots. (a) Position correspondence and tracking error during catheter delivery. (b) Position correspondence and tracking error during guidewire delivery. (c) Angle correspondence and tracking error during the rotation of the guidewire.
Before 15 s, the doctor’s main procedure was to deliver the guidewire forward without moving the catheter. Between 15 s and 60 s, the doctor’s main procedure was to control the forward movement of the catheter and the guidewire. The difference is that the catheter must be delivered forward multiple times in small amounts, while the guidewire does not need to be retracted. Between 60 s and 80 s, the doctor’s main procedure was to rotate the guidewire with the aim of inserting it into the internal carotid artery. After 80 s, the doctor operated the robot to deliver the catheter along the path of the guidewire, ultimately reaching the target position. It should be noted that this operation did not use too many catheter rotation functions. Therefore, the curve of the catheter rotation process was not included.
From Figure 5, the leader–follower position error was within 1 mm, and the leader–follower angle error was within 0.3°. This indicates that the system meets the performance requirements.
3.3. Learning Curve
The difficulty in robot-assisted intervention tasks lies in manipulating the catheter and guidewire into finely branched blood vessels. The axial delivery task of the catheter and guidewire is relatively simple. Therefore, this part of the experiments analyzed the learning curve of this robot system in completing this task. The intervention path is shown in Figure 6, where the point “O” is the starting point of the catheter and guidewire. We used the robots to continuously insert a catheter and guidewire into three branching blood vessels. The points of the pathway are sequentially “O → A → O → B → O → C”. After each intervention into a vessel, it is necessary to return to the starting point and then enter the next blood vessel.
Figure 6.
The intervention pathway used in analyzing the learning curve.
We recruited four volunteers, who each completed 20 identical experiments. The highest point of the curve serves as the boundary point, dividing the learning curve into two stages. The operation before the highest point is the stage of learning and improvement. During this period, as the number of operations increased, the skills and experience of the operator improved. The operation after the highest point is the stage of proficiency. During this period, the operator’s skills gradually matured. The highest point is marked in Figure 7. Both of them could proficiently lead this robot system within 10 operations.
Figure 7.
Learning curves of four volunteers. (a) Learning curve of four volunteers reaching point “A”. (b) Learning curve of four volunteers reaching point “B”. (c) Learning curve of four volunteers reaching point “C”. (d) Operation times of four volunteers.
3.4. Skill Assessment Results
This part of the work was completed by six volunteers. The experts were composed of robot designers and experienced doctors, and novices were not exposed to this robot system. All participants performed the same intervention task repeatedly. A total of 840 raw data points were collected, each subjected to feature extraction to generate a sample containing 26 feature values. The importance and normalization results of each feature calculated by the Relief method and RF method are shown in Table 3. The final importance of each feature could be obtained by adding the normalized results obtained by the two methods, as shown in Figure 8.
Table 3.
Feature selection results based on Relief method and RF method.
Figure 8.
The importance of each feature.
We found that the feature that had the greatest impact on the classification results was . The gravity frequency of the operating force reflects the position of the main frequency band of the operating force. The frequency of experts’ manipulation is around 0.5 Hz, while the frequency of novices’ manipulation is around 0.2 Hz. This value is higher for experts than novices, which means that experts operate more frequently and also that the operation speed is faster. In addition, also has an important impact on the classification results. They reflect similar results to . The speed of each operation by the experts is significantly higher than that of the novices. This is easy to understand, and the expert’s operational skills are obviously richer.
Therefore, from the perspective of catheter delivery, the differences between experts and novices are mainly in the operating speed and frequency. If novices wish to improve their operation skills, they should start by improving their operation speed. In particular, each time a novice delivers a catheter, they should deliver it at a shorter distance, with a faster single delivery and a shorter time interval between adjacent deliveries.
We excluded six features through feature selection and retained the remaining 20 features for training. Here, 80% of the samples were taken as the training set, and the remaining samples were taken as the test set. The classification accuracy of the different models is shown in Figure 9. “E” in the confusion matrix represents the expert dataset, and “N” represents the novice dataset. The classification accuracy on the training set reached 96.1%, and the classification accuracy on the test set reached 94%. This result indicates that BP NN can achieve excellent performance.
Figure 9.
Classification accuracy of different models. (a) Classification accuracy on training set data. (b) Classification accuracy on test set data.
4. Discussion
In this work, an isomorphic vascular interventional surgery robot was designed and evaluated. The advantage of isomorphic robots is that they are more suitable for doctors to operate on the leader end. At present, the leader robot is a simplified version of the follower robot in most studies. Moreover, the leader robot in this work was almost identical to the follower robot. This is beneficial for doctors in obtaining a clearer understanding of the motion logic of the entire robot system, making it more intuitive. The robot is designed based on the surgeon’s skills in performing manual interventional surgeries. The robot can perform catheter clamping, release, forward and backward movement, and rotation, as well as the forward and backward movement and rotation of the guidewire. Moreover, it is possible to achieve the collaborative operation of the catheter and guidewire. Therefore, it has sufficient freedom to replicate the operation of a doctor in manual interventional surgeries.
Highly accurate force sensors are expensive, have limited bandwidths, and can complicate the robot. This robot system does not have force sensors installed, but leader–follower force feedback is achieved by building an RFOB. This approach significantly reduces the costs and simplifies the design process. However, it has certain limitations. Specifically, the robot’s performance is susceptible to friction, leading to inaccuracies in estimating small external forces. Future work will focus on addressing this challenge.
We recruited volunteers to complete multiple intervention experiments using the robot system, and we classified the operators into experts and novices through machine learning methods. In feature extraction, we used motion data as raw data, instead of video data. Each time–frequency-domain feature has its own physical meaning, which enhances the interpretability of the results. The main differences between experts and novices in operation were obtained through feature selection. The operational skill evaluation method based on kinematic data proposed in this paper is also applicable to other robot systems. This evaluation approach will help more novices to identify their shortcomings and quickly improve their operational skills.
5. Conclusions
This paper describes a novel isomorphic VISR system on which testing and analysis were conducted. This system was developed based on the operating techniques of doctors in manual intervention surgery, including a catheter delivery mechanism, catheter rotation mechanism, and guidewire operation mechanism. It achieves precise control over catheter and guidewire delivery and rotation, as well as their collaborative operation. A four-channel bilateral control method is employed, with a comprehensive controller design and transparency analysis provided. The experimental results show that the catheter and guidewire delivery error was less than 1 mm, and the guidewire rotation error was less than 0.3°. We analyzed the learning curves of this robot to complete the task of inserting a catheter and guidewire into branched blood vessels, which is a difficult operation. The results indicate that this robot system is easy to control and can be proficiently operated within 10 operations. Furthermore, this paper presents an operational skill assessment method based on machine learning. The classification accuracy is as high as 94%. The purpose of this method is to explore the operational differences between experts and novices and to offer direction for novices to improve their operational skills. Future work will focus on implementing higher-precision leader–follower force feedback methods in VISR systems, expanding the range of intervention tasks included in the skill assessments, and increasing the volume of raw data.
Author Contributions
P.C.: idea conception, data collection, manuscript writing. Y.W.: idea conception, supervision, review. D.T.: idea conception, supervision, review, editing, funding application. All authors have read and agreed to the published version of the manuscript.
Funding
This work was supported in part by the National Science Foundation of China under Grant T2122001, and in part by the Youth Innovation Promotion Association of the Chinese Academy of Sciences under Grant 2023230.
Data Availability Statement
The data that support the findings of this study are available on request from the corresponding author. The data are not publicly available due to privacy or ethical restrictions.
Conflicts of Interest
The authors declare no conflicts of interest.
Abbreviations
The following abbreviations are used in this manuscript:
| VISR | Vascular interventional surgery robot |
| DOB | Disturbance observer |
| RFOB | Reaction force observer |
| CUSUM | Cumulative sum |
| RMS | Root mean square |
| RF | Random forest |
| BPNN | BP neural network |
| IPC | Industrial personal computer |
References
- Pavlicek, W.; Sensakovic, W.F.; Zhou, Y.; Paden, R.G.; Panda, A.; Hines, J.; Naidu, S.G.; Oklu, R. Sample content of kinesthetic educational training: Reducing scattered X-ray exposures to interventional physician operators of fluoroscopy. J. Appl. Clin. Med. Phys. 2020, 21, 196–208. [Google Scholar] [CrossRef] [PubMed]
- Nogueira, R.G.; Sachdeva, R.; Al-Bayati, A.R.; Mohammaden, M.H.; Frankel, M.R.; Haussen, D.C. Robotic assisted carotid artery stenting for the treatment of symptomatic carotid disease: Technical feasibility and preliminary results. J. Neurointerv. Surg. 2020, 12, 341–344. [Google Scholar] [CrossRef]
- George, J.C.; Tabaza, L.; Janzer, S. Robotic-assisted balloon angioplasty and stent placement with distal embolic protection device for severe carotid artery stenosis in a high-risk surgical patient. Catheter. Cardiovasc. Interv. 2020, 96, 410–412. [Google Scholar] [CrossRef]
- Britz, G.W.; Tomas, J.; Lumsden, A. Feasibility of robotic-assisted neurovascular interventions: Initial experience in flow model andporcine model. Neurosurgery 2020, 86, 309–314. [Google Scholar] [CrossRef] [PubMed]
- Chen, P.; Wang, Y.; Tian, D.; Guo, Y.; Xu, K. The catheter and guidewire operating systems of vascular interventional surgical robots: A systematic review. IEEE Trans. Med. Rob. Bionics 2023, 5, 180–195. [Google Scholar] [CrossRef]
- Alekseeva, N.M.; Viller, A.G.; Romanov, A.M. The design of endovascugular robots for cardiac interventions: A survey. J. Field Rob. 2024. online version of record. [Google Scholar]
- Yang, C.; Guo, S.; Bao, X. An isomorphic interactive device for the interventional surgical robot after in vivo study. Micromachines 2022, 13, 111. [Google Scholar] [CrossRef]
- Ma, X.; Wen, Q. Stability study of an interventional surgery robot based on active disturbance rejection control. Electron. 2023, 12, 2115. [Google Scholar] [CrossRef]
- Yan, Y.; Wang, H.; Yu, H.; Wang, F.; Fang, J.; Niu, J.; Guo, S. Machine learning-based surgical state perception and collaborative control for a vascular interventional robot. IEEE Sens. J. 2022, 22, 7106–7118. [Google Scholar]
- Kim, Y.; Genevriere, E.; Harker, P.; Choe, J.; Balicki, M.; Regenhardt, R.W.; Vranic, J.E.; Dmytriw, A.A.; Patel, A.B.; Zhao, X. Telerobotic neurovascular interventions with magnetic manipulation. Sci. Rob. 2022, 65, eabg9907. [Google Scholar] [CrossRef]
- Hwang, J.; Jeon, S.; Kim, B.; Kim, J.Y.; Yeon, A.; Yi, B.J.; Yoon, C.H.; Park, H.J.; Pané, S.; Nelson, B.J. An electromagnetically controllable microrobotic interventional system for targeted, real-time cardiovascular intervention. Adv. Healthc. Mater. 2022, 11, 2102529. [Google Scholar] [CrossRef] [PubMed]
- Sheng, J.; Wang, X.; Dickfeld, T.M.L.; Desai, J.P. Towards the development of a steerable and mri-compatible cardiac catheter for atrial fibrillation treatment. IEEE Rob. Autom. Lett. 2018, 3, 4038–4045. [Google Scholar] [CrossRef] [PubMed]
- Li, M.; Kang, R.; Geng, S.; Guglielmino, E. Design and control of a tendon-driven continuum robot. Trans. Inst. Meas. Control 2018, 40, 3263–3272. [Google Scholar] [CrossRef]
- Beyar, R.; Gruberg, L.; Deleanu, D.; Roguin, A.; Almagor, Y.; Cohen, S.; Kumar, G.; Wenderow, T. Remote-control percutaneous coronary interventions: Concept, validation, and first-in-humans pilot clinical trial. J. Am. Coll. Cardiol. 2006, 47, 296–300. [Google Scholar] [CrossRef]
- Jones, B.; Riga, C.; Bicknell, C.; Hamady, M. Robot-assisted carotid artery stenting: A safety and feasibility study. Cardiovasc. Interv. Radiol. 2021, 44, 795–800. [Google Scholar] [CrossRef] [PubMed]
- Khokhar, A.A.; Zelias, A.; Zlahoda-Huzior, A.; Dudek, D. Complication during robotic-pci: Iatrogenic guiding catheter dissection. Catheter. Cardiovasc. Interv. 2022, 99, 1526–1528. [Google Scholar] [CrossRef] [PubMed]
- Datino, T.; Arenal, A.; Pelliza, M.; Hernández-Hernández, J.; Atienza, F.; González-Torrecilla, E.; Avila, P.; Bravo, L.; Fernández-Avilés, F. Comparison of the safety and feasibility of arrhythmia ablation using the Amigo robotic remote catheter system versus manual ablation. Am. J. Cardiol. 2014, 113, 827–831. [Google Scholar] [CrossRef] [PubMed]
- Guo, S.; Qin, M.; Xiao, N.; Wang, Y.; Peng, W.; Bao, X. High precise haptic device for the robotic catheter navigation system. In Proceedings of the 2016 IEEE International Conference on Mechatronics and Automation, Harbin, China, 7–10 August 2016. [Google Scholar]
- Guo, S.; Guo, Y.; Bao, X.; Yang, C. A PID-type fuzzy logic controller for an interventional surgical robot. In Proceedings of the 2019 IEEE International Conference on Mechatronics and Automation, Tianjin, China, 4–7 August 2019. [Google Scholar]
- Nazari, A.; Catania, J.; Sadeghian, S.; Jalali, A.; Masnavi, H.; Janabi-Sharifi, F.; Zareinia, K. A master-follower teleoperation system for robotic catheterization: Design, characterization, and tracking control. arXiv 2024, arXiv:2407.13162. [Google Scholar]
- Wang, Z.; Yang, Y. Design and realization of an isomorphic master-slave robotic system for precise sub-micrometer manipulations in ophthalmic surgery. J. Med. Devices 2024, 19, 021003. [Google Scholar] [CrossRef]
- Guo, S.; Wang, Y.; Zhao, Y.; Cui, J.; Ma, Y.; Mao, G.; Hong, S. A surgeon’s operating skills-based non-interference operation detection method for novel vascular interventional surgery robot systems. IEEE Sens. J. 2019, 20, 3879–3891. [Google Scholar] [CrossRef]
- Wang, H.; Chang, J.; Yu, H.; Liu, H.; Hou, C.; Lu, H. Research on a Novel Vascular Interventional Surgery Robot and Control Method Based on Precise Delivery. IEEE Access 2021, 9, 26568–26582. [Google Scholar] [CrossRef]
- Zhou, J.; Mei, Z.; Miao, J.; Mao, J.; Wang, L.; Wu, D.; Sun, D.; Zhao, Y. A remote-controlled robotic system with safety protection strategy based on force-sensing and bending feedback for transcatheter arterial chemoembolization. Micromachines 2020, 11, 805. [Google Scholar] [CrossRef]
- Shen, H.; Wang, C.; Xie, L.; Zhou, S.; Gu, L.; Xie, H. A novel robotic system for vascular intervention: Principles, performances, and applications. Int. J. Comput. Assist. Radiol. Surg. 2019, 14, 671–683. [Google Scholar] [CrossRef]
- Xu, R.; Ni, S.; Tian, D. Sensorless force estimator for bilateral control systems using adaptive sliding-mode-assisted disturbance observer. IEEE Trans. Ind. Electron. 2022, 70, 10454–10465. [Google Scholar] [CrossRef]
- Sariyildiz, E.; Ohnishi, K. Stability and Robustness of Disturbance-Observer-Based Motion Control Systems. IEEE Trans. Ind. Electron. 2014, 62, 414–422. [Google Scholar] [CrossRef]
- Zhu, P.; Liao, W.; Ding, Z.Y.; Chen, L.; Zhang, W.G.; Zhang, B.X.; Chen, X.P. Learning Curve in Robot-Assisted Laparoscopic Liver Resection. J. Gastrointest. Surg. 2019, 23, 1778–1787. [Google Scholar] [CrossRef]
- Barrie, J.; Jayne, D.G.; Wright, J.; Murray, C.J.C.; Collinson, F.J.; Pavitt, S.H. Attaining surgical competency and its implications in surgical clinical trial design: A systematic review of the learning curve in laparoscopic and robot-assisted laparoscopic colorectal cancer surgery. Ann. Surg. Oncol. 2014, 21, 829–840. [Google Scholar] [CrossRef] [PubMed]
- Zhang, T.; Zhao, Z.M.; Gao, Y.X.; Lau, W.Y.; Liu, R. The learning curve for a surgeon in robot-assisted laparoscopic pancreaticoduodenectomy: A retrospective study in a high-volume pancreatic center. Surg. Endosc. 2019, 33, 2927–2933. [Google Scholar] [CrossRef] [PubMed]
- Dayal, R.; Faries, P.L.; Lin, S.C.; Bernheim, J.; Hollenbeck, S.; DeRubertis, B.; Trocciola, S.; Rhee, J.; McKinsey, J.; Morrissey, N.J.; et al. Computer simulation as a component of catheter-based training. J. Vasc. Surg. 2004, 40, 1112–1117. [Google Scholar] [CrossRef]
- Willems, M.C.M.; van der Vliet, J.A.; Williams, V.; Kool, L.S.; Bergqvist, D.; Blankensteijn, J.D. Assessing endovascular skills using the simulator for testing and rating endovascular skills (stress) machine. Eur. J. Vasc. Endovasc. Surg. 2009, 37, 431–436. [Google Scholar] [CrossRef] [PubMed]
- Omisore, O.M.; Akinyemi, T.O.; Du, W.; Duan, W.; Orji, R.; Do, T.N.; Wang, L. Weighting-based deep ensemble learning for recognition of interventionalists’ hand motions during robot-assisted intravascular catheterization. IEEE Trans. Hum.-Mach. Syst. 2022, 53, 215–227. [Google Scholar] [CrossRef]
- Zhou, X.H.; Xie, X.L.; Liu, S.Q.; Feng, Z.Q.; Gui, M.J.; Wang, J.L.; Li, H.; Xiang, T.Y.; Bian, G.B.; Hou, Z.G. Surgical skill assessment based on dynamic warping manipulations. IEEE Trans. Med. Rob. Bionics 2022, 4, 50–61. [Google Scholar] [CrossRef]
Disclaimer/Publisher’s Note: The statements, opinions and data contained in all publications are solely those of the individual author(s) and contributor(s) and not of MDPI and/or the editor(s). MDPI and/or the editor(s) disclaim responsibility for any injury to people or property resulting from any ideas, methods, instructions or products referred to in the content. |
© 2025 by the authors. Licensee MDPI, Basel, Switzerland. This article is an open access article distributed under the terms and conditions of the Creative Commons Attribution (CC BY) license (https://creativecommons.org/licenses/by/4.0/).








