Analysis and Simulation of Permanent Magnet Adsorption Performance of Wall-Climbing Robot
Abstract
1. Introduction
2. Wall-Climbing Robot Design
2.1. Structural Design
2.2. Magnetic Chuck Design
- (1)
- The five-wheel design can improve the stability of the robot in vertical and inclined planes and avoid tipping over.
- (2)
- The deformed parts allow the robot to adjust its attitude and adapt to different wall angles to enhance its adaptability.
- (3)
- The adsorption angle is adjusted by the pendulum magnetic suction mechanism to improve the adsorption efficiency and ensure adhesion stability under different wall conditions.
2.3. Magnetic Suction Simulation Based on Maxwell
2.3.1. Analysis of the Influence of Air Gap Distance on Magnetic Attraction
- Create a model of the magnetic element and set the material properties, the yoke iron and steel plate materials are Steel_1008, and the permanent magnet materials are NdFe35.
- The permanent magnet material is magnetized according to the Halbach arrangement.
- Establish a closed simulation space, i.e., boundary conditions, and offset 20% outward in the XYZ direction according to the maximum volume of the model, and then mesh the yoke iron and steel plate to 10 mm.
- Set the magnetic gap range from 1 mm to 20 mm, and the angle between the magnetic unit and the wall clamp is 0~45°.
- Run the simulation to record the magnetic attraction at different parameters.
- Analyze the simulation results and plot the magnetic attraction as a function of the gap and angle.
2.3.2. Effect of the Relative Wall Angle of the Magnet on the Magnetic Attraction
3. Analysis of Mechanical Properties of Five-Wheeled Wall-Climbing Robot
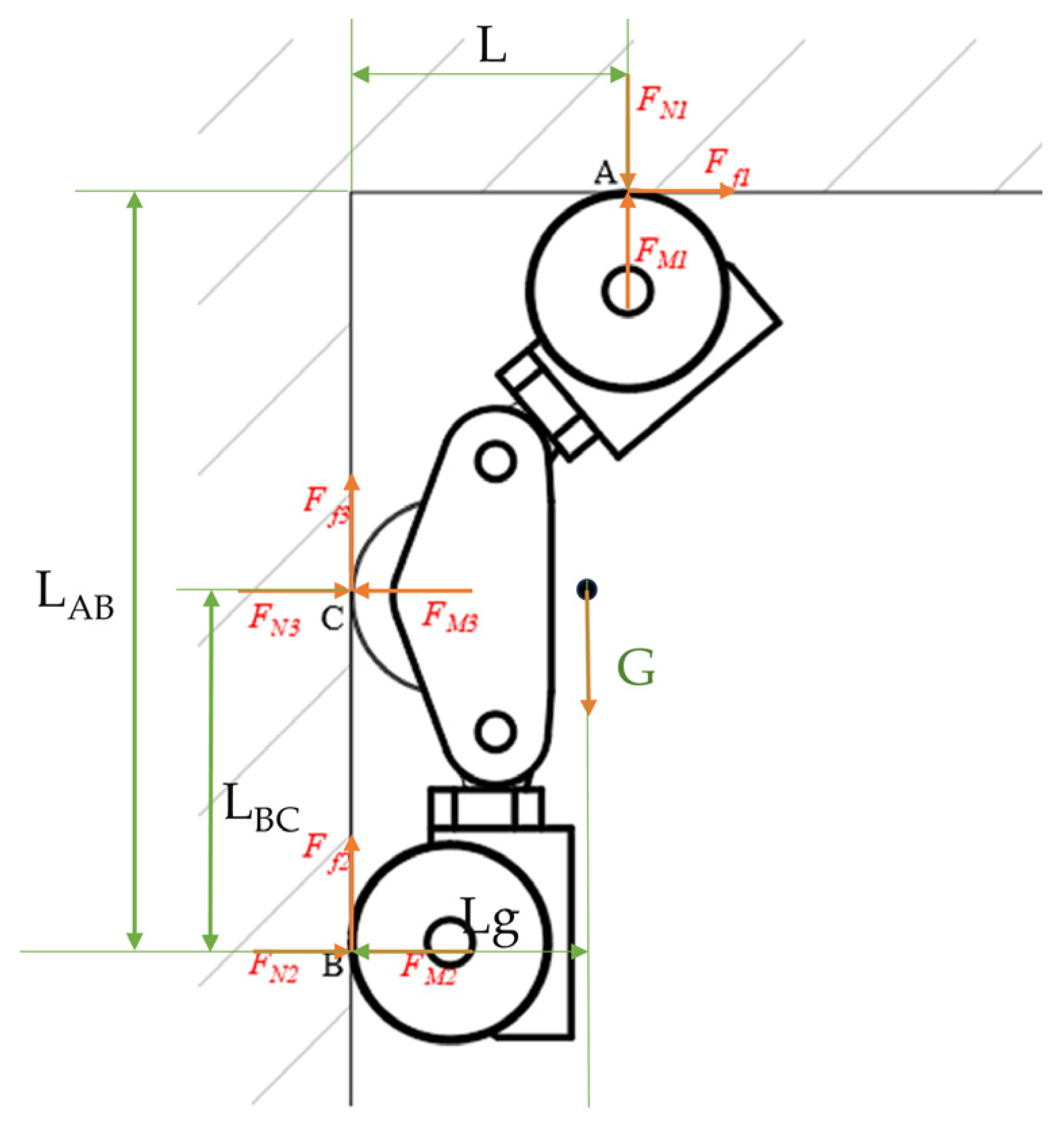
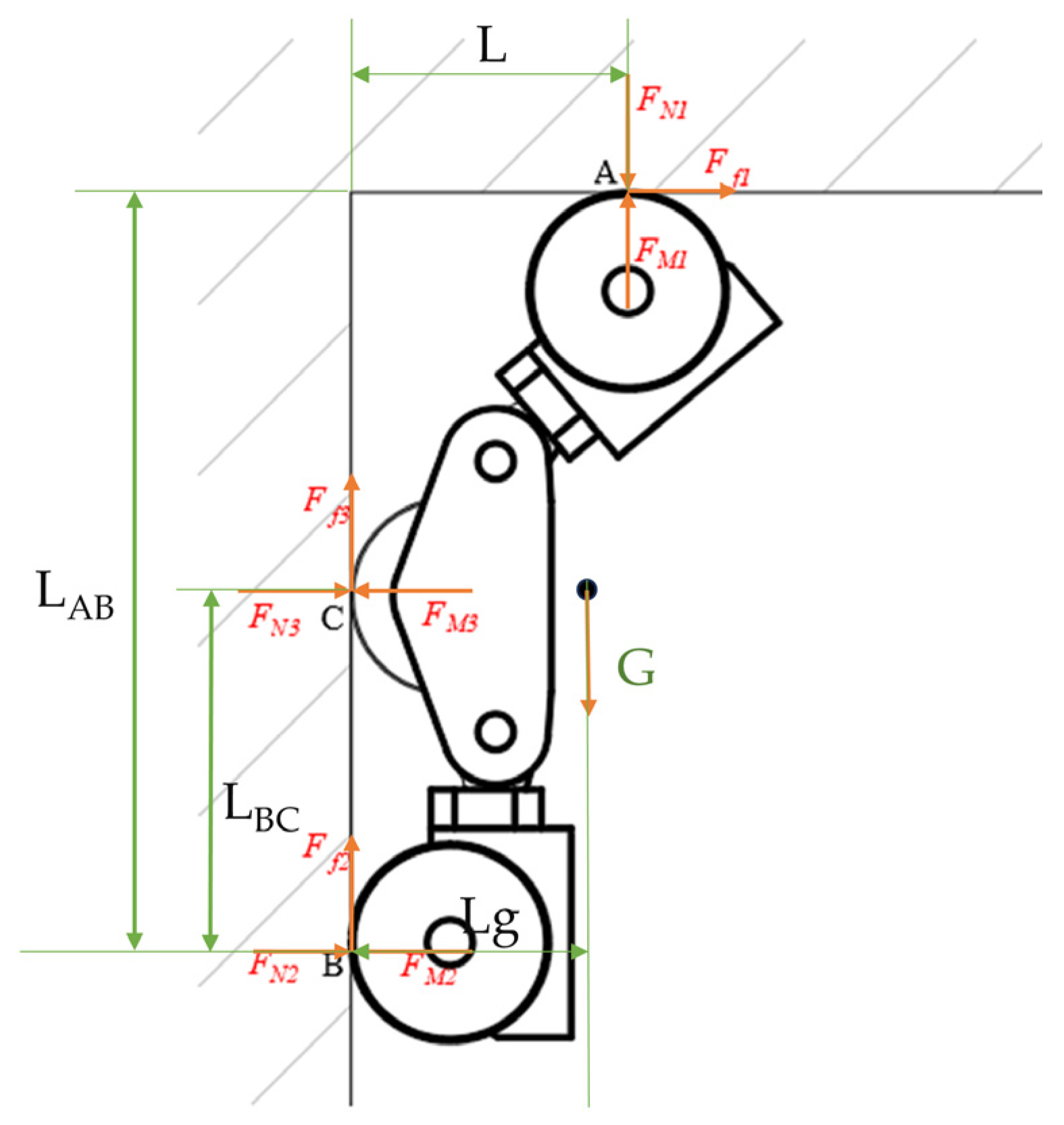
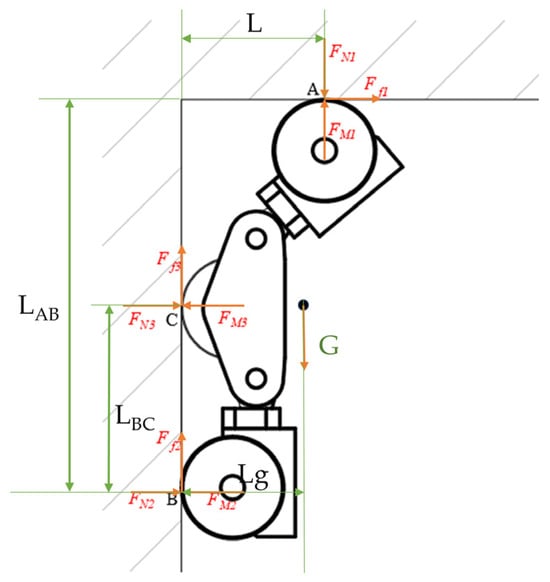
3.1. Robot Static Analysis
3.2. Robot Dynamics Analysis
4. Climbing Robot Prototype Testing
5. Conclusions
Author Contributions
Funding
Data Availability Statement
Conflicts of Interest
References
- Zheng, K.; Hu, Y.; Wu, B. Trajectory planning of multi-degree-of-freedom robot with coupling effect. J. Mech. Sci. Technol. 2019, 33, 413–421. [Google Scholar] [CrossRef]
- Albitar, H.; Dandan, K.; Ananiev, A.; Kalaykov, I. Underwater robotics: Surface cleaning technics, adhesion and locomotion systems. Int. J. Adv. Robot. Syst. 2016, 13, 7–18. [Google Scholar] [CrossRef]
- Zhou, J. Research on Design and Control Method of Rolling Adsorption Wall-Climbing Robot; Science and Technology of China: Hefei, China, 2023. [Google Scholar] [CrossRef]
- Lee, G.; Wu, G.; Kim, J.; Seo, T.W. High-payload climbing and transitioning by compliant locomotion with magnetic adhesion. Robot. Auton. Syst. 2012, 60, 1308–1316. [Google Scholar] [CrossRef]
- Meng, X.Y.; Dong, H.L. Research on the structure design of climbing robot and the key technology of surface magnetic force absorption. Manuf. Autom. 2018, 40, 19–22. [Google Scholar]
- Bisht, R.; Pathak, P.; Panigrahi, S. Modelling, simulation and experimental validation of wheel and arm locomotion based wall-climbing robot. Robotica 2023, 41, 433–469. [Google Scholar] [CrossRef]
- An, L.; Zhang, C.; Chu, S.; Zhang, J.; Yang, Y.; Liu, J.; Li, S.; Liu, J.; Wang, Z. Finite element analysis of permanent magnet attraction device based on Halbach array wall-climbing robot. Mech. Res. Appl. 2020, 33, 36–39. [Google Scholar]
- Dian, S.; Fang, H.; Zhao, T.; Wu, Q.; Hu, Y.; Guo, R.; Li, S. Modeling and trajectory tracking control for magnetic wheeled mobile robots based on improved dual-heuristic dynamic programming. IEEE Trans. Ind. Inform. 2021, 17, 1470–1482. [Google Scholar] [CrossRef]
- Zhang, Y. Structural Design and Motion Performance Analysis of Permanent Magnet Adsorption Wall-Climbing Robot; Chang’an University: Xi’an, China, 2023. [Google Scholar]
- Sun, Z. Research on Structural Design and Control System of Underwater Hull Defouling Robot; Dalian University of Technology: Dalian, China, 2022. [Google Scholar] [CrossRef]
- Chen, L. Research on Obstacle Crossing and Wall Transition of Permanent Magnet Adsorption Wall-Climbing Robot; China Jiliang University: Hangzhou, China, 2018. [Google Scholar]
- Song, W.; Jiang, H.; Wang, T. Optimal design and experimental study of magnetic adsorption components for wall-climbing robots. J. ZheJiang Univ. 2018, 52, 6–13. [Google Scholar]
- Chen, Y. Theoretical Analysis and Experimental Study of Magnetic Adsorption Unit of Halbach Array Robot; Nanjing University of Science and Technology: Nanjing, China, 2013. [Google Scholar]
- Yang, B. Design of Mechanical System of Wall-Spanning Magnetic Adsorption Wall-Climbing Robot and Analysis of Mechanical Characteristics under Typical Working Conditions; Southeast University: Dhaka, Bangladesh, 2015. [Google Scholar]
- Zhang, D.; Yang, P.; Huang, Z.; Sun, L.; Zhang, M. Design and optimization of pendulum magnetic adsorption mechanism for wall-climbing robot. Chin. J. Eng. Des. 2023, 30, 334–341. [Google Scholar]
- Zhang, X. Research on Wheeled Suspended Magnetic Adsorption Wall-Climbing Robot (Applied Research).Heilongjiang; Harbin Institute of Technology: Harbin, China, 2012. [Google Scholar] [CrossRef]















| Items | Parameters |
|---|---|
| Length × width × height | 1587 × 762 × 514 |
| Robot weight | 300 |
| Number of wheel sets | 5 |
| Parameters | Value (mm) |
|---|---|
| Overall length | 140 |
| Width | 120 |
| The height of the yoke | 10 |
| Radius of the lower arc | 124.5 |
| Model | N35 |
|---|---|
| Remanence | 1.17–1.22 (Br/T) |
| Intrinsic coercivity | ≥955 (Hcj/kJ·m−1) |
| Coercivity | ≥860 (Hcb/kA·m−1) |
| Maximum energy product | 263–287 (BH/kJ·m−3) |
| Restore permeability | 1.05 |
Disclaimer/Publisher’s Note: The statements, opinions and data contained in all publications are solely those of the individual author(s) and contributor(s) and not of MDPI and/or the editor(s). MDPI and/or the editor(s) disclaim responsibility for any injury to people or property resulting from any ideas, methods, instructions or products referred to in the content. |
© 2024 by the authors. Licensee MDPI, Basel, Switzerland. This article is an open access article distributed under the terms and conditions of the Creative Commons Attribution (CC BY) license (https://creativecommons.org/licenses/by/4.0/).
Share and Cite
Ji, H.; Li, P.; Wang, Z. Analysis and Simulation of Permanent Magnet Adsorption Performance of Wall-Climbing Robot. Actuators 2024, 13, 337. https://doi.org/10.3390/act13090337
Ji H, Li P, Wang Z. Analysis and Simulation of Permanent Magnet Adsorption Performance of Wall-Climbing Robot. Actuators. 2024; 13(9):337. https://doi.org/10.3390/act13090337
Chicago/Turabian StyleJi, Haifeng, Peixing Li, and Zhaoqiang Wang. 2024. "Analysis and Simulation of Permanent Magnet Adsorption Performance of Wall-Climbing Robot" Actuators 13, no. 9: 337. https://doi.org/10.3390/act13090337
APA StyleJi, H., Li, P., & Wang, Z. (2024). Analysis and Simulation of Permanent Magnet Adsorption Performance of Wall-Climbing Robot. Actuators, 13(9), 337. https://doi.org/10.3390/act13090337

