Model Predictive Control Strategy Based on Loss Equalization for Three-Level ANPC Inverters
Abstract
1. Introduction
2. ANPC Inverter with Its Zero-Level Commutation Method
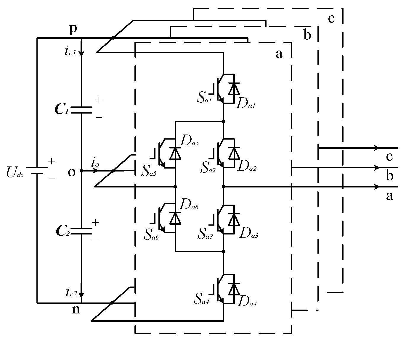
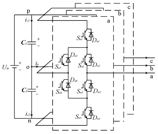
2.1. ANPC Inverter with Space Voltage Vectors
2.2. Space Voltage Vector Modeling
2.3. ANPC Inverter Zero-Level Commutation Method and Corresponding Losses
3. Switching Tube Loss Evaluation
3.1. ANPC Inverter Switching Loss Analysis
3.2. ANPC Inverter Conduction Loss Analysis
4. Model Predictive Control Loss Equalization Method
4.1. PMSM Current Prediction Model
4.2. Current Control Value Function
4.3. Midpoint Voltage Control Value Function
4.4. Loss Equalization Control Logic
4.5. Finite Set Model Predictive Control
5. Simulation Verification
6. Conclusions
- The method in this research only improves the driving strategy to avoid the problem of power density reduction in electromechanical actuators and ensures the stability and rapidity of PMSM operation.
- Under the model predictive control, the improved algorithm realizes the ANPC inverter switching tube loss equalization, and at the same time reduces the overall loss of switching tubes, in which the loss of clamped switching tubes is greatly reduced.
- The method in this paper uses a model predictive control strategy to simultaneously achieve inverter switching tube loss equalization and midpoint voltage control to improve the operating efficiency of the electromechanical actuator.
- The method in this paper only changes the driving strategy, which reduces the overall inverter loss as well as the clamped switching tube loss. It can be generalized to the Si and SiC hybrid method for its characteristics.
- In this paper, the value of its time in the loss judgment is initially selected as 0.005 s each time, but whether this value is also applicable to other rotational speeds is not further verified in this paper, to be followed by further research.
Author Contributions
Funding
Data Availability Statement
Acknowledgments
Conflicts of Interest
References
- Chunqiang, L.; Guangzhao, L.; Wencong, X. Survey on active disturbance rejection control of permanent magnet synchronous motor for aviation electro-mechanical actuator. J. Electr. Eng. 2021, 16, 12–24. [Google Scholar]
- Shixiao, L.; Jinghua, D.; Yun, L. Fault diagnosis of electromechanical actuators based on one-dimensional convolutional neural network. Trans. China Electrotech. Soc. 2022, 37, 62–73. [Google Scholar]
- Zhuoran, Z.; Li, Y.; Jincai, L. Key Technologies of advanced aircraft electronic machine tools systems for aviation electrification. J. Nanjing Univ. Aeronaut. Astronaut. 2017, 49, 622–634. [Google Scholar]
- Demir, Y.; Aydin, M. A novel dual three-phase permanent magnet synchronous motor with asymmetric stator winding. IEEE Trans. Magn. 2016, 52, 8105005. [Google Scholar] [CrossRef]
- Xinghe, F.; Rui, C.; Ting, D. Review of MTPA control of permanent magnet synchronous motor considering parameter uncertainties. Proc. CSEE 2022, 42, 796–808. [Google Scholar]
- Xin, G.; Jinyue, L.; Zhiqiang, W. Harmonic current suppression strategy for permanent magnet synchronous Motor based on deadbeat current prediction control. Trans. China Electrotech. Soc. 2022, 37, 6345–6356. [Google Scholar]
- Fan, Y.; Ximei, Z.; Hongyan, J. Parameter-free adaptive finite control set model predictive control for PMSM. Proc. CSEE 2023, 43, 8935–8943. [Google Scholar]
- Chunxi, L.; Baoqi, T.; Zhile, L. Adaptive model predictive control for NPC-type three-level grid-connected inverter. Proc. CSU-EPSA 2023, 35, 143–151. [Google Scholar]
- Xinglai, G.; Xiaohua, Z.; Yan, Y. Comparative study on synchronized space vector PWM for three-level neutral point clamped VSI under low carrier ratio. Proc. CSEE 2018, 22, 24–32. [Google Scholar]
- Yenan, C.; Dehong, X. Review of soft-switching topologies for single-phase photovoltaic inverters. IEEE Trans. Power Electron. 2022, 37, 1926–1944. [Google Scholar]
- Yinglai, X.; Ayyanar, R. Naturally adaptive Low-loss zero-voltage-transition circuit for high-frequency full-bridge inverters with hybrid PWM. IEEE Trans. Power Electron. 2018, 33, 4916–4933. [Google Scholar]
- Jing, L.; Enshuai, D.; Yushun, F. A hybrid three-level active-neutral-point-clamped zero-voltage transition soft-switching converter with siliconcarbide and silicon devices. In Transactions of China Electrotechnical Society; Machine Press: Beijing, China, 2023; pp. 1–15. [Google Scholar] [CrossRef]
- Li, Z.; Xiutao, L.; Chushan, L. Evaluation of different Si/SiC hybrid three-level active NPC inverters for high power density. IEEE Trans. Power Electron. 2020, 35, 8224–8236. [Google Scholar]
- Zhijian, F.; Xing, Z.; Shaolin, Y. Comparative study of 2SiC&4Si hybrid configuration schemes in ANPC inverter. IEEE Access 2020, 8, 33934–33943. [Google Scholar]
- Xiuzhen, L.; Li, Z.; Yongwei, C. A dedicate modulation scheme for 4-SiC 3L-ANPC inverter with loss balanced distribution and efficiency improvement. Proc. CSEE 2022, 42, 1925–1933. [Google Scholar]
- Yi, D.; Jun, L.; Shin, K.H. Improved modulation scheme for loss balancing of three-level active NPC converters. IEEE Trans. Power Electron. 2017, 32, 2521–2532. [Google Scholar]
- Wenchao, W.; Shanxu, D.; Tianbao, Y. Loss equalization and efficiency optimization strategy of active neutral point clamped inverter. Trans. China Electrotech. Soc. 2022, 37, 4872–4882. [Google Scholar]
- Ma, L.; Kerekes, T.; Rodriguez, P. A new PWM strategy for grid-connected half-bridge active NPC converters with losses distribution balancing mechanism. IEEE Trans. Power Electron. 2015, 30, 5331–5340. [Google Scholar] [CrossRef]
- Mengxing, C.; Donghua, P.; Huai, W. Investigation of switching oscillations for silicon carbide MOSFETs in three-level active neutral-point-clamped inverters. IEEE J. Emerg. Sel. Top. Power Electron. 2021, 9, 4839–4853. [Google Scholar]
- Qiang, W.; Daohong, L.; Chuangang, C. ANPC grid-connected inverter based on multi-objective optimal model predictive control. Power Electron. 2021, 55, 93–97. [Google Scholar]
- Cungang, H.; Dajun, M.; Qunjing, W. Control strategy of loss distribution balancing for three-level active neutral-point-clamped inverter. Trans. China Electrotech. Soc. 2017, 32, 129–138. [Google Scholar]
- Shulin, Z.; Jingsong, K.; Yezhe, S. A low common mode voltage FCS-MPC scheme for three-level NPC inverter without weighting factor. Proc. CSEE 2023, 43, 7614–7626. [Google Scholar]
- Brosch, A.; Hanke, S.; Wallscheid, O. Data-driven recursive least squares estimation for model predictive current control of permanent magnet synchronous motors. IEEE Trans. Power Electron. 2021, 36, 2179–2190. [Google Scholar] [CrossRef]
























| Switching State | Midpoint Current | |
|---|---|---|
| Zero vector | ppp, ooo, nnn | 0 |
| Small vector | poo, onn | −ia, ia |
| ppo, oon | ic, −ic | |
| opo, non | −ib, ib | |
| opp, noo | ia, −ia | |
| oop, nno | −ic, ic | |
| pop, ono | ib, −ib | |
| Medium vector | opn, onp | ia |
| pon, nop | ib | |
| pno, npo | ic | |
| Large vector | pnn, ppn, npn | 0 |
| npp, nnp, pnp |
| S1 | S2 | S3 | S4 | S5 | S6 | |
|---|---|---|---|---|---|---|
| p | 1 | 1 | 0 | 0 | 1 | 1 |
| n | 0 | 0 | 1 | 1 | 1 | 0 |
| OUL1 | 0 | 1 | 0 | 0 | 1 | 1 |
| OUL2 | 0 | 1 | 1 | 0 | 0 | 1 |
| OUL3 | 0 | 1 | 1 | 0 | 1 | 0 |
| OUL4 | 0 | 0 | 1 | 0 | 1 | 1 |
| OL1 | 1 | 0 | 1 | 0 | 0 | 1 |
| OL2 | 0 | 1 | 0 | 1 | 1 | 0 |
| Parameters | Value | Unit |
|---|---|---|
| Control frequency | 100 | [kHz] |
| DC side voltage | 270 | [V] |
| DC side capacitance | 4700 | [μF] |
| d-axis inductance | 0.395 | [mH] |
| q-axis inductance | 0.395 | [mH] |
| Stator resistance | 0.0485 | [Ω] |
| Permanent magnet flux | 0.1194 | [Wb] |
| Number of pole-pairs | 4 | [pair] |
| Maximum motor speed | 6000 | [r/min] |
| Locked-rotor torque | 33 | [N·m] |
| Rated power | 15 | [kW] |
Disclaimer/Publisher’s Note: The statements, opinions and data contained in all publications are solely those of the individual author(s) and contributor(s) and not of MDPI and/or the editor(s). MDPI and/or the editor(s) disclaim responsibility for any injury to people or property resulting from any ideas, methods, instructions or products referred to in the content. |
© 2024 by the authors. Licensee MDPI, Basel, Switzerland. This article is an open access article distributed under the terms and conditions of the Creative Commons Attribution (CC BY) license (https://creativecommons.org/licenses/by/4.0/).
Share and Cite
Wan, S.; Wang, B.; Chen, J.; Dong, H.; Lv, C. Model Predictive Control Strategy Based on Loss Equalization for Three-Level ANPC Inverters. Actuators 2024, 13, 111. https://doi.org/10.3390/act13030111
Wan S, Wang B, Chen J, Dong H, Lv C. Model Predictive Control Strategy Based on Loss Equalization for Three-Level ANPC Inverters. Actuators. 2024; 13(3):111. https://doi.org/10.3390/act13030111
Chicago/Turabian StyleWan, Shaoqi, Bo Wang, Jingbo Chen, Haiying Dong, and Congxin Lv. 2024. "Model Predictive Control Strategy Based on Loss Equalization for Three-Level ANPC Inverters" Actuators 13, no. 3: 111. https://doi.org/10.3390/act13030111
APA StyleWan, S., Wang, B., Chen, J., Dong, H., & Lv, C. (2024). Model Predictive Control Strategy Based on Loss Equalization for Three-Level ANPC Inverters. Actuators, 13(3), 111. https://doi.org/10.3390/act13030111
