You are currently viewing a new version of our website. To view the old version click .
Actuators
  • Article
  • Open Access

7 July 2022

Novel Modularization Design and Intelligent Control of a Multifunctional and Flexible Baby Chair

,
,
and
1
School of Art and Design, University of Electronic Science and Technology of China, Zhongshan Institute, Zhongshan 528400, China
2
College of Building Engineering, Xiamen City University, Xiamen 361000, China
3
Center on Frontiers of Computing Studies, Peking University, Beijing 100089, China
*
Authors to whom correspondence should be addressed.
This article belongs to the Special Issue Robot Control in Human-Machine Systems

Abstract

The design and control of baby chairs have attracted great interest due to children’s increasing consumption market. As a human-robot interface, the features of baby chairs, such as their flexibility, comfortableness, safety, etc., are important factors that should be considered. Therefore, in this paper, to provide competent assistance to parents in taking care of their children, we propose a novel design and control scheme for improving children’s living goods and easing parents’ burden. Firstly, a novel modularization design method is introduced to redesign the shape and structure of the baby chair to cater to multifunctional demands. Flexible materials are chosen to adapt to different body shapes for the sake of safety and comfortableness. Moreover, a Cartesian impedance controller enhanced by a radial basis function neural network (RBFNN) is proposed to achieve a safe, smooth and accurate control of the baby chair with children sitting on it in various uncertain situations using integrated actuators. Both target posture control and periodic control of the chair are implemented to meet different practical requirements. The feasibility of both the chair design and its control is verified in the MATLAB simulation environment through reference tracking tasks. The experimental results demonstrate that our controller can achieve satisfactory performance by controlling the position error in a reasonable range and keeping the manipulation stable and smooth. With the increasing demand for baby chairs in the global children’s consumption market, we believe that the methodology proposed in this paper will attract more research and industry interest.

1. Introduction

With the continuous improvement of people’s living standards all over the world, the children’s consumption market is developing in a rising trend. Furthermore, the types of products in the children’s consumption market are increasing, and children’s consumption level is rising. For the only child in the family, parents want them to live more comfortably, investing a lot in children’s living goods [1]. Therefore, children’s products are needed by more and more families. However, the development of children’s furniture in the world is still in its infancy. Since 1 August 2013, the world has only begun to implement the first children’s furniture standard to provide protection for the safety of children’s furniture—technical conditions for children’s furniture design [2]. Due to the late start, there is a weak understanding of the essence of children’s furniture [3]. With the wave of intelligence sweeping the world, intelligent furniture, as an important field of Internet of Things technology, has attracted more and more attention from people all over the world [4]. The intellectualization of furniture will become a new development trend of furniture. Therefore, this design will redesign the structure and function of children’s dining chairs so that children’s dining chairs can better meet the needs of children and parents. At the same time, this children’s dining chair is combined with artificial intelligence to enrich the intelligent and emotional design of products and meet the psychological and emotional needs of children and parents, which can increase the use-value of the product [5,6]. This design aims to improve the shape and structure design of children’s dining chairs so that they can be used not only in dining but also in other scenes and for other purposes. At the same time, intelligent technology is used on the dining chair. Thus, people all over the world can enjoy the convenience brought by modern technology, which enriches the sense of experience and meets more psychological needs. Thereby it can realize the recognition of product values through emotional recognition.
At present, the structures of children’s dining chairs in the world are mainly divided into the folding type and assembly type [7]. In terms of functional design, a modular combined connector scheme is mostly adopted so that the product has the functions of adjusting size, convenient storage and adjusting children’s sitting posture [8]. However, children’s body shapes are different. Due to the lack of a measurement function that reflects a size suitable for children’s body shape, children’s dining chairs cannot manually adjust to the appropriate shapes. According to the material classification, it is divided into solid wood and plastic. The shortcomings of children’s dining chairs made of solid wood are that they are vulnerable to moisture in case of water and have a single color. Conversely, children’s dining chairs made of plastic are not susceptible to moisture and have rich colors [9,10]. In terms of interesting design, most children’s dining chairs use bright colors or bionic and cartoon modeling to meet children’s psychological needs on children’s dining chairs [11,12]. However, if the product is used for a long time, it is easy to form visual and aesthetic fatigue, thus disinteresting children in their dining chairs. In short, there are still many problems with the children’s dining chairs on the market. The functionality and practicability of children’s dining chairs are still insufficient, so they cannot provide more functions that meet the needs of users and consumers. In terms of safety, the usability of the structure is defective with uneven quality. Moreover, some products use non-environmentally friendly materials, and it is inconvenient to wash and renew some parts of the dining chair. In terms of functionality, there is a poor functional expansion and poor integration of functional modules. In terms of growth, the use cycle is short, and the use form has poor expansibility. Furthermore, the ergonomic matching is bad [13]. In terms of interest, it lacks interest and does not meet children’s physiological and psychological needs. Additionally, the interaction of the product is insufficient.
Apart from the structure design of the baby chair, the integration of intelligent robotic control is also of vital importance for product development and commercialization. Certainly, the posture adjustment of the backrest and the footrest of the baby chair can be achieved manually through buttons. However, this is neither an efficient nor secure way in the presence of children in that manual adjustment requires the parent to take care of both the chair and the child at the same time, making the operation inconvenient and, more importantly, posing the danger of hurting the child. In contrast, robotic control can intelligently achieve an accurate and smooth performance of the baby chair posture adjustment with the desired target backrest and footrest posture. This is very useful for the breastfeeding scenario since an appropriate semi-recumbent position can make the child comfortable and prevent choking. Besides, with motor control, the functionality of the baby chair can be greatly augmented. For example, in the recliner mode, the periodic motion of the backrest and footrest can simulate rocking a cradle, which liberates the parent from holding the baby for a long time. Therefore, in this work, we aim to design an intelligent autonomous robotic control of baby chair posture.
The child sits on the chair and has contact with it, influencing the dynamics of the system. This can be characterized as physical human-robot interaction (pHRI). Safety is arguably the most important consideration in pHRI, especially in an environment where the interaction is complex and unpredictable. Impedance control, thanks to its ability to deal with both motion and force at the same time, is an effective solution to provide compliant behavior to the environment. In the literature, this method has been applied in various human-robot collaboration tasks [14,15,16,17]. For example, in a handover task, Medina et al. [14] designed a human-inspired and low-level impedance control scheme to achieve robust and fluid handover behavior. Dong et al. [15] implemented a variable viscosity control to provide assistance to surgeons in minimally invasive surgery. Gruijthuijsen et al. [16] leveraged elastic fields (stiffness) to implement a virtual wall for motion guidance. Huo et al. [17] proposed an intention-driven controller for lower-limb exoskeleton control where the damping coefficient could be online adjusted by adapting to the human intention.
Standard impedance control requires incorporating the environment interaction in the control implementation to achieve compliant behavior. However, limited by various factors such as mechanical design, cost, etc., precisely detecting the external forces is impractical in many cases. Recently, neural learning-based control methods have attracted researchers’ attention [18,19,20,21,22,23,24,25,26,27,28,29]. Li et al. [18] presented a fuzzy approximation-based adaptive backstepping control for an exoskeleton of human upper limbs. According to the authors, this control strategy is able to track any continuous desired trajectory in the presence of parametric/functional uncertainties, unmodeled dynamics, actuator dynamics, and/or disturbances from environments. Zhang et al. [19] proposed a disturbance observer-based adaptive neural network control to approximate the model uncertainties and to compensate for the nonlinear variable stiffness actuator dynamics as well as external disturbances.
In this paper, based on a literature survey [30,31] and market research where we collect consumers’ opinions through questionnaires and interviews, we hope to open up new growth space for baby chair designs and meet the diverse needs of children and parents. For this aim, we redesign the shape and structure of the baby chair to improve its attractiveness and functionality so that it can be used in various scenes for different purposes. Firstly, we improve the structure design of children’s dining chairs so that they can be used not only in dining but also in other scenes for other purposes. Concretely, the designed baby chair has more usage modes than the dining chair, including a baby chair mode, reclining chair mode, and storage mode. Secondly, we combine more functions to make the baby chair multifunctional. The designed baby chair is combined with artificial intelligence to enrich the design of products and to meet the psychological and emotional needs of children and parents, enriching the sense of experience. This multifunctionality makes our baby chair more novel and user-friendly than other best-selling products. Moreover, we augment the intelligent functionality of the baby chair by implementing a robotic control of the designed product for a better user experience. Although manual posture adjustment of the chair could be performed through buttons, accuracy, safety and stability cannot be ensured, especially in the presence of children, due to different body sizes and weights, and due to the uncontrollable and unpredictable movement of children. For this reason, we adopt a neural approximation-enhanced Cartesian impedance controller to guarantee control safety and to adapt to various unpredictable and uncertain situations. Finally, we verify its feasibility in terms of control smoothness and control accuracy through a simulation of a periodic trajectory tracking task. The contributions of this paper are listed as follows:
(1)
We adopt a novel modularization design method to redesign the shape and structure of a baby chair to improve its functionality so that it can be used in various scenes for different purposes to meet the diverse needs of children and parents.
(2)
Under the concept of human-robot interaction, we leverage a Cartesian impedance control scheme to achieve compliant behavior. This scheme ensures the ability to control baby chair posture safely by taking into consideration of the unknown external interaction, especially in the presence of children with different body shapes and weights.
(3)
We use an RBFNN approximation to compensate for children’s uncontrollable movements, unpredictable external disturbances (e.g., from parents) and system uncertainties in different situations to increase the Cartesian impedance control stability, smoothness, and accuracy.
The remainder of this paper is organized as follows. Section 2 describes the novel modularization design of the baby chair in detail and provides relevant research and analysis. Section 3 discusses the kinematic and dynamic modeling of the designed baby chair and then introduces the neural approximation-enhanced Cartesian impedance controller. Section 4 verifies the designed controller in a simulation, and the experimental results are shown. Section 5 concludes the paper and presents future work.

2. Novel Design of the Multifunctional Baby Chair

This chapter focuses on the development and existing challenges of multifunctional baby chairs. The main idea is to analyze the characteristics of the target users and the problems of using multifunctional baby chairs in daily life. At present, there are many problems in the design of multifunctional children’s dining chairs, such as uneven quality, single function, poor ergonomic matching, and insufficient fun [32]. By taking into account safety, functionality, growth, and enjoyment, an optimized functional design of a multifunctional baby chair is shown in Figure 1A,B.
Figure 1. (A). Novel design of the multifunctional baby chair. 1. Backrest; 2. AI intelligence; 3. Backrest forward rotation button; 4. Armrest; 5. Support folding button; 6. Support leg; 7. Support rotation button; 8. Footpad; 9. Plate bacteria sensor; 10. Tray; 11. Dinner plate; 12. Seat; 13. Footrest rotating arm; 14. Footrest; 15. Moveable plate buckle; 16. Camera; 17. Infrared sensor; 18. Backrest adjustment button. (B). Six Views of the Baby Chair.

2.1. Functional Design

The main functions of the multifunctional baby chair are to interact, accompany and guard children. As an intelligent multifunctional children’s dining chair, it is equipped with an artificial intelligence system (Figure 2A), which has the functions of interaction, companionship and guardianship, ensuring the safety and entertainment of children. (Note that at present, we integrate the artificial intelligence system without focusing on the detailed functionality implementation, which will be our future work.) There are three heights of support legs (Figure 2B), which can meet the needs of different periods as the baby grows and ensure the comfort of use. The backrest can be rotated and adjusted (Figure 2C) to reach comfortable sitting, crouching and lying modes at will. There is a flexible rotation of the footrest (Figure 2D), with the baby’s different sitting positions and flexible change, so that the feet have strong support at any time. In addition, its flexible foldability can not only meet different needs and environments but also be quickly stored and transported. Therefore, it is a caring, intelligent product that can meet the needs of both babies and parents.
Figure 2. (A). Artificial intelligence hardware. (B). Three heights of support legs. (C). Rotation adjustment on backrest. (D). Flexible rotation of the footrest.

2.2. Relevant Research and Analysis

2.2.1. Analysis of Best-Selling Brands

Due to the rapid changes in the children’s consumer market, there are many new brands rising and old brands declining every year [33,34,35]. At present, the most influential domestic brand is “GoodBaby” (Goodbaby International Holdings Limited, Jiangsu, China) [33]. The “GoodBaby” children’s dining chair has six thoughtful designs: the whole chair is folded for easy storage and carrying, the height adjustment is suitable for different heights and shapes, the structure is stable to protect the baby, the double-layer plate is easy to clean, the backrest can be adjusted to cultivate the baby’s dining posture, and the footrest can be adjusted to give the baby a comfortable angle. The second is the Norwegian brand STOKKE [34]. This baby chair can be used from the birth of a baby. It can be used as a high chair, making it easy to communicate closely with the baby. Moreover, it has a curved ergonomic design, which is simple and easy to adjust. It is multifunctional and can be customized to your own style, but the price is higher. The top ten brands of children’s dining chairs in the market are: GoodBaby (Goodbaby International Holdings Limited, Jiangsu, China), STOKKE (Stokke AS, Ålesund, Norway), Happy Dino (GoodBaby, Suzhou, China), Fisher-Price (American fisher toy company, New York, NY, USA), IKEA (IKEA, Småland, Sweden), Babyfirst (MAX-INF, Ningbo, China), PegPerego (PegPerego, Italy), SAORS (SAORS, Leshan, China), KUB (Kins Locks Co., Ltd., Zhejiang, China), and AING (Beijing Aiyin Qihang Children’s Products Co., Ltd., Beijing, China) [35].

2.2.2. Analysis of Purchasers

The consumption of children’s dining chairs mainly depends on the expenditure of fathers, mothers, grandfathers, grandmothers, and other elders, whose primary concern is to make their children live more comfortably. Therefore, these consumers often make a lot of comparative analyses before purchasing [36]. By consulting the use situation online or from colleagues, friends, and other buyers, they analyze the commodity’s information. Hence, their purchase target is clear, and the function and cost-effectiveness of the product are fully understood.
Consumers’ consumption behavior can be predicted and clearly known [37,38]. They have standard and clear requirements for children’s dining chairs. The diverse needs of children and parents can be identified through literature surveys, market research, consumers’ opinion collection from questionnaires and interviews, etc. Safety and material are the key elements to be considered [2]. Sufficient care and judgement are also given to the functionality [7], appearance [9], ergonomic matching [13] and price of the products [5,6]. In rational consumption, there will also be the requirements of function scalability, conformity and brand value.

2.2.3. Analysis of Users

Here, we assess the physiological and psychological characteristics of children. Children’s ability to appreciate things is in a growing stage, and their behavior is often greatly influenced by external factors. Besides, they have strong imitation and conformity to people and things in life. Meanwhile, they have a strong curiosity and are willing to accept new things that can easily arouse the positive emotions of children’s exploration, with the starting point often for novelty and fun [39]. Due to children’s cute and innocent nature, they tend to be more intuitive in dealing with everything and pay more attention to the color, appearance, and shape of the product and the packaging pattern.
Ergonomic features: During childhood, the body grows and develops, and the dimensions of various parts of the body are constantly changing or somewhat uneven. With reference to the relevant data, the data of each part of the body of children aged 0–3 are sorted out (see Table 1). It is found that the physical development of boys and girls is different during childhood, so the weight and size of different bodies vary greatly. Therefore, differences between each child are inevitable.
Table 1. Data of some body parts (head circumference, height and weight) of children aged 0–3.

2.2.4. Analysis of Consumer Market

Here, we assess the status of the children’s consumption market. According to the data from the National Bureau of Statistics, China’s total population has grown to nearly 1.4 billion, with an average annual growth rate of 1.4%, while our country’s 0–14-year-old children account for 16.9% of the population. In addition, the children’s consumption market accounts for a large proportion of the whole consumer market and shows a rising trend (see Figure 3). With the continuous development of education and living standards, the types of products in the children’s consumer market are constantly rising, and the consumption level is also rising. For the only child in the family, parents hope that their life will be more comfortable and invest a lot.
Figure 3. Preschool Education Funding in China from 2015 to 2020.
Characteristics of Children’s Consumer Market [40,41,42]:
Low product contrast: Due to cultural factors, educational level, psychological characteristics and other factors, there is little difference in selection and comparison at the time of purchase.
Focus on the substance of products: For the children’s consumer market, children’s products must meet the psychological characteristics of children’s curiosity, novelty, beauty, and activeness. The appearance of the product should be novel and personalized with various functions and exquisite packaging [43].
Remarkable brand effect: The quality and influence of a product brand have a great impact on the buyers of children’s products. The safety, practicability, and the number of user groups are the values of children’s brands.
Children’s right to choose when purchasing: According to social data, children already have certain rights when purchasing any product, and their influence on buyers has increased [44,45].

2.3. Structural Details of Modeling, Structure and Materials

With the diverse needs and individual differences of children, the structural design of the children’s dining chair is the focal point. It should meet the following design requirements:
(1).
Safety
According to the European Union (EU) directives on baby furniture [38,46,47], in the design, smooth edges, delicate surfaces that are not rough, and chairs that are stable and not easy to shake should exist. Therefore, modular components should be used as much as possible to ensure that each component is tightly connected. Whether it is washed with cold or hot water, it can withstand the drag without collapsing, falling off, or deforming.
(2).
Comfortableness
The human body structure should be fully considered in the design process with the following ergonomic principles [30,31,48]. Children have many different characteristics than adults, and the baby chair should be able to change the structure to meet different needs. Taking full account of the child’s psychological and physical needs, more concise and soft lines are used.
(3).
Convenience
In the structural design, the modular design and the standardized design of parts are adopted to make the transportation, installation, and storage simple and fast. It is also conducive to recycling, disassembly, and combination. The structural style and components are also easy to identify and observe, which makes maintenance and use more convenient and increases the safety of use. Furthermore, it is easy to match and adjust and more economical.
(4).
Materials
According to Ali’s data analysis, the most popular materials in the children’s dining chair market are plastic, wood, inflatable, and other materials. It can be seen that when selecting materials, they all choose materials that are lighter and softer, and at the same time, they take into account both beauty and comfort.
When choosing materials, the materials that are good for children should be put in the first place [49]. Therefore, the strength of the selected material must be high, and the durability must be good. Then, the weight should be light to carry and store conveniently. Considering the hygiene of children’s dining chairs, which need to be cleaned frequently, plastic materials with light weight, good stability, strong load-bearing, and corrosion resistance should be used [50]. In addition, children’s dining chairs generally use PP plastic to make support feet. PP plastic is a lightweight, general-purpose plastic with high-strength mechanical properties, high wear resistance, chemical resistance, electrical insulation, heat resistance, and other high-quality properties, which can replace wood and metal [51]. Other connectors and parts are made of space aluminum, which is environmentally friendly and safe with high strength and anti-corrosion performance. Moreover, because of its light weight and durability, it has better overall performance than ordinary hardware.

2.4. Four Usage Modes

After investigation and research, we found that the existing chairs have several issues that need to be settled, such as uneven quality, performing a single function, having poor ergonomic matching, and providing insufficient fun. Given the above issues, we adopted the modularization design method to combine the functions of a baby chair. In the structural design of the children’s dining chair, a modular form is adopted. Standard detachable connectors are used to facilitate product storage, transportation, placement, and recycling. The specifications of children’s dining chairs are formulated in a reasonable size regarding the physiological characteristics of children. They fully follow the requirements of various principles of ergonomics to avoid damage to children caused by furniture.
In order to design an ergonomic product, the dimensions of baby chairs need to be designed following a strict range [52,53]. The size of the chair can easily have an impact on the user’s experience, so the design of the dining chair should comply with the regulations of the size range of the chair. The standard size range is shown in Figure 4. Finally, one of the most feasible solutions was selected from dozens of preliminary sketch plans. Because this solution is simple in shape-designing, minimalist in structure and more functional, it meets the different needs of users. Compared with other sketches, the dining chair with this shape has a stronger landing ability, so this scheme was finally chosen for optimization.
Figure 4. Standard size range of the baby chair.
In the 3D modeling and design phase, Creo Parametric was used to construct the preliminary draft model. After determining the scheme, Creo was used to refine the rest of the modeling and structural models. After completing the model establishment and assembly of each part, the overall modeling of the baby chair was accomplished. The effect is shown in Figure 5.
Figure 5. Preliminary draft model with Creo Parametric.
The children’s dining chair is an intelligent, multifunctional children’s dining chair, which has other usage modes besides the dining chair, including the baby chair mode, reclining chair mode, and storage mode.
1.
Dining chair mode (see Figure 6)
Figure 6. Dining chair mode.
The main mode of use is also the baby’s meal mode, helping the baby eat better. At the same time, it can also be used in play mode when the upper plate is removed. Additionally, the toys can be placed on the lower plate.
2.
Baby chair mode (see Figure 7)
Figure 7. Baby chair mode.
It can allow better interaction and play between baby and mother.
Step 1:
Find the plate buckle button under the plate and press it gently.
Step 2:
Pull the plate out and slowly remove it and set it aside. It can be turned into baby chair mode.
3.
Recliner Mode (see Figure 8)
Figure 8. Recliner Mode.
It can cultivate eating habits and facilitate adding baby food supplements. The child can rest comfortably in a semi-recumbent position, which is convenient for breastfeeding and prevents choking.
Step 1:
Press and hold the rotary button on the bottom of the backrest.
Step 2:
Find a suitable gear, and then gently release the button. Then it is changed into a reclining chair after the adjustment of the backrest.
4.
Storage mode (see Figure 9)
Figure 9. Storage mode.
It can be easily folded, and the chair can be quickly put away, saving more space for better storage and transportation.
Step 1:
Press the rotation button at the support to slowly retract the support.
Step 2:
Press the top of the backrest and rotate the button left and right to fold the backrest, completing the folding process.

3. Neural Approximation-Enhanced Cartesian Impedance Control

Compared with manual adjustment of the position of the backrest and the footrest of the baby chair, a robotic implementation of this functionality provides more accuracy, smoothness and flexibility. Therefore, for a better consumer experience, in this section, we focused on the robotic control of the chair posture adjustment. We first modelled the structure of the baby chair and subsequently implemented a Cartesian impedance control with neural approximation to compensate for the environmental uncertainties.

3.1. Baby Chair Structure Modeling

The two joints of the baby chair that can be controlled are shown in Figure 10. Considering its mechanical design, we modelled the chair as a 2-degrees-of-freedom (dof) structure with three links connected by two motorized joints, as illustrated in Figure 11.
Figure 10. The two controllable joints of the baby chair.
Figure 11. The kinematic model of the baby chair.

3.1.1. Kinematic Modeling

The kinematics of this serial structure mapping from its joint space to the Cartesian space is described by a nonlinear function:
x = f θ
where x R m is the Cartesian coordinates and θ R n is the joint angle vector. The nonlinear function f · can be obtained according to the Denavit–Hartenberg (D–H) convention and the mechanical specification of the baby chair. For the sake of convenience of calculation, we attach frames to the bacedkrest joint, footrest joint, backrest link end-effector and footrest link end-effector, which are denoted as {1}, {2}, {b} and {f}, respectively. Then, the feedforward kinematics can be described by the transformation matrices T 2 1 , T b 1 , T F 2 , as shown in Figure 11. Differentiating both sides of Equation (1) with respect to time yields:
x ˙ = J θ ω
where x ˙ = d x / d t and ω = θ ˙ = d θ / d t are velocities expressed in the Cartesian frame and generalized frame, respectively. J θ = f θ / θ is the Jacobian matrix. For simplification, in our work, we assume that the end-effector of the structure is far away from the singularity. Namely, the pseudoinverse of the Jacobian matrix exists.

3.1.2. Dynamic Modeling

The dynamic model of this structure can be derived from the Lagrangian formulation:
M θ θ ¨ + C θ , θ ˙ + G θ = τ τ e
where M θ R n × n is the inertia matrix, which is symmetric, positive definite, and bounded, C θ , θ ˙ R n is a vector representing the centrifugal and Coriolis terms, and G θ R n is a vector of gravity terms. τ R n is the control torque, and τ e R n is the external torques exerted by environmental disturbances.
For Cartesian impedance control, it is desirable to express the dynamics of Equation (3) with respect to Cartesian variables in general form:
M x θ x ¨ + C x θ , θ ˙ + G x θ = F F e
where M x θ R m × m ,   C x θ , θ ˙ R m   and   G x θ R m are the Cartesian inertia matrix, the centrifugal and Coriolis vector and the gravity vector in Cartesian space, respectively, with the following term relationship between the joint space and task space:
M x θ = J T θ M θ J 1 θ
C x θ , θ ˙ = J T θ C θ , θ ˙ M θ J 1 θ J ˙ θ θ ˙
G x θ = J T θ G θ
F , F e R m are, respectively, the control force and the external force in the task space, with:
F = J T θ τ
F e = J T θ τ e
F e is assumed to be bounded by a constant β , namely:
β R ,   F e β

3.2. Cartesian Impedance Control for Baby Chair

When the applications require controlling motion (reaching a target point or following a reference path) in free space, position control is a commonly used approach. However, in situations where rigid interaction between the mechanical device and the environment occurs, position control may lead to a large force, which is a potential danger, especially when humans are involved. For these scenarios, a compliant controller is more suitable in terms of operation safety, especially for physical human-robot interaction cases. Among various compliant control methods, Cartesian impedance control is an efficient option. The dynamics of the impedance control model in Cartesian space write:
M d x ¨ e + D d x ˙ e + K d x e = F e
where x e = x d x is the motion error between the desired trajectory x d and the current state x . M d ,   D d and K d are the desired inertia, damping and spring matrices, which are all symmetric and positive definite. F e is the external force applied to the mechanics. For the baby chair situation, F e is mostly the force applied by the child. When there is no external interaction, namely, F e = 0 , the controlled motion exactly follows the desired trajectory, namely, x e = 0 . Meanwhile, when F e 0 , the motion deviates from the desired trajectory and shows a compliant behavior to the external force. Figure 12 is an illustration of the impedance control, which virtually renders a mass, a damper and a spring in Cartesian space.
Figure 12. The structure modeling and the impedance control illustration of the baby chair.
Combining Equations (4) and (8), we can write the control torque as:
τ = M θ J 1 θ M d 1 M d x ¨ d + D d x ˙ e + K d x e M d J ˙ θ θ ˙   + J T θ M θ J 1 θ M d 1 F e     + C θ , θ ˙ + G θ

3.3. Adaptive Neural Approximation

To fully implement the above-mentioned impedance control, the eternal force F e should be obtained, either measured by sensors or estimated from motor currents. However, integrating a force or torque sensor makes the mechanism bulky and significantly increases the product cost. On the other hand, the force or torque estimation from currents is not precise, resulting in system instability and other safety issues. Meanwhile, the real dynamic is quite complex for the following reasons: (1) the children’s height, weight and body size vary significantly from one to another; (2) the child sitting on the chair is not static, but instead, he or she may make various motions such as stretching or pedaling; (3) parents may put their hands on the backrest of the chair or even lean on the chair in some cases. All these possibilities render the interaction force a complicated factor for robotic control. Figure 13 illustrates the complex dynamics where the child sits on the chair and exerts torques and forces on the controlled motors. Due to the child’s unpredictable movement, both the amplitude and the direction of the force on the backrest f b a c k and those on the footrest f f o o t are constantly changing. These two forces are further coupled since the child serves as a linkage mechanism. Therefore, to tackle this practical problem, we regard all the above-mentioned external forces as system disturbances and propose to use an adaptive neural approximation to compensate for these disturbances so as to enhance the control accuracy.
Figure 13. An illustration of the complex dynamics.
RBFNN is an effective tool for the approximation of uncertainties. As a simple type of feedforward neural network, RBFNN is composed of three layers: an input layer that spreads the input variables, a hidden layer that performs a nonlinear transform of the input, and an output layer that is a linear combination of the hidden layer outputs. The hidden layer contains N neurons, each of which computes the radial distance (typically Euclidean) between the input and the center. The most commonly used radial basis function in the literature is the Gaussian function. RBFNN achieves an optimal global solution by adjusting the weights of the output layer using a minimum mean square error (MSE).
In our control design, RBFNN approximation is leveraged to compensate for the unknown external uncertainties in the human-robot interaction dynamics. The compensation for the uncertain disturbances acts as the output of RBFNN and is calculated as:
τ d i s t = W · Φ x , x d + ϵ
where X = [ x , x d ] is the input, and ϵ is the approximation error. W = w 1 , ,   w N T is the compact optimal weight matrix for network prediction, and N is the number of nodes used in the hidden layer. Φ = ϕ 1 , ,   ϕ N is the nonlinear activation function, and we use the Gaussian function defined as:
ϕ i X = exp X μ i T X μ i σ i 2 ,   i = 1 , , N
where μ i and σ i denote the center of the receptive field and the width of the Gaussian function, respectively. According to the RBFNN approximation theory, the approximation error ϵ is bounded, namely, ϵ c , with c being a positive constant.
To get the optimal weights of the network, we use the following adaptive updating law:
W ˙ = α e Φ T x , x d + β W
where α is used to control the updating speed, β is a momentum factor that can improve both training speed and accuracy, and e = x d x is the error vector.

3.4. Neural Approximation-Enhanced Cartesian Impedance Controller

Based on what we have derived, we can implement the full Cartesian impedance control with RBFNN approximation compensating for the external uncertainties. The optimal torque control is defined as follows:
τ * = τ d y n + τ i m p + τ d i s t
τ d y n = C ^ θ , θ ˙ + G ^ θ
τ i m p = J T θ D d x ˙ e + K d x e
τ d i s t = W · Φ x , x d
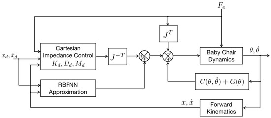
τ d y n is the robot dynamic torque computed inside the robot motion kernel, with C ^ θ , θ ˙ and G ^ θ being estimated mechanical terms. τ i m p is the Cartesian impedance control toque, with K d and D d being the desired stiffness and damping matrices in Cartesian space. τ d i s t is the RBFNN compensation for the external disturbances. The whole control diagram is shown in Figure 14.
Figure 14. The control diagram of the neural approximation-enhanced Cartesian impedance control.

4. Simulation and Verification

In order to verify our proposed neural approximation-enhanced Cartesian impedance controller, simulation experiments were performed in MATLAB.
Both the backrest and the footrest movements are required to track a given periodic reference trajectory. This experimental setting has its practical application. More specifically, a controlled periodic motion of the chair can simulate the behavior of rocking a cradle, whose effect is able to be adjusted through the signal amplitude and frequency. This largely frees the parents from holding their children, especially outside of the house. In addition, the active movement of the chair provides the children with more exercise for their muscles, benefitting their health.
The Cartesian periodic reference trajectories for both backrest motion and footrest motion are drawn in the same figure in the world coordinates, as, respectively, represented by the red and blue solid curves in Figure 15. We write the Cartesian reference trajectory as follows:
x t 2 + y t 2 = R 2 x m i n x t x m a x y m i n y t y m a x
where R is the link length of the backrest or the footrest. x m i n ,   x m a x ,   y m i n ,   and   y m a x are the motion ranges due to the mechanical constraints of the baby chair. According to the mechanical design, the link lengths of the backrest and footrest are supposed to be 0.5 m and 0.325 m. Here we double the values to be 1 m and 0.65 m for a stricter situation in terms of stability and control accuracy. The motion ranges expressed in the world coordinates for the backrest are: x m i n = 0.17   m ,   x m a x = 0.94   m ,   y m i n = 0.34   m ,   and   y m a x = 0.98   m , and for the footrest, these values are: x m i n = 0.64   m ,   x m a x = 0.06   m ,   y m i n = 0.65   m ,   and   y m a x = 0.11   m . For comparison, the frequency of the backrest reference motion was set as 1 rad/s, while that of the footrest reference motion was 3 rad/s. Figure 16 and Figure 17 show the Cartesian reference trajectory projected on the x-axis and y-axis for backrest motion and footrest motion, respectively. By calculating the inverse kinematics, we can work out the reference trajectory in joint space, shown as the third row in Figure 16 and Figure 17. All motions start from the mechanical zero, as denoted by the dashed lines in Figure 15.
Figure 15. The Cartesian reference trajectories for backrest motion (solid red curve) and footrest motion (solid blue curve).
Figure 16. The Cartesian reference trajectory for the backrest motion projected on the x-axis and y-axis.
Figure 17. The Cartesian reference trajectory for the footrest motion projected on the x-axis and y-axis.
In order to see the performance of disturbance compensation of the RBFNN approximation, we added to the system the noise of a sinusoidal wave. For backrest control, we set the noise amplitude to be 0.001 m and the noise frequency to be 100 rad/s. This noise was chosen to simulate the system’s dynamic uncertainties. For footrest control, the noise amplitude and frequency were set as 0.1 m and 5 rad/s, respectively. This noise was chosen to simulate the external interaction force generated from the child’s movement. The noise signal was delayed by 2 s with a zero initial condition for a better observation. The simulation time lasted 10 s.
The RBFNN contains 6 neurons in its hidden layer, with initial weights W 0 = 0 , 0 , 0 , 0 , 0 , 0 . The learning rate was set to be 0.0001, and the momentum was set to be 0.005. The centers of the radial basis functions were tuned to be μ = 3 , 1.5 , 0 , 1.5 , 3 , 3.5 , and the width was all tuned to be σ = 2 . The desired stiffness coefficients were set to be K d = d i a g 0.2 , 0.2 , and the desired damping coefficients were D d = d i a g 0.0004 , 0.0004 .
Figure 18, Figure 19, Figure 20 and Figure 21 show the simulation results. Note that we draw the periodic curves in the joint space instead of in Cartesian space for the sake of a better demonstration. Figure 18 and Figure 19, respectively, show the tracking performance for backrest motion control and footrest motion control under a simple impedance control without RBFNN compensation. It can be observed that there is a tracking bias between the reference trajectory (red cure) and the system response (blue curve). This bias results from a constant force exerted on the backrest/footrest, which is used to simulate the weight of the child sitting on the chair. The pure Cartesian impedance control has no capability to suppress this bias, implying that it is not enough for practical use.
Figure 18. The reference trajectory (red cure) and the system response (blue curve) of the backrest posture control without RBFNN approximation with disturbance (yellow curve).
Figure 19. The reference trajectory (red cure) and the system response (blue curve) of the footrest posture control without RBFNN approximation with disturbance (yellow curve).
Figure 20. The reference trajectory (red cure) and the system response (blue curve) of the backrest posture control with RBFNN approximation with disturbance (yellow curve).
Figure 21. The reference trajectory (red cure) and the system response (blue curve) of the footrest posture control with RBFNN approximation with disturbance (yellow curve).
Figure 20 and Figure 21, respectively, show the tracking performance for backrest motion control and footrest motion control under a Cartesian impedance control with RBFNN compensation. From both figures, we see that the system response (blue curve) quickly converges to the reference trajectory (red cure) within 0.1 s. After that, the trajectory tracking error decreases to 0. At 2 s, a disturbance is added, and we see that the system response still follows the reference trajectory thanks to the RBFNN compensation. The amplitude of the maximum overshoot is around 2.2 m. We see that for different disturbances (small amplitude + high frequency; large amplitude + low frequency), the RBFNN-enhanced Cartesian impedance control has a stable, smooth and accurate tracking performance. Therefore, we can confirm the effectiveness of our proposed method.

5. Conclusions

To open up a new growth space for baby chairs in the children’s consumption market, this paper focuses on the design and control of baby chairs. The main contributions of this paper comprise:
(1)
A novel modularization design method to redesign the shape and structure of the baby chair to improve its functionality so that it can be used in various scenes for different purposes to meet the diverse needs of children and parents;
(2)
A Cartesian impedance control scheme to achieve a compliant behavior so as to control the baby chair posture safely by taking into consideration of the unknown dynamic interaction, especially in the presence of children with different body shapes and weights;
(3)
An RBFNN approximation to compensate for the unpredictable external disturbances and system uncertainties in different situations to increase the Cartesian impedance control stability, smoothness, and accuracy.
We believe that our work will cater to children and parents to a large extent and is beneficial to the increasing market demand for baby furniture. With the novel design for the structure and appearance of the baby chair as well as the multifunctionality augmented by the intelligent control adapting to various real environments, this work has great potential to be a niche product in the current children’s consumption market. For the current stage, the verification of our proposition is limited to simulation. In the future, based on the above-mentioned work, we will build a prototype of the baby chair and verify the effectiveness of both its mechanical design and its RBFNN-enhanced impedance controller in the real environment to verify the feasibility of our proposed method. Furthermore, we will also improve the functionalities of the designed baby chair by carrying out more practical and extensive experiments on the actual system. The functionality of the artificial intelligence system, namely, the interaction, companionship and guardianship to ensure the safety and entertainment of children, is crucial to the final baby chair product. With this artificial intelligence system, parents have the possibility of monitoring the physical health and mental activities of their children. Furthermore, by designing some interactive and educational games, the intellectual development of the children could be facilitated. We will also collect and analyze feedback from parents to better understand our consumers and use the feedback to improve our design. In addition, various challenging situations such as dead-zone and time delays [54,55,56,57] shall be considered for being able to adapt to different environments. Cognitive control, where children’s intention is predicted to increase the control autonomy, is also an interesting and promising topic that will be further studied. Last but not least, the current design of the baby chair adopts a rigid-body mechanical structure design. The fact that there is a lot of interaction with humans indicates that a more reasonable design method with compliant mechanisms should be considered. In fact, both compliant mechanisms and rigid-body mechanisms can be generalized into modularized mechanisms using a module optimization method [58,59,60]. Such an approach is optimal in nature and can facilitate the design quality justification of the designed baby chair, which will be our future work.

Author Contributions

Conceptualization, C.Z., S.H. and W.S.; methodology, C.Z., S.H., W.S. and L.D.; software C.Z., S.H., W.S. and L.D.; validation, C.Z., S.H., W.S. and L.D.; formal analysis, C.Z., S.H., W.S. and L.D.; investigation, C.Z., S.H., W.S.; data curation, C.Z., S.H., W.S.; writing—original draft preparation, C.Z., S.H., W.S. and L.D.; writing—review and editing, C.Z., S.H., W.S. and L.D.; supervision, W.S. and L.D.; project administration, C.Z., S.H., W.S. and L.D. All authors have read and agreed to the published version of the manuscript.

Funding

This study was supported in part by the Planning Subject for the 13th Five-year Plan of Guangdong Education Sciences under Grant No. 2020GXJK335, in part by the Guangdong Higher Education Teaching Reform Project under Grant No. SJY202002, and in part by the Guangdong Philosophy and Social Sciences Planning Project under Grant No. GD20CJY53.

Institutional Review Board Statement

Not applicable.

Data Availability Statement

Not applicable.

Conflicts of Interest

The authors declare no conflict of interest. The funders had no role in the design of the study; in the collection, analyses, or interpretation of data; in the writing of the manuscript, or in the decision to publish the results.

References

  1. Louie, V. Parents’ aspirations and investment: The Role of Social Class in the Educational Experiences of 1.5-and Second-generation Chinese Americans. Harv. Educ. Rev. 2001, 71, 438. [Google Scholar] [CrossRef] [Green Version]
  2. Sanoff, H. Creating Environments for Young Children; The Education Resources Information Center (ERIC): Washington, DC, USA, 1995; p. 124.
  3. Jeoung, T.Y.; Park, K.J. A Study on Living Room Furniture Design to Promote Children’s Reading-Based on The Theory of Environmental Psychology and Behavior-Focused on The 60~90 m2 Apartment Dwellers. J. Korea Furnit. Soc. 2016, 27, 111–121. [Google Scholar]
  4. Duan, H. Creative Design of Intelligent Children Furniture. In Proceedings of the IEEE 10th International Conference on Computer-Aided Industrial Design & Conceptual Design, Wenzhou, China, 26–29 November 2009; pp. 1345–1348. [Google Scholar]
  5. Valikhani, M.; Ibrahim, R.; Dolah, M.S. The Influences of Furniture on Children’ S Health and Well-being at Primary School. J. Teknol. 2016, 78. [Google Scholar] [CrossRef] [Green Version]
  6. Long, Y.; Dong, W.; Luo, W. Research on Preschool Children’s Painting Application in Children’s Intelligent Furniture. In Proceedings of the 2021 2nd International Conference on Intelligent Design (ICID), Xi’an, China, 19 October 2021; IEEE: Piscataway, NJ, USA, 2021; pp. 524–527. [Google Scholar]
  7. Yao, J.; Zhang, L. Analysis on Eating Behavior of Children and Exploration of Dining Chair Design. In Proceedings of the IEEE 10th International Conference on Computer-Aided Industrial Design & Conceptual Design, Wenzhou, China, 26–29 November 2009; pp. 1434–1437. [Google Scholar]
  8. Van Beek, T.J.; Erden, M.S.; Tomiyama, T. Modular Design of Mechatronic Systems with Function Modeling. Mechatronics 2010, 20, 850–863. [Google Scholar] [CrossRef]
  9. Fair, A.; Rose, N. Resistant Materials to GCSE; Oxford University Press: Oxford, UK, 2000. [Google Scholar]
  10. Campbell, P.D. Plastic Component Design; Industrial Press Inc.: New York, NY, USA, 1996. [Google Scholar]
  11. Wang, Y.; Qian, Y. Kuo-Hua Sun: The Founder of Physiologic Psychology and Child Psychology in China. Protein Cell 2021, 12, 593–595. [Google Scholar] [CrossRef] [Green Version]
  12. Miller, S. Designing the Home for Children: A Need-based Approach. Child. Environ. Q. 1986, 3, 55–62. [Google Scholar]
  13. Munasinghe, H.P. Study of Ergonomic Needs in Designing and Manufacturing of Furniture for Sri Lanka: Case Study of Chairs Used in Teritary Education Institutes; University of Moratuwa: Moratuwa, Sri Lanka, 2008. [Google Scholar]
  14. Medina, J.R.; Duvallet, F.; Karnam, M.; Billard, A. A Human-inspired Controller for Fluid Human-robot Handovers. In Proceedings of the 2016 IEEE-RAS 16th International Conference on Humanoid Robots (Humanoids), Cancun, Mexico, 15–17 November 2016; pp. 324–331. [Google Scholar]
  15. Dong, L.; Morel, G. Control Strategy at Different Instrument Points using Lever Model in Laparoscopic Surgery. In Proceedings of the 2021 IEEE International Conference on Advanced Robotics and Mechatronics, Chongqing, China, 3–5 July 2021; pp. 7–12. [Google Scholar]
  16. Gruijthuijsen, C.; Dong, L.; Morel, G.; Vander Poorten, E. Leveraging the Fulcrum Point in Robotic Minimally Invasive Surgery. IEEE Robot. Autom. Lett. 2018, 3, 2071–2078. [Google Scholar] [CrossRef]
  17. Huo, Y.; Li, X.; Zhang, X.; Sun, D. Intention-Driven Variable Impedance Control for Physical Human-Robot Interaction. In Proceedings of the 2021 IEEE/ASME International Conference on Advanced Intelligent Mechatronics (AIM), Delft, The Netherlands, 12–16 July 2021; pp. 1220–1225. [Google Scholar]
  18. Li, Z.; Su, C.Y.; Li, G.; Su, H. Fuzzy Approximation-based Adaptive Backstepping Control of An Exoskeleton for Human Upper Limbs. IEEE Trans. Fuzzy Syst. 2014, 23, 555–566. [Google Scholar] [CrossRef]
  19. Zhang, L.; Li, Z.; Yang, C. Adaptive Neural Network Based Variable Stiffness Control of Uncertain Robotic Systems using Disturbance Observer. IEEE Trans. Ind. Electron. 2016, 64, 2236–2245. [Google Scholar] [CrossRef] [Green Version]
  20. He, W.; Dong, Y.; Sun, C. Adaptive Neural Impedance Control of A Robotic Manipulator with Input Satu-ration. IEEE Trans. Syst. Man Cybern. Syst. 2016, 46, 334–344. [Google Scholar]
  21. Su, H.; Hu, Y.; Karimi, H.R.; Knoll, A.; Ferrigno, G.; De Momi, E. Improved Recurrent Neural Network-based Manipulator Control with Remote Center of Motion Constraints: Experimental Results. Neural Netw. 2020, 131, 291–299. [Google Scholar] [CrossRef]
  22. Su, H.; Qi, W.; Hu, Y.; Karimi, H.R.; Ferrigno, G.; De Momi, E. An Incremental Learning Framework for Human-like Redundancy Optimization of Anthropomorphic Manipulators. IEEE Trans. Ind. Inform. 2020, 18, 1864–1872. [Google Scholar] [CrossRef]
  23. Su, H.; Mariani, A.; Ovur, S.E.; Menciassi, A.; Ferrigno, G.; De Momi, E. Toward Teaching by Demonstration for Robot-assisted Minimally Invasive Surgery. IEEE Trans. Autom. Sci. Eng. 2021, 18, 484–494. [Google Scholar] [CrossRef]
  24. Su, H.; Qi, W.; Chen, J.; Zhang, D. Fuzzy Approximation-based Task-Space Control of Robot Manipulators with Remote Center of Motion Constraint. IEEE Trans. Fuzzy Syst. 2022, 30, 1564–1573. [Google Scholar] [CrossRef]
  25. Qi, W.; Su, H. A Cybertwin based Multimodal Network for Ecg Patterns Monitoring using Deep Learning. IEEE Trans. Ind. Inform. 2022. [Google Scholar] [CrossRef]
  26. Qi, W.; Wang, N.; Su, H.; Aliverti, A. DCNN based Human Activity Recognition Framework with Depth Vision Guiding. Neurocomputing 2022, 486, 261–271. [Google Scholar] [CrossRef]
  27. Qi, W.; Ovur, S.E.; Li, Z.; Marzullo, A.; Song, R. Multi-Sensor Guided Hand Gesture Recognition for a Teleoperated Robot Using a Recurrent Neural Network. IEEE Robot. Autom. Lett. 2021, 6, 6039–6045. [Google Scholar] [CrossRef]
  28. Ovur, S.E.; Su, H.; Qi, W.; De Momi, E.; Ferrigno, G. Novel Adaptive Sensor Fusion Methodology for Hand Pose Estimation with Multileap Motion. IEEE Trans. Instrum. Meas. 2021, 70, 1–8. [Google Scholar] [CrossRef]
  29. Qi, W.; Su, H.; Aliverti, A. A Smartphone-based Adaptive Recognition and Real-time Monitoring System for Human Activities. IEEE Trans. Hum.-Mach. Syst. 2020, 50, 414–423. [Google Scholar] [CrossRef]
  30. Istifar, V.; Halim, A.; Sutanto, B.C.; Hendriwibowo, N.; Sahroni, T.R. Design and Analysis Ergonomic Adjustable Baby Chair. IOP Conf. Ser. Earth Environ. Sci. 2021, 729, 012008. [Google Scholar] [CrossRef]
  31. Salvador, C.; Vicente, J.; Martins, J.P. Ergonomics in Children’s Furniture–emotional Attachment. In Proceedings of the 5th International Conference AHFE, Kraków, Poland, 19–23 July 2014; pp. 5478–5485. [Google Scholar]
  32. Husein, H.A. Multifunctional Furniture as a Smart Solution for Small Spaces for the Case of Zaniary Towers Apartments in Erbil City, Iraq. Int. Trans. J. Eng. Manag. Appl. Sci. Technol. 2020, 12, 1–11. [Google Scholar]
  33. Checchinato, F.; Hu, L.; Perri, A.; Vescovi, T. Internationalization of A Chinese” born global” Brand in A Foreign Sector: The Case Study of Goodbaby. In Proceedings of the China Goes Global Conference, Bremen, Germany, 25–27 September 2013. [Google Scholar]
  34. Almeland, T. Concept Development of Chassis to Children Chair. Master’s Thesis, Norges Teknisk-Naturvitenskapelige Universitet, Fakultet for Ingeniørvitenskap og Teknologi, Institutt for Produktutvikling og Materialer, Trondheim, Norway, 2011. [Google Scholar]
  35. Checchinato, F.; Hu, L.; Perri, A.; Vescovi, T. Leveraging Domestic and Foreign Learning to Develop Marketing Capabilities: The Case of The Chinese Company Goodbaby. Int. J. Emerg. Mark. 2017. [Google Scholar] [CrossRef] [Green Version]
  36. MacKendrick, N. More Work for Mother: Chemical Body Burdens as A Maternal Responsibility. Gend. Soc. 2014, 28, 705–728. [Google Scholar] [CrossRef]
  37. Baik, E. Study of Developing Multi-Function High-chair Using Eco-Friendly Material. J. Korea Furnit. Soc. 2016, 27, 271–279. [Google Scholar]
  38. Booster, R.N. New Product Safety Directive. In Ann Brown Resigned on Injury Prevention; HIPA: Brunswick West, Australia, 2001. [Google Scholar]
  39. Spielberger, C.D.; Starr, L.M. Curiosity and Exploratory Behavior. In Motivation: Theory and Research; Routledge: London, UK, 2012; pp. 231–254. [Google Scholar]
  40. Zhang, L. Study on Children Product Design and Development Based on Fashion Consumption. In Proceedings of the 7th International Conference on Social Science and Education Research (SSER2017), Xi’an, China, 3–5 November 2017; pp. 194–197. [Google Scholar]
  41. Wan, M.; Zhang, Y.; Ye, W. Consumer Willingness-to-pay A Price Premium for Eco-friendly Children’s Furniture in Shanghai and Shenzhen, China. For. Prod. J. 2018, 68, 317–327. [Google Scholar]
  42. Ye, J.; Li, W.; Yang, C. Research on Modular Design of Children’s Furniture Based on Scene Theory. In International Conference on Human-Computer Interaction; Springer: Cham, Switzerland, 2021; pp. 153–172. [Google Scholar]
  43. Wan, M.; Toppinen, A. Effects of Perceived Product Quality and Lifestyles of Health and Sustainability (LOHAS) on consumer price preferences for children’s furniture in China. J. For. Econ. 2016, 22, 52–67. [Google Scholar] [CrossRef]
  44. Tinson, J.; Nancarrow, C. “GROw” ing up: Tweenagers’ Involvement in Family Decision Making. J. Consum. Mark. 2007. [Google Scholar] [CrossRef] [Green Version]
  45. Fast, N.J.; Schroeder, J. Power and Decision Making: New Directions for Research in the Age of Artificial Intelligence. Curr. Opin. Psychol. 2020, 33, 172–176. [Google Scholar] [CrossRef]
  46. EN 716-1:2008+A1:2013; Furniture-Children’s Cots and Folding Cots for Domestic Use, Part 1: Safety Requirements. The National Standards Authority of Ireland (NSAI): Dublin, Ireland, 2013.
  47. EN 716-2:2008+A1:2013; Furniture-Children’s Cots and Folding Cots for Domestic Use, Part 2: Test Methods. The National Standards Authority of Ireland (NSAI): Dublin, Ireland, 2013.
  48. Domljan, D.; Grbac, I.; Bogner, A. A New Approach to The Children’s Work Furniture Design in Line with The Latest Ergonomic Requirements. In Proceedings of the 2nd International Ergonomics Conference, Ergonomics, Zagreb, Croatia, 21–22 October 2004. [Google Scholar]
  49. Büyükpamukçu, H. Design Considerations in Children Bedroom Furniture of Preschool Period an Analysis of Today’s Turkish Children Furniture Market. Master’s Thesis, Middle East Technical University, Ankara, Turkey, 2004. [Google Scholar]
  50. Owen-Jackson, G. Health and Safety in Design and Technology. In Learning to Teach Design and Technology in the Secondary School; Routledge: London, UK, 2013; pp. 98–113. [Google Scholar]
  51. Khalid, A.; Ghamdi, A. Sustainable FDM Additive Manufacturing of ABS Components with Emphasis on Energy Minimized and Time Efficient Lightweight Construction. Int. J. Lightweight Mater. Manuf. 2019, 2, 338–345. [Google Scholar]
  52. Smardzewski, J. Ergonomics of Furniture. In Furniture Design; Springer: Cham, Switzerland, 2015; pp. 97–184. [Google Scholar]
  53. Smardzewski, J. Introduction to Engineering Design of Furniture. In Furniture Design; Springer: Cham, Switzerland, 2015; pp. 185–283. [Google Scholar]
  54. Luo, J.; Yang, C.; Wang, N.; Wang, M. Enhanced Teleoperation Performance using Hybrid Control and Virtual Fixture. Int. J. Syst. Sci. 2019, 50, 451–462. [Google Scholar] [CrossRef]
  55. Luo, J.; Yang, C.; Su, H.; Liu, C. A Robot Learning Method with Physiological Interface for Teleoperation Systems. Appl. Sci. 2019, 9, 2099. [Google Scholar] [CrossRef] [Green Version]
  56. Martins, M.A.; Yamashita, A.S.; Santoro, B.F.; Odloak, D. Robust model predictive control of integrating time delay processes. J. Process Control 2013, 23, 917–932. [Google Scholar] [CrossRef]
  57. Yang, J.; Su, H.; Li, Z.; Ao, D.; Song, R. Adaptive Control with A Fuzzy Tuner for Cable-based Rehabilitation Robot. Int. J. Control Autom. Syst. 2016, 14, 865–875. [Google Scholar] [CrossRef]
  58. Cao, L.; Dolovich, A.T.; Schwab, A.L.; Herder, J.L.; Zhang, W. Toward a unified design approach for both compliant mechanisms and rigid-body mechanisms: Module optimization. J. Mech. Des. 2015, 137, 122301. [Google Scholar] [CrossRef] [Green Version]
  59. Cao, L.; Dolovich, A.T.; Chen, A.; Zhang, W. Topology optimization of efficient and strong hybrid compliant mechanisms using a mixed mesh of beams and flexure hinges with strength control. Mech. Mach. Theory 2018, 121, 213–227. [Google Scholar] [CrossRef]
  60. Cao, L.; Dolovich, A.T.; Zhang, W.C. Hybrid compliant mechanism design using a mixed mesh of flexure hinge elements and beam elements through topology optimization. J. Mech. Des. 2015, 137. [Google Scholar] [CrossRef]
Publisher’s Note: MDPI stays neutral with regard to jurisdictional claims in published maps and institutional affiliations.

Article Metrics

Citations

Article Access Statistics

Multiple requests from the same IP address are counted as one view.