The Usability Study of a Proposed Environmental Experience Design Framework for Active Ageing
Abstract
1. Introduction
2. Environmental Experience Design Research Framework Review
3. Proposed EXD Framework Implementation
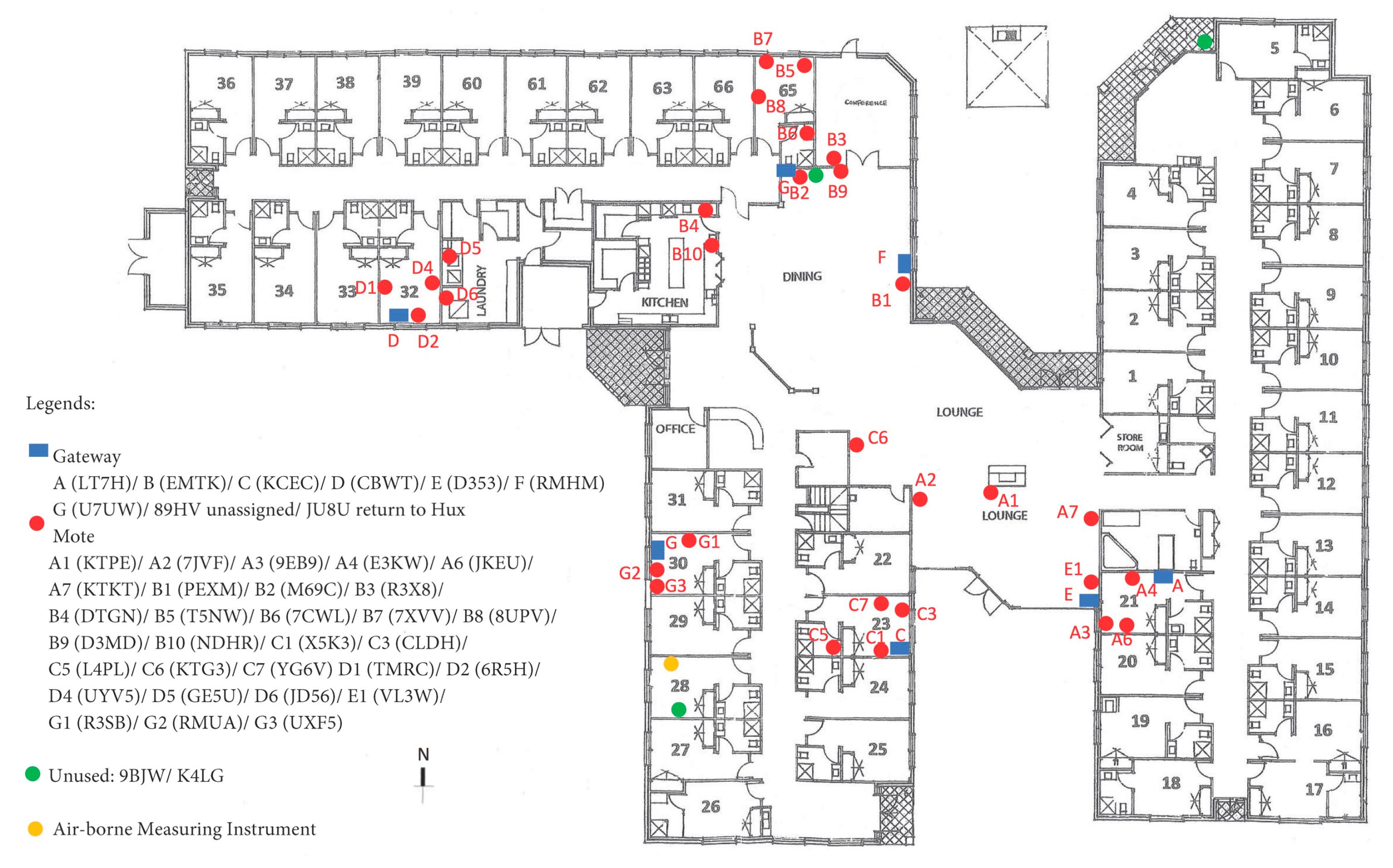
EXD Spatial Upgrading Potentials
4. Conclusions
Author Contributions
Acknowledgments
Conflicts of Interest
References
- Australian Bureau of Statistics. Australian Demographic Statistics, March 2017; Australian Bureau of Statistics: Canberra, Australia, 2017.
- Australian Bureau of Statistics. Population by Age and Sex, Victoria; Australian Bureau of Statistics: Canberra, Australia, 2006.
- Australian Institute of Health and Welfare. Australia’s Welfare 2011; Australian Institute of Health and Welfare: Canberra, Australia, 2011.
- Australian Institute of Health and Welfare. Australia’s Welfare 2015; Australian Institute of Health and Welfare: Canberra, Australia, 2015.
- Australian Bureau of Statistics. Population by Age and Sex, Australian States and Territories; Australian Bureau of Statistics: Canberra, Australia, 2011.
- Australian Bureau of Statistics. Health of Older People in Australia: A Snapshot, 2004–2005; Australian Bureau of Statistics: Canberra, Australia, 2006.
- Australian Institute of Health and Welfare. Australia’s Health 2010; Australian Institute of Health and Welfare: Canberra, Australia, 2010.
- Australian Bureau of Statistics. Population by Age and Sex, Victoria; Australian Bureau of Statistics: Canberra, Australia, 2016.
- Australian Bureau of Statistics. National Health Survey—First Results: Australia 2014–2015; Australian Bureau of Statistics: Canberra, Australia, 2015.
- Federation of Ethnic Communities’ Councils of Australia. Review of Australian Research on Older People from Culturally and Linguistically Diverse Backgrounds; Federation of Ethnic Communities’ Councils of Australia: Canberra, Australia, 2015.
- World Health Organisation. Active Ageing: A Policy Framework. 2002. Available online: http://apps.who.int/iris/bitstream/10665/67215/1/WHO_NPH_02.8.pdf (accessed on 26 September 2017).
- Bowling, A. Enhancing Later Life: How Older People Perceive Active Ageing? Aging Ment. Health 2008, 12, 293–301. [Google Scholar] [CrossRef] [PubMed]
- Kendig, H.; Browning, C. Positive Ageing: Facts and Opportunities. Med. J. Aust. 1997, 167, 409–441. [Google Scholar] [PubMed]
- Rowe, J.W.; Kahn, R.L. Successful Ageing. Gerontologist 1997, 37, 433–440. [Google Scholar] [CrossRef] [PubMed]
- Kerschner, H.; Pegues, J.A.M. Productive Aging: A Quality of Life Agenda. J. Am. Dietet. Assoc. 1998, 98, 1445–1448. [Google Scholar] [CrossRef]
- Kalache, A.; Gatti, A. Active ageing: A policy framework. Adv. Gerontol. 2003, 11, 7–18. [Google Scholar] [PubMed]
- Bowling, A.; Dieppe, P. What Is Successful Ageing and Who Should Define It? Br. Med. J. 2005, 331, 1548–1551. [Google Scholar] [CrossRef] [PubMed]
- Bowling, A.; IIiffe, S. Which Model of Successful Ageing Should Be Used? Baseline Findings from a British Longitudinal Survey of Ageing. Age Ageing 2006, 35, 607–614. [Google Scholar] [CrossRef] [PubMed]
- Hassenzahl, M. Experience Design: Technology for All the Right Reasons; Morgan and Claypool Publishers: Philadelphia, PA, USA, 2010. [Google Scholar]
- Pine, B.J.; Gilmore, J.H. The Experience Economy: Work Is Theatre & Every Business a Stage; Harvard Business School Press: Cambridge, MA, USA, 1999. [Google Scholar]
- Farbstein, J.; Wener, R.; McCunn, L.J. Planning the Built Environment: Programming. Research Methods for Environmental Psychology; Wiley: Malaysia, 2016. [Google Scholar]
- De Giuli, V.; da Pos, O.; de Carli, M. Indoor Environmental Quality and Pupil Perception in Italian Primary Schools. Build. Environ. 2012, 56, 335–345. [Google Scholar] [CrossRef]
- Al horr, Y.; Arif, M.; Katafygiotou, M.; Mazroei, A.; Kaushik, A.; Elsarrag, E. Impact of Indoor Environmental Quality on Occupant Well-being and Comfort: A Review of the Literature. Int. J. Sustain. Built Environ. 2016, 5, 1–11. [Google Scholar] [CrossRef]
- Ma, N.; Chau, H.; Zhou, J.; Noguchi, M. Structuring the Environmental Experience Design Research Framework through Selected Aged Care Facility Data Analyses in Victoria. Sustainability 2017, 9, 12. [Google Scholar] [CrossRef]
- Dell’Isola, A.J. Value Engineering: Practical Applications: for Design, Construction, Maintenance & Operations; R.S. Means: Kingston, NY, USA, 1997. [Google Scholar]
- Horgas, A.L.; Wilms, H.U.; Baltes, M.M. Daily Life in Very Old Age: Everyday Activities as Expression of Successful Living. Gerontologist 1998, 38, 556–568. [Google Scholar] [CrossRef] [PubMed]
- Krause, N. Neighborhood Deterioration, Religious Coping, and Changes in Health during Late Life. Gerontologist 1998, 38, 653–664. [Google Scholar] [CrossRef] [PubMed]
- Dubos, R. The Wooing of Earth; Scribner: New York, NY, USA, 1980. [Google Scholar]
- Kellert, S. Kinship to Mastery: Biophilia in Human Evolution and Development; Island Press: Washington, DC, USA, 1997. [Google Scholar]











| Age | Men | Women | Total |
|---|---|---|---|
| 55+ | 336,334 (11.0%) | 354,377 (11.3%) | 690,711 (22.4%) |
| 65+ | 251,532 (8.2%) | 265,111 (8.5%) | 516,643 (16.7%) |
| 75+ | 130,624 (4.3%) | 154,595 (5.0%) | 285,219 (9.2%) |
| 85+ | 47,602 (1.6%) | 79,750 (2.6%) | 127,352 (4.1%) |
| All ages | 3,056,434 | 3,122,815 | 6,179,249 |
| Design Criteria | Design Settings | Objectives | Design Elements | Opportunities | Design Solutions |
|---|---|---|---|---|---|
| Physical Activation Criteria | Natural setting | Natural variability | Sounds | Providing pleasing effects | Euphonic sounds increase |
| Providing soothing effects | Chaotic sounds reduction | ||||
| Touch responses | Interaction with vegetation | Garden walking pathways | |||
| Interaction with animals | Freedom of feeding pets | ||||
| Smell responses | Olfactory stimuli | Different scented plants | |||
| Ageing and changing | The rhythm of life | Seasonal plants assembly | |||
| Natural harmony | Complex order | Rich sensory information | Different types of flowers and trees gardening | ||
| Patterned wholes | Intriguing balance between boring and overwhelming | Symmetric and fractal geometries of integrated pavements | |||
| Naturalness | Outdoor gardens | Ecological connectivity | Communal spaces in the garden | ||
| Garden crafts | Culture and ecology integration | The elderly engaged gardening | |||
| Built environment setting | Spatial adaptability | Present spatial needs | Achieving the elderly’s satisfactions | Calming colours of wall and ceiling paintings | |
| Natural textured material of floorings | |||||
| Two layered curtains: gauze and fabric curtains with natural colours | |||||
| Freedom of bringing personal belongings | |||||
| Lockable interior doors | |||||
| Keep gardens open | |||||
| Spatial flexibility | Future spatial needs | Pliable temporal limitation | Moveable partitions | ||
| Spatial durability | Ease of maintenance spaces | Cleanliness guarantee | Flooring with vinyl | ||
| Spatial arrangement | Spatial requirement | Friendly, comfortable and welcoming living conditions | Kitchen adheres to dining areas | ||
| Communicative living rooms | |||||
| Bedrooms with private bathroom | |||||
| Multi-activity rooms | |||||
| Corridors with hand rails | |||||
| Clinic and therapy areas | |||||
| A nurse’s station | |||||
| Spatial relationship | Kitchen next to dining room (5) | ||||
| Nurses station away from dining room (5) | |||||
| Nurses station away from reception and entrance (5) | |||||
| Nurses station away from high-care residents’ bedrooms (5) | |||||
| Nurses station away from clinic and therapy areas (5) | |||||
| Nurses station away from staff office (3) | |||||
| Low-care elderly’s bedrooms next to activity rooms (4) | |||||
| Spatial layout | Using bubble diagrams | ||||
| Indoor environmental quality | Dry bulb temperature | Elderly wellbeing, comfort and health | Direct heat exposure avoidance: ranging between 19.4 to 27.8 °C | ||
| Radiant temperature | Shading provision: within the comfort zone | ||||
| Relative humidity | Fresh air ventilation: less than 61% | ||||
| Indoor air quality | Fresh air ventilation: Carbon Dioxide concentration below 1000 ppm | ||||
| Particulate matter (PM10) less than 150 µm/m3 (in 24 hrs) | |||||
| Particulate matter (PM25) less than 35 µm/m3 (in 24 hrs) | |||||
| Psychological Activation Criteria | Psychological demands | Emotional wellness | Anxiety reduction | Harmful effects on health and the overall quality of life | Respect the elderly’s personal choices and decisions |
| Anger reduction | |||||
| Depression reduction | |||||
| Passive participation | Activating physical walking | Increase engagement and participation | Low-care elderly’s bedrooms with a distance away to living rooms | ||
| Visual connection to activity rooms | Layout of the low-care elderly’s bedrooms adjacent to activity rooms | ||||
| Psychological needs | Security | Empowering a sense of individual dignity | Being free from injury | Non-hierarchical spaces | |
| Manageable spaces | |||||
| Controllable spaces | |||||
| Safety Active participation | Generating a sense of belongingness | Being protected from risk | Locating residential care facilities in the neighbourhood | ||
| Rooms have visual connections with outdoors | |||||
| Stimulating the elderly bringing distinctive vernacular objects | |||||
| Stimulating the elderly engaged gardening | |||||
| A space with the passage of time | |||||
| Barrier-free spatial conditions | Physical activity stimulation | Level difference avoidance | |||
| Slip-resistant and firm flooring surfaces | |||||
| Physical and visual barriers elimination | |||||
| Wide interior doors, corridors and turning spaces associated with the elderly movements | |||||
| Open floor planning | Social interaction | Maximising the use of limited spaces | |||
| Minimising partitions | |||||
| Multi-activity rooms’ design | Restorative activity | Evoking and developing the elderly’s interests |
© 2018 by the authors. Licensee MDPI, Basel, Switzerland. This article is an open access article distributed under the terms and conditions of the Creative Commons Attribution (CC BY) license (http://creativecommons.org/licenses/by/4.0/).
Share and Cite
Noguchi, M.; Ma, N.; Woo, C.M.M.; Chau, H.-w.; Zhou, J. The Usability Study of a Proposed Environmental Experience Design Framework for Active Ageing. Buildings 2018, 8, 167. https://doi.org/10.3390/buildings8120167
Noguchi M, Ma N, Woo CMM, Chau H-w, Zhou J. The Usability Study of a Proposed Environmental Experience Design Framework for Active Ageing. Buildings. 2018; 8(12):167. https://doi.org/10.3390/buildings8120167
Chicago/Turabian StyleNoguchi, Masa, Nan Ma, Catherine Mei Min Woo, Hing-wah Chau, and Jin Zhou. 2018. "The Usability Study of a Proposed Environmental Experience Design Framework for Active Ageing" Buildings 8, no. 12: 167. https://doi.org/10.3390/buildings8120167
APA StyleNoguchi, M., Ma, N., Woo, C. M. M., Chau, H.-w., & Zhou, J. (2018). The Usability Study of a Proposed Environmental Experience Design Framework for Active Ageing. Buildings, 8(12), 167. https://doi.org/10.3390/buildings8120167

