Seismic Performance Evaluation of Reinforced Concrete Frame–Shear Wall Structural Systems in Thermal Power Plants
Abstract
1. Introduction
2. Experimental Programs
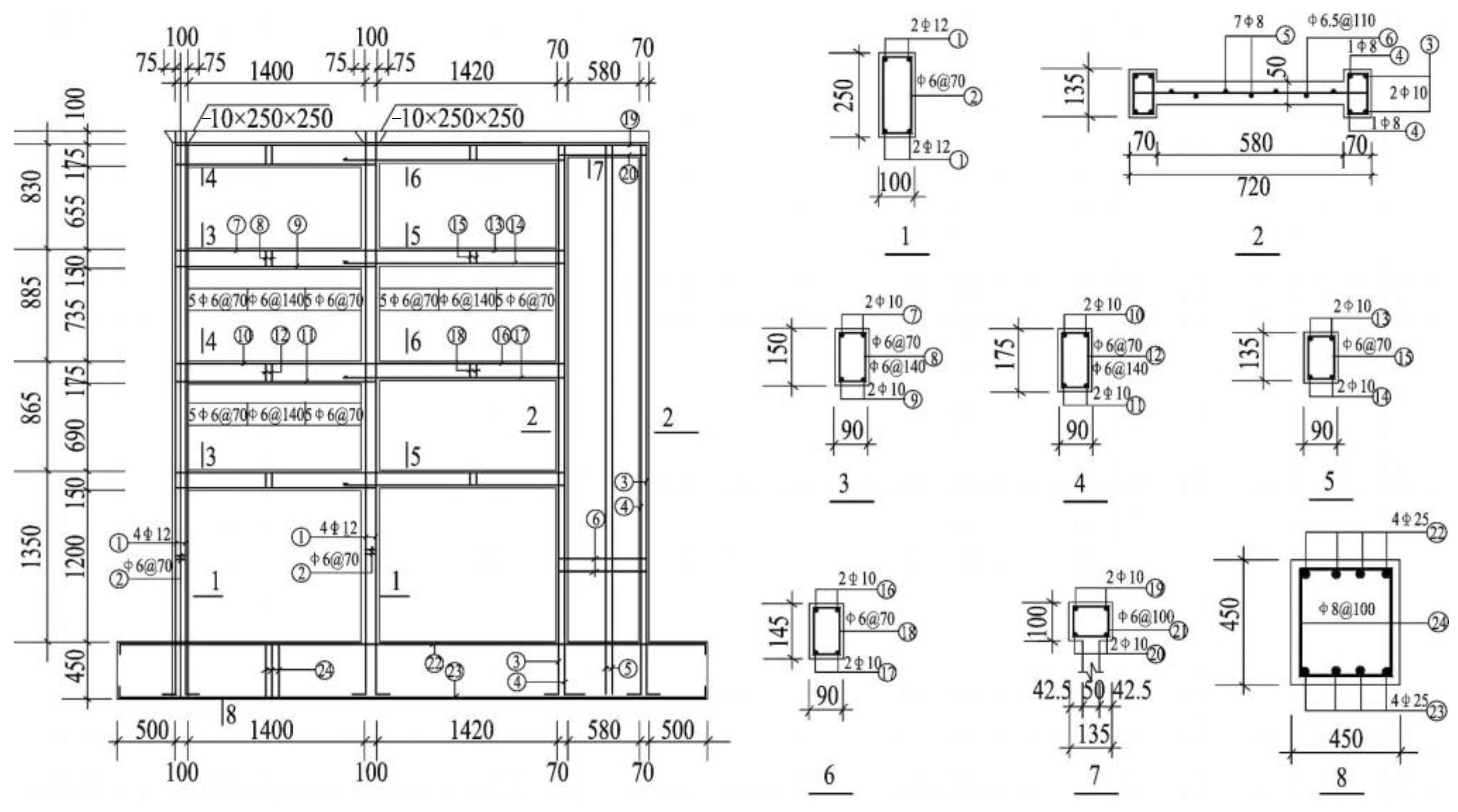
2.1. Specimen Design
2.2. Test Setup
2.3. Loading Scheme
2.4. Measurement
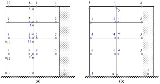
3. Cracking Pattern and Failure Mode
- When the PGA was 0.05 g and 0.1 g, the specimen remained in the elastic stage without visible cracks.
- When the PGA was 0.2 g, the initial set of flexural cracks emerged at both ends of beam B4. On one side of the shear wall base, multiple inclined cracks extended at a 45° angle, accompanied by a horizontal flexural crack at the lower part of side column WC1. On the other side, reverse inclined cracks and flexural cracks were observed, passing through side column WC2. Additionally, cracks appeared on the wall side of beam B3.
- When the PGA was 0.4 g, as shear force at the base increased, existing cracks continued to extend and widen. New cracks appeared at beam and column ends, as well as at the B6-C2 joint. The shear wall base was subjected to large forces, resulting in numerous evenly distributed cracks. Furthermore, most of the rebars at the shear wall base reached the yielding strain, indicating that this section yielded initially, causing a significant reduction in its stiffness. Additionally, the rebars at the right end of B7 also experienced yielding.
- When the PGA was 0.8 g, the pre-existing cracks further developed. At the shear wall base, an inclined crack at an approximate 15° angle reached a maximum width of 1 mm, while another horizontal flexural crack significantly widened, reaching a maximum width of 2 mm. The strains in the shear wall rebars also showed significant increases, and a portion of the concrete at the base was crushed and spalled. In addition, wide cracks also appeared at the intersections of WC2 with B3 and B4, and yielding strains were observed in the rebars located at the right ends of both B4 and B7.
- When the PGA was 1.2 g, inclined cracks appeared at B5-C1 joint and B7-C3 joint. Cracks at the B6-C2 joint increased and extended. The width of the cracks at the shear wall base reached around 3 mm, with severe crushing of the concrete in this area. Additionally, the rebars at the ends of B3 and B2 underwent yielding strain. Following that, the rebars at C1, C5, and both ends of B5 yielded. As a result, it can be considered that the structure attained its maximum load-carrying capacity during this phase.
- During the second phase, as the positive displacement at the top floor reached 123 mm, there was a sharp increase in structural deformation, notably evident in shear sliding. Then, the concrete at the base of column C5 was severely crushed, and the bottom web of the shear wall exhibited concrete spalling. This event indicated the complete failure of the specimen.
4. Results and Discussion
4.1. Hysteretic Loops and Skeleton Curve
4.2. Energy Dissipation Capacity and Equivalent Viscous Damping Coefficient
4.3. Ductility and Deformability
4.4. Stiffness Degradation
4.5. Dynamic Response
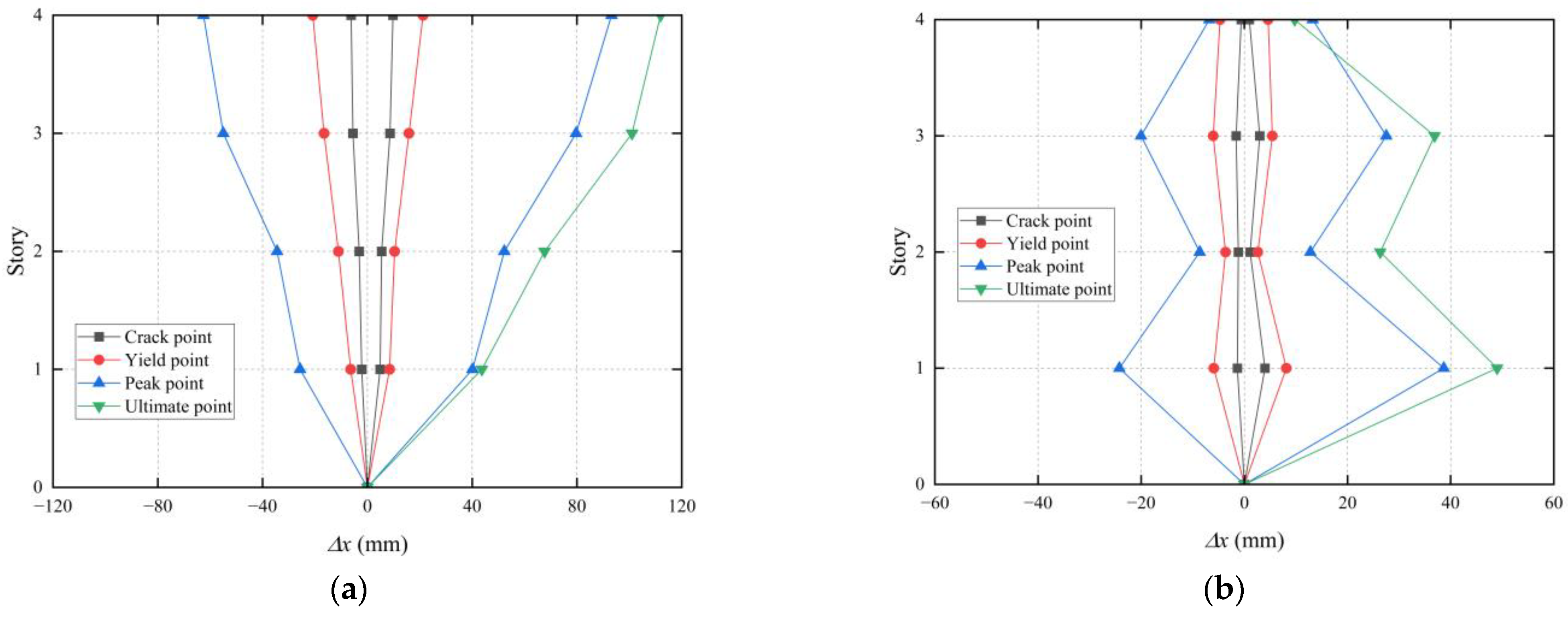
4.6. Displacement Response
5. Conclusions
- We found via testing that the entire structure undergoes a failure mode, where the shear wall yielded at the base, followed by the appearance of plastic hinges at the beam ends, and finally yielding at the column base. This failure sequence allows the structure to have higher lateral load-carrying capacity compared to structures that fail in different orders, while ensuring sufficient ductility.
- Compared to frame structures, the hysteresis curves of the specimen exhibit a full shape, and the pinching phenomenon in the loops caused by degradation of strength and stiffness, as well as rebar sliding, is not very severe. This suggests a good energy dissipation capacity.
- In this frame–shear wall structure, the majority of the seismic forces are borne by the shear wall, and the concentration of plastic deformation at each level is less obvious compared to frame structures. The cumulative damage and the crushing of concrete on one side of the shear wall base in the test reduced the seismic performance of the entire structure. It is recommended that action be taken to increase the horizontal distribution of rebars and raise the concrete strength grade at the base of the shear wall, to enhance the energy dissipation capacity of the structure.
- Unlike the deformation pattern resembling a wine barrel shape in the lateral frame structure of TPPs, as the specimen shifts from elastic to plastic behavior, the flexural–shear deformation of this longitudinal frame–shear wall structure gradually transitions from being dominated by flexure to being dominated by shear.
- The acceleration of the excitation wave and response wave reaches peak values at the same time, but the peak acceleration of the excitation wave does not occur at the same time as the peak values of the restoring force response. As structural damage accumulates, the natural period of the specimen extends, and the time taken for the restoring force response to reach maximum values increasingly coincides with the time of the input seismic wave’s peak acceleration.
- The longitudinal RC frame–shear wall of a large TPP main workshop exhibits a favorable seismic performance due to the shear wall. The experimental results provide valuable guidance for the seismic design of RC frame–shear wall structures in high-rise and large factory buildings.
Author Contributions
Funding
Data Availability Statement
Conflicts of Interest
References
- Wang, J.; Liu, K.; Li, A.; Dai, K.; Yin, Y.; Li, J. Shaking Table Test of a 1: 10 Scale Thermal Power Plant Building Equipped with Passive Control Systems. Eng. Struct. 2021, 232, 111804. [Google Scholar] [CrossRef]
- Hamedi, M.R.; Ghafory-Ashtiany, M.; Hosseini, M. Hybrid Simulation Modeling Framework for Evaluation of Thermal Power Plants Seismic Resilience in Terms of Power Generation. Int. J. Disaster Risk Reduct. 2022, 78, 103120. [Google Scholar] [CrossRef]
- Richard, J.; Koboevic, S.; Tremblay, R. Seismic Response of Irregular Industrial Steel Buildings. In Seismic Behaviour and Design of Irregular and Complex Civil Structures; Springer: Berlin/Heidelberg, Germany, 2012; pp. 73–85. [Google Scholar]
- Panico, A.; Basco, A.; Lanzano, G.; Pirozzi, F.; de Magistris, F.S.; Fabbrocino, G.; Salzano, E. Evaluating the Structural Priorities for the Seismic Vulnerability of Civilian and Industrial Wastewater Treatment Plants. Saf. Sci. 2017, 97, 51–57. [Google Scholar] [CrossRef]
- Wang, J.; Dai, K.; Yin, Y.; Tesfamariam, S. Seismic Performance-Based Design and Risk Analysis of Thermal Power Plant Building with Consideration of Vertical and Mass Irregularities. Eng. Struct. 2018, 164, 141–154. [Google Scholar] [CrossRef]
- Vela, R.J.M.; Brunesi, E.; Nascimbene, R. Seismic Assessment of an Industrial Frame-Tank System: Development of Fragility Functions. Bull. Earthq. Eng. 2019, 17, 2569–2602. [Google Scholar] [CrossRef]
- Wang, J.; Dai, K.; Li, B.; Li, B.; Liu, Y.; Mei, Z.; Yin, Y.; Li, J. Seismic Retrofit Design and Risk Assessment of an Irregular Thermal Power Plant Building. Struct. Des. Tall Spec. Build. 2020, 29, e1719. [Google Scholar] [CrossRef]
- Kang, Y.-J.; Peng, L.-Y.; Pan, P.; Xiao, G.-Q.; Wang, H.-S. Shaking Table Test and Numerical Analysis of a Coal-Fired Power Plant Equipped with Large Mass Ratio Multiple Tuned Mass Damper (Lmtmd). J. Build. Eng. 2021, 43, 102852. [Google Scholar] [CrossRef]
- Kang, L.G.; Bai, G.L.; Li, X.W.; Li, H.X.; Zhao, C.L. Experimental Research on Dynamic Characters of Src Frame-Rc Shear Wall Hybrid Structure Main Building in Large Thermal Power Plants. Paper presented at the 2009 IITA International Conference on Control, Automation and Systems Engineering (Case 2009), Zhangjiajie, China, 11–12 July 2009. [Google Scholar]
- Paulay, T.; Priestley, M.J.N.; Synge, A.J. Ductility in Earthquake Resisting Squat Shearwalls. J. Proc. 1982, 79, 257–269. [Google Scholar]
- Iliya, R.; Bertero, V.V. Effects of Amount and Arrangement of Wall-Panel Reinforcement on Hysteretic Behavior of Reinforced Concrete Walls; Earthquake Engineering Research Center, University of California: Berkeley, CA, USA, 1980. [Google Scholar]
- Greifenhagen, C.; Lestuzzi, P. Static Cyclic Tests on Lightly Reinforced Concrete Shear Walls. Eng. Struct. 2005, 27, 1703–1712. [Google Scholar] [CrossRef]
- Gogus, A.; Wallace, J.W. Seismic Safety Evaluation of Reinforced Concrete Walls through Fema P695 Methodology. J. Struct. Eng. 2015, 141, 04015002. [Google Scholar] [CrossRef]
- Zhang, J.; Zhang, M.; Liu, X.; Tao, X.; Cao, W. Experiment and Numerical Analysis on Seismic Performance of Resilient Shear Walls Using High Strength Recycled Aggregate Concrete. J. Build. Eng. 2022, 52, 104477. [Google Scholar] [CrossRef]
- Ghaseminia, S.M.; Zahra, T.; Thambiratnam, D.P.; Thamboo, J. Response of Rc Shear Walls with Single and Double Layers of Reinforcements Subjected to in-Plane Cyclic Loading. Structures 2023, 56, 105005. [Google Scholar] [CrossRef]
- Wang, W.; Ma, J.; Wang, X. Seismic Behavior of a Precast Rc Frame–Shear Wall Structure Using Full/Half Grout Sleeve Connections. Eng. Struct. 2023, 280, 115685. [Google Scholar]
- Jiang, H.; Huang, Y.; He, L.; Huang, T.; Zhang, S. Seismic Performance of Rc Frame-Shear Wall Structures with Vertical Setback. Structures 2021, 33, 4203–4217. [Google Scholar] [CrossRef]
- Panagiotou, M.; Restrepo, J.I.; Conte, J.P. Shake-Table Test of a Full-Scale 7-Story Building Slice. Phase I: Rectangular Wall. J. Struct. Eng. 2011, 137, 691–704. [Google Scholar] [CrossRef]
- Seo, J.; Hu, J.W.; Davaajamts, B. Seismic Performance Evaluation of Multistory Reinforced Concrete Moment Resisting Frame Structure with Shear Walls. Sustainability 2015, 7, 14287–14308. [Google Scholar] [CrossRef]
- Ozkul, T.A.; Kurtbeyoglu, A.; Borekci, M.; Zengin, B.; Kocak, A. Effect of Shear Wall on Seismic Performance of Rc Frame Buildings. Eng. Fail. Anal. 2019, 100, 60–75. [Google Scholar] [CrossRef]
- Simon, A.R.; Hridoy, F.K.; Siddique, M.F.; Safat, S.A. Orientation and Location of Shear Walls in Rc Buildings to Control Deflection and Drifts. Procedia Struct. Integr. 2023, 46, 162–168. [Google Scholar] [CrossRef]
- Lu, X.; Zou, Y.; Lu, W.; Zhao, B. Shaking Table Model Test on Shanghai World Financial Center Tower. Earthq. Eng. Struct. Dyn. 2007, 36, 439–457. [Google Scholar] [CrossRef]
- GB 50010-2010; Code for Design of Concrete Structures. Standardization Admninistration of China: Beijing, China, 2011.
- Xu, W.; Zhao, Y.; Yang, W.; Zhang, J.; Chen, D. Seismic Performance of Rc Frame-Shear Wall Dual Structural Systems. Structures 2023, 58, 105610. [Google Scholar] [CrossRef]
- Park, R.; Paulay, T. Reinforced Concrete Structures; John Wiley & Sons: Hoboken, NJ, USA, 1991. [Google Scholar]
- Paulay, T.; Priestley, M.J.N. Seismic Design of Reinforced Concrete and Masonry Buildings; Wiley New York: New York, NY, USA, 1992; Volume 768. [Google Scholar]
- Xue, J.; Zhang, X.; Ren, R. Pseudo-Dynamic Test Investigation of Recycled Concrete-Encased Steel Frame. J. Build. Eng. 2020, 32, 101834. [Google Scholar] [CrossRef]
- GB 50728–2011; Technical Code for Safety Appraisal of Engineering Structural Strengthening Materials. Standardization Admninistration of China: Beijing, China, 2011.
- JGJ 3-2010; Technical Specification for Concrete Structures of Tall Buildings. Standardization Admninistration of China: Beijing, China, 2010.
- Zhao, H.; Hu, Y.; Li, S.; Liu, J.; Yang, P. Seismic Performance of a New Type of Rc Shear Walls Confined with High-Strength Rectangular Spiral Reinforcements. Mater. Struct. 2024, 57, 38. [Google Scholar] [CrossRef]
















| Physical Quantity | Length | Elastic Modulus | Acceleration | Area | Mass | Time |
|---|---|---|---|---|---|---|
| Symbol | SL | SE | Sa | SS | SM | St |
| Similitude ratio | 1/8 | 1 | 1 | 1/64 | 1/64 | 1/√8 |
| Diameter (mm) | Grade | Yield Stress fy (MPa) | Ultimate Stress fu (MPa) | Elastic Modulus E (×105 MPa) | Yield Strain εy (×10−6) |
|---|---|---|---|---|---|
| 12 | HRB335 | 392.5 | 610.1 | 1.623 | 2425 |
| 10 | HRB335 | 455.5 | 624.2 | 1.764 | 2500 |
| 10 | HPB235 | 433.1 | 475.3 | 1.863 | 2325 |
| 8 | HPB235 | 350.9 | 501.0 | 1.813 | 1935 |
| 6.5 | HPB235 | 304.7 | 442.5 | 1.810 | 1683 |
| 4 | Galvanized iron wire | 349.2 | 381.0 | 1.888 | 1800 |
| PGA | Hysteresis Loop Area | Area of Triangle | Equivalent Viscous Damping Coefficient |
|---|---|---|---|
| 0.05 g | 15 | 112 | 0.021 |
| 0.1 g | 75 | 248 | 0.048 |
| 0.2 g | 413 | 849 | 0.077 |
| 0.4 g | 3031 | 3810 | 0.127 |
| 0.8 g | 8086 | 8150 | 0.157 |
| 1.2 g | 11,395 | 9960 | 0.182 |
| PST | 13,550 | 11,330 | 0.190 |
| Characteristic Point | Positive | Negative | ||||||
|---|---|---|---|---|---|---|---|---|
| P (kN) | Δ (mm) | θ | μ | P (kN) | Δ (mm) | θ | μ | |
| Crack point | 54.93 | 6.50 | 1/587 | 6.32 (4.85) | 60.09 | 5.20 | 1/734 | (2.93) |
| Yield point | 99.17 | 19.00 | 1/206 | 117.80 | 20.58 | 1/193 | ||
| Peak point | 135.08 | 92.08 | 1/41 | 159.97 | 60.28 | 1/63 | ||
| Ultimate point | 122.02 | 120.00 | 1/33 | - | - | - | ||
| PGA (g) | 0.05 | 0.1 | 0.2 | 0.4 | 0.8 | 1.2 |
| Period (s) | 0.550 | 0.641 | 0.746 | 0.969 | 1.141 | 1.798 |
| Story | Direction | Δc (mm) | θc | Δy (mm) | θy | Δp (mm) | θp | Δu (mm) | θu | μ |
|---|---|---|---|---|---|---|---|---|---|---|
| 1st | Positive | 4.17 | 1/323 | 8.26 | 1/163 | 39.17 | 1/34 | 49.83 | 1/27 | 6.03 |
| Negative | 1.33 | 1/1014 | 6.08 | 1/222 | 24.82 | 1/54 | - | - | - | |
| 2nd | Positive | 1.58 | 1/549 | 2.45 | 1/353 | 12.40 | 1/70 | 26.48 | 1/33 | 10.81 |
| Negative | 1.75 | 1/493 | 3.52 | 1/246 | 8.80 | 1/98 | - | - | - | |
| 3rd | Positive | 3.17 | 1/279 | 5.71 | 1/155 | 27.61 | 1/32 | 37.37 | 1/24 | 6.54 |
| Negative | 1.73 | 1/510 | 6.03 | 1/147 | 20.19 | 1/44 | - | - | - | |
| 4th | Positive | 1.21 | 1/684 | 4.59 | 1/181 | 12.91 | 1/64 | 9.40 | 1/88 | 2.05 |
| Negative | 0.38 | 1/2184 | 4.75 | 1/175 | 6.47 | 1/128 | - | - | - |
Disclaimer/Publisher’s Note: The statements, opinions and data contained in all publications are solely those of the individual author(s) and contributor(s) and not of MDPI and/or the editor(s). MDPI and/or the editor(s) disclaim responsibility for any injury to people or property resulting from any ideas, methods, instructions or products referred to in the content. |
© 2025 by the authors. Licensee MDPI, Basel, Switzerland. This article is an open access article distributed under the terms and conditions of the Creative Commons Attribution (CC BY) license (https://creativecommons.org/licenses/by/4.0/).
Share and Cite
Xiong, Z.; Liang, J.; Chen, X. Seismic Performance Evaluation of Reinforced Concrete Frame–Shear Wall Structural Systems in Thermal Power Plants. Buildings 2025, 15, 419. https://doi.org/10.3390/buildings15030419
Xiong Z, Liang J, Chen X. Seismic Performance Evaluation of Reinforced Concrete Frame–Shear Wall Structural Systems in Thermal Power Plants. Buildings. 2025; 15(3):419. https://doi.org/10.3390/buildings15030419
Chicago/Turabian StyleXiong, Zhongming, Jiawei Liang, and Xuan Chen. 2025. "Seismic Performance Evaluation of Reinforced Concrete Frame–Shear Wall Structural Systems in Thermal Power Plants" Buildings 15, no. 3: 419. https://doi.org/10.3390/buildings15030419
APA StyleXiong, Z., Liang, J., & Chen, X. (2025). Seismic Performance Evaluation of Reinforced Concrete Frame–Shear Wall Structural Systems in Thermal Power Plants. Buildings, 15(3), 419. https://doi.org/10.3390/buildings15030419
