Next Article in Journal
Enhancing Supply Chain Resilience in Prefabricated Buildings: The Role of Blockchain Technology in Volatile, Uncertain, Complex, and Ambiguous Environments
Previous Article in Journal
20th-Century World Built Heritage Facing Water: Conservation of Fallingwater and Boa Nova Tea House
 
 
Font Type:
Arial Georgia Verdana
Font Size:
Aa Aa Aa
Line Spacing:
Column Width:
Background:
Review

Influencing Factors, Design Methods, and Buoyancy Reduction Measures for Basement Anti-Flotation Engineering

College of Architectural Engineering, North China Institute of Aerospace Engineering, Langfang 065000, China
*
Author to whom correspondence should be addressed.
Buildings 2024, 14(9), 3005; https://doi.org/10.3390/buildings14093005
Submission received: 22 May 2024 / Revised: 30 June 2024 / Accepted: 10 September 2024 / Published: 22 September 2024

Abstract

Basement anti-flotation design is crucial in modern urban construction. An increase in groundwater buoyancy can cause basement structures to uplift, leading to structural instability or even damage. To ensure the stability and safety of underground structures under various hydrogeological conditions, anti-flotation design must comprehensively consider factors such as construction, design, supervision, structure, and hydrology. During construction, improper dewatering measures or unreasonable construction progress may lead to an abnormal rise in groundwater levels, increasing the risk of anti-flotation. Design considerations must include sufficient safety margins, supervision must fully recognize the impact of groundwater, and the structural dead load must be adequate. Anti-flotation stability verification includes both overall and local anti-flotation, involving the calculation of groundwater buoyancy, structural self-weight, and overburden, and selecting appropriate anti-flotation stability safety factors. The assessment and selection of the anti-flotation design water level are also critical. Common anti-flotation measures include adding counterweights, tension-resistant piles, compression and tension-resistant piles, and hydro-pressure reduction methods, while reinforcement and repair methods include epoxy resin grouting and steel plating reinforcement. Through systematic analysis and comprehensive research, scientific basis and technical support are provided for anti-flotation design, enhancing design efficiency and reliability and ensuring the safety and stability of underground spaces. Future research will develop more accurate calculation methods, improve design standards, and explore new anti-flotation technologies and materials.

1. Introduction

In modern urban construction, the design of anti-flotation measures for basements has become an indispensable issue. With the increase in underground construction, basement structures face increasingly severe anti-flotation challenges. The core of basement anti-flotation design lies in ensuring the stability and safety of underground structures under various hydrogeological conditions. Incorrect design or insufficient consideration of anti-flotation issues can lead to structural damage and even catastrophic consequences, such as the uplift of the basement or the destabilization of the entire structure.
In the field of basement anti-flotation design research over the past five years, numerous studies have delved into the failure mechanisms and forms of basement uplift. FE Hughes and SPG Madabhushi [1] conducted a detailed exploration of the failure mechanisms of underground structures located in liquefied soil under the action of buoyancy, providing an important theoretical basis for understanding the behavior of basements under extreme soil conditions. Y Hong [2] revealed the initiation and failure mechanisms of substrate instability caused by hydraulic rise during clay excavation. S Zhao [3] and colleagues, based on digital technology, studied the basement flash pressure relief system, offering new ideas for monitoring and regulation. M Bikçe [4] and others analyzed the specific impacts of buoyancy on structural damage through case studies, while Y Zhang [5] and others focused on identifying the causes of basement uplift damage and reinforcement methods, providing practical strategies and techniques for enhancing the safety of underground structures.
In the study of factors affecting basement uplift, numerous scholars have conducted in-depth analyses of the main influences on underground structures, which vary with environmental and conditional changes. Bonì and team [6] utilized Sentinel-1 data to detect and characterize the phenomenon of uplift in urban areas, identifying the main influencing factors on the uplift of underground structures, such as geological conditions and human factors, and provided significant monitoring data. Neng and Wu [7] explored the formation stages and controlling factors of ancient uplift in the Tarim Basin, emphasizing the impact of geological conditions and tectonic movements on underground structures, which is crucial for understanding the influence of geological history on the current safety of underground structures. Additionally, Wu, Li [8] and others conducted in-depth studies on basement uplift damage and its reinforcement measures through bending moment and deformation analysis, discussed the influencing factors of buoyancy and groundwater level changes on basement structures, and provided a detailed understanding of structural responses. Ren and Ni [9]’s research focused on the time effect of buoyancy reduction in underground structures in clay, analyzing the factors influencing basement uplift through model testing and case studies, highlighting the importance of the time factor in the safety analysis of underground structures. Luo and Chen [10] discussed the anti-flotation failure mechanisms and proactive anti-flotation measures of underground structures in expansive soil areas, identifying the key factors affecting the uplift of underground structures and offering practical guidance for designing structures under specific soil conditions.
In terms of anti-flotation design concepts and stability verification, G Luo [11] and team developed a simplified calculation method for active anti-flotation using relief wells, while B Wang and others [12] introduced an analytical solution to the problem of shield tunnel uplift. ZD Cui [13] discussed the anti-flotation design and stability verification of open caisson structures, CC Soares [14] analyzed the anti-flotation effects of concrete mattresses on subsea pipelines, and YH Jang [15] studied the evaluation methods for anti-flotation stability in slurry shield TBM operations.
In the research on anti-flotation defense water levels, numerous studies focus on anti-flotation strategies for underground structures under high water level conditions. X Chen [16] and colleagues explored the application of anti-flotation plates in rectangular box jacking projects, considering the defense water levels in the design and demonstrating practical applications in real projects. H Liu [17] and others studied the impact of groundwater level changes on the interaction between underground structures and sand layers, particularly emphasizing the direct effect of water level changes on structural stability and deepening the understanding of this impact through experimental analysis. NH Park [18] investigated the behavior of double-layer tunnels under different groundwater conditions, analyzing the implications of these variations on anti-flotation design and providing insights into the crucial role of water level defenses in the stability of complex structures. H Kim [19] reviewed the buoyancy effects on double-layer tunnels during operation and discussed the importance of anti-flotation design and defense water levels, highlighting the necessity of maintaining structural safety during continuous operation. W Sun [20] assessed the response of tunnels to fluctuations in groundwater levels experimentally, analyzing the specific impact of defense water levels on tunnel design. S Luo [21] focused on anti-flotation solutions for deep subway pits, researching the impact of set groundwater levels on project stability and providing valuable guidance for designing large underground projects in areas with complex hydrogeological conditions.
In the field of anti-flotation measure research, Y Liu [17] and colleagues analyzed the impact of groundwater level control on structural stability through experimental analysis, emphasizing the importance of buoyancy reduction measures in anti-flotation design. XJ Zhou [22] studied the anti-flotation design of subway station foundation pits, particularly focusing on the calculation of anti-flotation coefficients and the implementation of measures to enhance the safety of underground projects. YH Huang [23] and others analyzed the application and effectiveness of anti-flotation anchor rods, providing technical methods to enhance the anti-flotation capability of existing structures. X Fu [24] studied the bearing-capacity characteristics of anti-flotation anchor rods in unsaturated soil based on Mindlin’s solution, providing a scientific basis for the further application of anti-flotation technology.
These achievements have not only filled research gaps in the design field but also provided practical calculation methods and design standards. They have facilitated the exploration and validation of new technologies and materials, playing a crucial role in ensuring the stability and safety of underground structures.
This paper first investigates the various factors affecting basement uplift and their impact on the stability of underground structures, then explores key methods for stability verification calculations and techniques for assessing anti-flotation design water levels. Finally, it discusses various anti-flotation measures and methods for reinforcing and repairing underground structures. The significance of these studies lies in providing more precise and practical calculation methods, promoting improvements to existing design standards and specifications, and exploring and validating new anti-flotation technologies and materials. Through these efforts, it is possible to more effectively address the challenges of basement anti-flotation design, ensuring the long-term stability and safety of underground structures.

2. Mechanisms and Forms of Basement Uplift Damage

In the design of basement anti-flotation engineering, understanding the mechanisms and forms of uplift damage is crucial for ensuring structural stability. This section delves into the mechanisms of uplift damage faced by underground structures, as well as the forms of damage caused by these mechanisms.

2.1. Uplift Damage Mechanisms

Geotechnical bodies are composed of mineral particles, interspersed with voids or fractures of varying sizes, within which the water present is known as groundwater. This groundwater is continually replenished and circulated within the geotechnical body through natural processes such as precipitation and surface water infiltration, as well as human activities like irrigation and water injections during construction. The fluctuation of groundwater levels (water table) reflects changes in the groundwater content within the geotechnical body, which directly impacts the stability of underground structures.
The buoyant force exerted on underground structures is primarily generated by groundwater. When the groundwater level rises, it increases the hydraulic pressure beneath the basement slab, creating an upward buoyant force. In geotechnical bodies with high permeability, the pore-water pressure can be considered hydrostatic, meaning that the buoyant force acting on the underground structure is equivalent to the weight of the displaced groundwater volume. However, in less-permeable geotechnical bodies, the pore-water pressure may differ from the hydrostatic pressure, resulting in greater buoyant forces on the basement slab and affecting its stability.

2.2. Forms of Uplift Damage

Based on the extent and distribution characteristics of buoyant forces affecting underground structures, uplift damage can be categorized into the following forms:
(1)
Local Uplift
When the buoyant force of groundwater reaches a certain level in a specific area, it can cause localized structures such as basement slabs, tension piles, or anti-flotation anchor rods to crack or displace due to insufficient load-bearing capacity, even though the overall weight of the structure is sufficient to counteract the uplift force.
(2)
Partial Overall Uplift
Even when the total weight of a building structure is sufficient to resist the buoyant force of groundwater, the anti-flotation capacity of specific local areas (such as the basement beneath a podium) may be inadequate, leading to uplift damage in those areas, typically accompanied by slab cracking.
(3)
Total Uplift
The entire weight of the building structure is insufficient to counteract the buoyant force of groundwater, resulting in the whole structure experiencing vertical displacement or tilting. In such cases, although the structure moves as a whole, uneven structural rigidity or inconsistent lateral friction from exterior walls may also lead to severe damage to structural components.
Understanding the mechanisms and forms of uplift damage in underground structures is crucial for effective anti-flotation design of basements. This knowledge helps ensure structural safety and stability during the design phase. By thoroughly analyzing the interactions between groundwater and geotechnical bodies, and how buoyant forces affect underground structures, engineers can better assess and mitigate potential uplift risks, ensuring the long-term stability and safety of underground projects. Additionally, understanding the forms of uplift damage enables the implementation of specific design and construction measures appropriate to different situations, thus effectively preventing or mitigating uplift damage.

3. Factors Influencing Basement Uplift

Basement uplift is the result of a complex interplay of multiple factors, including construction, design, supervision, and more. Below, we focus on discussing how these factors influence basement uplift.

3.1. Construction Factors

During the construction of underground structures, dewatering measures are typically implemented to control groundwater levels and ensure structural safety. These measures continue after the basement structure is capped, until the backfilling of the overlying soil layers is completed. However, in practical engineering, to accelerate the construction schedule and enhance economic benefits, construction teams might prematurely stop dewatering before the backfill is fully in place. This practice can compromise anti-flotation safety conditions during the construction phase, thereby objectively increasing the risk of anti-flotation incidents. Therefore, it is crucial for the construction party to strictly control the dewatering process to ensure the safety and stability of the structure.
Taking a large residential project in Beijing as an example [25], during the construction process, the construction unit prematurely stopped the dewatering measures before the backfill height of the overburden on the roof reached the design requirements. This led to an abnormal rise in groundwater levels during the rainy season, ultimately causing the foundation slab to uplift. Additionally, due to insufficient anti-flotation safety factors left in the design, the optimization of the basement design resulted in reduced section sizes of structural components and no surplus in permanent loads, leading to safety incidents during construction. The emergency measures taken to address the existing anti-flotation issues included drilling holes in the foundation slab to reduce water pressure, replacing the top-fill material, and using heavier backfill materials to ensure the structural overburden. For affected structural columns, minor cracks were sealed with epoxy resin injection, while severe cracks were reinforced with steel plates or by increasing the section size. These series of emergency measures not only prevented further damage to the structure but also provided important lessons for similar projects, highlighting the importance of continuing dewatering measures until the overburden is fully backfilled to ensure the long-term safety and stability of the structure.

3.2. Design Factors

When designing, sufficient safety margins are often not allocated. For instance, the buoyant force of groundwater should be fully calculated, and impermeable soil layers should not be discounted. Designs should be based on a W/FW ratio greater than 1.05, rather than adhering to the W/FW > 1.0 requirement found in some regional standards. Additionally, the design process must consider the difficulties associated with construction drainage, such as urban flooding, and prompt construction units to prepare contingency plans accordingly.

3.3. Supervision Factors

Supervisory bodies must have a thorough understanding of basement anti-flotation. When the supervisory unit lacks sufficient awareness of the severity of groundwater impacts on the project, it is inadequate in fulfilling its role to ensure that construction teams adhere to the design specifications.

3.4. Structural Factors

When the dead load from the weight above the basement is insufficient, such as when the basement ceiling is not promptly covered with soil, the upper dead load may not be enough to counteract the buoyant force acting on the basement. This can result in localized upward arching deformation of the basement slab.

3.5. Hydrological Factors

When construction begins with site excavation, if this results in damage to the surface water drainage system, combined with human activities that further develop fractures in the bedrock, atmospheric precipitation shifts from surface drainage to predominantly vertical flow along bedrock fractures. This leads to increased infiltration of surface water, intensifying the risk of basement uplift.

4. Anti-Flotation Design Concepts and Stability Verification Calculations

In anti-flotation design and stability verification of underground structures, ensuring the stability of basements under various hydrogeological conditions is crucial. This involves a phased design approach, including three main stages: ensuring no cracking at normal water levels, no damage at design water levels, and no flotation at extreme water levels, aimed at safeguarding the stability and safety of the basement under different water conditions. Additionally, the stability verification calculation is a key component of underground engineering design. It encompasses both overall and local anti-flotation efforts, intended to ensure that the entire structure and its specific parts can resist the buoyant forces of groundwater, thus preventing damage or deformation. Through meticulous design and verification, the safety and durability of underground structures can be effectively enhanced.

4.1. Anti-Flotation Design Concepts

In the design of basement anti-flotation measures, adopting appropriate methods to ensure stability under various hydrogeological conditions is essential. The anti-flotation design can primarily be divided into three main stages: “No cracking at normal water levels”, “No damage at design water levels”, and “No flotation at extreme water levels”. These stages are strategically planned to ensure the stability and safety of the basement under varying water level conditions.
No cracking at normal water levels: This stage of design focuses on the structure’s ability to resist cracking and deformation under normal water level conditions. The emphasis is on the durability calculations for various components, including tension piles and anchor rods. This ensures that the structure remains intact and functional under typical hydrogeological conditions encountered throughout the year.
No damage at design water levels: In this stage, the design focus shifts to the strength of the structure under designated defense water levels, ensuring that the structure remains undamaged at these levels. This involves reinforcing the structure to withstand potential increases in hydrostatic pressure and other stresses induced by higher than normal water levels, as determined by risk assessments and regulatory guidelines.
No flotation at extreme water levels: The final and most critical stage is the critical anti-flotation design under extreme water level conditions. This stage of the design ensures that even in the event of extreme water levels, the structure will not experience uplift. This involves comprehensive engineering measures to enhance the weight of the structure or effectively anchor it down to prevent any potential uplift, providing a robust safeguard against the highest anticipated water levels.
This phased design approach not only demonstrates a deep understanding of basement anti-flotation issues but also reflects a comprehensive consideration of the actual variations in hydrogeological conditions. It is the core philosophy of anti-flotation design, ensuring that each phase addresses specific challenges presented by different water level scenarios, thus providing a tailored and robust solution to maintain structural integrity under all conditions.
Since we cannot display images, we will describe how to structure a flowchart for the anti-flotation design process. Here is a guideline to organize the flowchart (Figure 1):
The stability verification calculation for anti-flotation of underground structures is a crucial component in underground engineering design, directly related to the safety and durability of the structure. This verification process is divided into two important parts: overall anti-flotation and local anti-flotation. Overall anti-flotation stability focuses on whether the structure as a whole can resist the buoyant forces of groundwater, while local anti-flotation stability concentrates on specific parts of the structure, such as the slab or beam-column joints, to ensure that these areas do not suffer damage or deformation due to excessive local buoyant forces. Next, we will explore the verification methods for these two aspects in detail, as well as how to effectively apply these principles in practical engineering to ensure the anti-flotation safety of underground structures.

4.2. Overall Anti-Flotation Verification

The importance of overall anti-flotation verification in underground structure design cannot be underestimated. This process is a crucial step in ensuring the overall stability and safety of underground buildings under the buoyant forces of groundwater. The core purpose of overall anti-flotation verification is to assess and ensure that the total weight of the underground structure is sufficient to counteract the uplift forces caused by groundwater, thereby preventing any movement or flotation of the entire structure.
For simple buoyant force scenarios, the overall anti-flotation stability of the basement should satisfy the following equation:
G k N w , k = K w
In the equation, Gk represents the sum of the building’s self-weight and additional dead loads (kN); Nw,k is the value of the buoyant force; Kw is the safety factor for anti-flotation stability.
The buoyant force of the basement Nw,k is calculated as follows:
N w , k = γ w h × A × 1.1
In the formula: γw is the unit weight of water, taken as 10 kN/m3; h is the height submerged in groundwater; A is the area of the basement column grid.
For determining the safety factor for anti-flotation stability, it can be assessed according to Table 1.
This simple and straightforward formula emphasizes the importance of considering overall anti-uplift measures during the design phase to ensure the safety and stability of underground structures under various conditions, thereby preventing potential structural damage and economic losses.

4.3. Local Anti-Uplift Verification

In the design of underground structures, local anti-uplift verification is a crucial step. Unlike overall anti-uplift verification, it focuses on key parts of the underground structure, such as the base slab or beam-column joints, to ensure that these areas can effectively resist the buoyancy of groundwater. This local verification is particularly critical in cases where there are special requirements in the structural design, such as missing floors in the upper structure, large areas of missing floor slabs, or multiple towers of different heights distributed over the podium structure.
In these complex design scenarios, local anti-uplift stability may be influenced by various factors. Therefore, detailed local isolation body anti-uplift stability verification should be conducted based on the partitioning of the upper structure loads, different foundation types, the layout of settlement joints, and the setting of post-pouring belts during construction. The purpose of this local verification is to ensure that even in a specific part of the structure, its anti-uplift stability is maintained, preventing structural damage due to excessive local buoyancy. For this purpose, local anti-uplift stability is usually calculated according to a specific formula, generally as follows:
K f = W A F K
In the formula: Kf is the anti-uplift coefficient of the calculated area; ∑W is the total standard value of the anti-uplift force in the calculated area (kN); A is the area of the base slab in the calculated area (m2); ∑F is the standard value of the buoyant force acting on the base slab in the calculated area (kN/m2); K is the safety factor for anti-uplift stability.
In summary, local anti-uplift stability verification plays an extremely crucial role in the design of underground structures, especially when there are special structural requirements in the design. By carefully considering the partitioning of upper structure loads, distinguishing different foundation types, the layout of settlement joints, and the setting of post-pouring belts during construction, we can more accurately verify local anti-uplift stability. This local verification not only supplements the overall anti-uplift verification but also ensures that no damage will occur due to excessive buoyancy in specific parts of the structure.

4.4. Application Example: Guangyuan City Project

This engineering case occurred in the basement of a slope building in Guangyuan City, Sichuan Province [26]. The planned land area is approximately 90,000 m2, with four main buildings, 20–26 stories above ground, with heights ranging from 62.85 to 80.20 m, and two basement levels, with heights of 4.05 to 5.15 m. The residential buildings feature a fully cast-in-place frame-shear wall structure with a raft foundation. The basement is constructed from fully cast-in-place concrete and utilizes a design with independent foundations under columns + water-resistant slabs. The thickness of the basement’s water-resistant slab is 400 mm.
The main forms of groundwater storage in this project are upper layer stagnant water and bedrock fissure water. The upper layer stagnant water is stored in a silty clay layer, while the bedrock fissure water is stored in the weathered fissures of mudstone and sandstone layers. The annual water level measurements indicate an initial water level burial depth between 3.50 and 10.00 m, without a unified free water surface. The extreme water level refers to the elevation of a 50-year flood level at 478.29 m near the Jialing River. Under annual water level conditions, the focus is on ensuring the structure’s crack resistance and deformation capability, with a particular emphasis on durability verification. Under the defense water level, the focus is on ensuring the structure’s strength to prevent damage. Critical anti-flotation design under extreme water levels is carried out to ensure that the structure does not uplift.
First, the stability against flotation is verified. The first step involves calculating the buoyant force of the basement Nw,k using Formula (2), where h is taken as the water column at 2.6 m during pressure relief, and A is taken as 7068 m2. This calculation yields a buoyant force for the basement Nw,k of 202,144.8 kN. The permanent load above the basement, including the overburden on the basement roof and the structural self-weight, is calculated based on the actual conditions of the project, and the permanent load values for various parts of the basement are as follows:
  • The self-weight of the soil overburden on the roof slab G1 is 156,909.6 kN.
  • The self-weight of the floor slab G2 is 106,020.0 kN.
  • The self-weight of the columns G3 is 75,036.0 kN.
  • The self-weight of the cushion layer G4 is 16,963.2 kN.
Thus, the total weight of the basement structure Gk = G1 + G2 + G3 + G4 = 339,928.8 kN.
According to Formula (1), the anti-flotation stability safety factor Kw is calculated to be 1.682. Referring to Table 1, it is evident that the overall anti-flotation of the basement meets the design specification requirements. However, since the soil overburden was not timely applied during the construction of two of the buildings, the self-weight of the roof slab overburden G1 should not be included when calculating the anti-flotation stability safety factor k for that area. At that time, the total weight of the underground structure Gk = G1 + G2 + G3 + G4 = 183,019.2 kN. Consequently, the anti-flotation stability safety factor k is 0.905. Referring to Table 1, it is determined that this value does not meet the specification requirements for anti-flotation stability.
At this point, it is understood that the primary cause of the anti-flotation failure was the delay in applying soil overburden on the basement roof, resulting in insufficient top self-weight load to counteract the buoyancy experienced by the basement. Additionally, the construction of a road in the northern part of the site altered the original hydrogeological conditions, shifting the drainage method of atmospheric precipitation from surface runoff to predominantly vertical infiltration along the bedrock layer. The delay in covering the basement roof with soil and the “water basin effect” of the excavation are the direct causes of the anti-flotation failure.
In response to the anti-flotation issues identified, timely measures were implemented in the project, including covering the basement roof with soil, installing drainage blind ditches and relief wells, as well as implementing water barrier treatments for the excavation fat trenches. These remedial measures effectively resolved the anti-flotation issues of the basement and also provided a reference for similar engineering projects.

5. Anti-Uplift Design Water Level

In the design of basement projects, determining the anti-uplift design water level is a critical step that plays a decisive role in ensuring the stability and safety of the structure. The anti-uplift design water level refers to the groundwater level that may generate buoyant forces on the basement slab. This parameter directly affects the anti-uplift design and construction of underground structures. Therefore, a thorough understanding of the evaluation standards and methods for the anti-uplift design water level is fundamental and necessary for any engineering project involving underground spaces. Next, we will introduce in detail the definition of the anti-uplift design water level and how to select an appropriate anti-uplift design water level.

5.1. Definition of Anti-Uplift Design Water Level

The definition of the anti-uplift design water level is as follows: to meet the safety requirements for anti-uplift measures of underground structures and to ensure the technical and economic rationality of the anti-uplift design. Based on site hydrogeological conditions, long-term groundwater observation data, and regional experience, the highest possible groundwater level that the underground structure may encounter during the construction period and service life is predicted. This level is used for designing the maximum buoyant force calculated based on hydrostatic pressure acting on the foundation of the underground structure.
It is also required to “provide the design water level used for calculating groundwater buoyancy”. Before the foundation design, a hydrogeological survey must be conducted. This means that a detailed geotechnical investigation is necessary to provide the design and anti-uplift water levels for the basement.
Therefore, correctly assessing and determining the anti-uplift design water level is a crucial step in the design of underground structures. It not only ensures the stability and safety of underground structures under various hydrogeological conditions but also is vital for achieving the technical and economic rationality of the design. Adhering to the requirements of geotechnical investigations and relevant standards, conducting a comprehensive hydrogeological survey ensures that we can accurately predict and respond to potential groundwater level changes, thus providing a solid foundation for the long-term stability and safety of underground structures.

5.2. Selection of Anti-Uplift Design Water Level

In basement project design, the selection of the anti-uplift design water level is a complex and critical process that requires determining the appropriate water level for different projects and working conditions.

5.2.1. Basements of High-Rise Buildings

In the design of basements for high-rise buildings, the considerations for anti-uplift issues vary across different stages of the building’s lifecycle. After completion, the heavy weight of the superstructure directly acting on the basement usually prevents anti-uplift problems. However, the situation is entirely different during the initial stages of the underground structure’s construction. At this time, although the base slab and external walls have been cast, the basement roof and overlying soil have not yet been constructed. This may cause loose soil with a high permeability coefficient to accumulate around the basement, leading to strong buoyant forces when groundwater gathers.
In this initial stage of construction, the determination of the anti-flotation design water level needs to consider the duration of the construction period. If the construction of the basement is expected to be completed within two years, the calculation of the temporary anti-flotation design water level can be based on the highest groundwater level within a hydrological year. Conversely, if the construction period is expected to exceed three years, the highest groundwater level recorded in the past five years should be considered. The adoption of this strategy aims to ensure the anti-flotation safety of the underground structure at different stages, while also considering the technical and economic feasibility. The anti-flotation water levels are as follows in the table below (Table 2):
In the basement design of the high-rise building Tianjin Kerry Centre [27], considerations regarding anti-flotation issues vary across different stages of the building’s lifecycle. The project site’s underground structure includes multiple layers of cohesive soil and silt soil, which, under conditions of groundwater accumulation and surface water recharge, pose potential risks to the anti-flotation safety of the basement.
During the initial phase of the underground structure’s construction, even though the base slab and outer walls have been cast, the roof slab and overburden are not yet constructed, which may lead to the accumulation of loose soil with high permeability around the basement. This can form strong buoyant forces when groundwater gathers. At this initial construction phase, the determination of the anti-flotation defense water level must consider the duration of the construction period. If the construction cycle of the basement is expected to be within two years, the calculation of the temporary anti-flotation defense water level can be based on the highest groundwater level within a hydrological year; if the construction period is expected to exceed three years, then the highest groundwater level recorded within the past five years should be considered.
Based on the specific circumstances of the project and the methods provided in Table 2, the groundwater level observation data for the Tianjin Kerry Centre are as follows:
  • The highest water level without long-term observation data is 0.60 m.
  • The highest water level during a hydrological year, considering only the basement construction period for anti-flotation, is 0.40 m.
  • The highest water level near the Haihe River is 1.50 m.
  • The water level from seepage analysis tests influenced by slightly artesian water is 0.90 m.
  • The free water surface level in the fat trench is 1.20 m.
Among all water level values, the most disadvantageous, which is the highest anti-flotation water level, is taken as 1.50 m. This value ensures the safety of the underground structure during different construction phases and subsequent operational periods, while also considering technical and economic feasibility.

5.2.2. For Basements with Light Loads above or Plaza-Style Pure Basements

When considering the anti-flotation design of basements, particularly for those with light loads above or plaza-style pure basements, special attention needs to be paid to the long-term anti-flotation design water levels during the building’s lifespan. The determination of this water level is crucial for ensuring the stability of the underground structure throughout its service life. In the absence of long-term observational data, the stable water level heights determined during the survey become key references for setting the anti-flotation design water level. Additionally, a comprehensive consideration of the site’s topography, groundwater recharge conditions, and the drainage conditions of surrounding municipal roads is vital for an accurate assessment of the anti-flotation water level.
Under normal circumstances, the anti-flotation design of basements does not consider the buoyancy caused by water stagnating in upper layers, mainly because such stagnation is typically temporary, with poor connectivity, lacking a sustained free water surface, and its distribution is unstable. However, if there is a hydraulic connection between confined water and groundwater at the site, it becomes necessary to measure the water level of the confined water. In such cases, using seepage analysis methods to determine the anti-flotation design water level of the basement becomes particularly important. This analysis helps designers evaluate the buoyancy forces that the underground structure might encounter under the most adverse conditions and devise appropriate anti-flotation strategies accordingly.
Taking a project in Jiangxi Province as an example [28], the building structure includes one basement level and three 33-story frame-shear wall structures, with a basement construction area of 10,817 square meters. The project is situated in a complex geological environment, where the groundwater is primarily composed of phreatic water and upper stagnant water, posing significant challenges to the structural stability of the basement.
In the anti-flotation design of the basement, it is particularly important to focus on the long-term anti-flotation defense water level during the building’s usage period. In the absence of long-term observation data, the project comprehensively considered the stable water level height obtained from surveys, site topography, groundwater recharge conditions, and the drainage conditions of the surrounding municipal roads to accurately assess the anti-flotation water level. Although buoyancy caused by upper stagnant water is usually not considered, due to the hydraulic connection between artesian water and phreatic water at this site, the project team measured the artesian water level and used seepage analysis methods to determine the anti-flotation design water level.
During the initial stages of construction and operation, there were occurrences of heaving due to the basement roof and base slab not being covered with soil, and cracks were observed in some frame beams and columns. Analysis indicated that these structural issues were primarily caused by increased buoyancy due to the rising groundwater level. To address this issue, the project team implemented the following measures:
  • Implemented dewatering measures around the basement, utilizing drainage holes set in the basement floor to quickly lower the groundwater level.
  • Excavated the loose backfill soil around the basement and replaced it with layered compacted clay and lime soil to improve water drainage efficiency.
These measures effectively controlled the heaving and cracking issues in the basement, restoring its structural stability and functionality.

5.2.3. Basements Adjacent to Riverbanks

In the anti-flotation design of basements, especially when the project site is adjacent to riverbanks, determining the water level must consider the hydraulic connection between surface water flows and the groundwater in the soil around the basement excavation. In such cases, the selection of the anti-flotation design water level should carefully consider adverse factors, particularly the highest water levels that the adjacent surface rivers might reach. This consideration is based on safeguarding against the risk of uplift in extreme hydrological conditions, ensuring the safety and stability of the structure.
In certain extreme scenarios, such as when floods exceed ground elevations or when rainwater accumulates in low-lying areas due to topographical features, basements may face higher buoyancy risks. In these situations, basements may temporarily become catchment areas for water, colloquially known as the “basin” phenomenon. To address such extreme cases, the determination of the anti-flotation design water level should reach the outdoor ground level to provide a sufficient safety margin. This practice aims to prevent potential uplift issues caused by unusually high groundwater levels and serves as a precautionary measure to ensure the long-term safety and stability of underground structures under varying hydrological conditions.
Taking a project in the Jinshan Development Zone of Nantai Island, Fuzhou, as an example [29], it is located in a riverside plain area and involves multiple residential and commercial buildings. The surveyed site, in terms of geomorphological units, belongs to a marine-accumulated plain with an original ground elevation ranging from 5.60 to 7.50 m, featuring flat and open terrain. The shallow soil layer conditions of the site are as follows:
  • Miscellaneous fill, with a thickness of 1–2 m in most areas.
  • Silt, plastic, with a thickness of 1–2 m and a layer bottom depth of approximately 2–3 m.
  • Coarse sand, moderately dense, with a thickness of 10–20 m and a layer bottom depth of approximately 15–23 m.
  • Mud, with a layer bottom depth of approximately 25–30 m.
The groundwater at the site is mainly phreatic water, stored in the coarse sand layer. This layer is thick and belongs to a highly water-bearing aquifer group, characterized by good permeability and water abundance, with a stable water level elevation of 4.00 m. The site is located 300–500 m northwest of the riverbank, where flood influence can raise the water level to the surface, with an elevation of 7.50 m. The groundwater and river water exhibit a complementary relationship. The middle and lower coarse sand aquifer group contains artesian water, with a stable water level elevation of 2.90 m. Due to the low permeability of the silt and silty clay within the site, a relatively impermeable layer is formed, resulting in a poor vertical hydraulic connection between the phreatic water and the artesian water.
Within the excavation depth of the foundation pit, the strata mainly consist of plain fill and silt, with coarse sand layers extending only 0.1–0.5 m into the depth. The aquifer affecting the excavation is the upper coarse sand phreatic water, with a normal water level elevation of 4.00 m and a typical water level fluctuation range of 1–2 m. The water level is 2–3 m below the excavation depth, meaning groundwater does not impact the excavation. Before the site was filled, the original ground had been flooded, with a historical highest water level elevation of 7.50 m, slightly higher than the basement floor elevation of 7.10 m. The highest water level elevation in the past 3–5 years has been 6.70–7.00 m. Considering the site’s susceptibility to flooding, the design anti-flotation water level for the building can be set at the historical highest water level, with an elevation of 7.50 m.

5.2.4. For Basements Built along Slopes

For basements built along slopes, the groundwater level line varies with the slope, often creating water level differences at high and low terrain points. Such basements situated on slopes typically experience non-uniform loads on the basement slab due to hydrostatic pressure caused by water seepage. Generally, the anti-flotation water levels must be set differently for each area, depending on the ground surface elevations and the elevations of the basement floors.
Considering the complexity of groundwater seepage in sloped terrain, the groundwater head calculation model under rainfall conditions was derived and improved using seepage principles, as shown in Figure 2. In this model, Hu and Hd are the heights (in meters) of the backfill soil surface on the upstream and downstream sides of the foundation pit, respectively. hd is the water level height on the downstream side of the foundation pit. L is the distance from the outer wall of the basement on the downstream side of the foundation pit to the upstream edge of the foundation pit. hmax is the maximum head value.
Accordingly, the formula for calculating the maximum head of the basement foundation pit in sloped terrain under the most unfavorable conditions is given as follows:
h max = H u H d
The analysis of the range of values for the maximum head is as follows:
Δ h = H d H d + H Δ + H d H Δ < H Δ a = H u H d 2
Therefore, the maximum head value is as follows:
H d < h max < H u + H d 2
That is, the maximum head is between the elevation of the downstream backfill soil surface and half the sum of the elevations of the upstream and downstream backfill soil surfaces.
Taking the Qingdao Laoshan Civic Cultural Center as an example [30], it is located on the north side of Xianxialing Road in Laoshan District, east of the Laoshan District Government. The main geomorphology of the site includes granite erosion residual hills and partially artificial backfilled gullies, with terrain sloping from northeast to southwest. The excavation depth of the foundation pit is 15.77 m upstream and 5.07 m downstream, with shotcrete sidewall support used to prevent collapse. The foundation-bearing layer consists of slightly or moderately weathered granite, and all building foundations use independent footings and waterproof slabs.
During the construction period, according to Formula (5):
h max = H u H d = 15.77 × 5.07 = 8.94   m
Simultaneously satisfying Formula (5), 5.07 < hmax < 10.42, the calculated maximum head upstream of the foundation pit is 8.94 m, while the most unfavorable anti-flotation water level for the downstream outdoor ground is 5.07 m. The difference between the two is 3.87 m, indicating a severe lack of bearing capacity. Especially under extreme conditions such as heavy rain and flash floods, the project faces the risk of uplift failure.
Therefore, to mitigate the risk of uplift failure, the construction team implemented additional anti-flotation measures, including discontinuing the use of weathered sand and cement for outdoor backfill soil, and installing concealed drains around the retaining walls to reduce water infiltration into the foundation pit. Additionally, anti-flotation anchor rods were added to reinforce the structure. These supplementary measures effectively ensured the stability of the structure.

5.2.5. The Impact of Basement Backfill on Anti-Flotation

In basement construction projects, the choice and method of backfilling significantly affect the overall stability and waterproofing performance of the underground structure. Ideally, the backfill around the basement should preferably consist of cohesive soil, as it has lower permeability compared to other types of soil. During construction, it is generally required that the backfill soil be compacted in layers to ensure its density and uniformity. However, in practical construction scenarios, it is common to use miscellaneous fill for backfilling, often without strict control.
This loose and arbitrary backfill practice may lead to an increased permeability of the soil surrounding the basement, especially under conditions of heavy rainfall, which can cause the soil around the basement to become saturated, making the basement appear to be submerged in water. In such cases, if effective drainage measures are lacking, the determination of the anti-flotation water level should be based on the free water surface, regardless of the type of groundwater. This underscores the importance of the strict management of the choice and construction quality of backfill soil in the design and construction of basements, to ensure the long-term stability and waterproofing performance of the underground structure.

5.3. Technical System for Anti-Flotation Water Level Analysis Methods

In engineering practice, the establishment of a technical system is crucial for the concrete implementation and application of anti-flotation water level concepts and methodologies. Although China has a rich array of specific engineering cases in anti-flotation water level analysis, there remains considerable divergence in the basic understanding and methodology, leading to the adoption of analysis methods tailored to specific situations. This results in a lack of a unified and standardized technical system in most regions. To address this issue, in recent years, various regions have begun to explore and implement different technical systems, particularly the site-specific method and the regional method. The application of these two methods not only promotes diversification and optimization of methodologies but also aids in advancing the standardization and uniformity of engineering design. With the continuous development and refinement of these technical systems, it is expected that they will provide a broader and deeper understanding of anti-flotation water level analysis and engineering practice in the future, thereby effectively enhancing the quality and efficiency of engineering design.

5.3.1. Site-Specific Method

First, predict the site’s highest water level using a water level prediction method based on macro data inversion. Then, use a vertical one-dimensional seepage pore-water pressure distribution model to analyze the maximum water head (pore-water pressure) at different depths within the construction site. This method is suitable for individual buildings; hence, it is referred to as the “site-specific method”. For larger underground projects (such as subways), the site-specific method involves a substantial amount of analysis work, and it is challenging to maintain coherence of the analysis results spatially. Moreover, this method lacks adaptability to changes in some critical conditions.

5.3.2. Regional Method

This method is based on a regional three-dimensional transient groundwater flow model, hence it is called the “regional method”. It directly implements the concept of three-dimensional anti-flotation water levels.
The basic approach of the regional method involves using the latest regional groundwater level monitoring data input into a regional three-dimensional transient flow model to predict the highest water head (or maximum pore water pressure) at any point in space. This predicts the highest water head (or pore water pressure) at the base of the structure, thereby facilitating anti-flotation water level analysis. This method is universally applicable and highly practical.
The regional method is currently a relatively scientific and unified approach, but it requires a large amount of data to continually improve and maintain the numerical model.
In the design of basement projects, accurate assessment and selection of anti-flotation design water levels are crucial for the stability and safety of the structure. By applying technical systems such as the site-specific method and regional method, anti-flotation water levels can be analyzed and predicted more precisely, providing a solid scientific foundation for anti-flotation design. As these methods continue to develop and improve, the design of basement projects will become more reliable and efficient.

6. Anti-Flotation Measures

In basement engineering design, implementing effective anti-flotation measures is crucial for ensuring the stability and safety of the structure. Common methods include adding dead weight, using tension piles, and anti-flotation anchor rods, among others. Next, we will delve into the detailed implementation and applicability of these methods.

6.1. Adding Dead Weight Method

The adding dead weight method resists buoyant forces by increasing the structure’s own weight and adding fill. This can be done by loading the basement roof or the basement floor [31].

Roof Loading

First, increasing the soil cover thickness: This method increases the burial depth of the basement, accordingly increasing both the hydrostatic pressure and structural stress, necessitating enhanced structural reinforcement. Due to its low cost-effectiveness, this approach is generally not commonly used unless under special circumstances.
Next, thickening the ceiling upward: Although this method does not change the basement’s burial depth, because the increase in ceiling thickness coincides with a corresponding decrease in soil cover thickness, and their weights are similar, the effect on balancing hydrostatic pressure is not significant. Furthermore, water and electrical conduits are usually arranged on the ceiling, and these conduits have specific requirements for soil cover thickness, limiting the effectiveness of ceiling thickening.
Lastly, thickening the ceiling downward: This approach is directly used to balance hydrostatic pressure, which has a clear effect, but it increases the stress on various components of the basement structure and the necessary reinforcement, which may lead to inadequate thickness of the base plate and insufficient foundation-bearing capacity.
In practical applications, there have been multiple successful cases addressing uplift issues caused by the self-weight of structures being less than the buoyancy from groundwater [32]. For example, the wastewater retention pond at the Ligang Power Plant in Jiangsu had an original slab thickness of 500 mm. After an uplift incident, the issue was successfully countered by water preloading and increasing the slab thickness to 850 mm. Another example is a discharge pond at the Zhongyuan Oilfield, which experienced an uplift incident with a slab thickness of 500 mm. The problem was effectively mitigated by extending the bottom slab by 0.5 m to bear the weight of the backfill soil on the extended portion, thereby increasing the anti-flotation capacity.
These examples demonstrate that traditional methods of increasing the self-weight of structures can effectively solve uplift problems. However, during the construction phase, it is essential to prevent uplift incidents caused by uncompleted base slabs during heavy rain. Additionally, while increasing the overburden or slab thickness can effectively counteract buoyancy, it also proportionally increases the acting buoyant force. Therefore, careful consideration of this balance is necessary during the design phase.

6.2. Anti-Lift Pile Method

In basement anti-floatation design, the anti-lift pile method is a commonly used and effective approach. It primarily counters the buoyancy of the basement by increasing the friction between the piles and the surrounding soil. For example, the Guangdong Olympic Stadium used prestressed pipe piles as uplift-resistant piles; the Luohu New Yintai Plaza employed a combination of manually excavated piles and anchor rods for anti-flotation measures [32]. The core of this method lies in utilizing the pile’s lateral resistance, rather than the pile’s end resistance, to provide the necessary anti-lift capability. Next, we will explore the performance of anti-lift piles, including standards for anti-lift pile design, discussions of pile lateral resistance, and investigations into the performance of anti-lift piles.

6.2.1. Anti-Lift Pile Design Calculation

Verification of the standard value of the ultimate bearing capacity of a single pile, when not failing as a whole, can be calculated using the following formula:
T u k = λ i q s i k u i l i
In the formula: Tuk is the standard value of the ultimate bearing capacity of a single pile; ui is the perimeter of the pile body; qsik is the standard value of the adhesive strength of the soil at the pile side surface of the i-th layer; li is the thickness of the i-th layer of soil; and λi is the anti-pull coefficient of the i-th layer of soil.
The characteristic value of the uplift bearing capacity of a single pile can be calculated using the following formula:
N k T u k 2 ,   N k R t
where Nk is the bearing pressure calculated according to the standard combination of load effects, and Rt is the characteristic value of the uplift bearing capacity of a single pile.
After establishing the characteristic value of the uplift bearing capacity of a single pile, the total number of uplift piles required to ensure the stability of the overall structure can be calculated using the following formula:
n S k R t
where n is the number of uplift piles, and Sk is the design value of the standard combination of effects, which can be calculated using the following formula:
S k = S G k + S Q i k + ψ c 2 S Q 2 k + + ψ c n S Q n k
In the formula: SGk is the load effect value calculated based on the standard value of permanent load Gk; SQik is the effect of the standard value of the i-th variable action Qik; and ψci is the combination factor for the i-th variable action Qi, where Qi is the i-th variable action load.
These details reflect the complexity of anti-flotation design in civil engineering, covering aspects from the calculation of the ultimate bearing capacity of individual piles to the determination of the number of anti-lift piles, all based on the latest national standards and technical specifications. This comprehensive calculation method ensures the safety and stability of underground structures when facing the risk of uplift.

6.2.2. Discussion on Pile Side Resistance

In basement anti-flotation design, the core of the anti-lift pile method is to utilize the lateral resistance of the piles, rather than the end resistance, to counteract uplift forces. Research indicates that lateral resistance plays a crucial role when piles are subject to uplift. The lateral resistance of a pile during uplift is typically less than when compressed, and the anti-pull coefficient (i.e., the ratio of lateral resistance to compressed side resistance) generally ranges from 0.44 to 0.85. This coefficient is significantly affected by the pile’s end-bearing ratio, the soil’s shear modulus, and the soil–pile friction angle.
Further research has found that an increase in lateral friction resistance near the pile ends is a common phenomenon, especially when the soil mechanics properties at the pile ends are stronger and harder, making the increase in lateral resistance particularly significant. Moreover, the roughness of the pile side surface and the hardness of the soil at the pile ends also significantly increase the lateral resistance when the pile is compressed.
In practical engineering applications, the bearing capacity of bored piles with mudguard significantly increases after side grouting. This indicates that by improving the structure and construction techniques of piles, the performance of anti-lift piles can be effectively enhanced, thus better addressing the challenges of anti-flotation in basement structures.

6.2.3. Discussion on Anti-Lift Pile Performance

Measures to improve the performance of anti-lift piles can be divided into several key aspects:
The first aspect involves special treatments to the surfaces of precast piles such as prestressed pipe piles, including scoring, roughening, or sand-rolling, to enhance their surface roughness and increase their anti-lift capabilities. Additionally, modifications to the pile structure, such as transforming segmented piles into tooth-shaped piles, can effectively enhance the anti-lift force.
The second aspect involves structural control of prestressed piles, mainly by increasing the amount of prestressing or reinforcement in the core to control cracking, which helps improve the overall stability and durability of the piles.
The third aspect is to enhance the durability and waterproofing of the pile ends. This is usually achieved by increasing the length of the pile ends extending into the cap and designing corresponding waterproofing structures, such as using water stops. These comprehensive measures help enhance the performance of anti-lift piles under various geological conditions.

6.2.4. Application Example: Beijing Residential Project

Taking a high-rise residential project in Beijing as an example [25], the project includes 12 high-rise residential buildings ranging from 12 to 18 stories and a three-story basement, primarily used as a garage and equipment rooms. The design of the underground structure includes a flat slab and an overburden layer, with a top slab overburden thickness of 2 m and a column grid size of 7.9 × 7.9 m. According to the geotechnical report, the absolute elevation of the anti-flotation design water level in this area is 37.000 m, and the relative elevation is −1.000 m. With a raft slab thickness of 500 mm, the anti-flotation head is 12.3 m. The formula for the buoyant force per unit area is as follows:
W = γ × h
where γ is the unit weight of water (typically 10 kN/m3), and h is the anti-flotation head. The calculated buoyant force per unit area W is 123 kPa.
The relevant design parameters are shown in Table 3:
From the overall calculation model of the pure basement, the standard value of the column base reaction under permanent load is 4300 kN. The equivalent surface load of the structural self-weight is q = 81 kPa, and the net buoyant force per unit area of the structure is W0 = 42 kPa. An analysis was conducted on the one-column-one-uplift-pile scheme, based on the actual net buoyant force.
Taking a standard span as an example for the layout of the uplift piles, a single pile under the column scheme is adopted, as shown in Figure 3.
According to the geotechnical report, the standard value for the pile side friction resistance is qsi,k = 58 kPa. Based on the above load conditions, the buoyant force borne by a single pile is Fw = 2622 kN. The pile length is 37 m, and the pile diameter is 800 mm. Since the soil layer at this depth is sandy soil, λi is 0.5. According to Formula (6), it is known that:
T u k = λ i q s i k u i l i = 2695 kN > F w
Therefore, this scheme is feasible.

6.3. Compression and Anti-Lift Piles

In basement engineering design, compression and anti-lift piles are an effective solution. These piles function as compression piles under upper load conditions and as anti-lift piles to resist upward buoyant forces in hydraulic conditions. Through this design, a single pile can serve dual functions of compression and anti-lift under different conditions, achieving a dual-purpose effect [25].
When the natural ground bearing capacity is insufficient to support the superstructure, these compression and anti-lift piles are typically used to counteract flotation. Under low groundwater conditions, these piles mainly bear the load of the superstructure, while at high groundwater levels, they transition to anti-lift piles to balance the buoyant forces.
On the other hand, when the natural ground bearing capacity is adequate, anti-lift anchors with reliable anti-lift bearing capacity may be used for flotation resistance. Depending on the geotechnical characteristics of the foundation, these anchors are divided into soil layer anchors and rock layer anchors. In cases where the base soil layer is thick, soil layer anchors are commonly used; when the rock layer at the base is shallow, rock layer anchors are preferred. Due to the low cost and quick construction of anti-lift anchors, coupled with long-term engineering applications and a wealth of design research experience, their reliability is ensured, making their use particularly widespread in the flotation resistance of large underground structures.

6.4. Anti-Flotation Anchors

Anti-flotation anchors utilize the adhesive strength between the anchor body and the soil layer to resist buoyant forces. Using anti-flotation anchors is a common method for basement anti-flotation. The construction of anti-flotation anchors is simple and cost-effective. Below is a discussion related to anti-flotation anchors.

6.4.1. Anchorage Length

The anchorage length for anchor rods varies according to different standards. Considering the stress mechanism of anti-flotation anchors, their anchorage length should meet the following three requirements.
First, to control the slippage of the longitudinal reinforcement and prevent excessive cracking and deformation of the base slab, the longitudinal reinforcement must have a certain straight anchorage length within the base slab. According to the “Code for Design of Concrete Structures” [33], it is known that:
L 1 + L 2 0.6 l a b
where L1 and L2 are the straight anchorage lengths of the longitudinal reinforcement on both sides of the base slab, and lab is the basic anchorage length of the tensile reinforcement. For ordinary reinforcement, the basic anchorage length should be calculated using the following formula:
l a b = α f y f t d
In the formula: α is the shape coefficient of the anchored reinforcement, taken from Table 4; fy is the design value of the tensile strength of ordinary reinforcement; ft is the design value of the axial tensile strength of concrete; and d is the diameter of the anchored reinforcement.
Secondly, based on the characteristic value of the uplift bearing capacity of a single rock anchor rod, the anchorage length of the anchor rod is calculated. This is specified in the foundation code as follows:
R t 0.8 π d 1 l f
In the formula: Rt is the characteristic value of the uplift bearing capacity of a single anchor rod, in kN; d1 is the diameter of the anchor rod, in meters; l is the effective anchorage length of the anchor rod, in meters; f is the characteristic value of the bond strength between the grout and the rock, in kPa.
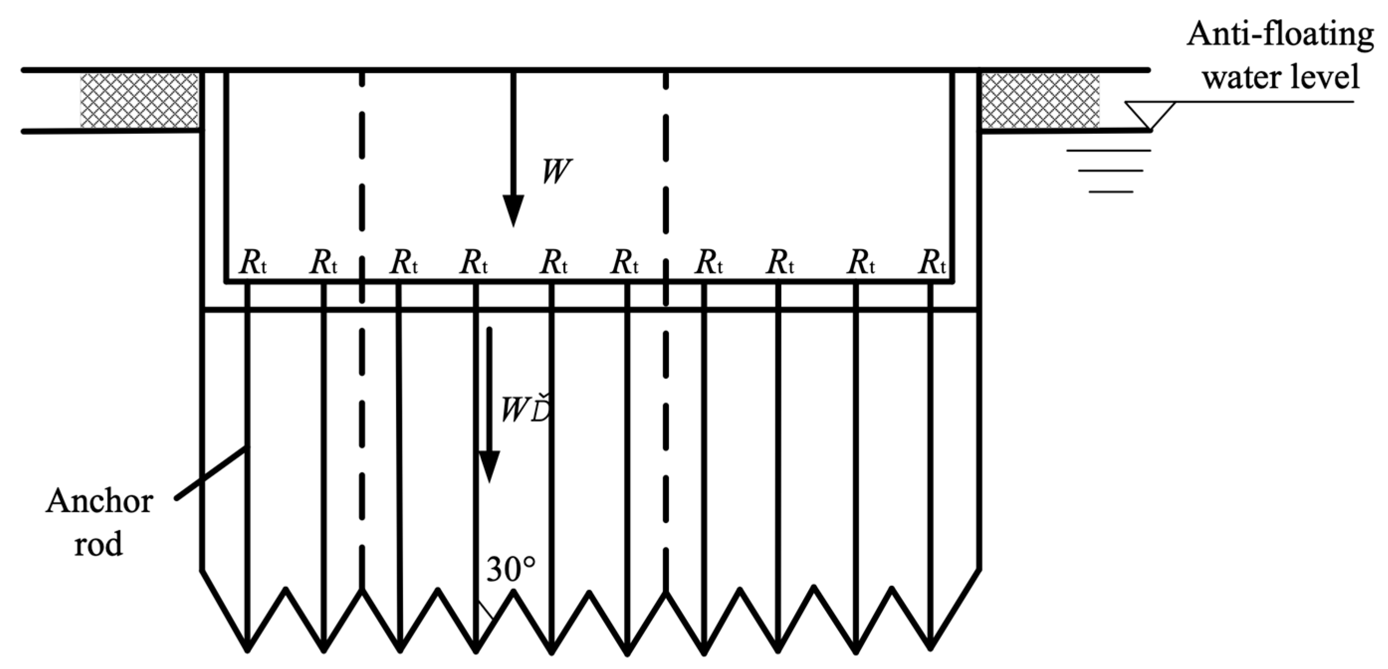
Finally, the overall basement and any specific section must also meet the overall stability requirements of the anchorage body, especially when the integrity of the rock is low (i.e., the rock is fractured or has thin, layered joints) or the rock type is relatively soft. Tearing can easily occur at the 30° position at the bottom of the misaligned rod (Figure 4); therefore, the misalignment length of the rod should be verified according to the stability requirements of the overall basement or any specific section and must satisfy:
W + W F W 1.05
In the formula: W is the total weight of the building in the basement or a specific local area resisting buoyancy (excluding live loads); W′ is the effective weight of the rock within the anchorage range of the basement or a specific local area, with the depth of the anchorage range calculated above the fracture surface at the bottom of the anchor rod, and the planar range calculated based on the envelope area of the anchor rods surrounding the basement, or taken as the median line between the local area’s surrounding anchor rods and adjacent anchor rods; FW is the buoyancy acting on the overall basement or a specific local area.

6.4.2. Anchor Rod Layout

Depending on different circumstances, the layout of anchor rods varies considerably. Below is a discussion of this topic.
(1)
Uniform surface layout
In the design of basement anti-flotation, uniformly distributed anti-lift anchor rods across the surface (as shown in Figure 5 is a common practice, primarily based on the buoyant forces the floor slab must withstand. The advantages of this layout include a broad applicability, promoting a more uniform stress distribution on the floor slab, and requiring less reinforcement. However, it also has its limitations.
One drawback is that this layout does not fully utilize the vertical loads transmitted by the superstructure to offset some of the buoyant forces, which may lead to wasteful design of the anchor rods. Additionally, if the bearing capacity of individual anchor rods is insufficient, there are fewer anchor rods available to share the buoyant force, which may lead to insufficient anti-flotation bearing capacity in localized areas. Therefore, although the uniform surface layout of anchor rods is very effective in certain situations, its potential limitations and risks need to be considered during design.
(2)
Concentrated Point Layout
In basement anti-flotation design, another common practice is the concentrated point layout of anti-lift anchor rods (as shown in Figure 6), which is typically located within independent foundations under columns. This arrangement is similar to the stress conditions of anti-lift piles and has its unique advantages and disadvantages.
On the plus side, the concentrated point layout can effectively utilize the vertical loads transferred by the superstructure to offset some of the buoyant forces. This layout allows the anchor rods to more effectively bear the upper loads, thus reducing the risk of uplift due to buoyant forces.
However, this layout also has its drawbacks. Since the anchor rods are concentrated, the calculated span of the floor slab is larger, which usually results in a relatively greater thickness and amount of reinforcement in the floor slab. Therefore, when using concentrated point layout anti-lift anchor rods, special attention needs to be paid to the bearing capacity and stability of the floor slab design to ensure the overall structural safety.
(3)
Plum Blossom Layout
The plum blossom layout (Figure 7) [34] allows for effective utilization of the vertical loads transmitted by the superstructure to counteract the buoyant forces within the self-balancing area. The misaligned rods are relatively evenly distributed, thus reducing the calculated span of the floor slab, which in turn significantly decreases the bending moments and shear forces the floor slab has to bear. Therefore, in this layout, fewer anchor rods are needed, the floor slab requires less reinforcement, and the thickness of the floor slab is more reasonable.
Specific layout requirements are as follows:
(1)
Calculate the column axial force Fd of the superstructure under permanent load, in kN.
(2)
Calculate the effective water pressure P at the bottom of the base slab, in kN/m2.
P = 10 × W 0 25 × h 0
(3)
Calculate the self-balancing area S that offsets the column axial force Fd under the permanent load condition with the water pressure on the base slab, in m2.
S = F d / P γ
where γ is the safety factor. It is recommended to take a value of 1.5 to increase the anti-flotation safety margin of the structure.
(4)
Calculate the sum of the self-balancing area under each column within the span range of a single column S0, in m2.
S 0 = ( S 1 + S 2 + S 3 + S 4 ) / 4
where S1 to S4 are the self-balancing areas under each column within the span range of a single column, in m2.
(5)
Calculate the required number of anchor rods n within the span range of a single column according to the foundation code requirements.
n = 1.05 × ( b 1 b 2 S 0 ) × P / R t
where b1 and b2 are the column spans in two directions within a single column grid area, in meters.
(6)
Calculate the spacing a of the anchor rod arrangement, in meters.
a = R t / 1.05 P
(7)
Arrange the anchor rods uniformly on the base slab according to the spacing a, as shown in the diagram:
(8)
Considering that the thickness of the independent foundation under the columns is generally greater than the thickness of the base slab, and the base slab is relatively thin, it is recommended to arrange the anchor rods reasonably within the self-balancing area of the base slab to ensure structural safety and functionality. This prevents the lack of anchor rods in this area, thereby avoiding abnormal reinforcement of the base slab due to excessive bending moments in the slab units. The specific design should meet the following requirements:
0.5 S 0.5 S d + a
where Sd is the area of the independent foundation under the columns. When the thickness of the base slab is relatively small, anchor rods can be arranged within the self-balancing area to avoid the absence of anchor rods in the self-balancing area of the base slab, which could lead to excessive bending moments in the slab units and abnormal reinforcement of the base slab.
(9)
During the anti-flotation verification process, check the buoyant force borne by the anchor rods under standard anti-flotation conditions. If the buoyant force exceeds the characteristic uplift bearing capacity, the spacing of the anchor rods should be reduced locally or additional anchor rods should be installed.
(10)
Check the displacement of the columns under standard anti-flotation conditions. If excessive displacement is observed, additional anchor rods should be installed in the independent foundation under the columns to restore normal conditions.
(11)
Examine the calculated reinforcement of the base slab under basic anti-flotation conditions. If there is significant or abnormal local reinforcement, the spacing of the anchor rods should be further adjusted, or additional anchor rods should be installed, to avoid insufficient anti-flotation bearing capacity or the occurrence of large cracks in the base slab.

6.4.3. Anchor Rod Line Stiffness

Based on the force mechanism of the anchor rod, it is known that the tensile force at the top of the anchor rod is gradually transmitted into the surrounding rock and soil through friction. The greater the friction of the surrounding rock and soil, the faster the tensile force decreases. Therefore, the stiffness of the anchor rod is not only related to its cross-sectional area and elastic modulus but also closely related to the properties of the surrounding rock and soil. According to the formula, the calculation formulas for the anchor rod line stiffness K and the effective length l′ are as follows [35]:
K = E A l
l = E A F 0 i = 1 n 2 F 0 2 i = 1 n l i q i + l i q i 2 E A l i
In the formulas: E is the elastic modulus of the anchor rod, in kN/m2; A is the cross-sectional area of the anchor rod, in m2; F0 is the axial tensile force at the top end of the anchor rod, in kN; li is the thickness of the i-th layer of rock and soil within the range of axial force of the anchor rod, in meters; qi is the friction force per unit length of the i-th layer of rock and soil acting on the anchor rod, in kN/m.

6.4.4. Application Example: Heshan Mingmen Project

Taking the Mingmen Project in Heshan, Guangdong Province as an example [34], the project area covers 48,720 square meters with a total building area of 168,996 square meters. It includes multiple high-rise residential buildings, a two-story underground parking garage, and equipment rooms. Due to the basement slab being buried 11 m deep and located on moderately weathered granite, the site has a high foundation-bearing capacity (2000 kPa). In the design, to address the high buoyant forces the slab might endure, the team opted to use rock anchor rods as the primary anti-flotation measure. This choice was made considering that, while the dewatering method can control groundwater, it requires long-term maintenance, and the weighting method would increase the foundation depth, affecting the functional use of the building. Furthermore, due to the physical characteristics of the bedrock, using uplift piles would not only be difficult to construct but also costly.
Therefore, the project adopted rock anchor rods arranged in a plum blossom pattern. This arrangement effectively utilizes the vertical loads transmitted by the upper structure to counteract the buoyant forces within the self-balancing area.
The basic parameters of the anchor rods were determined considering the construction costs. The diameter d1 of the anchor rods is set at 150 mm. To fully utilize the tensile strength of the anchor rod’s longitudinal reinforcement and meet the cover thickness requirements, the anchor rods are equipped with 4C28 longitudinal reinforcement, with a cross-sectional area As of 2461.2 mm2. The thickness h0 of the base slab is set at 500 mm, with the concrete strength grade being C30. The anti-flotation head W0 is 10 m.
First, determine the characteristic value of the anchor rod’s bearing capacity, according to the formula:
R t = 0.85 f y A s 2
In the formula, fy is the yield strength of the reinforcement, in MPa (the design yield strength of HRB400 is 360 MPa). The characteristic bearing capacity of the anchor rod is calculated as Rt = 0.85 × 360 × 2461.2/2 = 376 kN. According to the “Load Code for the Design of Building Structures” [36], the tensile reinforcement for the uplift anchor rod should be increased by one grade above the calculated requirement, i.e., As = 4 × 490.9 = 1964 mm2. Additionally, based on the formula for calculating the characteristic bearing capacity of ordinary anchor rods:
R t = f y A s / 1.35
The characteristic bearing capacity of an ordinary anchor rod is calculated as Rt = 360 × 1964/1.35 = 523 kN. From the above calculations, it is evident that the characteristic bearing capacity from the uplift test controls the design; therefore, Rt should be 376 kN.
Next, calculate the basic anchorage length lab of the tensile reinforcement. Given that L1 is 316 mm, and the anchorage form of the reinforcement is a 90° hook, so L2 = 12d = 12 × 28 = 336 mm. According to Formula (12), lab = 0.14 × (360/1.43) × 28 = 987 mm. Then, using Formula (11), L1 + L2 = 316 + 336 = 652 ≥ 0.6 × lab = 592 mm. Therefore, the thickness of the base slab meets the basic anchorage requirements for the longitudinal reinforcement of the anchor body.
Then, according to the foundation code, f is found to be 400 kPa. Using Formula (13), the effective anchorage length l of the anchor rod can be calculated as:
l R t / ( 0.8 π d 1 f ) = 376 / ( 0.8 × π × 0.15 × 400 ) = 2.5   m
Finally, select a single standard column span of the basement (8.1 m × 8.1 m) to calculate its overall stability. The effective unit weight of moderately weathered granite is 18 kN/m2. The total weight within a single standard column span W is 3850 kN. The effective water pressure at the bottom of the base slab P is calculated using Formula (15). The effective weight of the anchor body W′ and the buoyant force Fw within a single standard column span are calculated as shown in Figure 5:
P = 10 W 0 25 × h 0 = 10 × 10 25 × 0.5 = 87.5   kN / m 2
W = b 1 b 2 γ = 8.1 × 8.1 × l × 18 = ( 1181 l ) kN
F W = b 1 b 2 P = 8.1 × 8.1 × 87.5 = 5741 kN
According to Formula (14), (11,81l + 3850)/5741 ≥ 1.05, solving for l = 1.84 m.
As shown in Figure 5, anchor rods typically experience tearing at the bottom at an angle of 30°. Therefore, the calculated value needs to be increased. Assuming the anchor rod spacing a is 2 m, using geometric principles, l should be set at 2.70 m. Thus, the anchorage length of the anchor rods should be no less than 2.70 m.
The line stiffness of the anchor rod can be determined from the geological survey report and related calculations. The friction force q1 between the moderately weathered granite and the anchor rod is 170 kN/m. The approximate value of F0, the characteristic uplift bearing capacity of the anchor rod, is 376 kN. Using Formula (22), the effective length l′ is calculated as:
l = ( 2 × 376 2.7 × 170 ) × 2.7 / ( 2 × 376 ) = 1.05   m
According to the concrete code, E = 2 × 105 N/m2, A = 2461.2 mm2. Using Formula (21), the line stiffness K of the anchor rod can be determined as:
K = 2 × 10 5 × 2461.2 / 1.05 = 4.65 × 10 5 kN
Anchor Rod Arrangement:
First, under the permanent load condition within a standard column span, the column axial force Fd is approximately 3850 kN. According to Formulas (16) and (17), calculate S and S0 respectively:
S = 3850 / ( 87.5 × 1.5 ) = 29.33   m 2
S 0 = 29.33 × 4 / 4 = 29.33   m 2
Calculate the number of anchor rods required for anti-flotation n and the spacing a using Formulas (18) and (19):
n = ( 8.12 2 29.33 ) × 1.05 × 87.5 / 376 = 8.86
a = 376 / ( 1.05 × 87.5 ) = 2.02   m
Considering the characteristics of the plum blossom arrangement and the standard column grid span, the number of anchor rods n should be nine, and the spacing a should be 2025 mm.
Then, analyzing using Formula (20), it can be determined that there is no need to arrange anchor rods in the self-balancing area.
0.5 S = 2.71   m   <   0.5 S d + a = 0.5 × 4 + 2.03 = 3.03   m
Finally, through finite element model analysis, it was confirmed that this arrangement method can uniformly distribute the stress on the anchor rods while ensuring a reasonable stress distribution on the base slab, significantly reducing the bending moment and shear force borne by the base slab.
Ultimately, this anti-flotation design not only ensured the structural safety and stability of the basement but also demonstrated economic efficiency. This case illustrates that under complex geological conditions, by considering the topography, geomorphology, and groundwater conditions, the adoption of appropriate anti-flotation techniques and innovative anchor rod arrangement methods can effectively solve the anti-flotation problems of underground structures.

6.5. Dewatering and Pressure Reduction Method

In basement anti-flotation design, the dewatering and pressure reduction measures provide an effective solution, especially suitable for buildings with basements located in mountainous or sloped terrains. This method uses natural terrain and drainage systems to reduce the groundwater head, thereby significantly lowering the upward water pressure on the basement. Next, we will discuss the specific measures and applications of the dewatering and pressure reduction flotation method, and how it becomes an energy-efficient and eco-friendly green technology.
  • Utilizing Terrain for Drainage: The dewatering and pressure reduction method guides groundwater to naturally discharge through the natural terrain, typically directing the water into nearby rivers or municipal drainage networks to reduce the groundwater head around the basement.
  • Drainage System Design: A drainage blind ditch is set up between the excavation and the outer walls, utilizing the water level difference created by the terrain to naturally guide the water flow to lower areas for discharge. A grid-like bidirectional channel is set up at the base slab, connected to the water-guiding blind ditches on the outer walls, forming a unified drainage system.
  • Maintenance Measures: Regularly setting up observation wells and inspection wells ensures effective maintenance of the drainage system during operation.
Using the dewatering and pressure reduction flotation method not only promptly lowers the groundwater level, but also, compared to traditional tension and compression anti-flotation design methods, this “drainage over resistance” approach can effectively shorten the construction period and save costs, making it an energy-saving and environmentally friendly technical choice.

7. Reinforcement Measures

After completing the anti-flotation treatment of the underground structure, it is crucial to adopt appropriate reinforcement measures for columns that have been affected by cracks or adjustments in forces. These measures include epoxy resin injection for minor cracks and steel plating or increasing the cross-sectional area for severe cracks. Next, we will discuss in detail the reinforcement methods for underground structures, including the use of flexible reinforcement techniques to enhance the structure’s deformability, as well as the use of various materials and technologies for reinforcement and repair [37].
  • Treatment of Minor Cracks: Epoxy resin injection is an effective method for treating minor cracks. Epoxy resin has excellent adhesion and permeability, allowing it to penetrate deep into the cracks, react with the original materials, and cure to form a solid structure. This seals the cracks and prevents further intrusion of corrosive substances. Not only does this limit the expansion of the cracks, but it also partially restores the strength of the structure.
  • Reinforcement of Severe Cracks: For columns or components with severe cracks, steel plate reinforcement can provide additional load-bearing capacity and stability. This method involves attaching steel plates to the damaged structure and securely connecting them through welding or bolts. This effectively distributes the loading forces, enhancing the overall structural stability. Additionally, if certain parts of the structure have insufficient load-bearing capacity, increasing their cross-section can improve their bending and compressive strength. This is typically achieved by adding an extra layer of concrete or other reinforcing materials, enabling the structure to withstand greater forces and thereby improving its overall stability and load-bearing capacity.
  • Flexible Reinforcement Methods: Using flexible reinforcement methods, such as carbon fiber fabric reinforcement, can significantly improve the deformation capacity of structural components under stress. This helps prevent brittle failure under extreme loads. Carbon fiber fabric, due to its high strength, high toughness, and excellent corrosion resistance, can enhance the ductility and crack resistance of the structure without significantly increasing its weight. This allows the structure to adapt to stress changes caused by fluctuating water levels without sustaining damage.
  • Specific Reinforcement Measures:
    Sealing Drainage Holes with Type IV Secondary Grouting Material: The mechanism involves filling the voids in the drainage holes to prevent water and air infiltration while providing additional structural support.
    Repairing Cracks and Localized Damage in Slabs, Beams, Columns, and Shear Walls Using Carbon Fiber Fabric: The carbon fiber fabric, in conjunction with resin, forms a high-strength composite layer on the surface of the structure, significantly enhancing the load-bearing capacity and crack resistance of the damaged areas.
    Concrete Replacement and Carbon Fiber Fabric Reinforcement for Frame Columns: For frame columns with local compressive damage due to arching deformation, concrete replacement is performed, and carbon fiber fabric is applied to reinforce and repair the structure.
These comprehensive measures effectively enhance the overall performance and safety of underground structures under anti-flotation conditions.

8. Trends and Outlook

Although research on the anti-flotation problem of underground structures has made certain progress both domestically and internationally, the current results still lack theoretical depth and practical breadth. Particularly, in areas such as clarity of anti-flotation mechanisms, long-term groundwater level prediction technologies, and precise verification methods for anti-flotation stability, existing achievements do not fully meet the needs of engineering design and implementation. This situation limits the development of anti-flotation technical standards and norms, as well as the widespread application of anti-flotation technologies.
In response to these issues, future directions for improving research in underground structure anti-flotation engineering can focus on the following key areas:
  • Improving hydrological observation and groundwater level prediction technologies:
Strengthen the collection and analysis of site hydrological data, improve methods for predicting and forecasting groundwater levels, and provide accurate design parameters such as design flood levels, peak levels, and their range of variation for anti-flotation design.
2.
Researching the interaction between water seepage and groundwater buoyancy:
Explore in depth the impact of water seepage in shallow geotechnical bodies under different hydrogeological conditions on groundwater buoyancy and the mechanism of its effect on the stress and strain states of underground structures.
3.
Enhancing the principles and application research of anti-flotation technical measures:
Through field, laboratory, and simulation tests, comprehensively evaluate the effectiveness of various anti-flotation measures, determine the best anti-flotation solutions for different types of underground structures, and provide scientific bases for engineering practice.
Through in-depth exploration of these research directions, we can expect significant advancements in both the theory and practice of underground structure anti-flotation engineering in the future, offering more reliable guarantees for engineering safety. This will also promote the refinement of anti-flotation technical standards and norms and encourage the widespread application and development of anti-flotation technologies.

9. Conclusions

This study comprehensively analyzes the influencing factors, design methods, and buoyancy reduction measures in basement anti-flotation engineering, aiming to provide scientific basis and technical support for engineering design to ensure the stability and safety of underground structures under various hydrogeological conditions.
Firstly, groundwater buoyancy is the main factor affecting the stability of basement structures. Through in-depth research on the dynamic changes of groundwater levels and the mechanism of groundwater buoyancy’s effect on basement structures, it is emphasized that the impact of groundwater must be fully considered in design and construction. The study points out that unreasonable dewatering measures and construction schedule arrangements may lead to abnormal rises in groundwater levels, thereby increasing the risk of flotation. Therefore, strictly controlling groundwater levels and reasonably scheduling construction progress are crucial means to ensure the stability of basement structures during construction.
Secondly, sufficient safety margins must be left in anti-flotation design. During the design stage, the full amount of groundwater buoyancy should be calculated, especially for impermeable soil layers, without reduction. Additionally, the design should consider the difficulty of construction drainage and remind construction units to prepare contingency plans. Supervising units also need to fully recognize the impact of groundwater on the project and ensure that the construction unit performs according to design requirements.
Anti-flotation stability verification is a key part of the design, including both overall and local anti-flotation stability. Overall anti-flotation stability concerns whether the entire structure can resist groundwater buoyancy, while local anti-flotation stability focuses on the stability of specific parts of the structure. During verification, appropriate anti-flotation stability safety factors must be selected to ensure the stability of the basement structure under various working conditions.
The evaluation and selection of anti-flotation defense water levels are critical in basement anti-flotation design. The defense water level refers to the groundwater level that may exert buoyant force on the basement slab, directly affecting the anti-flotation design and construction of underground structures. Therefore, correctly evaluating and selecting the anti-flotation defense water level to ensure the stability of underground structures under various hydrogeological conditions is an important aspect of design.
Common anti-flotation measures discussed in the study include the counterweight method, uplift pile method, compressive and uplift pile method, and drainage and depressurization method. Each of these methods has its advantages and disadvantages, and the appropriate anti-flotation measure should be selected based on the specific engineering conditions. For example, the counterweight method increases the structural self-weight to resist buoyancy; the uplift pile method increases the friction between piles and surrounding soil to resist buoyancy; the compressive and uplift pile method serves as compressive piles under upper loads and as uplift piles under water conditions; and the drainage and depressurization method reduces the groundwater level through a drainage system, thereby reducing buoyancy.
Additionally, the study explores some reinforcement and repair methods, such as epoxy resin injection and steel plate reinforcement. These methods can effectively repair structural cracks and damages caused by improper anti-flotation measures, improving the overall stability and safety of the structure.
Future research directions include developing more precise calculation methods, improving design standards, and exploring new anti-flotation technologies and materials. Through these efforts, the efficiency and reliability of basement anti-flotation design can be further improved, ensuring the long-term stability and safety of underground structures. These research results not only fill gaps in the design field but also provide practical calculation methods and design standards, which are of great significance for basement anti-flotation design.

Author Contributions

Writing—original draft, M.Y.; Writing—review & editing, X.F.; Writing—Methodology, H.L.; Writing—Data acquisition, L.W. and Q.L. All authors have read and agreed to the published version of the manuscript.

Funding

This research was funded by Hebei Province Construction Technology Research Guide Project (project Nos. 20182051); Science and Technology Research Project of Hebei Province Higher Education Institutions (project Nos. QN2017003); Ph.D. foundation project of North China Institute of Aerospace Engineering under grant (project Nos. BKY-2018-12); Langfang City science and technology research and development plan self-financing project (project Nos. 2020011053; 2021011049); North China Institute of Aerospace Engineering Graduate Student Innovation Funding Project (Project Number YKY-2024-32).

Data Availability Statement

The data used to support the findings of this study are available from the corresponding author upon request.

Conflicts of Interest

The authors declare no conflicts of interest.

References

  1. Hughes, F.E.; Madabhushi, S.P.G. Behavior of Structures with Basements Located in Liquefiable Soils. J. Geotech. Geoenviron. Eng. 2020, 146, 04020051. [Google Scholar] [CrossRef]
  2. Hong, Y.; Ng, C.W.W.; Wang, L.Z. Initiation and failure mechanism of base instability of excavations in clay triggered by hydraulic uplift. Can. Geotech. J. 2015, 52, 599–608. [Google Scholar] [CrossRef]
  3. Zhao, S.; Shi, W.; Zhang, L.; Zhang, Y.; Zhang, H. Research on Data Acquisition and Regulation Methods of Basement Flashing Pressure Relief System Based on Digital Technology. Appl. Math. Nonlinear Sci. 2024, 9. [Google Scholar] [CrossRef]
  4. Bikçe, M.; Örnek, M.; Cansiz, O.F. The effect of buoyancy force on structural damage: A case study. Eng. Fail. Anal. 2018, 92, 553–565. [Google Scholar] [CrossRef]
  5. Zhang, Y. A Study on the Accident Reason Identification and Reinforcement of the Floated Basement. Proceedings of the 2016 International Conference on Engineering Science and Management (ESM). Adv. Eng. Res. 2016, 62, 116–120. [Google Scholar]
  6. Bonì, R.; Bosino, A.; Meisina, C.; Novellino, A.; Bateson, L.; McCormack, H. A Methodology to Detect and Characterize Uplift Phenomena in Urban Areas Using Sentinel-1 Data. Remote Sens. 2018, 10, 607. [Google Scholar] [CrossRef]
  7. Yuan, N.; Wu, G.; Huang, S.; Zhang, X.; Cao, S. Formation stage and controlling factors of the paleo-uplifts in the Tarim Basin: A further discussion. Nat. Gas Ind. 2016, 36, 27–34. [Google Scholar]
  8. Wu, Z.F.; Li, Z.Y.; Fan, J.; Cao, H.Y.; Huang, B.; Liu, H. Up-Floating Destruction and Reinforcement Measures of Damaged Basement Based on the Bending Moment and Deformation Analysis. Buildings 2023, 13, 1918. [Google Scholar] [CrossRef]
  9. Ren, Z.; Ni, P.P.; Mei, G.X. Time Effect of Buoyant Force Reduction for Underground Structures in Clays: Model Test and Case Study. Int. J. Geomech. 2020, 20, 04020185. [Google Scholar] [CrossRef]
  10. Luo, Y.; Chen, J.; Wang, Y.; Shen, P. Anti-floating failure mechanism of underground structures in expansive soil area and application of active anti-floating measures. Hydrogeol. Eng. Geol. 2022, 49, 64–73. [Google Scholar]
  11. Luo, G.Y.; Yang, F.; Li, H.X.; Pan, H.; Cao, H. Simplified Calculation Method for Active Anti-Floating of Elliptical Basements by Relief Wells. Appl. Sci. 2023, 13, 12647. [Google Scholar] [CrossRef]
  12. Wang, B.; Li, J.; Zhao, C.; Wang, J. An improved analytical solution for solving the shield tunnel uplift problem. J. Rock Mech. Geotech. Eng. 2024, in press. [Google Scholar] [CrossRef]
  13. Cui, Z.D.; Zhang, Z.L.; Yuan, L.; Zhan, Z.X.; Zhang, W.K. Design of Open Caisson Structures. In Design of Underground Structures; Springer: Singapore, 2020. [Google Scholar]
  14. Soares, C.C. Numerical Study on the Effect of Concrete Mattresses on the Buckling and Ovalization of Subsea Pipelines. 2018. Available online: https://api.semanticscholar.org/CorpusID:212410148 (accessed on 1 September 2024).
  15. Jang, Y.H.; Kim, H.J.; Shin, Y.; Sang, J.H. A study on the evaluation method of blow-out and segment lining buoyancy stability of a slurry shield TBM. J. Korean Tunn. Undergr. Space Assoc. 2022, 24, 375–393. [Google Scholar]
  16. Chen, X.L.; Ma, B.S.; Najafi, M.; Zhang, P. Long rectangular box jacking project: A case study. Undergr. Space 2021, 6, 101–125. [Google Scholar] [CrossRef]
  17. Liu, H.L.; Sun, W.X.; Zhang, Y.M.; Zhang, W.G.; Han, F.C.; Su, W.J. Experimental analysis on the interaction between underground structures and sand layer under groundwater level change. Undergr. Space 2023, 10, 15–36. [Google Scholar] [CrossRef]
  18. Park, N.; Kim, H.J.; Shin, J. Behavior of double deck tunnel due to feature change and variation of ground water table. J. Korean Tunn. Undergr. Space Assoc. 2016, 18, 581–591. [Google Scholar] [CrossRef]
  19. Kim, H.J.; Kim, H.A.; Joo, E.J.; Shin, J. Review on the buoyancy effect of the multi-purpose double-deck tunnels during operation. J. Korean Tunn. Undergr. Space Assoc. 2015, 17, 623–635. [Google Scholar] [CrossRef][Green Version]
  20. Sun, W.X.; Han, F.C.; Zhang, Y.M.; Zhang, W.A.; Zhang, R.H.; Su, W.J. Experimental assessment of structural responses of tunnels under the groundwater level fluctuation. Tunn. Undergr. Space Technol. 2023, 137, 105138. [Google Scholar] [CrossRef]
  21. Luo, S. Research and Application of Anti-floating Schemes of Deep Foundation Pit of Subway for Underwater Excavation and Underwater Concrete Sealing. E3S Web Conf. 2020, 165, 04001. [Google Scholar] [CrossRef]
  22. Zhou, X.J.; Wang, J.H.; Hu, H.Y. Design of Enclosure for Subway Station Foundation Pit in Southward Extension Line of Chengdu Metro Line One. Construction and Urban Planning, Adv. Mater. Res. 2013, 671–674, 1122–1125. [Google Scholar] [CrossRef]
  23. Huang, Y.H.; Pan, Z.B.; Luo, G.B.; Chen, L. Research on anti-floating reinforcement of an existing project. IOP Conf. Ser. Mater. Sci. Eng. 2020, 758, 012008. [Google Scholar] [CrossRef]
  24. Fu, X.; Li, Q.; Liu, H. Bearing Capacity Characteristic Analysis of Anti-floating Bolts in Unsaturated Soil Based on Mindlin Solution. Indian Geotech. J. 2024. [Google Scholar] [CrossRef]
  25. Huang, C.Z. Anti-floating Design and Accident Analysis of Basements. Archit. Technol. 2022, 53, 1660–1664. [Google Scholar]
  26. Gao, X.F.; Ren, D.X.; Deng, A.; Luo, D.L. Analysis of Anti-floating Failure Causes and Treatment Measures for the Basement of a Slope Building. Build. Struct. 2022, 52, 131–137+103. [Google Scholar] [CrossRef]
  27. Liu, G.L.; Yang, Z.W.; Sun, G.C. Analysis on the Determination Method of Groundwater Anti-floating Design Water Level in Tianjin Urban Area. Groundwater 2009, 31, 102–104. [Google Scholar]
  28. Liu, X.Y. Influence of Upper Layer Perched Water on Basement Structure and Treatment Measures. Build. Constr. 2014, 36, 1378–1379. [Google Scholar]
  29. Lan, J.Q. Determination of Anti-floating Design Water Level for Groundwater and Engineering Examples. Eng. Investig. 2008, 36–39+52. [Google Scholar] [CrossRef]
  30. Yu, L.G.; Yu, D.H.; Zhang, T.B. Research on the Calculation Method of Anti-floating Head for Rock Foundation Pit in Slope Landform. J. Qingdao Technol. Univ. 2014, 35, 113–117. [Google Scholar]
  31. Gao, H.Y. Optimization Research on Anti-floating Design of Basement Structure. Build. Technol. 2020, 51, 1498–1500. [Google Scholar]
  32. Miao, C.Y.; Gao, Y. Analysis on Anti-floating Technical Measures for Underground Structures. China Build. Mater. Sci. Technol. 2021, 30, 159–160. [Google Scholar]
  33. GB50010—2010[S]; Code for Design of Concrete Structures. China Architecture & Building Press: Beijing, China, 2011.
  34. Zhou, J.W.; Deng, H.R. Anti-floating Design and Analysis of the Basement for the Heshan Mingmen Project. Build. Struct. 2020, 50, 103–107+102. [Google Scholar]
  35. Sun, R.F.; Liu, Y.W.; Xu, Q.; Cai, J.; Wei, L. Overall Calculation Method for Anti-floating Anchors in High-rise Buildings with Basements or Podiums. Build. Struct. 2014, 44, 27–30+41. [Google Scholar]
  36. GB50007—2011[S]; Code for Design of Building Foundation. China Architecture & Building Press: Beijing, China, 2011.
  37. Li, Z.Z.; Zhang, B.K.; Zhang, M.M. Study on Uplift Cracking Damage Characteristics and Reinforcement Measures of Basement in a Project. Constr. Technol. 2022, 51, 32–36. [Google Scholar]
Figure 1. Anti-flotation Design Process Flowchart.
Figure 1. Anti-flotation Design Process Flowchart.
Buildings 14 03005 g001
Figure 2. Related Parameters of Maximum Head [30].
Figure 2. Related Parameters of Maximum Head [30].
Buildings 14 03005 g002
Figure 3. Related Parameters of Maximum Head [25].
Figure 3. Related Parameters of Maximum Head [25].
Buildings 14 03005 g003
Figure 4. Diagram of the Overall Stability Calculation of Anti-Flotation Anchor Rod Anchoring [34].
Figure 4. Diagram of the Overall Stability Calculation of Anti-Flotation Anchor Rod Anchoring [34].
Buildings 14 03005 g004
Figure 5. Uniform Surface Layout.
Figure 5. Uniform Surface Layout.
Buildings 14 03005 g005
Figure 6. Concentrated Point Layout.
Figure 6. Concentrated Point Layout.
Buildings 14 03005 g006
Figure 7. Plum Blossom Layout [34].
Figure 7. Plum Blossom Layout [34].
Buildings 14 03005 g007
Table 1. Criteria for Determining the Stability Status Against Uplift in Building Engineering.
Table 1. Criteria for Determining the Stability Status Against Uplift in Building Engineering.
Anti-Uplift
Design Level
Stability Coefficient during Construction PeriodStability Coefficient during Service Period
UnstableStableUnstableStable
Grade A<1.05≥1.05<1.10≥1.10
Grade B<1.00≥1.00<1.05≥1.05
Grade C<0.95≥0.95<1.00≥1.00
Table 2. Anti-Flotation Defense Water Level Table.
Table 2. Anti-Flotation Defense Water Level Table.
Serial NumberFactors Influencing the Selection of Anti-Floating Design Water LevelMethods for Determining Anti-Floating Design Water Levels
1No Long-term Observation DataHighest Water Level
2Only Consider Anti-flotation During Basement ConstructionHighest Water Level in a Hydrological Year
3Near the Haihe RiverHighest Water Level of the Haihe River
4Affected by Slightly Pressurized WaterSeepage Analysis Test
5Grease TroughFree Water Surface
Table 3. Relevant Design Parameters for Residential Project 1.
Table 3. Relevant Design Parameters for Residential Project 1.
ItemParameterItemParameter
Anti-buoyancy level/m37.00Top elevation of base slab/m−12.8
Water unit weight/(kN/m3)10Base slab thickness/mm500
Concrete unit weight/(kN/m3)25Soil unit weight/(kN/m3)16
Column net size/m7.9 × 7.9Soil cover thickness/m2
Table 4. Relevant Design Parameters for Residential Project 2.
Table 4. Relevant Design Parameters for Residential Project 2.
TypeTypes of RebarPlain Round BarSpiral Ribbed WireThree-Strand Steel StrandSeven-Strand Steel Strand
α0.160.140.130.160.17
Disclaimer/Publisher’s Note: The statements, opinions and data contained in all publications are solely those of the individual author(s) and contributor(s) and not of MDPI and/or the editor(s). MDPI and/or the editor(s) disclaim responsibility for any injury to people or property resulting from any ideas, methods, instructions or products referred to in the content.

Share and Cite

MDPI and ACS Style

Yang, M.; Fu, X.; Liu, H.; Wang, L.; Li, Q. Influencing Factors, Design Methods, and Buoyancy Reduction Measures for Basement Anti-Flotation Engineering. Buildings 2024, 14, 3005. https://doi.org/10.3390/buildings14093005

AMA Style

Yang M, Fu X, Liu H, Wang L, Li Q. Influencing Factors, Design Methods, and Buoyancy Reduction Measures for Basement Anti-Flotation Engineering. Buildings. 2024; 14(9):3005. https://doi.org/10.3390/buildings14093005

Chicago/Turabian Style

Yang, Meng, Xu Fu, Huanqin Liu, Lintai Wang, and Qian Li. 2024. "Influencing Factors, Design Methods, and Buoyancy Reduction Measures for Basement Anti-Flotation Engineering" Buildings 14, no. 9: 3005. https://doi.org/10.3390/buildings14093005

APA Style

Yang, M., Fu, X., Liu, H., Wang, L., & Li, Q. (2024). Influencing Factors, Design Methods, and Buoyancy Reduction Measures for Basement Anti-Flotation Engineering. Buildings, 14(9), 3005. https://doi.org/10.3390/buildings14093005

Note that from the first issue of 2016, this journal uses article numbers instead of page numbers. See further details here.

Article Metrics

Back to TopTop