Next Article in Journal
Development of Post-Industrial Heritage Landscape Design Based on Visual Cognitive Schema Theory: A Case Study of the Shou Gang Industrial Cultural Heritage Site
Next Article in Special Issue
Self-Compacting Mixtures of Fair-Faced Concrete Based on GGBFS and a Multicomponent Chemical Admixture—Technological and Rheological Properties
Previous Article in Journal
Investigation of a Novel Thermochemical Reactor for Medium- and Low-Temperature Heating Applications in Buildings
Previous Article in Special Issue
Experimental Studies on Joints of Wooden Elements with Proposed “CM Insert”
 
 
Font Type:
Arial Georgia Verdana
Font Size:
Aa Aa Aa
Line Spacing:
Column Width:
Background:
Article

Computational Models of Dynamic Load Sources for Modeling of Construction Structures Operation Used in Monitoring of Technical Condition of Buildings and Structures

by
Zhanna Gennadievna Mogilyuk
,
Alexander Alexandrovich Tereshin
* and
German Valerievich Alekseev
Institute of Scientific and Technical Support for Construction, National Research Moscow State University of Civil Engineering, 129337 Moscow, Russia
*
Author to whom correspondence should be addressed.
Buildings 2024, 14(10), 3193; https://doi.org/10.3390/buildings14103193
Submission received: 7 August 2024 / Revised: 1 October 2024 / Accepted: 5 October 2024 / Published: 7 October 2024
(This article belongs to the Special Issue Safety and Optimization of Building Structures—2nd Edition)

Abstract

This research aims to develop principles for assessing the impact of mega-cyclic vibrodynamic loads on the reliability of construction structures. The relevance of the reasons for the development and improvement of algorithms for numerical modeling of multicycle dynamic loads on building structures is due to the steadily increasing intensity of such loads on buildings and structures in megacities, as well as the acute practical problem of significant differences in the dynamic characteristics of buildings and structures obtained as a result of mathematical modeling and determined by experimental methods. The article presents research materials on computational equivalent models of dynamic load sources for numerical modeling of the behavior of construction structures under their influence, using the method of vibroacoustic analogies. The article examines models of sources of dynamic impact on construction sites. Algorithms and final formulas for computational modeling of the simplest sources of dynamic load are developed using the method of vibroacoustic analogies. The dynamic properties of the simplest dynamic load sources were analyzed. A significant difference between the computational models of real and ideal dynamic load sources. The article presents research and development results intended for calculating the distribution of dynamic loads on elements of construction structures in industrial and civil engineering projects located in areas with high levels of transport vibrodynamic impacts. An important property of the proposed computational equivalent models of sources of dynamic impact on building structures is the possibility of computational verification of critical elements, points, or nodes of load-bearing structures of buildings and structures under dynamic overloads. The position of these critical elements, points, and nodes of load-bearing structures under dynamic loads can differ significantly from their position determined using static and quasistatic computational modeling methods.

1. Introduction

One of the primary goals of engineering surveys (inspections and monitoring of the technical condition of buildings and structures) is to determine the key parameters of the technical condition of construction structures that characterize the operational performance of the object and define the possibility of its continued safe use. Among the most important parameters of the technical condition of construction structures is the change in the stress–strain state of the structures, including as a result of uneven settlements and tilting of buildings and structures.
However, these parameters are intermediate results of engineering surveys. The final result of a technical inspection or monitoring of the technical condition is the identification of the physical causes of these uneven settlements and tilts of the construction object.
Mega-cyclic dynamic loads are currently one of the primary physical causes of uneven settlements and tilts in construction objects, especially in megacities. Such loads are typically caused by transportation impacts [1,2,3,4,5], the intensity of which has increased by two orders of magnitude in major megacities over the past 30 years.
In this regard, interpreting the causes of uneven settlements and tilts in buildings requires, among other things, numerical modeling of the effects of multi-cyclic dynamic loads on the “building–foundation” systems.
If the results of the modeling match the data from engineering surveys (i.e., the measured values of uneven settlements and tilts), one can assert the reliability of the interpretation of the technical condition assessment of the construction object [6,7].
Currently, one of the most effective methods for numerical modeling of multi-cyclic dynamic loads on construction structures is the vibroacoustic analogies method [8,9,10].
The method of vibroacoustic analogies is based on the mathematical equivalence of calculated characteristics, equations, and laws of mechanics, acoustics, and electrical engineering [11,12].
The relevance of the reasons for the development and use of the vibroacoustic analogy method for numerical modeling of multicycle dynamic loads on building structures is due to the presence of an acute practical problem of significant (unacceptable) differences in the dynamic characteristics of buildings and structures obtained as a result of mathematical modeling and determined by experimental methods.
The main essence of these differences in the dynamic characteristics of buildings is that the calculated mathematical models obtained using well-known classical methods of mathematical modeling, in most cases, give a significant error in the calculations of the distribution of dynamic loads on the elements of building structures, as well as in the calculations of resonances of building structures (in the calculated theoretical models constructed by traditional methods, there are no geodynamic resonances of buildings). In addition, the calculated mathematical models obtained using well-known classical methods of mathematical modeling do not correspond in their amplitude–frequency characteristics to the amplitude–frequency characteristics obtained experimentally.
Examples of obtaining these discrepancies can be demonstrated by comparing the amplitude–frequency characteristics of buildings erected on rocky foundations and sedimentary soils. The rock base is an ideal source of dynamic load in the form of dynamic movements on the building structures of a building, for example, as a result of seismic impact or explosion. The sedimentary soils of the base are an imperfect source of dynamic movements since part of the dynamic load transmitted through the base to the building is lost (absorbed) in the ground. In this regard, the amplitude–frequency characteristics of buildings of a similar design scheme on a rocky base and sedimentary soils differ significantly.
The considered effects are confirmed by the results of dynamic surveys performed by the authors and other colleagues in the period from 2000 to the present [13,14,15,16,17,18,19,20,21,22].
Within the framework of the study, an upgraded system of vibroacoustic analogies in the operational space is proposed in the form of Fourier images of the basic laws of electrical engineering and vibroacoustic, which have functional similarities in the operational space of spectral modeling.
An important advantage of the method of vibroacoustic analogies is the possibility of computational modeling of building structures and objects of the “building-base” type as multi-resonance mechanical oscillatory systems.
The equivalent vibroacoustic model of a construction object significantly expands the instrumental physical and mathematical capabilities for accurately modeling multi-cyclic dynamic loads on construction structures. This is achieved through the application of Kirchhoff’s laws, Ohm’s law, the law of conservation of energy, and the representation of dynamic parameters of structural elements as complex functions. Such functions can accurately represent both dynamic loads and the dynamic parameters of structural elements, including dynamic stiffness (or dynamic compliance), inertial mass, and the damping coefficient of vibroacoustic deformations within the body of the structural element.
The use of vibroacoustic analogies in the computational modeling of dynamic loads in construction structures involves appropriately representing the sources of dynamic loads. This is because real sources of dynamic loads are not “ideal”, meaning they have their own impedance that is neither zero nor infinite. For this reason, the mass and/or stiffness of the source can significantly influence the distribution of dynamic loads in the “source–structure” system.
According to the theory of vibroacoustic analogies, both direct and inverse (or reverse) analogies should use precisely defined and corresponding computational models of ideal and non-ideal sources of dynamic forces and deformation velocities.
Until now, the primary types of dynamic load sources and their equivalent computational models have not been discussed in the scientific and technical literature and publications on the theory of vibroacoustic analogies. In this regard, the present article examines potential computational models developed by the authors of various real dynamic load sources, including both ideal and non-ideal types, for use with the vibroacoustic analogies method.

2. Materials and Methods

The general theory of vibroacoustic analogies was developed by Professor M.S. Khlystunov at the Department of Applied Mechanics and Mathematics of the National Research Moscow State University of Civil Engineering as part of research into the dynamics of structures [11,12].
The theory of the method formulates principles for computational modeling of linear and nonlinear problems related to the distribution of broadband impact and vibrodynamic loads on elements of load-bearing structures. The author of the method classifies nonlinear problems as those involving the modeling of the distribution of dynamic loads on structures with defects and/or a high degree of physical wear.
For structural materials, unlike soils, there is an unambiguous relationship between a decrease in the strength of building materials, a decrease in the resonant frequency, and an increase in the attenuation coefficient.
In this regard, the main concept in the theory of vibroacoustic modeling is the frequency response coefficient (the dependence of the sensitivity of the structure to dynamic load on its frequency), or dynamic stiffness, of a structural element under vibrodynamic impact [16].
One of the main dynamic properties of a building structure is the presence of a large number of resonances and antiresonances excited by a broadband dynamic load.
The unique effectiveness of vibroacoustic analogies is due to the fact that almost all elements of building structures have reflective surfaces and fasteners, which are good reflectors of acoustic waves.
The mentioned theory is based on the following five fundamental principles:
1.
For each group of components of the force dynamic load vectors at an ideal node in a construction structure, the following rule must be observed: “The difference between the spectra of incoming and outgoing force dynamic loads in one direction at the node is an empty set”.
2.
For each group of components of the moment vectors of force dynamic loads at an ideal node in a construction structure, the following rule must be observed: “The difference between the spectra of incoming and outgoing moments of force dynamic loads in one direction at the node is an empty set”.
3.
For each group of components of the dynamic displacement vectors of connected ends of elements at an ideal node in a construction structure, the following rule must be observed: “The spectra of incoming and outgoing dynamic displacements in one direction at the node must be equinumerous or equivalent sets”.
4.
For each group of components of momentum vectors at an ideal node in a construction structure, the following rule must be observed: “The difference between the incoming and outgoing momentum vectors in one direction at the node is zero”.
5.
For each group of components of the angular momentum vectors at an ideal node in a construction structure, the following rule must be observed: “The difference between the incoming and outgoing angular momentum vectors in one direction at the node is zero”.
For numerical computational modeling of dynamic effects using the method of vibroacoustic analogies using mathematical equivalences (1) and (2), it is proposed to represent a system using Fourier transforms.
Fourier   representation of   electrical   engineering formulas Direct   vibroacoustic   analogies Inverse   vibroacoustic   analogies U j ω F j ω υ = j ω w j ω I j ω υ = j ω w j ω F j ω Z L = j ω L j ω m j ω K j ω Z C = 1 j ω C K j ω j ω 1 j ω m r β 1 β U j ω = I j ω Z j ω F j ω = υ j ω Z j ω υ j ω = F j ω Z j ω
Fourier   representation   of   electrical   engineering   formulas Direct   vibroacoustic   analogies Inverse   vibroacoustic   analogies U j ω = q j ω C F j ω = K j ω w j ω υ j ω = F j ω j ω m I j ω = j ω q j ω υ j ω = j ω w j ω F j ω U j ω = I j ω r F j ω = β υ j ω υ j ω = F j ω β j ω I j ω a j ω = j ω υ j ω j ω F j ω U j ω = j ω L I j ω F j ω = j ω m υ j ω υ j ω = j ω F j ω K j ω
where ZC, ZL—are the vibroacoustic impedances of the capacitor and inductance; F, w, υ, a, K, m, β—force, absolute value of deformation (displacement), speed and acceleration of deformation (displacement), stiffness, mass, and damping coefficient of the dynamic response of the structure; U, q, I, C, L, r—electrical voltage, electric charge, electric current strength, electrical capacitance and inductance, electrical resistance, and vibroacoustic losses in a structural element.
Using a system of analogies (1) and (2) in the field of basic resonance and antiresonance, an element of a building structure can be represented by a vibroacoustic analog.
The computational model reflects the dynamic properties of the structural element only for one form of its vibroacoustic loading and only in the region of one of its resonances and the associated antiresonance corresponding to this harmonic.
The main concept of the general theory of vibroacoustic modeling is the frequency response coefficient or dynamic stiffness K(jω) = K(p) of a structural element to a dynamic (impulsive or explosive) load F(jω) = F(p).
For the spectrum of the force impulse F(jω) = F(p) and the frequency response coefficient K(jω) = K(p), the following equation can be written, analogous to Hooke’s law in static conditions:
F = K υ F p = K p υ p F j ω = K j ω υ j ω
or its dual equation with frequency compliance:
υ = K ¯ F υ p = K ¯ p F p υ j ω = K ¯ j ω F j ω
where K ( p ) ,   K ¯ ( p ) ,   υ ( p ) —frequency response or dynamic stiffness, frequency compliance or dynamic compliance, deformation velocity.
Dynamic stiffness and dynamic compliance can be experimentally verified according to the following formula (5):
K p = F p υ p K ¯ p = υ p F p
The equations relating the spectrum of vibro-deformation velocity to the spectrum of dynamic force load (3) and (4) can be interpreted as follows using the electromechanical analogy method.
In Equation (3), the dynamic force load F(jω) can be considered as vibroacoustic voltage U(jω), dynamic stiffness K(jω) as vibroacoustic impedance Z(jω), and the velocity of vibro-displacements υ(jω) as electric current I(jω).
Thus, we obtain a system of direct dynamic electromechanical analogies:
F ( j ω ) U ( j ω ) ;   υ ( j ω ) I ( j ω ) ;   K ( j ω ) Z ( j ω )
From the dual of Equations (3) and (4) with frequency compliance, inverse dynamic electromechanical analogies can be derived by the following:
υ ( j ω ) U ( j ω ) ;   F ( j ω ) I ( j ω ) ;   K ¯ ( j ω ) Z ¯ ( j ω )
Figure 1 shows an example of the dynamic stiffness of an individual construction beam, while Figure 2 illustrates an example of the dynamic stiffness of a load-bearing structure of a real construction object, determined as part of its inspection.
As seen in Figure 2, the frequency response function of the construction structure of a real building is significantly more complex than the analogous function for an individual structural element shown in Figure 1. Broadband dynamic loads are distributed on all elements of building structures, which leads to the excitation of several dozen basic resonances and higher harmonics of various forms of vibrations of critical elements of building structures. The dynamic coefficients of these local resonances reach several tens of units. This indicates a significant (emergency) increase in the intensity of vibrations of the corresponding elements, as well as the need for reliable calculation of the distribution of broadband dynamic loads on the elements of building structures.
The capabilities of existing automated systems for calculating building structures are limited to calculations of quasi-static dynamic loads (low and medium frequency). The distribution of such loads can be calculated only by the method of instantaneous static approximation, which does not take into account the speed of propagation of the dynamic load in the space of the building structure.
In this regard, for computational modeling of the frequency response of load-bearing structures in complex construction objects (such as assessing the object’s blast resistance), it is advisable to use vibroacoustic modeling and electromechanical analogies, rather than classical methods such as finite element methods, finite difference methods, etc.

3. Results and Discussion

3.1. Equivalent Computational Models of Sources of Force and Deformation Dynamic Loads

3.1.1. Ideal and Non-Ideal Sources of Dynamic Force Loads

Definition 1.
An ideal vibroacoustic force load source is one where the amplitude of the dynamic force applied to the construction structure does not depend on its dynamic stiffness and mass (vibroacoustic impedance), as well as on the load spectrum.
Figure 3a shows the loading diagram of a structure with a non-ideal dynamic force source and its equivalent computational model developed based on direct vibroacoustic analogies.
According to this diagram, the source of the dynamic load on the construction structure is a mass m that, for example, falls onto the structure with a force P = mg. In other words, when loaded, the gap between the structure and the stationary mass is not zero but is sufficiently small. As a result, the impact amplitude of the mass on the structure will be nearly equal to its weight.
The main characteristic of an ideal dynamic force load source P in direct analogies is its own vibroacoustic impedance ZP = 0.
The simplest example of an ideal dynamic force source is an explosion or shock wave, where the “stiffness” of the wave or the residual mass of the explosive material can be neglected. In this case, the impedance of the load source will be equal to zero: ZP = 0.
In real dynamic force load sources, their vibroacoustic impedance is not zero (ZP ≠ 0), which means that only a portion of the amplitude of the dynamic force load is transmitted to the construction structure. This is because part of the amplitude of the source is lost due to its own impedance.
When a dynamic force load source vibrates or impacts the construction structure, its mass m absorbs part of the energy from the dynamic impact. This is as if the inertia of the construction structure is increased by this mass. In reality, it is because, during the impact, a combined system is formed—“impact mass + mass of the construction structure”.
As a result, such a dynamic force source can be considered non-ideal, as the impedance of its own mass absorbs part of the energy from the dynamic impact. The equivalent computational model of such a source, accounting for this effect, is shown in Figure 3b.
In the system of direct vibroacoustic analogies, according to the theory of these analogies, the impedance of the own mass at frequency ω will be equal to
Z P = Z m = j ω m
As seen from Formula (8), the impedance of the own mass m of the source in Figure 3 is an imaginary quantity. This means that during the impact, the mass not only absorbs part of the force load P but also significantly alters the phase of the impact vibrations of the construction structure. In other words, the amplitude vibrations of the force load are out of phase with the vibrations (or response) of the construction structure to this load.
The calculation of the own losses of a non-ideal dynamic force source can be determined using the formula obtained from the following transformations:
P = Z P + Z b c υ = υ Z P + υ Z b c P P = υ Z P = Z P + Z b c υ υ Z b c P P = Z P Z P + Z b c P
where υ—is the amplitude of deformation velocity, Pp—the portion of the amplitude of the dynamic force source that is lost due to its own impedance.
Thus, according to (9), in real force load sources, the impedance of the load source is not zero ( Z ¯ P 0 ), which means that only a portion of the amplitude of the dynamic load reaches the construction structure, while a part of the amplitude of the source (9) is lost due to its own impedance.
P b c = Z b c Z P + Z b c P
where Pbc—is the portion of the amplitude of the dynamic force load source that is transmitted directly to the construction structure.
If the internal impedance of the force load source is determined solely by the mass of the load (Figure 3a), then its value for direct vibroacoustic analogies will be equal to
Z P = j ω m ,
where ω—is the angular frequency of the force load.

3.1.2. Ideal and Non-Ideal Sources of Dynamic Deformation Velocity

Definition 2.
An ideal source of vibroacoustic deformation velocity is one where the amplitude of the deformation dynamic velocity applied to the construction structure does not depend on its dynamic compliance and mass (vibroacoustic compliance impedance), as well as on the load spectrum.
Figure 4a shows the loading diagram of a structure with a non-ideal dynamic deformation velocity source υ and its equivalent computational model (Figure 4b), developed based on inverse vibroacoustic analogies.
The main characteristic of an ideal dynamic deformation velocity source υ in inverse analogies is that its own vibroacoustic impedance is equal to infinity q υ = 0 .
The calculation of the own losses of a non-ideal dynamic deformation velocity source can be determined using the formula obtained from the following transformations:
υ = υ υ + υ b c υ υ = υ q υ q υ + q b c ; υ b c = υ q b c q υ + q b c
where υ—is the amplitude of the deformation velocity of the source, υυ—portion of the amplitude of the deformation velocity of the source that is lost on the source, and υbc—portion of the amplitude of the deformation velocity of the source that is transmitted to the construction structure.
Thus, according to (12), in real sources of deformation velocity, the own vibroacoustic impedance of the source is not zero ( q υ 0 ), which means that only a portion of the amplitude of the dynamic load is transmitted to the construction structure.
  υ b c = υ q b c q υ + q b c
This is due to the fact that a portion of the amplitude of the source is lost due to the compliance impedance of the source:
υ υ = υ q υ q υ + q b c
If the internal impedance of the own vibroacoustic compliance of the deformation velocity source is determined solely by a spring (Figure 4a), then its value will be equal to
q υ = 1 j ω k
where ω, k—respectively, angular frequency of the load and internal vibroacoustic stiffness or vibroacoustic impedance of the load source for direct vibroacoustic analogies.

3.2. Algorithm for Calculation Using the Vibroacoustic Analogies Method

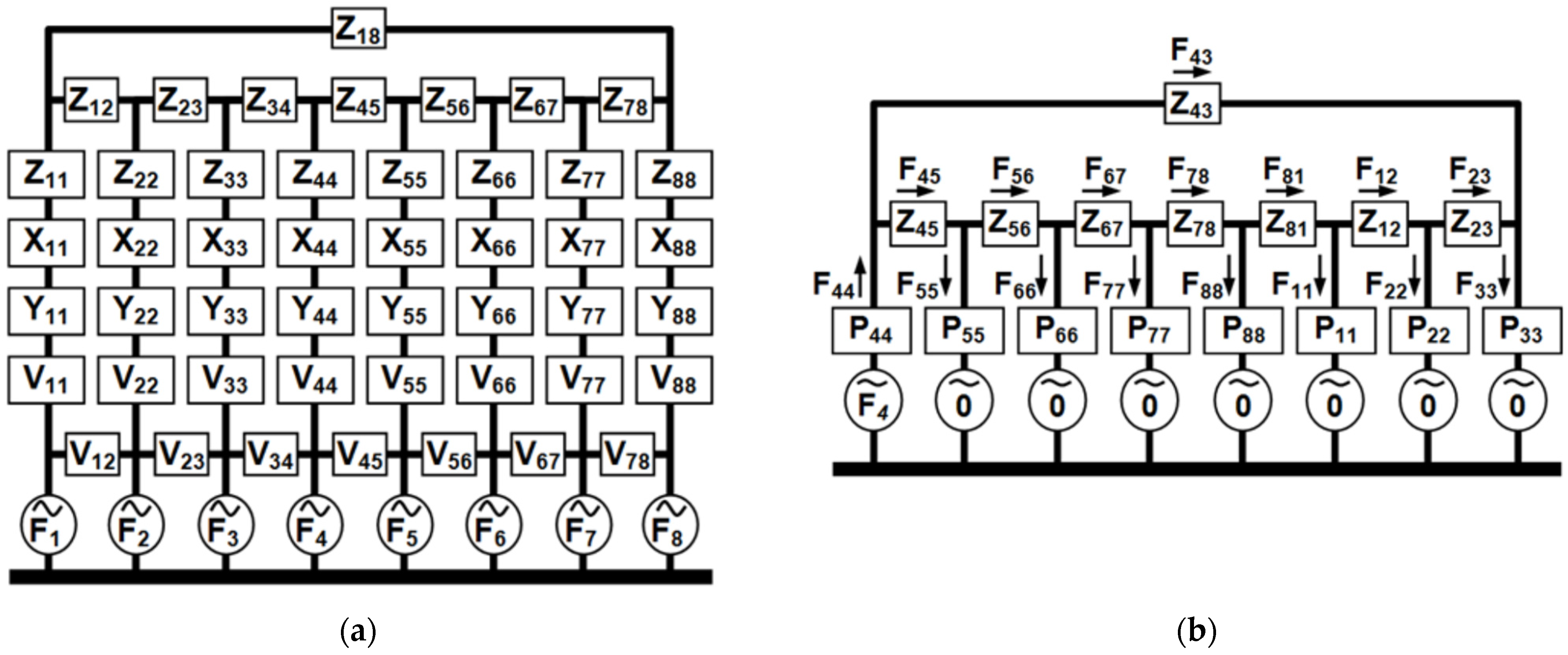
The method of implementing the algorithm of vibroacoustic analogies is demonstrated by the example of a fragment of a building frame consisting of 8 columns. The foundations of the columns of the building frame fragment are isolated from each other. The columns of the building fragment in question are rigidly connected to the floor slabs. The foundations of the columns are affected by dynamic loads, such as vertical vibrations as a result of transport impacts or seismic effects. An equivalent vibroacoustic model of such a fragment of the building frame can be represented by the diagram shown in Figure 5a.
In Figure 5, the notations are as follows:
Z i j ( i = j ) —vibroacoustic impedance of the connection between the floor slab and the i-th column;
Z i j ( i j ) —the impedance of the vibroacoustic coupling over the overlap between the mounts of the i-th and j-th columns;
X i j ( i = j ) —vibroacoustic impedance of the i-th column;
Y i j ( i = j ) —vibroacoustic impedance of the connection between the i-th column and its foundation;
V i j ( i = j ) —the impedance of the vibroacoustic coupling of the foundation of the i-th column with the ground of the base;
V i j ( i j ) —the impedance of the vibroacoustic coupling along the ground of the foundations of the i-th and j-th columns;
F i —external dynamic forces acting on the i-th column.
It is possible to simplify the vibroacoustic calculation scheme of the frame structure in question without changing the essential idea of the method, as follows:
1.
The total vibroacoustic impedance Pii of the i-th column can be expressed as the sum of its own impedance Xii the impedance linking its nodes to the floor slab Zii and foundation Yii, and the foundation soil Vii:
P i i = Z i i + X i i + Y i i + V i i = R i i + j Q i i
where Rii and jQii—are, respectively, the real and imaginary components of the general vibroacoustic impedance of the column and its junctions with other surrounding structural elements.
2.
To accept that the acoustic insulation between the foundations of the columns of the frame fragment is ideal. In this case, the total impedance of the connection in question can be assumed to be tending to infinity, that is
V i j =
3.
To accept that the external dynamic load exerts an impact from the ground base on the foundation of only one column, for example, column No. 4, that is, only F 4 0 .
Now the diagram in Figure 5a can be simplified as shown in Figure 5b. For further calculation, it is rational to use dual or inverse vibroacoustic analogies. This is because using inverse analogies does not require additional physical and mathematical manipulations to overcome the dynamically indeterminate status of the structure.
According to dual electromechanical/vibroacoustic analogies, the dynamic force load Fij will correspond to the alternating electrical current Iij and, according to Ohm’s law, will create a deformation rate (displacement rate) υij equivalent to the electric voltage Uij on the ij structure.
Then, according to Ohm’s law, it follows that
F i j = υ i j ( R i j + j Q i j )
Based on Kirchhoff’s law, the sum of the currents entering the node must be equal to the sum of the currents leaving it.
Then, according to Kirchhoff’s law, for each node of the connections in Figure 5, an algebraic equality must hold, for example:
F i j = F i ( j 1 ) + F i ( j + 1 ) , i = j
Since the purpose of the calculation is to determine the values of dynamic influences and dynamic displacements in the structures of the object under consideration, if the values of the vibroacoustic impedances of these structures are known, the number of unknown quantities will be 32 (16 unknown values of dynamic loads and 16 unknown values of dynamic displacements). In this regard, to obtain a solution to this problem, it is necessary to create a system of 32 equations.
To do this, using expressions (14) and (15) and the scheme in Figure 5, we will create a system of the following equations:
F i j = F j ( j + 1 ) F j j ,   ( i j , j 4 ) - In   accordance   with   Kirchhoff s   law F 44 = F 4 - Condition   for   the   application   of   external   load υ i j = F i j R i j + j Q i j - According   to   Ohm s   law F 44 = F 11 + F 22 + F 33 + F 55 + F 66 + F 77 + F 88 - Condition   for   balance   of   forces υ i i = υ i ( i + 1 ) + υ ( i + 1 ) ( i + 1 ) - Condition   for   continuity   of   connections   at   nodes   of   structure
The system of Equation (16) has a solution since it contains more than 32 equations with 32 unknowns.
This approach to solving the dynamic problem under consideration can be applied not only for a simplified vibroacoustic circuit but also for the general case when the dynamic load effects, albeit with different intensities simultaneously on the foundations of all columns of the frame fragment. In this most general case, it is necessary to measure the external dynamic loads on all column foundations of the considered fragment of the object Fi ≠ 0 ∀ (i = 1, 2, 3, …, 8). After that, the assessment of the force effects on the elements and components of the building structures can be carried out in two stages.
At the first stage, in accordance with the above methodology, the loads created by each individual i-th load on the elements and joints of the structure are calculated. At the same time, the loads on the remaining foundations of the columns of the construction object are conditionally equal to zero.
At the next stage, in each structure and node of structures, it is necessary to sum up all the values of loads on the corresponding elements and nodes determined at the first stage of calculation.
By using the equivalent vibroacoustic model and conducting vibrodynamic testing of each element and node of the structure, one can perform metrological verification of the amplitude–frequency characteristics (AFC) of each element and node connection of the structure. Subsequently, these AFCs can be used to obtain the impedance values as functions of frequency or the spectrum of dynamic loads.
Thus, the vibroacoustic method of theoretical modeling of technically complex structures (objects) proves to be suitable for practical use within the framework of automated safety monitoring on various objects, such as in the industrial technosphere.

4. Conclusions

The results of the development of the equivalent computational models for dynamic load sources confirm the versatility of Professor M.S. Khlystunov’s vibroacoustic analogy method. The versatility of this method lies in its ability to enhance the efficiency of computational modeling of dynamic processes in mechanical systems to the level of the most advanced modern digital calculation methods used in electrical and radio engineering circuits and systems. An integral part of computational dynamic modeling is the accurate representation of the calculation schemes for dynamic load sources, as demonstrated in the article.
The equivalent computational models for dynamic load sources presented in this article allow for computational modeling of nearly all known sources of dynamic loads, including transportation, explosive, industrial, and seismic processes.
Such versatility allows for modeling sources over a wide range of values for the source’s own vibroacoustic impedance, including sources with an impedance close to or equal to zero, as well as with infinitely large impedance. The representation of equivalent computational models for dynamic load sources, both in direct and inverse vibroacoustic analogies, allows for the development of a wide range of equivalent calculation schemes and the selection of the most effective and convenient one for a specific real mechanical system.
The developed and presented algorithms and final formulas for calculating the effects of simple dynamic load sources enable the use of both direct and inverse vibroacoustic analogies. The dynamic properties of simple dynamic load sources described in the article allow their use across a wide range of values for the source’s own dynamic stiffness and inertial masses.
The derived formulas for calculating vibroacoustic impedances of dynamic load sources for harmonic loads effectively allow obtaining the Fourier representations of impedances.
An important property of the calculated equivalent vibroacoustic models of sources is the ability to computationally localize and identify critical elements, points, and nodes of buildings and structures under dynamic overloads.
The position of these critical elements, points, and nodes of load-bearing structures under dynamic loads can differ significantly from their position determined using static and quasistatic computational modeling methods.
The materials of the experimental approbation of calculation algorithms and the developed computational equivalent schemes of dynamic load sources will be presented in more detail in a series of subsequent articles by the authors.

Author Contributions

Conceptualization, Z.G.M. and G.V.A.; methodology, Z.G.M. and G.V.A.; formal analysis, Z.G.M. and A.A.T.; writing—original draft preparation, Z.G.M. and G.V.A.; writing—review and editing, Z.G.M., G.V.A. and A.A.T.; project administration, Z.G.M.; translation of the article into English, A.A.T.; funding acquisition, A.A.T. All authors have read and agreed to the published version of the manuscript.

Funding

The research was founded by the National Research Moscow State University of Civil Engineering (grant for fundamental and applied scientific research, project no. 19-392/130).

Data Availability Statement

Data confirming the published results can be found in the author’s earlier publications listed in the list of references.

Acknowledgments

The authors express gratitude to M.S. Khlystunov and V.V. Poduval’tsev of the Department of Metrology and Interchangeability at the Bauman Moscow State Technical University for their useful comments and advice on the subject of this research and development, as well as on the materials of this article.

Conflicts of Interest

The authors declare that there are no conflicts of interest. The sponsors did not participate in the development of this study; in the collection, analysis, and interpretation of data; or in the writing of the manuscript. The role of the sponsors is to decide on the publication of the results.

References

  1. Clough, R.W.; Penzien, J. Dynamics of Structures, 3rd ed.; Computers & Structures, Inc.: Berkeley, CA, USA, 1995; 731p. [Google Scholar]
  2. Kappos, A.J. Loadind and Design of Structures Dynamic; Spon Press: London, UK; New York, NY, USA, 2001; 369p. [Google Scholar]
  3. Yang, Y.B.; Hung, H.H. Soil vibrations caused by underground moving trains. J. Geotech. Geoenviron. Eng. 2008, 134, 1633–1644. [Google Scholar] [CrossRef]
  4. Bian, X.; Jiang, W.; Jin, H. Ground-borne vibrations due to dynamic loadings from moving trains in subway tunnels. J. Zhejiang Univ. Sci. 2012, 13, 870–876. [Google Scholar] [CrossRef]
  5. Xu, L.; Ma, M.; Cao, R.; Tan, X.; Liang, R. Effect of longitudinally varying characteristics of soil on metro train-induced ground vibrations based on wave propagation analysis. Soil Dyn. Earthq. Eng. 2021, 152, 107020. [Google Scholar] [CrossRef]
  6. Mogiljuk, Z.G.; Khlystunov, M.S. Probabilistic reliability estimation model for the technospheric objects researchts results. Sc. Tech. Bull. Volga Reg. 2018, 1, 86–89. [Google Scholar] [CrossRef]
  7. Poduval’tsev, V.V.; Khlystunov, M.S.; Mogilyuk, Z.G. Reliability of the results of dynamic inspections of buildings and structures. Meas. Tech. 2013, 56, 846–849. [Google Scholar] [CrossRef]
  8. Olson, H.F. Dynamical Analogies; D. VAN NOSTRAND COMPANY, Inc.: New York, NY, USA, 1943; 191p. [Google Scholar]
  9. Furduev, V.V. Electroacoustics; State Publishing House of Technical and Technical Literature: Moscow, Russia, 1948; pp. 154–168. [Google Scholar]
  10. Mataushek, I. Introduction to Ultrasound Technology; Publishing Technique: Berlin, Germany, 1957; 535p. [Google Scholar]
  11. Hlystunov, M.S.; Mogiljuk, Z.G. The structures dynamic loads calculation by vibro-acoustic analogy loads. Sc. Tech. Bull. Volga Reg. 2018, 1, 98–102. [Google Scholar] [CrossRef]
  12. Mogilyuk, Z.G.; Prokopiev, V.I. General theory of vibroacoustic simulation of blast resistance of the bearing building constructions. In Proceedings of the International Scientific and Practical Conference "Environmental Risks and Safety in Mechanical Engineering" (ERSME-2020), Rostov-on-Don, Russia, 20–23 October 2020. [Google Scholar] [CrossRef]
  13. Hlystunov, M.S.; Prokop’ev, V.I.; Mogiljuk, Z.G. Digital technologies spectral phantoms of monitoring and numerical simulation in structural mechanics. Int. J. Comput. Civ. Struct. Eng. 2014, 10, 120–129. [Google Scholar]
  14. Hlystunov, M.S.; Prokop’ev, V.I.; Mogilyuk, Z.G. The numerical models spectral phantoms in solid mechanics. Procedia Eng. 2015, 111, 297–301. [Google Scholar] [CrossRef]
  15. Khlystunov, M.S.; Mogilyuk, Z.G.; Poduval’tsev, V.V. Spectral problems in the monitoring of distributed safety parameters of objects in the technosphere. Meas. Tech. 2016, 59, 505–511. [Google Scholar] [CrossRef]
  16. Mogilyuk, Z.G.; Poduvaltsev, V.V. Normative problems of calculating dynamic parameters of buildings and structures. Competence 2020, 9–10, 22–30. [Google Scholar] [CrossRef]
  17. Poduval’cev, V.V.; Hlystunov, M.S.; Mogilyuk, Z.G. Research of adequacy of digital technologies related to technosphere objects’ safety monitoring. Saf. Technosphere 2014, 3, 14–17. [Google Scholar] [CrossRef][Green Version]
  18. Prokopiev, V.I.; Hlystunov, M.S.; Mogilyuk, Z.G. Dynamic error of the FEM and the point sources method. Procedia Eng. 2015, 111, 666–671. [Google Scholar] [CrossRef][Green Version]
  19. Prokopiev, V.I.; Hlystunov, M.S.; Mogilyuk, Z.G. The computer modeling problems of the impact stability and security in structural mechanics. Procedia Eng. 2015, 111, 672–678. [Google Scholar] [CrossRef]
  20. Neguritsa, D.L.; Alekseev, G.V.; Tereshin, A.A.; Medvedev, E.A.; Slobodin, K.M. Deformation Processes Modelling throughout Underground Construction within Megapolis Limits. In Processes in GeoMedia—Volume IV; Springer: Cham, Switzerland, 2022; pp. 215–227. [Google Scholar] [CrossRef]
  21. Shablinsky, G.E.; Zubkov, D.A. Experimental Studies of Dynamic Phenomena in Building Structures of Nuclear Power Plants; ASV Publishing House: Moscow, Russia, 2009; 191p. [Google Scholar]
  22. Shablinsky, G.E.; Zubkov, D.A. Full-Scale and Model Studies of Dynamic Phenomena in Building Structures of Energy and Civil Facilities; ASV Publishing House: Moscow, Russia, 2012; 484p. [Google Scholar]
Figure 1. A sample of the frequency response (dynamic stiffness) of a separate construction beam, depending on the frequency (dimension K(jω)—second·Newton/meter).
Figure 1. A sample of the frequency response (dynamic stiffness) of a separate construction beam, depending on the frequency (dimension K(jω)—second·Newton/meter).
Buildings 14 03193 g001
Figure 2. Frequency response (relative dynamic compliance) of the load-bearing structure of a real building as a function of frequency.
Figure 2. Frequency response (relative dynamic compliance) of the load-bearing structure of a real building as a function of frequency.
Buildings 14 03193 g002
Figure 3. The loading diagram of a structure with a non-ideal dynamic force source (a) and its equivalent model (b), developed using direct vibroacoustic analogies: where P, ZP, Zbc—are, respectively, the dynamic force load source and its own impedance (highlighted by dashed lines in figure b), and the impedance of the construction structure.
Figure 3. The loading diagram of a structure with a non-ideal dynamic force source (a) and its equivalent model (b), developed using direct vibroacoustic analogies: where P, ZP, Zbc—are, respectively, the dynamic force load source and its own impedance (highlighted by dashed lines in figure b), and the impedance of the construction structure.
Buildings 14 03193 g003
Figure 4. The loading diagram of a structure with a non-ideal dynamic deformation velocity source (a) and its equivalent model (b), developed using inverse vibroacoustic analogies: where υ, qυ, qbc—are, respectively, the dynamic deformation velocity source (a), the source’s own compliance impedance (highlighted by dashed lines in Figure b), and the compliance impedance of the construction structure.
Figure 4. The loading diagram of a structure with a non-ideal dynamic deformation velocity source (a) and its equivalent model (b), developed using inverse vibroacoustic analogies: where υ, qυ, qbc—are, respectively, the dynamic deformation velocity source (a), the source’s own compliance impedance (highlighted by dashed lines in Figure b), and the compliance impedance of the construction structure.
Buildings 14 03193 g004
Figure 5. Vibroacoustic calculation scheme for dynamic loading of the considered fragment of the building frame (a) and a simplified equivalent vibroacoustic calculation scheme (b).
Figure 5. Vibroacoustic calculation scheme for dynamic loading of the considered fragment of the building frame (a) and a simplified equivalent vibroacoustic calculation scheme (b).
Buildings 14 03193 g005
Disclaimer/Publisher’s Note: The statements, opinions and data contained in all publications are solely those of the individual author(s) and contributor(s) and not of MDPI and/or the editor(s). MDPI and/or the editor(s) disclaim responsibility for any injury to people or property resulting from any ideas, methods, instructions or products referred to in the content.

Share and Cite

MDPI and ACS Style

Mogilyuk, Z.G.; Tereshin, A.A.; Alekseev, G.V. Computational Models of Dynamic Load Sources for Modeling of Construction Structures Operation Used in Monitoring of Technical Condition of Buildings and Structures. Buildings 2024, 14, 3193. https://doi.org/10.3390/buildings14103193

AMA Style

Mogilyuk ZG, Tereshin AA, Alekseev GV. Computational Models of Dynamic Load Sources for Modeling of Construction Structures Operation Used in Monitoring of Technical Condition of Buildings and Structures. Buildings. 2024; 14(10):3193. https://doi.org/10.3390/buildings14103193

Chicago/Turabian Style

Mogilyuk, Zhanna Gennadievna, Alexander Alexandrovich Tereshin, and German Valerievich Alekseev. 2024. "Computational Models of Dynamic Load Sources for Modeling of Construction Structures Operation Used in Monitoring of Technical Condition of Buildings and Structures" Buildings 14, no. 10: 3193. https://doi.org/10.3390/buildings14103193

APA Style

Mogilyuk, Z. G., Tereshin, A. A., & Alekseev, G. V. (2024). Computational Models of Dynamic Load Sources for Modeling of Construction Structures Operation Used in Monitoring of Technical Condition of Buildings and Structures. Buildings, 14(10), 3193. https://doi.org/10.3390/buildings14103193

Note that from the first issue of 2016, this journal uses article numbers instead of page numbers. See further details here.

Article Metrics

Back to TopTop