A Review of Studies on Heat Transfer in Buildings with Radiant Cooling Systems
Abstract
1. Introduction
2. Conduction Heat Transfer in Radiant Cooling Systems
2.1. Analytical Models
2.2. Numerical Model
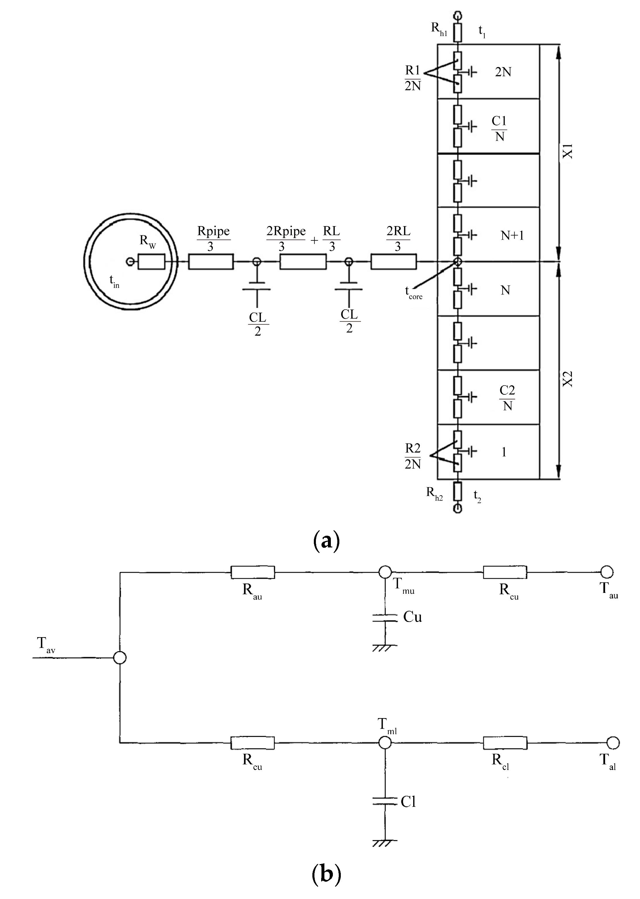
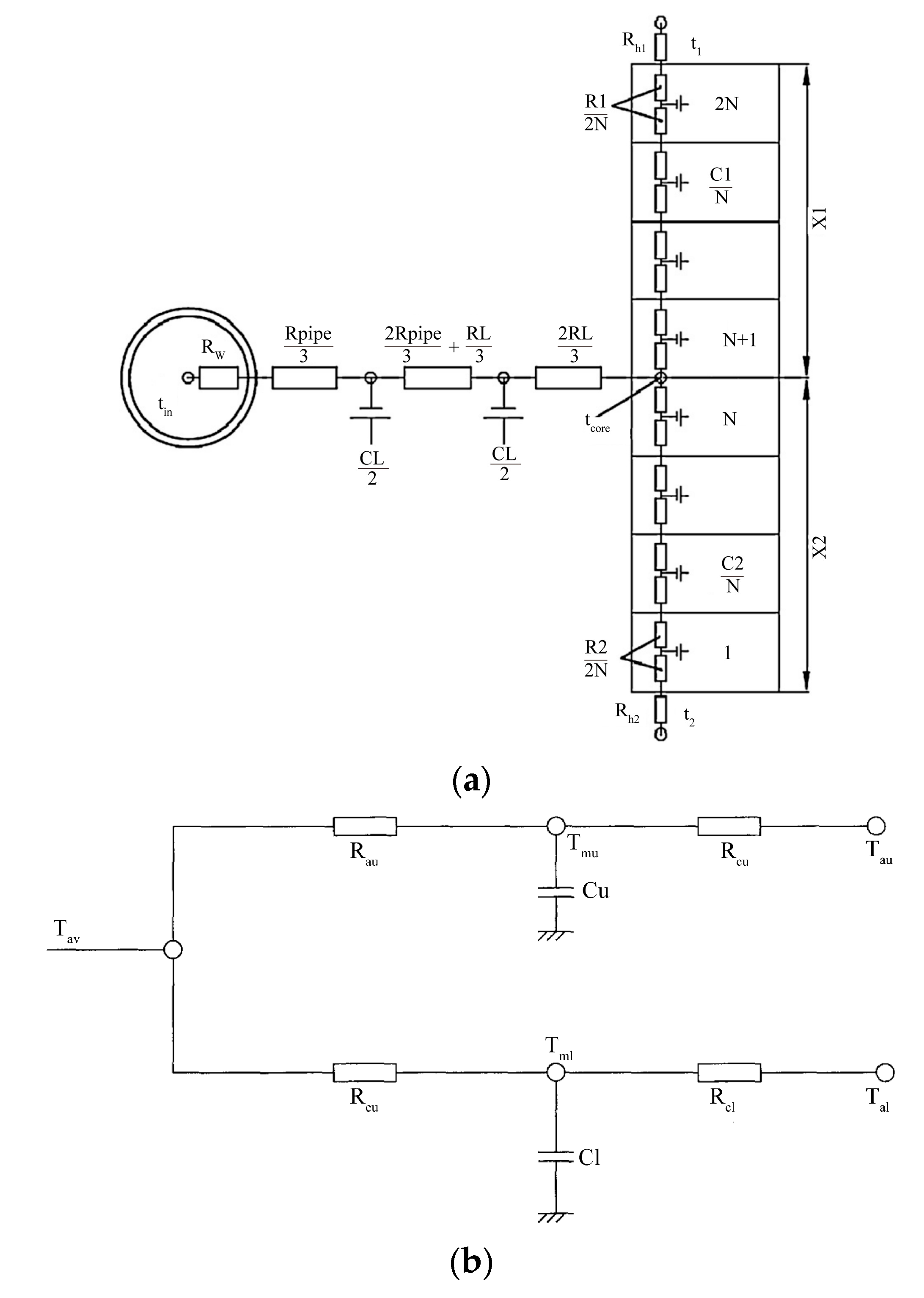
2.3. Simplified Model
3. Cooling Load of Radiant Systems and Space Heat Transfer
3.1. Cooling Load of Radiant Systems
3.2. Cooling Capacity of Radiant Systems
3.3. Surface Heat Transfer Coefficient
4. Building Thermal Performance and System Regulation
4.1. Thermal Inertia Parameters
4.2. Thermal Inertia of Structure with Phase Change Materials
4.3. Optimization of HVAC Control Strategy by Using Thermal Inertia
5. Discussion
6. Conclusions
Author Contributions
Funding
Data Availability Statement
Conflicts of Interest
Nomenclature and Abbreviations
| A | Surface area (m2) |
| Convective heat transfer area of the radiant panel (m2) | |
| Exterior surface (solar) temperature amplitude (°C) | |
| Interior surface temperature amplitude (°C) | |
| The projected area of the panel (m2) | |
| Area of active surface (m2) | |
| Heat ermeability coefficient (W·s0.5/(m2·K)) | |
| c | The material-specific heat capacity (J/(kg·K)) |
| C | Heat capacity of upside or downside slab surface (J/m2·K) |
| Specific heat capacity of water (J/(kg·°C)) | |
| Ventilation conductance (W/K) | |
| Diameter of pipe (m) | |
| Insertion depth in zone one (m) | |
| Insertion depth in zone two (m) | |
| D | Thermal inertia index ((m2·K)/W) |
| Decrement factor | |
| Convective heat transfer coefficient (W/m2·K) | |
| Radiant heat transfer coefficient (W/m2·K) | |
| Total heat transfer coefficient (W/m2·K) | |
| k | Thermal conductivity (W/(m·K)) |
| Length of pipe (m) | |
| L | Heat resistance of upside or downside slab surface (m2·k/W) |
| Mass flow (kg/s) | |
| n | The number of layers of the material |
| N | Room air change rate |
| Convective heat flux density (W/m2) | |
| Backward heat transfer (W) | |
| Radiant heat flux density (W/m2) | |
| Total heat flux density (W/m2) | |
| R | The thermal resistance of a certain thickness of envelope (m2·K)/W |
| Overall heat resistance of upper slab surface (m2·K/W) | |
| Overall heat resistance of below slab surface (m2·K/W) | |
| The thermal resistance of the kth layer of material ((m·°C)/W) | |
| Heat resistance of pipe wall (m2·K/W) | |
| The convection heat resistance between the water and pipe inner wall (m2·K)/W | |
| S | Heat storage coefficient (W/m2·K) |
| The heat storage coefficient of the kth layer of material (W/m·°C) | |
| Temperature (°C) | |
| Down room air temperature (°C) | |
| Air temperature (°C) | |
| Air temperature in zone one (°C) | |
| Air temperature in zone two (°C) | |
| Temperature below the floor (°C) | |
| Reference temperature (°C) | |
| Supply water temperature (°C) | |
| Mean temperature of supply and return water (°C) | |
| Operative temperature (°C) | |
| Return water temperature (°C) | |
| Reference temperature (°C) | |
| Active surface temperature (°C) | |
| Mean water temperature (°C) | |
| Average exterior surface temperature (°C) | |
| Maximum interior surface temperature (°C) | |
| Average interior surface temperature (°C) | |
| Maximum interior surface temperature (°C) | |
| Temperature of pipe surface (°C) | |
| U | Thermal resistance from piping level downward (m2·K)/W |
| Overall heat transfer coefficient (W/m2·K) | |
| Overall heat transfer coefficient in zone two (W/m2·K) | |
| V | The volume of room (m3) |
| Y | Thermal admittance (W/m2·K) |
| The external surface heat storage coefficient (W/(m·°C)) | |
| The internal surface heat storage coefficient of the kth material layer (W/(m·°C)) | |
| The external surface convective heat transfer coefficient (W/(m2 °C)) | |
| Material heat conduction coefficient (W/(m·K)) | |
| Diameter of water pipe (m) | |
| Intense fluctuation layer thickness (W/m·K) | |
| The material density (kg/m3) | |
| AUST | Average unheated surface temperature (°C) |
| H | Height of room |
| L | Length of room |
| TABS | Thermally activated building systems |
| AUST | Average unheated surface temperature (°C) |
| H | Height of room |
| L | Length of room |
| TABS | Thermally activated building systems |
References
- Cdb, P. 2022 Global Status Report for Buildings and Construction. 2022. Available online: https://www.unep.org/resources/publication/2022-global-status-report-buildings-and-construction (accessed on 30 July 2023).
- China Association of Building Energy Efficiency. China Building Energy Consumptionand Carbon Emissions Research Report. 2022. Available online: https://www.google.com/url?sa=i&rct=j&q=&esrc=s&source=web&cd=&cad=rja&uact=8&ved=0CAIQw7AJahcKEwjQ5quskbmAAxUAAAAAHQAAAAAQAg&url=https%3A%2F%2Fcarbon.landleaf-tech.com%2Fwp-content%2Fuploads%2F2022%2F12%2F2022%25E5%25BB%25BA%25E7%25AD%2591%25E8%2583%25BD%25E8%2580%2597%25E4%25B8%258E%25E7%25A2%25B3%25E6%258E%2592%25E6%2594%25BE%25E7%25A0%2594%25E7%25A9%25B6%25E6%258A%25A5%25E5%2591%258A.pdf&psig=AOvVaw18750ZDqQPhNhlvtu1tJpf&ust=1690899382497291&opi=89978449 (accessed on 30 July 2023).
- Babiak, J.; Olesen, B.W.; Petras, D. Low Temperature Heating and High Temperature Cooling: REHVA Guidebook No. 7; Federation of European Heating, Ventilation and Air Conditioning Associations: Brussels, Belgium, 2009. [Google Scholar]
- Feng, J.D.; Schiavon, S.; Bauman, F. Cooling Load Differences between Radiant and Air Systems. Energy Build. 2013, 65, 310–321. [Google Scholar] [CrossRef]
- Rhee, K.-N.; Kim, K.W. A 50 Year Review of Basic and Applied Research in Radiant Heating and Cooling Systems for the Built Environment. Build. Environ. 2015, 91, 166–190. [Google Scholar] [CrossRef]
- Gwerder, M.; Toedtli, J.; Lehmann, B.; Dorer, V.; Guentensperger, W.; Renggli, F. Control of Thermally Activated Building Systems (TABS) in Intermittent Operation with Pulse Width Modulation. Appl. Energy 2009, 86, 1606–1616. [Google Scholar] [CrossRef]
- Gwerder, M.; Lehmann, B.; Tödtli, J.; Dorer, V.; Renggli, F. Control of Thermally Activated Building Systems (TABS). Appl. Energy 2008, 85, 565–581. [Google Scholar] [CrossRef]
- Zakula, T.; Armstrong, P.R.; Norford, L. Advanced Cooling Technology with Thermally Activated Building Surfaces and Model Predictive Control. Energy Build. 2015, 86, 640–650. [Google Scholar] [CrossRef]
- Wang, X.; Zhang, W.; Li, Q.; Wei, Z.; Lei, W.; Zhang, L. An analytical method to estimate temperature distribution of typical radiant floor cooling systems with internal heat radiation. Energy Explor. Exploit. 2021, 39, 1283–1305. [Google Scholar] [CrossRef]
- Flores Larsen, S.; Filippín, C.; Lesino, G. Transient Simulation of a Storage Floor with a Heating/Cooling Parallel Pipe System. Build. Simul. 2010, 3, 105–115. [Google Scholar] [CrossRef]
- Laouadi, A. Development of a radiant heating and cooling model for building energy simulation software. Build. Environ. 2004, 39, 421–431. [Google Scholar] [CrossRef]
- Liu, M.; Zhang, H.; Zheng, W.; You, S. Heat Transfer Research of a New Type of Radiant Floor Heating System. Heat Transfer Eng. 2020, 41, 1626–1641. [Google Scholar] [CrossRef]
- Sattari, S.; Farhanieh, B. A parametric study on radiant floor heating system performance. Renew. Energy 2006, 31, 1617–1626. [Google Scholar] [CrossRef]
- Su, L.; Li, N.; Zhang, X.; Sun, Y.; Qian, J. Heat Transfer and Cooling Characteristics of Concrete Ceiling Radiant Cooling Panel. Appl. Therm. Eng. 2015, 84, 170–179. [Google Scholar] [CrossRef]
- Strand, R.; Pedersen, C. Implementation of a Radiant Heating and Cooling Model into an Integrated Building Energy Analysis Program. ASHRAE Trans. 1997, 103, 949–958. [Google Scholar]
- Strand, R.; Pedersen, C. Modeling Radiant Systems in an Integrated Heat Balance-Based Energy Simulation Program. ASHRAE Trans. 2002, 108, 979–987. [Google Scholar]
- Jin, X.; Zhang, X.; Luo, Y. A calculation method for the floor surface temperature in radiant floor system. Energy Build. 2010, 42, 1753–1758. [Google Scholar] [CrossRef]
- Jin, X.; Zhang, X.; Luo, Y.; Cao, R. Numerical Simulation of Radiant Floor Cooling System: The Effects of Thermal Resistance of Pipe and Water Velocity on the Performance. Build. Environ. 2010, 45, 2545–2552. [Google Scholar] [CrossRef]
- Wu, X.; Zhao, J.; Olesen, B.W.; Fang, L.; Wang, F. A New Simplified Model to Calculate Surface Temperature and Heat Transfer of Radiant Floor Heating and Cooling Systems. Energy Build. 2015, 105, 285–293. [Google Scholar] [CrossRef]
- Lu, L.; Chen, J.; Su, T.; Liu, X.; Hu, Y.; Luo, Q.; Luo, L. An RC-network model in the frequency domain for radiant floor heating coupled with envelopes. Build. Environ. 2022, 225, 109617. [Google Scholar] [CrossRef]
- Kilkis, Í.B.; Sager, S.S.; Uludag, M. A Simplified Model for Radiant Heating and Cooling Panels. Simul. Pract. Theory 1994, 2, 61–76. [Google Scholar] [CrossRef]
- Liu, Y.; Wang, D.; Liu, J. Study on Heat Transfer Process for In-Slab Heating Floor. Build. Environ. 2012, 54, 77–85. [Google Scholar] [CrossRef]
- Li, Q.; Chen, C.; Zhang, Y.; Lin, J.; Ling, H. Simplified thermal calculation method for floor structure in radiant floor cooling system. Energy Build. 2014, 74, 182–190. [Google Scholar] [CrossRef]
- Li, Q.; Zhang, Y.; Guo, T.; Fan, J. Development of a new method to estimate thermal performance of multilayer radiant floor. J. Build. Eng. 2021, 33, 101562. [Google Scholar] [CrossRef]
- Zhang, L.; Liu, X.-H.; Jiang, Y. Simplified Calculation for Cooling/Heating Capacity, Surface Temperature Distribution of Radiant Floor. Energy Build. 2012, 55, 397–404. [Google Scholar] [CrossRef]
- Hassan, M.A.; Abdelaziz, O. Best Practices and Recent Advances in Hydronic Radiant Cooling Systems—Part II: Simulation, Control, and Integration. Energy Build. 2020, 224, 110263. [Google Scholar] [CrossRef]
- Liu, K.; Tian, Z.; Zhang, C.; Ding, Y.; Wang, W. Establishment and validation of modified star-type RC-network model for concrete core cooling slab. Energy Build. 2011, 43, 2378–2384. [Google Scholar] [CrossRef]
- Ren, M.J.; Wright, J.A. A ventilated slab thermal storage system model. Build. Environ. 1998, 33, 43–52. [Google Scholar] [CrossRef]
- Koschenz, M.; Dorer, V. Interaction of an Air System with Concrete Core Conditioning. Energy Build. 1999, 30, 139–145. [Google Scholar] [CrossRef]
- Zhu, Q.; Xu, X.; Wang, J.; Xiao, F. Development of Dynamic Simplified Thermal Models of Active Pipe Embedded Building Envelopes Using Genetic Algorithm. Int. J. Therm. Sci. 2014, 76, 258–272. [Google Scholar] [CrossRef]
- Li, A.; Sun, Y.; Xu, X. Development of a Simplified Resistance and Capacitance (RC)-Network Model for Pipe Embedded Concrete Radiant Floors. Energy Build. 2017, 150, 353–375. [Google Scholar] [CrossRef]
- BS EN 1264-1:2021; Water Based Surface Embedded Heating and Cooling Systems—Part 1: Definitions and Symbols. 2021. Available online: https://standards.iteh.ai/catalog/standards/cen/8323932e-fc13-4448-a394-b0fa63e237c6/en-1264-1-2021 (accessed on 30 July 2023).
- ASHRAE. Nonresidential Cooling and Heating Load Calculations. In ASHRAE Handbook, Fundamentals; American Society of Heating, Refrigerating and Air Conditioning Engineers, Inc.: Altanta, GA, USA, 2009. [Google Scholar]
- Corgnati, S.P.; Perino, M.; Fracastoro, G.V.; Nielsen, P.V. Experimental and Numerical Analysis of Air and Ra-diant Cooling Systems in Offices. Build. Environ. 2009, 44, 801–806. [Google Scholar] [CrossRef]
- Saber, E.M.; Iyengar, R.; Mast, M.; Meggers, F.; Tham, K.W.; Leibundgut, H. Thermal Comfort and IAQ Analysis of a Decentralized DOAS System Coupled with Radiant Cooling for the Tropics. Build. Environ. 2014, 82, 361–370. [Google Scholar] [CrossRef]
- Feng, J.D.; Bauman, F.; Schiavon, S. Experimental Comparison of Zone Cooling Load between Radiant and Air Systems. Energy Build. 2014, 84, 152–159. [Google Scholar] [CrossRef]
- Hu, R.; Niu, J.L. A Review of the Application of Radiant Cooling & Heating Systems in Mainland China. Energy Build. 2012, 52, 11–19. [Google Scholar] [CrossRef]
- ASHRAE. Nonresidential Cooling and Heating Load Calculations, Chapter 18. In ASHRAE Handbook, Fundamentals; American Society of Heating, Refrigerating and Air Conditioning Engineers, Inc.: Atlanta, GA, USA, 2013. [Google Scholar]
- Kaşka, Ö.; Yumrutaş, R.; Arpa, O. Theoretical and Experimental Investigation of Total Equivalent Temperature Difference (TETD) Values for Building Walls and Flat Roofs in Turkey. Appl. Energy 2009, 86, 737–747. [Google Scholar] [CrossRef]
- Ning, B.; Chen, Y. A Radiant and Convective Time Series Method for Cooling Load Calculation of Radiant Ceiling Panel System. Build. Environ. 2021, 188, 107411. [Google Scholar] [CrossRef]
- Mao, C.; Baltazar, J.-C.; Haberl, J.S. Literature Review of Building Peak Cooling Load Methods in the United States. Sci. Technol. Built Environ. 2018, 24, 228–237. [Google Scholar] [CrossRef]
- Mao, C.; Baltazar, J.-C.; Haberl, J.S. Comparison of ASHRAE Peak Cooling Load Calculation Methods. Sci. Technol. Built Environ. 2019, 25, 189–208. [Google Scholar] [CrossRef]
- Niu, J.; Kooi, J.V.D.; Ree, H.V.D. Cooling Load Dynamics of Rooms with Cooled Ceilings. Build. Serv. Eng. Res. Technol. 1997, 18, 201–207. [Google Scholar] [CrossRef]
- Ning, B.; Chen, Y.; Jia, H. Cooling Load Dynamics and Simplified Calculation Method for Radiant Ceiling Panel and Dedicated Outdoor Air System. Energy Build. 2020, 207, 109631. [Google Scholar] [CrossRef]
- Ning, B.; Zhang, M.; Li, J.; Chen, Y. A Revised Radiant Time Series Method (RTSM) to Calculate the Cooling Load for Pipe-Embedded Radiant Systems. Energy Build. 2022, 268, 112199. [Google Scholar] [CrossRef]
- Feng, J.D.; Schiavon, S.; Bauman, F. Comparison of Zone Cooling Load for Radiant and All-Air Conditioning Systems. In Proceedings of the International Conference on Building Energy and Environment, Boulder, CO, USA, 1–4 August 2012; Available online: http://www.escholarship.org/uc/item/9g24f38j (accessed on 12 June 2012).
- Woolley, J.; Schiavon, S.; Bauman, F.; Raftery, P.; Pantelic, J. Side-by-Side Laboratory Comparison of Space Heat Extraction Rates and Thermal Energy Use for Radiant and All-Air Systems. Energy Build. 2018, 176, 139–150. [Google Scholar] [CrossRef]
- Woolley, J.; Schiavon, S.; Bauman, F.; Raftery, P. Side-by-Side Laboratory Comparison of Radiant and All-Air Cooling: How Natural Ventilation Cooling and Heat Gain Characteristics Impact Space Heat Extraction Rates and Daily Thermal Energy Use. Energy Build. 2019, 200, 68–85. [Google Scholar] [CrossRef]
- Hu, R.; Liu, G.; Niu, J. The Impacts of a Building’s Thermal Mass on the Cooling Load of a Radiant System under Various Typical Climates. Energies 2020, 13, 1356. [Google Scholar] [CrossRef]
- Olesen, B. Possibilities and limitations of radiant floor cooling. In Proceedings of the Winter Meeting of the American Society of Heating Refrigerating and Air Conditioning Engineers, Philadelphia, PA, USA, 24–28 February 1997. [Google Scholar]
- Zhang, L.; Liu, X.-H.; Jiang, Y. Experimental Evaluation of a Suspended Metal Ceiling Radiant Panel with Inclined Fins. Energy Build. 2013, 62, 522–529. [Google Scholar] [CrossRef]
- Jeong, J.-W.; Mumma, S.A. Ceiling Radiant Cooling Panel Capacity Enhanced by Mixed Convection in Mechanically Ventilated Spaces. Appl. Therm. Eng. 2003, 23, 2293–2306. [Google Scholar] [CrossRef]
- Jeong, J.-W.; Mumma, S.A. Simplified Cooling Capacity Estimation Model for Top Insulated Metal Ceiling Radiant Cooling Panels. Appl. Therm. Eng. 2004, 24, 2055–2072. [Google Scholar] [CrossRef]
- Jeong, J.-W.; Mumma, S.A. Practical Cooling Capacity Estimation Model for a Suspended Metal Ceiling Radiant Cooling Panel. Build. Environ. 2007, 42, 3176–3185. [Google Scholar] [CrossRef]
- Andrés-Chicote, M.; Tejero-González, A.; Velasco-Gómez, E.; Rey-Martínez, F.J. Experimental Study on the Cooling Capacity of a Radiant Cooled Ceiling System. Energy Build. 2012, 54, 207–214. [Google Scholar] [CrossRef]
- Tian, Z.; Yin, X.; Ding, Y.; Zhang, C. Research on the Actual Cooling Performance of Ceiling Radiant Panel. Energy Build. 2012, 47, 636–642. [Google Scholar] [CrossRef]
- Acikgoz, O.; Kincay, O. Experimental and Numerical Investigation of the Correlation between Radiative and Convective Hea Transfer Coefficients at the Cooled Wall of a Real Sized Room. Energy Build. 2015, 108, 257–266. [Google Scholar] [CrossRef]
- Causone, F.; Corgnati, S.P.; Filippi, M.; Olesen, B.W. Experimental Evaluation of Heat Transfer Coefficients between Radiant Ceiling and Room. Energy Build. 2009, 41, 622–628. [Google Scholar] [CrossRef]
- Cholewa, T.; Anasiewicz, R.; Siuta-Olcha, A.; Skwarczynski, M.A. On the Heat Transfer Coefficients between Heated/Cooled Radiant Ceiling and Room. Appl. Therm. Eng. 2017, 117, 76–84. [Google Scholar] [CrossRef]
- Cholewa, T.; Rosiński, M.; Spik, Z.; Dudzińska, M.R.; Siuta-Olcha, A. On the Heat Transfer Coefficients between Heated/Cooled Radiant Floor and Room. Energy Build. 2013, 66, 599–606. [Google Scholar] [CrossRef]
- Olesen, B.W.; Bonnefoi, F.; Michel, E.; Carli, M. Heat Exchange Coefficient between Floor Surface and Space by Floor Cooling—Theory or a Question of Definition. ASHRAE Trans. 2000, 106, 684–694. [Google Scholar]
- Acikgoz, O.; Karakoyun, Y.; Yumurtacı, Z.; Dukhan, N.; Dalkılıç, A.S. Realistic Experimental Heat Transfer Characteristics of Radiant Floor Heating Using Sidewalls as Heat Sinks. Energy Build. 2019, 183, 515–526. [Google Scholar] [CrossRef]
- Shinoda, J.; Kazanci, O.B.; Tanabe, S.; Olesen, B.W. A Review of the Surface Heat Transfer Coefficients of Radiant Heating and Cooling Systems. Build. Environ. 2019, 159, 106156. [Google Scholar] [CrossRef]
- EN 1264-2; Water Based Surface Embedded Heating and Cooling Systems—Part 2: Floor Heating: Prove Methods for the Determination of the Thermal Output Using Calculation and Test Methods. Comité Européen de Normalisation: Brussels, Belgium, 2008.
- Khalifa, A.J.N. Natural Convective Heat Transfer Coefficient—A Review I. Isolated Vertical and Horizontal Surfaces. Energy Convers. Manag. 2001, 42, 491–504. [Google Scholar] [CrossRef]
- Khalifa, A.-J.N. Natural Convective Heat Transfer Coefficient—A Review: II. Surfaces in Two and Three-Dimensional Enclosures. Energy Convers. Manag. 2001, 42, 505–517. [Google Scholar] [CrossRef]
- Awbi, H.B.; Hatton, A. Natural Convection from Heated Room Surfaces. Energy Build. 1999, 30, 233–244. [Google Scholar] [CrossRef]
- Awbi, H.B.; Hatton, A. Mixed Convection from Heated Room Surfaces. Energy Build. 2000, 32, 153–166. [Google Scholar] [CrossRef]
- Koca, A.; Karakoyun, Y.; Acikgoz, O.; Dogu, M.; Dalkilic, A.S. An Experimental Investigation on the Radiant Cooled Wall’s Heat Transfer Characteristics in a Fully Conditioned Real-Sized Living Environment. Energy Build. 2022, 277, 112578. [Google Scholar] [CrossRef]
- Mustakallio, P.; Kosonen, R.; Melikov, A. The Effects of Mixing Air Distribution and Heat Load Arrangement on the Performance of Ceiling Radiant Panels under Cooling Mode of Operation. Sci. Technol. Built Environ. 2017, 23, 1090–1104. [Google Scholar] [CrossRef]
- Karadağ, R. New Approach Relevant to Total Heat Transfer Coefficient Including the Effect of Radiation and Convection at the Ceiling in a Cooled Ceiling Room. Appl. Therm. Eng. 2009, 29, 1561–1565. [Google Scholar] [CrossRef]
- Karadağ, R. The Investigation of Relation between Radiative and Convective Heat Transfer Coefficients at the Ceiling in a Cooled Ceiling Room. Energy Convers. Manag. 2009, 50, 1–5. [Google Scholar] [CrossRef]
- Zhang, X.; Li, N.; Su, L.; Sun, Y.; Qian, J. Experimental Study on the Characteristics of Non-Steady State Radiation Heat Transfer in the Room with Concrete Ceiling Radiant Cooling Panels. Build. Environ. 2016, 96, 157–169. [Google Scholar] [CrossRef]
- Hu, R.; Li, X.; Liang, J.; Wang, H.; Liu, G. Field Study on Cooling Performance of a Heat Recovery Ground Source Heat Pump System Coupled with Thermally Activated Building Systems (TABSs). Energy Convers. Manag. 2022, 262, 115678. [Google Scholar] [CrossRef]
- Sadineni, S.B.; Madala, S.; Boehm, R.F. Passive Building Energy Savings: A Review of Building Envelope Components. Renew. Sust. Energy Rev. 2011, 15, 3617–3631. [Google Scholar] [CrossRef]
- Verbeke, S.; Audenaert, A. Thermal Inertia in Buildings: A Review of Impacts across Climate and Building Use. Renew. Sustain. Energy Rev. 2018, 82, 2300–2318. [Google Scholar] [CrossRef]
- Martín, K.; Flores, I.; Escudero, C.; Apaolaza, A.; Sala, J.M. Methodology for the Calculation of Response Factors through Experimental Tests and Validation with Simulation. Energy Build. 2010, 42, 461–467. [Google Scholar] [CrossRef]
- Oh, S.; Haberl, J.S. Origins of Analysis Methods Used to Design High Performance Commercial Buildings: Whole Building Energy Simulation. Sci. Technol. Built Environ. 2016, 22, 118–137. [Google Scholar] [CrossRef]
- Zhao, J.; Dang, W. Comparative study on parameter systems of building envelope thermal storage performance. Heat. Vent. Air Cond. 2018, 48, 72–79. [Google Scholar]
- Clarke, J.A. Energy Simulation in Building Design, 2nd ed.; Butterworth-Heinemann: Oxford, UK, 2001. [Google Scholar]
- Asan, H. Numerical Computation of Time Lags and Decrement Factors for Different Building Materials. Build. Environ. 2006, 41, 615–620. [Google Scholar] [CrossRef]
- Roucoult, J.-M.; Douzane, O.; Langlet, T. Incorporation of Thermal Inertia in the Aim of Installing a Natural Nighttime Ventilation System in Buildings. Energy Build. 1999, 29, 129–133. [Google Scholar] [CrossRef]
- Jaunzems, D.; Veidenbergs, I. Influence of Thermo-Dynamic Properties and Thermal Inertia of the Building Envelope on Building Cooling Load. Environ. Clim. Technol. 2009, 3, 63–69. [Google Scholar] [CrossRef][Green Version]
- Al-Sanea, S.A.; Zedan, M.F.; Al-Ajlan, S.A.; Abdul Hadi, A.S. Heat Transfer Characteristics and Optimum Insulation Thickness for Cavity Walls. J. Therm. Envel. Build. Sci. 2003, 26, 285–307. [Google Scholar] [CrossRef]
- Al-Sanea, S.A.; Zedan, M.F.; Al-Hussain, S.N. Effect of Thermal Mass on Performance of Insulated Building Walls and the Concept of Energy Savings Potential. Appl. Energy 2012, 89, 430–442. [Google Scholar] [CrossRef]
- Tsilingiris, P.T. Parametric Space Distribution Effects of Wall Heat Capacity and Thermal Resistance on the Dynamic Thermal Behavior of Walls and Structures. Energy Build. 2006, 38, 1200–1211. [Google Scholar] [CrossRef]
- Drysdale, D. An Introduction to Fire Dynamics, 3rd ed.; Wiley: Chichester, UK, 2011. [Google Scholar]
- Ng, S.-C.; Low, K.-S.; Tioh, N.-H. Newspaper Sandwiched Aerated Lightweight Concrete Wall Panels—Thermal Inertia, Transient Thermal Behavior and Surface Temperature Prediction. Energy Build. 2011, 43, 1636–1645. [Google Scholar] [CrossRef]
- Kolokotroni, M. London’s Urban Heat Island: Impact on Current and Future Energy Consumption in Office Buildings. Energy Build. 2012, 47, 302–311. [Google Scholar] [CrossRef]
- CIBSE. CIBSE Guide A: Environmental Design, 8th ed.; Chartered Institution of Building Services Engineers: London, UK, 2015. [Google Scholar]
- Gil, A.; Medrano, M.; Martorell, I.; Lázaro, A.; Dolado, P.; Zalba, B.; Cabeza, L.F. State of the Art on High Temperature Thermal Energy Storage for Power Generation. Part 1—Concepts, Materials and Modellization. Renew. Sust. Energy Rev. 2010, 14, 31–55. [Google Scholar] [CrossRef]
- De Gracia, A.; Cabeza, L.F. Phase Change Materials and Thermal Energy Storage for Buildings. Energy Build. 2015, 103, 414–419. [Google Scholar] [CrossRef]
- Navarro, L.; de Gracia, A.; Niall, D.; Castell, A.; Browne, M.; McCormack, S.J.; Griffiths, P.; Cabeza, L.F. Thermal Energy Storage in Building Integrated Thermal Systems: A Review. Part 2. Integration as Passive System. Renew. Energy 2016, 85, 1334–1356. [Google Scholar] [CrossRef]
- Kalnaes, S.E.; Jelle, B.P. Phase Change Materials and Products for Building Applications: A State of the Art Review and Future Research Opportunities. Energy Build. 2015, 94, 150–176. [Google Scholar] [CrossRef]
- Sun, X.; Zhang, Y.; Xie, K.; Medina, M.A. A Parametric Study on the Thermal Response of a Building Wall with a Phase Change Material (PCM) Layer for Passive Space Cooling. J. Energy Storage 2022, 47, 103548. [Google Scholar] [CrossRef]
- Pandey, A.K.; Hossain, M.S.; Tyagi, V.V.; Abd Rahim, N.; Selvaraj, J.A.L.; Sari, A. Novel Approaches and Recent Developments on Potential Applications of Phase Change Materials in Solar Energy. Renew. Sustain. Energy Rev. 2018, 82, 281–323. [Google Scholar] [CrossRef]
- Koschenz, M.; Lehmann, B. Development of a Thermally Activated Ceiling Panel with PCM for Application in Lightweight and Retrofitted Buildings. Energy Build. 2004, 36, 567–578. [Google Scholar] [CrossRef]
- Lin, K.; Zhang, Y.; Xu, X.; Di, H.; Yang, R.; Qin, P. Experimental Study of Under Floor Electric Heating System with Shape-Stabilized PCM Plates. Energy Build. 2005, 37, 215–220. [Google Scholar] [CrossRef]
- Lin, K.; Zhang, Y.; Di, H.; Yang, R. Study of an Electrical Heating System with Ductless Air Supply and Shape-Stabilized PCM for Thermal Storage. Energy Convers. Manag. 2007, 48, 2016–2024. [Google Scholar] [CrossRef]
- Jobli, M.I.; Yao, R.; Luo, Z.; Shahrestani, M.; Li, N.; Liu, H. Numerical and Experimental Studies of a Capillary-Tube Embedded PCM Component for Improving Indoor Thermal Environment. Appl. Therm. Eng. 2019, 148, 466–477. [Google Scholar] [CrossRef]
- Weinläder, H.; Klinker, F.; Yasin, M. PCM Cooling Ceilings in the Energy Efficiency Center—Passive Cooling Potential of Two Different System Designs. Energy Build. 2016, 119, 93–100. [Google Scholar] [CrossRef]
- Weinläder, H.; Klinker, F.; Yasin, M. PCM Cooling Ceilings in the Energy Efficiency Center—Regeneration behaviour of Two Different System Designs. Energy Build. 2017, 156, 70–77. [Google Scholar] [CrossRef]
- Bogatu, D.-I.; Kazanci, O.B.; Olesen, B.W. An Experimental Study of the Active Cooling Performance of a Novel Radiant Ceiling Panel Containing Phase Change Material (PCM). Energy Build. 2021, 243, 110981. [Google Scholar] [CrossRef]
- Gallardo, A.; Berardi, U. Experimental Evaluation of the Cooling Performance of Radiant Ceiling Panels with Thermal Energy Storage. Energy Build. 2022, 262, 112021. [Google Scholar] [CrossRef]
- Yam, J.; Li, Y.; Zheng, Z. Nonlinear Coupling between Thermal Mass and Natural Ventilation in Buildings. Int. J. Heat Mass Transf. 2003, 46, 1251–1264. [Google Scholar] [CrossRef]
- Li, W.; Yang, L.; Ji, Y.; Xu, P. Estimating Demand Response Potential under Coupled Thermal Inertia of Building and Air-Conditioning System. Energy Build. 2019, 182, 19–29. [Google Scholar] [CrossRef]
- Shaviv, E.; Yezioro, A.; Capeluto, I.G. Thermal Mass and Night Ventilation as Passive Cooling Design Strategy. Renew. Energy 2001, 24, 445–452. [Google Scholar] [CrossRef]
- Cui, M.; Liu, J.; Kim, M.K.; Wu, X. Application Potential Analysis of Different Control Strategies for Radiant Floor Cooling Systems in Office Buildings in Different Climate Zones of China. Energy Build. 2023, 282, 112772. [Google Scholar] [CrossRef]
- Hu, Y.; Xia, X.; Wang, J. Research on Operation Strategy of Radiant Cooling System Based on Intermittent Operation Characteristics. J. Build. Eng. 2022, 45, 103483. [Google Scholar] [CrossRef]
- Chen, Y.; Xu, P.; Chen, Z.; Wang, H.; Sha, H.; Ji, Y.; Zhang, Y.; Dou, Q.; Wang, S. Experimental Investigation of Demand Response Potential of Buildings: Combined Passive Thermal Mass and Active Storage. Appl. Energy 2020, 280, 115956. [Google Scholar] [CrossRef]
- Reilly, A.; Kinnane, O. The Impact of Thermal Mass on Building Energy Consumption. Appl. Energy 2017, 198, 108–121. [Google Scholar] [CrossRef]
- Jiang, Y.; Hu, S. Paths to carbon neutrality in China’s building sector. Heat. Vent. Air Cond. 2021, 51, 1–13. [Google Scholar]






| Author/ Standard | Heat Flux Calculation (Steady-State Situation) | Measurement Conditions | ||
|---|---|---|---|---|
| Dimension W × L × H (m × m × m) | Surface Area (m2) | Length (m) | ||
| Acikgoz and Kincay [57] | 1.8 × 1.8 × 2.85 | 5.1 | 2.2 | |
| Zhang et al. [51] | 12 × 6 × 3, 10.5 × 6 × 5 | 26/72.8/19.5/54.6 | - | |
| Andrés Chicote et al. [55] | 3.6 × 3.6 × 3 | 4.8 | 2.2 | |
| Causone et al. [58] | 4.3 × 2.7 × 2.56 | 11.6 | 3.3 | |
| Cholewa et al. [59,60] | 1.56 × 1.56 × 2.21 | 2.4 | 1.6 | |
| Olesen et al. [61] | 6 × 4 × 2.8 | 24 | 4.8 | |
| Acikgoz et al. [62] | 1.8 × 1.8 × 2.25 | 3.24 | - | |
| Zhang et al. [25] | and where | - | - | - |
| REHVA [3] | - | - | - | |
| - | - | - | ||
| - | - | - | ||
| Author/ Standard | Radiant Surface Type | Heat Transfer Coefficient (W/m2·K) | Reference Temperature | ||||
|---|---|---|---|---|---|---|---|
| Total | Convective | Radiant | Total | Convective | Radiant | ||
| Acikgoz and Kincay [57] | Wall cooling | 8.1 | 2.7 | 4.3 | AUST | ||
| Zhang et al. [51] | Ceiling cooling | 8.4 | 3.2 | 5.3 | |||
| Andrés Chicote et al. [55] | Ceiling cooling | 8.5 | 4.2 | 5.4 | |||
| Causone et al. [58] | Ceiling cooling | 13.2 | 4.4 | 5.6 | |||
| Cholewa et al. [59,60] | Ceiling cooling | 2.04–3.65 | 5.2 | ||||
| Floor cooling | 5.7 | 0.1 | 5.0 | ||||
| Olesen et al. [61] | Floor cooling | 7.5 | 1.0 | 5.5 | |||
| Acikgoz et al. [62] | Floor heating | 8.5–10.5 | 2.3–4.1 | 5.2–5.9 | |||
| Zhang et al. [25] | Floor cooling | - | - | - | |||
| REHVA [3] | Ceiling cooling | 11 | - | 5.5 | - | - | |
| Floor cooling | 7 | - | 5.5 | - | - | ||
| Wall cooling | 8 | - | 5.5 | - | - | ||
| Harmonic Analysis Method | Transfer Function Method | Relationship between Parameters |
|---|---|---|
| Heat storage coefficient | Heat permeability coefficient | |
| Thermal inertia index | Heat–thickness ratio | |
| Intense fluctuation of layer thickness | Periodic thermal penetration depth | |
| Heat absorption coefficient | Thermal admittance | |
| Attenuation multiplier | Periodic heat transfer coefficient | |
| Delay time | Delay time |
Disclaimer/Publisher’s Note: The statements, opinions and data contained in all publications are solely those of the individual author(s) and contributor(s) and not of MDPI and/or the editor(s). MDPI and/or the editor(s) disclaim responsibility for any injury to people or property resulting from any ideas, methods, instructions or products referred to in the content. |
© 2023 by the authors. Licensee MDPI, Basel, Switzerland. This article is an open access article distributed under the terms and conditions of the Creative Commons Attribution (CC BY) license (https://creativecommons.org/licenses/by/4.0/).
Share and Cite
Hu, R.; Sun, S.; Liang, J.; Zhou, Z.; Yin, Y. A Review of Studies on Heat Transfer in Buildings with Radiant Cooling Systems. Buildings 2023, 13, 1994. https://doi.org/10.3390/buildings13081994
Hu R, Sun S, Liang J, Zhou Z, Yin Y. A Review of Studies on Heat Transfer in Buildings with Radiant Cooling Systems. Buildings. 2023; 13(8):1994. https://doi.org/10.3390/buildings13081994
Chicago/Turabian StyleHu, Rong, Shilin Sun, Jincan Liang, Zhiping Zhou, and Yingde Yin. 2023. "A Review of Studies on Heat Transfer in Buildings with Radiant Cooling Systems" Buildings 13, no. 8: 1994. https://doi.org/10.3390/buildings13081994
APA StyleHu, R., Sun, S., Liang, J., Zhou, Z., & Yin, Y. (2023). A Review of Studies on Heat Transfer in Buildings with Radiant Cooling Systems. Buildings, 13(8), 1994. https://doi.org/10.3390/buildings13081994

