Study on Corrosion Fatigue Degradation Performance of Welded Top Plate-U Rib of Cross-Sea Steel Box Girder
Abstract
1. Introduction
2. Materials and Methods
2.1. Fracture Mechanics Fatigue Analysis Methods
2.2. Time-Varying Model of Marine Corrosion
2.3. Corrosion Model of Welded Details
3. Finite Element Model
3.1. The Finite Element Model Considering Corrosion State
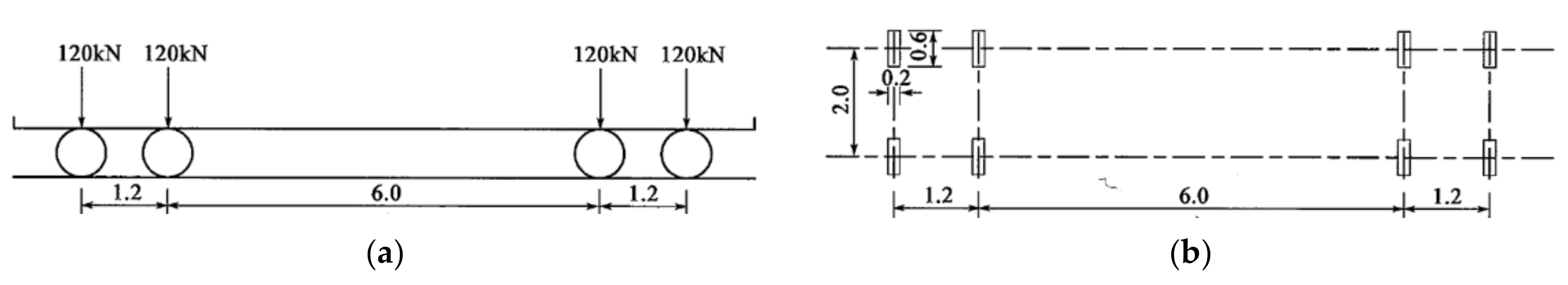
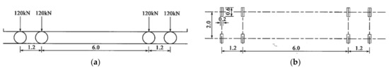
3.2. Fatigue Loading
3.3. Implantation of Fatigue Cracks
4. Stress Intensity Factor and Crack Growth Analysis
4.1. Stress Intensity Factor Analysis
4.2. Dynamic Analysis of Crack Growth
5. Top Plate–U Rib Welded Detail Corrosion Fatigue Life Assessment Model
5.1. Corrosion Fatigue Life Assessment Model
5.2. Structural Design Impact Analysis
6. Conclusions
Author Contributions
Funding
Data Availability Statement
Conflicts of Interest
References
- Kayser, J.R.; Nowak, A.S. Reliability of corroded steel girder bridges. Struct. Saf. 1989, 6, 53–63. [Google Scholar] [CrossRef]
- Cui, C.; Bu, Y.; Zhang, Q.; Li, L. Fatigue life evaluation of orthotropic steel bridge decks using the hot-spot stress method. China Bridge Constr. 2014, 44, 62–67. [Google Scholar]
- Hobbacher, A.F. Recommendations for fatigue design of welded joints and components. In Welding Research Council Bulletin; (TN.520); Springer: Berlin/Heidelrberg, Germany, 2009. [Google Scholar]
- Zhang, Q.; Cui, C.; Bu, Y.; Li, Q. Fatigue characteristics of orthotropic steel bridge deck of Hong Kong-Zhuhai-Macao bridge. China Civ. Eng. J. 2014, 47, 110–119. [Google Scholar] [CrossRef]
- Meng, F. Ultimate Strength of Stiffened Plate Structures with Pitting Damage. Ph.D. Thesis, China Dalian University of Technology, Dalian, China, 2014. [Google Scholar]
- Zhong, H. Typical diseases and research on long-span steel box girder suspension bridges. China Sichuan Build. Mater. 2017, 43, 2. [Google Scholar] [CrossRef]
- Zhong, X. Study on crack disease analysis and treatment scheme of steel box girder of a highway bridge. China Road Traffic Technol. Appl. Technol. Ed. 2018, 14, 249–2524. [Google Scholar]
- Zhou, S.; Shili, Y.; Qianhui, P.; Yong, Z. Fatigue Performance of Orthotropic Steel Decks in Long-Span Cable-Stayed Steel-Box Girder Railway Bridges. J. Bridge Eng. 2019, 24, 04019035. [Google Scholar] [CrossRef]
- Wei, X.; Jie, Z.; Liao, X.; Xiao, L.; Qiang, S. Research progress on corrosion fatigue of welded joints of steel structure bridges. China Steel Struct. 2019, 5, 108–112. [Google Scholar] [CrossRef]
- Zhang, J. Study on the Compressive Stability Bearing Capacity and Calculation Method of Stiffened Plate. Master’s thesis, China Fuzhou University, Fuzhou, China, 2020. [Google Scholar]
- Zhao, Q.; Yang, M.; Zhai, Z.; Wang, J. Numerical simulation of local stability of U-rib stiffened plate under compression. China J. Archit. Sci. Eng. 2017, 34, 32–40. [Google Scholar] [CrossRef]
- Zhao, Q.; Zhai, S.; Chen, B.; Chen, Y.; Peng, Y. Experimental study on local stability of U-shaped rib stiffened plate. China J. Build. Struct. 2017, 38, 156–163. [Google Scholar] [CrossRef]
- Zhao, Q.; Zhang, J.; Lin, C. Research on calculation method of local stability of U-rib stiffened plate under compression. China J. Ningxia Univ. Nat. Sci. Ed. 2020, 41, 252–261. [Google Scholar] [CrossRef]
- BS7910; Guide on method for assessing the acceptability of flaws in metallic structures. British Standard Institution: London, UK, 2013.
- GB/T 15957-1995; Corrosivity Classification of Atmospheric. Environment. Technical Supervision Bureau: Beijing, China, 1995.
- Wang, X.; Wang, P.; Sun, Y.; Lian, B. Corrosion Resistance of Q235 Steel in Simulated Marine Atmospheric Environment. Surf. Technol. 2015, 44, 8. [Google Scholar] [CrossRef]
- Liang, C.; Hou, W. Atmospheric Corrosion Prediction of Steel. Chin. J. Corros. Prot. 2006, 26, 129–135. [Google Scholar] [CrossRef]
- GB/T 1591-2018; High strength low alloy structural steels. China National Standardization Administration Committee: Beijing, China, 2018.
- JTG D64-2015; Specifications for Design of Highway Steel Bridge. Ministry of Transport: Beijing, China, 2015.
- Suresh, S. Fatigue of Materials; Cambridge University Press: New York, NY, USA, 1998. [Google Scholar]
- Forman, R.G.; Kearney, V.; Engle, R. Numerical analysis of crack propagation in cyclic-loaded structures. J. Basic Eng. 1967, 89, 459–463. [Google Scholar] [CrossRef]
- Li, H. Investigation on Fracture Toughness and Crack Growth Mechanism of High-Strength Steels. Ph.D. Thesis, University of Science and Technology of China, Hefei, China, 2019. [Google Scholar]




















| Influence Factor | Units | Coefficient n | Coefficient A | Remarks |
|---|---|---|---|---|
| Constant term | - | −0.079 | 0.031 | |
| Relative humidity | %/100 | 0.216 | - | Annual mean |
| Temperature | °C/100 | - | 0.367 | Annual mean |
| Chlorate ion | mg/(100 cm2·d) | 1.022 | 0.016 | Rate of deposition |
| Sulfur dioxide | mg/(100 cm2·d) | 0.195 | 0.028 | Rate of deposition |
| Rainfall times sunshine hours | (mm/a)·(h/a)·10−6 | 0.145 | −0.021 | Annual total |
| Copper | % | −0.452 | - | Content in steel |
| Manganese | % | - | −0.013 | Content in steel |
| Silicon | % | 0.052 | −0.022 | Content in steel |
| Phosphorus | %·10 | −0.069 | −0.024 | Content in steel |
| Sulfur | %·10 | 0.375 | 0.036 | Content in steel |
| Corrosion life/a | 0 | 10 | 30 | 50 | 80 | 100 |
| Pit depth/mm | 0 | 0.37 | 0.84 | 1.24 | 1.77 | 2.09 |
Disclaimer/Publisher’s Note: The statements, opinions and data contained in all publications are solely those of the individual author(s) and contributor(s) and not of MDPI and/or the editor(s). MDPI and/or the editor(s) disclaim responsibility for any injury to people or property resulting from any ideas, methods, instructions or products referred to in the content. |
© 2023 by the authors. Licensee MDPI, Basel, Switzerland. This article is an open access article distributed under the terms and conditions of the Creative Commons Attribution (CC BY) license (https://creativecommons.org/licenses/by/4.0/).
Share and Cite
Cheng, Q.; Yao, Z.; Chen, H.; Liu, D.; Lin, M.; Zhao, Q.; Zhang, B. Study on Corrosion Fatigue Degradation Performance of Welded Top Plate-U Rib of Cross-Sea Steel Box Girder. Buildings 2023, 13, 1784. https://doi.org/10.3390/buildings13071784
Cheng Q, Yao Z, Chen H, Liu D, Lin M, Zhao Q, Zhang B. Study on Corrosion Fatigue Degradation Performance of Welded Top Plate-U Rib of Cross-Sea Steel Box Girder. Buildings. 2023; 13(7):1784. https://doi.org/10.3390/buildings13071784
Chicago/Turabian StyleCheng, Qian, Zhian Yao, Huanyong Chen, Dewei Liu, Mingyi Lin, Qiu Zhao, and Bin Zhang. 2023. "Study on Corrosion Fatigue Degradation Performance of Welded Top Plate-U Rib of Cross-Sea Steel Box Girder" Buildings 13, no. 7: 1784. https://doi.org/10.3390/buildings13071784
APA StyleCheng, Q., Yao, Z., Chen, H., Liu, D., Lin, M., Zhao, Q., & Zhang, B. (2023). Study on Corrosion Fatigue Degradation Performance of Welded Top Plate-U Rib of Cross-Sea Steel Box Girder. Buildings, 13(7), 1784. https://doi.org/10.3390/buildings13071784
