Next Article in Journal
Introducing Matrix for the Reprogramming of Mass Housing Neighbourhoods (MHN) Based on EU Design Taxonomy: The Observatory Case of Serbia
Next Article in Special Issue
Experience Grammar: Creative Space Planning with Generative Graph and Shape for Early Design Stage
Previous Article in Journal
The Right Activities at Right Spaces: Relationships between Elderly Adults’ Physical Activities and Thermal Responses
Previous Article in Special Issue
Socio-Spatial Experience in Space Syntax Research: A PRISMA-Compliant Review
 
 
Font Type:
Arial Georgia Verdana
Font Size:
Aa Aa Aa
Line Spacing:
Column Width:
Background:
Article

A Grammar-Based Approach for Generating Spatial Layout Solutions for the Adaptive Reuse of Sobrado Buildings

by
Daniele M. S. Paulino
*,
Heather Ligler
* and
Rebecca Napolitano
*
Department of Architectural Engineering, The Pennsylvania State University, 201 Old Main, University Park, PA 16801, USA
*
Authors to whom correspondence should be addressed.
Buildings 2023, 13(3), 722; https://doi.org/10.3390/buildings13030722
Submission received: 24 January 2023 / Revised: 15 February 2023 / Accepted: 6 March 2023 / Published: 9 March 2023

Abstract

This research develops a shape grammar to generate solutions for the adaptive reuse of historic buildings. More precisely, it proposes a transformation grammar for sobrado buildings, a typology present in the historic center of São Luís, Brazil. The methodology defines a workflow for adapting sobrado buildings, once characterized for single-families, into multi-family apartments considering spatial and structural requirements. The grammar specifies a framework for repurposing historic buildings into social housing and considers the allocation of three types of apartments in the floor plan: studios, one-bedroom apartments, and two-bedroom apartments. The adopted strategy for spatial planning prioritizes access to natural daylight. The grammar supports different layout solutions for the same building and aims to accelerate the reuse of historic structures for contemporary housing needs. This paper describes the grammar rules and their application to three case study buildings.

1. Introduction

New technologies have emerged with the industrial revolution, resulting in a rapid increase in population and industrial activities, expanding urban areas, and developing new forms of land use [1]. This movement of cities often caused the isolation of historic downtowns and a decrease in urban life around these areas, leading to an increase in vacant buildings in many historic downtown areas [2]. What is nowadays called a historical center or a historic downtown in many cities worldwide once represented the city itself, constituting an essential part of the urban context.
Theorists defend the non-abandonment of buildings, highlighting that one of the most efficient means of preserving them is through encouraging their occupation and use [3]. Vacancy directly affects the state of conservation of buildings but also has economic and social consequences since it often decreases safety and community engagement in a particular neighborhood [4]. Thus, revitalization of historic downtown areas concerns not only maintenance requirements but also engages community life around these districts.
In parallel, real estate speculation can cause an increase in property values, which low income families cannot afford, causing the development of irregular settlements in cities and suburban areas [5]. The affordable housing crisis is a global reality, affecting both developing and developed countries, especially during economic and political recessions [6]. In Brazil, for example, more than 6.9 million families need housing and around 6 million buildings are vacant [7].
In this scenario, adaptive reuse emerges as a sustainable solution for transforming existing buildings, revitalizing historic districts, and addressing new land use needs, especially for affordable housing [8,9,10]. In summary, adaptive reuse modifies a building’s functional typology, giving it a new use [11]. In this process, various actions related to construction adaptability can be executed to modify a building’s function. Spatial modifications are the most evident, but adaptive reuse can also encompass improvements related to the building’s structural and/or energy performance.
Modifications to a building’s function affect the spatial configuration of the existing building, which can directly impact the building’s structural performance. Balancing spatial and structural requirements is one of the most challenging aspects of adaptive reuse. An adaptive reuse project must consider the allocation of rooms and elements in the existing building, and consider how these modifications can be economically and structurally feasible. Design exploration techniques can assist designers with spatial planning tasks, reducing conceptualization time and guaranteeing feasible solutions in terms of different requirements.
Developing workflows to support design decisions in adaptive reuse projects can lead to efficient layout solutions considering different aspects of building adaptation, such as maximizing material reuse and maintaining structural integrity. Modifications in the building’s use type lead to a change in the relationship between spaces and circulation areas, which may require inserting new elements (i.e., walls, windows, etc.) and demolishing existing ones [12,13,14]. These modifications may lead to structural instability, especially considering the current damage state of existing structural components. Thus, determining spatial solutions that meet the structural requirements is a crucial step in adaptive reuse.
Currently, there is a limitation in tools to assist designers and professionals in implementing adaptive reuse solutions [15], especially in identifying how spatial modifications affect a building’s structural integrity [16,17]. Usually, the implementation relies on professional knowledge to provide a more detailed analysis, such as optimizing the placement of openings and the addition of new elements, maximizing material reuse, and minimizing construction and demolition (C&D) costs [18]. In recent years, computational tools have introduced innovative form-finding techniques, revolutionizing architectural design and production. In computer-aided design (CAD), this process is defined as generative design (GD) [19]. GD systems produce designs using algorithms, offering the ability to explore design space solutions for complex design tasks.
Since necessary modifications affect the layout configuration of existing buildings, one can consider an adaptive reuse problem as a space planning problem. In this scenario, generative design techniques support the exploration of different arrangements for a pre-defined problem, assisting professionals during complex design tasks [19]. GD includes a wide range of techniques, for example, rule-based systems, evolutionary computation, and computer vision methods [20]. Rule-based systems (RBS) can support the strategic encoding of sequential steps to generate designs. This is particularly useful for defining computational workflows, since design is a highly complex task combining creativity, specialist knowledge, experience, and judgment concerning the objective and the esthetic aspects of a problem domain [21].
Thus, encoding the designer’s knowledge is essential to produce feasible solutions. For example, when adapting an existing building, new walls must be constructed and some may be demolished. One logical strategy is to restrict new walls from intersecting existing elements, such as windows. In this context, shape grammar (SG) is a rule-based design analysis and generation approach [22] that comprises a set of transformation rules that can be applied recursively to an initial form to generate new forms [23,24,25]. SG is widely applied to understand the formal and syntactic information underlying plan layouts for spatial configuration. Studies have successfully developed SG to encode expert knowledge and reproduce design patterns of renowned architects or architectural styles [26,27,28,29]. However, few attempts have been made to produce reusable grammatical design systems for architectural design tasks, especially regarding the adaptation of buildings [30,31,32,33].
This project aims to understand how GD techniques can assist designers during the adaptive reuse process. More specifically, this work explores the potential of SG in generating floor plan layout solutions for the adaptive reuse of historic buildings, focusing on sobrado buildings in the historic center of São Luís in Brazil, a UNESCO World Cultural Heritage Site. The methodology specifies a framework for adapting buildings into multi-family apartments, considering the allocation of spatial and structural elements in the design space, aiming to maximize the reuse of existing elements while producing various solutions for a given design space. The strategy can generate a variety of design solutions, considering the allocation of studios, one-bedroom (1-BR), and two-bedroom (2-BR) apartments.

2. The Architectural Typology in the Historic Center of São Luís

This research explores the architectural typology of buildings in the historic center of São Luís (HCSL), recognized as a UNESCO World Cultural Heritage Site since 1997. This ensemble preserves a significant architectural, historical, and urban collection reminiscent of the XVIII and XIX centuries, a time of economic prosperity through the exportation of rice and cotton [34]. Efforts have arisen from both federal and state organizations to preserve and maintain the historic buildings in the HCSL, contributing to reviving the sense of community in the historic district.
In fact, transformations in the functional typology of these buildings are presently being recommended and implemented by the Social and Habitation Promotion Subprogram (SPSH in Portuguese: Subprograma de Promoção Social e Habitação) [35]. This program emerged aiming to stimulate the implementation of housing in the HCSL, expanding access to urban lands for low income families. Despite significant efforts, the number of buildings and families covered by the SPSH initiative does not meet the occupation requirements in the HCSL, especially when analyzing the need for affordable housing in São Luís [35].
The HCSL demonstrates strong traces of the Pombalino architectural style [36]. This constructive system emerged in Lisbon after the devastating 1755 earthquake in the region known as Baixa Pombalina. This style is named after Sebastião José de Carvalho e Melo, the first Marquês de Pombal, responsible for supervising the reconstruction plan [37]. One of the most remarkable characteristics of buildings in São Luís is the presence of ceramic tiles in their facades (Figure 1a,b). Besides decorative purposes, the tiles provided impermeability and thermal isolation during the heavy rainy and dry seasons, respectively [34]. Additionally, buildings usually have internal patios with a shutter system, allowing ventilation and light into the buildings (Figure 1c).
The design of Pombalino buildings included earthquake safety standards and sewage channeling, benefiting from modular construction methods [37]. Structurally, Pombalino’s buildings presented a three-dimensional interlocking system, also known as gaiola pombalina, formed externally by the main walls in stone masonry and internally by the frontal walls [36]. The frontal walls are characterized by masonry walls reinforced with a wood frame, formed by vertical, horizontal, and diagonal pieces, known as a Santo André cross [37]. This system allowed building lighter and more flexible elements in the event of an earthquake [38]. The same structural arrangement can be found in many buildings in the HCSL, although there was no risk of earthquakes in the region (Figure 1d).
In most buildings, structural masonry walls are constructed in stone and lime and are plastered with clay, lime, and sand mortar. These walls are usually located externally, and their thickness varies from 60 cm to 100 cm [37]. Additionally, they can be found internally on the ground floor, in contrast to upper floors, which mainly include frontal walls as internal structural elements and subdivision elements between spaces. Their thicknesses may vary along the building’s height, at between 60 cm and 90 cm in most cases [39].
One of the most prominent differences between the Pombalino buildings and the typology in the HCSL is the volume distribution within blocks. Pombalino buildings followed a consistent distribution per block, resulting in a uniform volume, with usually five-story facilities. In contrast, buildings in São Luís demonstrate a variation in the number of floors in the same block distribution [34]. In addition, these buildings can present variations in their overall mass within the urban block. They can be projected in an “L”, “C”, “U”, or “O” shape (Figure 2). This variability allows the incorporation of patios as described previously, facilitating ventilation and daylight requirements. Similar to most constructions in Brazilian urban centers of this period, the civic architecture of the HCSL is characterized as a contiguous block due to the absence of frontal or lateral setbacks. Thus, buildings are attached to each other, separated by gable walls.
Therefore, considering the volume and composition of the façade elements, the buildings in the historic center of São Luís are classified as solar, sobrado, and casa térrea. Solar is a house type intended for noble families. In São Luís they were built with refinement by the rural elite of the XVIII and XIX centuries, with an essentially residential function, to accommodate the family of the planters and the cotton and sugar producers in the capital. This layout typology is composed of the largest and most imposing buildings in the HCSL. The sobrado house type consists of buildings of two to four stories in height, with the ground floor reserved for commercial activities and the upper floor for residential areas. Sobrado buildings were occupied by merchants, also part of noble families. They are similar to the solar house type; however, the level of detail and refinement are lower when compared to solar buildings. Casas terreas, which can be translated as single-story houses, are present in a smaller area distribution than solar and sobrado buildings, intended for less wealthy population classes.
This study will focus on the sobrado house type, the most prevalent layout typology of buildings in the HCSL, especially in the federal and UNESCO areas of protection [37]. Sobrado buildings can have different shapes when analyzing the the buildable urban lot implementation. Considering the dimensions of such structures and high maintenance costs, single family use is not feasible in modern urban contexts [35]. The adaptation of sobrado buildings into multi-family apartments is a common solution today. Thus, this work defines a grammar-based methodology for assisting the adaptive reuse of sobrado buildings into multi-family apartments. The grammar presents a general approach for dealing with the high variability of sobrado building shapes by conceptualizing strategic transformations to modify a typical upper floor plan from single to multi-family use.
For formally defining rules that can be general for different building lot shapes while analyzing the sobrado house type, this study focused on three case study buildings (Figure 3). All buildings are part of the SPSH rehabilitation program, which defines mixed-use projects, with public offices on the ground floor and multi-family apartments on the upper floors. These buildings range from three classes of building lot implementation. Building 1 is located on Rua do Giz, no. 445, classified as a “C” shape. Building 2 is also located on Rua do Giz, no. 66; however, it is classified as a “U” shape. Lastly, building 3 is located on Rua da Palma, no. 336, and it is classified as an “L” shape.

3. Reviver Grammar

This work explores the potential of SG in generating floor plan layout solutions for the adaptive reuse of historic buildings in the historic center of São Luís. The proposed grammar is entitled Reviver, a word from Portuguese meaning ‘to revive’. The name is based on a rehabilitation program created in the late 1980s to preserve the city’s heritage identity. Presently, locals refer to the historic center using this term. Grammar rules are defined to establish a strategic approach for allocating spaces (more specifically, apartments for multi-family use purposes and consecutively rooms within apartments) and architectural elements, such as walls, openings, corridors, etc. This process considers the base information of existing building elements as the initial input and encodes design constraints as shape rule sets, such as daylight requirements (for example, living rooms and bedrooms must contain a window) and dimension limits considering different apartment configurations (studios, 1-BR, and 2-BR apartments). Grammar aims to develop a formalism for repurposing historic buildings into social housing, in accordance with existing rehabilitation programs in the HCSL.
Although this paper focuses on the grammar-based methodology, this work is part of a broader context hybrid method framework for generating various layout solutions during adaptive reuse projects. It investigates how GD techniques can automate the adaptive reuse of historic buildings into multi-family apartments. The framework offers the potential to advance design workflows by combining human and machine knowledge to reduce conceptualization time and generate feasible designs considering the target objectives. More specifically, it investigates how the spatial requirements (number and type of apartments) in future work can be integrated with structural performance conditions, targeting solutions that maximize the reuse of existing elements and minimize C&D costs.
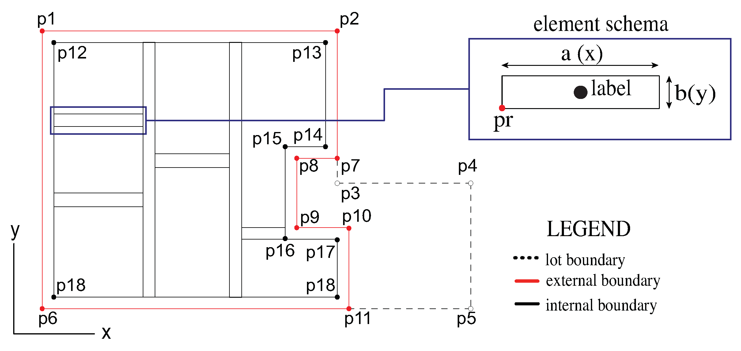
Since this methodology explores layout solutions for the adaptive reuse of historic buildings, the process focuses on floor plan drawings. Any floor plan configuration is abstracted as two datasets (Figure 4): (a) a list of points defining the precise boundaries of the building and (b) geometric information of existing elements such as walls, windows, stairs, patios, etc.
First, three boundaries are defined as relevant for the adaptive reuse process: the urban lot boundary (lot) and the external (ext) and internal (int) boundaries for the built-up region (inside external walls). The data input for representing these curves are the coordinates (x, y) of the points defining each boundary. Second, information on each element on the floor plan must be provided. Floor plan elements are abstracted as a rectangle, as detailed in the sample internal element in Figure 4. To determine the element configuration, each element is abstracted as the following input variables: reference point defined by coordinates in x and y direction ( p r ), dimension of the element in the x-direction (a), dimension of the element in the y-direction (b), and a label for each element (label). The label information refers to the type of element, such as walls, windows, stairs, etc. Although this process can be general for any floor plan, the label list can be more specific for incorporating details on the analyzed architectural typology.
The strategy considers the allocation of three types of apartments in the floor plan: studios, one-bedroom (1-BR), and two-bedroom (2-BR) apartments. It is important to consider that multi-family apartments are intended to be allocated only to upper floors, in accordance with the SPSH rehabilitation program guidelines. The transformation process considers the original built-up area (within exterior walls) as the design space. During the space allocation, façade elements will be used to guide the apartment allocation process, maximizing the use of natural daylight in apartments. In addition, the process will target the reuse of existing elements, aiming to minimize the C&D costs.
Although the three case study buildings are essential in the rule definition process, this section will initially consider only building 1 to exemplify the grammar stages and derivation process in detail. Then, the results on the other two buildings will be presented subsequently to validate and demonstrate the application of the Reviver grammar to different building types. In summary, the analysis can be divided into five stages (Figure 5). The first stage defines the initial floor plan configuration for the grammar-based space allocation process. In this stage, the numeric data input is converted into a labeled floor plan, where relevant elements are differentiated using colors, aiming to visually encode distinct shapes [40]. The second stage consists of defining a grid system for subdividing the design space into smaller areas. This step is essential for later classifying these areas according to daylight requirements (proximity to windows), which is part of the third stage. The fourth stage concerns the space allocation process, where apartments and connectivity elements (such as corridors and stairs) are allocated to the design space based on the subdivision areas. Lastly, the fifth stage includes the internal subdivision of individual apartments (units), also allocating openings to connect spaces and defining the final adaptive reuse layout. This process is implemented using Python and rhino script syntax. Although the computational implementation is an essential step in this project, this paper will mainly focus on describing the ruleset for the five stages (Figure 6) involved in the grammar-based methodology for facilitating the adaptive reuse process of the sobrado house type.

3.1. Stage 1: Defining the Existing Floor Plan Layout for the Analysis Process

Initially, grammar rules are defined to convert numeric data into visual components (steps 1.1 and 1.2 in Figure 6). The two datasets, defined in the previous section, can be stored in a comma-separated value file (csv) file, or any readable file, and used as data input for running the analysis. Step 1.1 consists of defining the three types of boundary (lot, external, and internal), based on the list of points representing the vertex of the shape to be drawn. Each boundary is visually differentiated. Rule 1.1.1 defines the lot boundary as a dashed line, while rules 1.1.2 and 1.1.3 defines the external and internal boundaries as red and black lines, respectively. It is important to stress that for simplification purposes, shapes in these rules are shown as basic rectangles to covey the overall concept. However, since sobrado buildings vary in urban lot implementation shapes, depending on the number of points given as input, these boundaries may assume a high variability of shapes.
The second step focuses on generating and labeling elements in the floor plan. Each element is abstracted as a rectangle, according to Figure 4. Thus, based on the given input, four vertex points and the label of each element can be used to draw a labeled rectangle (rule 1.2.1). Then, a color code is defined to visually differentiate each relevant element for the analysis (rules 1.2.2 through 1.2.9). These rules only include elements to be preserved during the adaptive reuse process. Considering the Luso-Brazilian architecture context, the list of element labels includes:
  • Structural elements: The main structural components are masonry walls, classified into external masonry walls (ew), gable walls (gw), internal masonry walls (iw), and frontal walls (fw). Furthermore, some buildings may present stone columns (cl), especially on the ground floor.
  • Opening elements: Mainly, one can classify the opening elements as facade elements, which includes the main entrance (en) and the facade windows, commonly containing balconies (bc). In addition, secondary windows (wd) are defined, encompassing windows located in the region facing internal patios and internal passages (ip).
It is important to note that existing non-structural partition walls and original stair locations are disregarded in this analysis. This is due to our focus on maximizing the reuse capacity of the base building structure and updating circulation components, especially stairs, to satisfy modern standards for egress in multi-family residential buildings. The last step in stage 1 differentiates façades regions (rule 1.3.1). When rule 1.3.1 is applied twice, it means the building is located in a corner lot. This is particularly important to identify, since this preliminary study will focus only on corner lot buildings. Figure 7 illustrates the derivation process of stage 1 for building 1, considering the numeric data (points and label information) as the data input. First, information on points (coordinates) is used to generate each boundary region, labeled according to ruleset 1.1 (dashed for the lot, red for the external, and black for the internal boundaries). Then, information on each element (points and labels) is used to draw labeled polygons by applying rule 1.2.1. Subsequently, each element is labeled by applying rules 1.2.2 through 1.2.9. Lastly, façade regions are differentiated by applying rule 1.3.1.

3.2. Stage 2: Grid System for Subdividing the Design Space

The second stage consists of defining a grid system to subdivide the design space area (steps 2.1 through 2.3 in Figure 6). The first step in this process consists of rules for allocating grid lines (step 2.1). Grid lines are generated based on the mid distance between two consecutive openings in the façade (balconies). It starts from the center point between two façade elements and it is extended until it meets the opposite internal boundary (rule 2.1.1), forming a 90 angle. In sequence, each grid line is subdivided into smaller components considering the points where vertical and horizontal lines connect with each other (rule 2.1.2).
When applying the grid division as defined in step 2.1, some undesirable patterns may arise due to the configuration of the existing building, such as grid lines coalescing with secondary windows or intersecting with structural elements (such as external and internal walls). Step 2.2 presents rules for adjusting grid lines to consider patio windows, while step 2.3 presents rules for modifying grid lines around structural elements.
In step 2.2, rules 2.2.1 and 2.2.2 are applied for adjusting grid lines that may intersect corner secondary windows, differing in the distance d from the window to the corner of the internal boundary (int). These rules may be applied simultaneously. In sequence, rules 2.2.3 and 2.2.4 are applied to intermediate secondary windows and should be applied in order. The first is applied to remove grid lines that may intersect these windows, while the latter is applied for defining a grid line between two windows.
In step 2.3, the first rule (2.3.1) is applied to split grid lines that intersect structural elements. In sequence, rules 2.3.2 and 2.3.3 can be applied simultaneously to remove grid lines that are located within a distance d (smaller than 1 m) to structural elements. Lastly, rule 2.3.4 is applied to extend any grid line that may be within a distance d from the structural element, a pattern that may arise due to the application of previous rules. These rules are critical while preparing the floor plan since they restrict intersection with existing structural elements to satisfy one of the primary goals of the grammar: to preserve the majority of the existing structure.
Figure 8 illustrates the derivation process for stage 2, considering the building 1 configuration. Starting with the labeled floor plan from stage 1, the first step is to apply rules 2.1.1 and 2.1.2 to generate the grid lines. Subsequently, adjustments to grid lines will be performed according to steps 2.2 and 2.3. Each grid line that will be modified is highlighted in blue. Thus, the rules from step 2.2 are applied to adjust the grid lines near the regions of patio windows, and rules from step 2.3 are applied to adjust the grid lines near structural elements.

3.3. Stage 3: Classifying the Design Space According to Daylight

Based on the final grid configuration, stage 3 can specify areas to transform the existing building layout for a multi-family apartment floor plan (steps 3.1 and 3.2 in Figure 6). Step 3.1 presents a rule for generating areas based on the grid lines (3.1.1). In sequence, step 3.2 focuses on labeling areas according to their proximity to openings. These areas are classified as: (a) areas exposed to direct sunlight, “ds”, labeled as a light orange shade; (b) areas without openings but still relatively close to spaces with openings, “cs”, labeled as a light yellow shade; and (c) areas far from sunlight, “fs”, labeled as a greyish-yellow shade.
First, rules 3.2.1 through 3.2.3 are applied in sequence to define “ds”, “cs”, and “fs” regions considering facade windows/balconies as references. Since external patios may have different shapes, which can affect the area distribution for secondary windows, rules 3.2.4 through 3.2.6 are used to label areas near secondary windows. Rule 3.2.4 is applied when an area with an adjacent secondary window is within a distance of d 5 m to a facade window. It is important to note that this rule can only be applied to corner windows (when two or more sides of the apartment boundary intersect the internal boundary). Rule 3.2.5 is applied when an area is within a distance 2 m d 5 m from an “fs” region (defined based on facade windows). Lastly, rule 3.2.6 is applied when an area with an adjacent secondary window is within a distance of 2 m d 4 m from the internal boundary. Once these rules are applied, rules 3.2.2 and 3.2.3 can be applied again to modify the areas near to “ds” regions, defined based on the secondary windows.
Figure 9 illustrates the derivation process for stage 3, considering the building 1 layout. Starting from the grid system defined in stage 2, the first step is to apply rules 3.1.1 to define areas based on grid lines. Then, each area is classified according to its proximity to openings. First, rules 3.2.1 through 3.2.3 can be applied in sequence to classify areas near facade windows (balconies). Next, areas near patio windows are classified. Once rules 3.2.4, 3.2.5, and 3.2.6 are applied, rules 3.2.2 and 3.2.3 can be applied again to modify regions “cs” and “fs” based on the “ds” regions for patio windows.

3.4. Stage 4: Allocating Apartments and Circulation Areas

This stage defines a general approach for allocating areas into apartments and circulation spaces, summarized in five steps (steps 4.1 through 4.5 in Figure 6). In addition, step 4.0 defines auxiliary rules, which may be applied concurrently with other rules during stages 4 and 5. Rule 4.0.1 is defined to merge areas, while rule 4.0.2 is defined to split a single area into two new areas.
Before describing the rules for the allocation process, it is essential to define the minimum requirements for each apartment configuration considered in the analysis (studio, 1-BR, and 2-BR), as summarized in Table 1. Studios must have at least two areas with direct sunlight, with a minimum area of 30 m 2 , while 1-BR apartments must have at least two areas with direct sunlight and a minimum area of 40 m 2 and a 2-BR apartment must have at least three areas with direct sunlight and a minimum area of 50 m 2 .
Based on this classification, the first step is allocating areas for apartments and circulation purposes. Rule 4.1.1 concerns the process of grouping areas into apartments, considering the minimum requirements in Table 1. While grouping areas, “ds” areas are mandatory, and to meet area requirements, priority will be given to “cs” regions over “fs” regions. Once areas are grouped, respecting the minimum requirements for the three types of apartments, the apartment boundary is differentiated as illustrated in rule 4.1.1.
Then, the second step is to allocate circulation areas. These rules modify “fs”, regions since they are not preferably used in apartments. Rules 4.2.1 through 4.2.3 are defined to allocate potential vertical circulation areas (elevator and stairs). They can be applied simultaneously when possible and consider facade walls as a reference. They are applied to regions adjacent to internal boundaries opposite to facade walls. Rule 4.2.1 applies when an “fs” region is between two apartments. Similarly, rule 4.2.2 applies when an “fs” region is located between one apartment and one internal boundary. Lastly, rule 4.2.3 applies to “fs” regions on opposite sides of facade walls.
Rule 4.2.4 is applied to define horizontal circulation regions (corridors/hallways). It maintains a minimum distance, d, from an apartment boundary and splits an existing area into two new regions. One subarea defines a feasible circulation region, following a predefined range for the corridor width ( d 1 ). Similarly, rule 4.2.5 is applied to determine corridor regions but considers vertical circulation regions as a reference instead of apartment boundaries. Then, rule 4.2.6 can be used to connect horizontal circulation areas that may be unattached if necessary. By applying these rules, several regions can be allocated. Thus, rule 4.0.1 can be used to combine areas into a single region for horizontal circulation purposes.
Then, the third step of stage 4 focuses on adjusting apartment areas. When an “fs” area is located between an apartment and a circulation area, rule 4.3.1 can be applied to merge the “fs” area into the apartment configuration. Similarly, stage 4 focuses on adjusting corridor areas. Basically, rules 4.4.1 through 4.4.3 can be applied to transform any remaining “fs” area left into circulation areas, focusing on horizontal circulation.
Once this process is finalized, the fifth step focuses on adding and removing walls. Rules 4.5.1 through 4.5.3 define new structural walls around apartment boundaries and vertical circulation regions. It is important to emphasize that these rules should be only applied in spaces where existing structural walls are not delimiting these regions. Lastly, rule 4.5.4 defines a strategy for removing existing walls and internal openings inside an area. In this stage, only walls inside the horizontal circulation region must be demolished. However, this rule can be used in later steps.
Figure 10 illustrates the derivation process for stage 4 considering the case study building 1. Starting from the final design in stage 3 (Figure 9), rule 4.1.1 is applied to combine areas into apartment units. Then, rule 4.2.1 applies to allocate the vertical circulation regions. In sequence, rules 4.2.4 and 4.2.5 are applied to define horizontal circulation (corridor) regions. Then, rule 4.0.1 is applied to merge all corridor regions. Later, rule 4.3.1 is applied to expand apartment regions. In this building, stage 4 is not necessary. Then, stage 5 rules are applied. First, rules 4.5.1 through 4.5.3 are applied to add new walls, which later can be used as structural elements. Then, rule 4.5.4 is applied to remove wall portions inside corridor regions.

3.5. Stage 5: Defining the Final Layout Considering the Adaptive Reuse Project

This stage concerns the final arrangements for generating a floor plan layout considering the adaptive reuse strategy. It is divided into three steps, defined as steps 5.1 through 5.3 in Figure 6. The first step of stage 5 concerns the allocation of openings representing the entrance of apartments (units). Rules 5.1.1 and 5.1.2 are applied to corner units (when two or more sides of the apartment boundary intersect the internal boundary). The first one is applied to apartments where two sides of its boundary intersect the internal building boundary. It defines the allocation of openings on opposite sides from the internal boundary location. The latter is applied to apartments where three sides of its boundary intersect the internal building boundary. It defines the allocation of openings on opposite sides of the lot boundary location. Lastly, rule 5.1.3 is applied to intermediate units. During this process, if an existing interior opening (“ip”) is positioned near the apartment boundary, then entrance elements must be allocated to maximize the reuse of such circulation elements.
Then, step 5.1 defines rules for subdividing units internally. Three spaces are defined: bedroom (be), bathroom (ba), and a open kitchen space, with a living room shared with the kitchen (lr + kt). Rule 5.2.1 starts by allocating a bedroom in a “ds” area. In the case of a 2-BR apartment, rule 5.2.1 is applied again to define a second bedroom. When a bedroom has one dimension in the range of 2 m d 1 3 m, rule 5.2.2 can be used to expand the bedroom area. In addition, rule 5.2.3 can be applied to reduce the bedroom area. These rules must respect minimum dimension ranges, aiming to guarantee the usability of spaces.
After bedrooms are allocated, the remainder areas can be grouped using rule 4.0.1. This process must respect the daylight classification. For example, all “ds” areas can be merged. The same is valid for “cs” and “fs” regions. Then, walls that are internally distributed within an apartment region can be deleted, according to rule 4.5.4. Subsequently, rule 5.2.4 is applied to allocate the bathroom, while rule 5.2.5 transforms the remaining area into the living room and kitchen space. Lastly, step three focuses on closing existing openings that are not necessary for circulation. It is important to note that when applying rules 5.2.2 through 5.2.5, rule 4.0.2 is applied concurrently to split regions and allow the subdivision process.
Figure 11 illustrates this process for the case study building 1. Starting from the final configuration from stage 4, rules from step 5.1 are applied to allocate entrances to each unit. Next, rule 5.2.1 is applied to allocate bedrooms. Then, rule 5.2.2 and rule 4.0.2 are applied to expand the bedroom areas for apartments 5 and 7. Next, rule 4.0.1 is used to merge regions labeled with the same classification according to its proximity to openings, and rule 4.5.4 is applied to delete walls that are located internally to apartments and cannot be used to subdivide spaces. Then, rule 5.2.4 is applied to allocate bathrooms, and subsequently rule 5.2.5 is applied to allocate living room and kitchen spaces to any remainder regions inside apartment units. Lastly, rule 5.3.1 is applied to close any existing opening that may not be used as a circulation element in the transformation process.

3.6. Validating the Reviver Grammar

Using the three case study buildings, it is possible to define a grammar that is likely to suit the three studied types of projected shapes on the buildable urban lot: “C”, “U”, and “L”. This section demonstrates the applicability of the Reviver grammar to case study buildings 2 and 3, classified as “U” and “L” shapes, respectively. Figure 12 and Figure 13 demonstrate the simplified derivation process for buildings 2 and 3.
By verifying the applicability of rules to the three buildings, each rule can be classified according to its existence: mandatory, exception, and optional. A mandatory rule is applied regardless of the building configuration. An exception rule is applied if it exists in the floor plan configuration, meaning that in some building configurations, it may not be possible to apply it. Lastly, an optional rule allows the generation of design variations. Although they can be applied in a specific building configuration, they are not necessarily applied.
In stage 1, rules from steps 1.1 through 1.3 are mandatory, except for rules 1.2.4 and 1.2.5, since these elements may only sometimes be present in the floor plan. In stage 2, rules in step 2.1 are mandatory, while rules from steps 2.2 and 2.3 are classified as exception rules. Analyzing the two buildings, from step 2.2, only rule 2.2.4 is applied for building 2, while 2.2.3 and 2.2.4 are applied for building 3. Although rules from step 2.3 may be exceptions, this is not true for buildings 2 and 3, since all four rules were necessary. In stage 3, rules 3.1.1 and 3.2.1 through 3.2.3 are mandatory, while 3.2.4 through 3.2.6 are exceptions. From rules 3.2.4 through 3.2.6, only rule 3.2.4 is applied for both buildings 2 and 3. In addition, it is important to stress that if rules 3.2.4 through 3.2.6 are applied, rules 3.2.2 and 3.2.3 must be applied in sequence since they modify areas considering their proximity to openings.
In stage 4, step 4.1 specifies the apartment allocation process with a single rule. Thus, this rule is mandatory during the derivation process. In step 4.2, rules 4.2.1 through 4.2.3 concern the allocation of vertical circulation elements; sometimes only one of these rules is applied. For building 2, only rule 4.2.2 is applied, while for building 3 both rules 4.2.1 and 4.2.3 are applied. Then, when verifying rules for allocating horizontal circulation, rule 4.2.4 is always applied (mandatory), while 4.2.5 and 4.2.6 are only applied when needed (exception). For building 2, only rules 4.2.4 and 4.2.6 are applied, while for building 3, only rule 4.2.5 is applied. Then, rules from step 4.3 and 4.4 are classified as exception rules. This can be verified by analyzing the case study buildings. Rule 4.3.1 is only applied to building 2. Then, for step 4.4, rule 4.4.3 is applied to building 2 and rules 4.4.1 and 4.4.2 are applied to building 3. Lastly, all rules in step 4.5 are mandatory.
In stage 5, rules 5.1.1 and 5.1.3 are classified as mandatory, while 5.1.2 is classified as an exception. This can be verified for the case study buildings, since there will always be corner and intermediate apartments for any building type. However, a corner apartment that has three sides coinciding with the internal building boundary does not exist in the building 3 layout. Then, rules 5.2.1 and 5.2.2 are classified as mandatory, while rule 5.2.3 is classified as optional. Reducing the dimensions of bedrooms is an optional process included in the ruleset to generate variations in design. Finally, rules 5.2.4, 5.2.5, and 5.3.1 are mandatory. By the end of the derivation process, building 2 was split into five apartments (two 1-BR and three 2-BR) and building 3 was split into six apartments (two studios, one 1-BR, and three 2-BR).
Table 2 summarizes the Reviver grammar, defining the steps and corresponding actions. The rules in each step are classified according to their application during the derivation process.

4. Variations in Multi-Family Apartment Solutions Using the Reviver Grammar

This section produces different floor plan layouts for each case study building to verify the proposed grammar’s ability to achieve various design solutions. For building 1, three combinations of seven apartments are explored during stage 4. The first and third variation achieved one studio, three 1-BR apartments, and three 2-BR apartments, while the second variation achieved four 1-BR apartments and three 2-BR apartments. By applying the subdivision process of apartments in stage 5, each variation from stage 4 can have sub-variations. Figure 14 shows six different layouts produced for building 1 using the Reviver grammar.
For buildings 2 and 3, four variations are presented (Figure 15 and Figure 16). During stage four, two combinations are explored. For building 2, the first variation resulted in five units (two 1-BR and three 2-BR apartments), while the second variation produced six apartments (one studio, four 1-BR apartments, and one 2-BR apartment). For building 3, the first variation produced six units (two studios, one 1-BR apartment, and three 2-BR apartments), while the second variation produced seven apartments (two studios, four 1-BR apartments, and one 2-BR apartment). Then, for each variation from stage 4, two sub-variations are illustrated for the subdivision process of apartment units in stage 5.

5. Conclusions and Future Work

Adaptive reuse is a challenging task that involves understanding a building’s configuration and repurposing it for a new use. Thus, this research investigates how the SG formalism can automate the space allocation process for adaptive reuse projects, focusing on historic buildings. It explores a building typology named sobrado, the predominant building type in the historic center of São Luís, Brazil, a UNESCO World Cultural Heritage Site. The described framework contributes to the exploration of design space by formalizing the steps for allocating multi-family apartments in the floor plans of typical sobrado buildings. The grammar, entitled Reviver, presents five stages that assist in transforming an existing floor plan configuration, originally designed for single-family use, into a new layout reconfigured as units subdivided as housing units for multiple families. It effectively produces variations in designs considering three different apartment types: studios, 1-BR apartments, and 2-BR apartments. The Reviver grammar targets the maximization of reuse of existing elements, not only considering daylight but also considering structural (walls) and circulation elements (interior openings). The strategy encodes a design logic that strategically allocates apartments into regions that profit from existing façade openings and windows, supporting daylight requirements.
Since many historic downtown areas, especially in Europe and European colonized countries, present similarities in how buildings interact among blocks, the proposed strategy can be further investigated with different case studies, verifying the transferability of a rule-based framework for adaptive reuse. Despite differences in architectural styles and functional typology, often historic downtown areas have low-rise buildings distributed in the same block, prevalently from the same architectural style, lined up shoulder-to-shoulder and sharing one or both walls, which can be defined as row buildings. Thus, the reviver grammar can be investigated as a general approach for row buildings in historic downtown areas. As described in this work, the HCSL presents similarities with the Baixa Pombalina region in Lisbon, which can be considered in future work as a transfer case study to extrapolate the results in this paper.
The steps in the reviver grammar are a general approach for analyzing an existing building and allocating spaces to plan for the future use of urban infrastructure. When studying the transferability of this approach to other case studies, some adaptation may be necessary. In step one, the labeled colors are defined based on the constructive system encountered in the HCSL. Due to a substantial similarity with the Pombalino style, the ruleset can be maintained when analyzing buildings in the historical region of Lisbon. However, new rules may have to be defined in this step to accommodate other architectural styles depending on how different the constructive system is compared to the buildings in the HCSL.
In steps 2 and 3, the general idea can be translated to other building types since the strategy investigates the subdivision of the interior spatial layout based on existing façade openings and windows. However, new rules may be necessary, especially in adjusting gridlines (step 2.2 and 2.3) and in classifying areas according to the distance to openings, especially rules 3.2.4 through 3.2.6. These rules were defined based on the massing types present in the urban context in São Luís (Figure 2). Thus, it is essential to investigate how they can be transferred to other urban configurations.
Similarly, the logic for allocating apartments (step 4.1) can be easily extrapolated to other building types. Modifications to apartment requirements (such as total area and the number of windows) can also be included by modifying the specifications in Table 1. However, steps 4.2 through 4.5 could be more challenging, depending on the existing floor plan layout. Finally, rules in step 5 would also be easily adapted to different building typologies since they deal with the subdivision of apartment units.
This project is part of a broader scope of mixed methods to study how generative design can support adaptive reuse in terms of spatial and structural problems. Future work will integrate the reviver grammar with genetic algorithms (GAs) and generative adversarial networks (GANs) to support the combination of human and machine expertise for the adaptive reuse of historic buildings. Some advantages of combining GD methods into the adaptive reuse process include: (1) facilitating a broader exploration of the design space to evaluate different scenarios based on objective functions and design requirements; (2) formalizing human design knowledge, experience, and expertise in SG rules to automate feasible designs in an accelerated and adaptable framework; and (3) developing more robust, repeatable frameworks, which may be further integrated with participatory design to promote feedback and interaction from the perspective of the designer and the end-user.

Author Contributions

Conceptualization, D.M.S.P., H.L. and R.N.; methodology, D.M.S.P.; software, D.M.S.P.; validation, D.M.S.P., H.L. and R.N.; formal analysis, D.M.S.P.; investigation, D.M.S.P.; resources, H.L. and R.N.; data curation, D.M.S.P.; writing—original draft preparation, D.M.S.P.; writing—review and editing, H.L. and R.N.; visualization, D.M.S.P.; supervision, H.L. and R.N.; project administration, H.L. and R.N; funding acquisition, H.L. and R.N. All authors have read and agreed to the published version of the manuscript.

Funding

This material is based upon work supported by the National Science Foundation under grant IIS-2123343. Any opinions, findings, and conclusions or recommendations expressed in this material are those of the author(s) and do not necessarily reflect the views of the National Science Foundation. This work was partially supported by the Maranhão Research Foundation (FAPEMA), under grant BD-09053/22. This paper was partially supported by The H. Campbell and Eleanor R. Stuckeman Fund for Design Computing at The Pennsylvania State University and by the Gordon D. Kissinger Graduate Research Fellowship from the Architectural Engineering Department at Pennsylvania State University.

Institutional Review Board Statement

Not applicable.

Informed Consent Statement

Not applicable.

Data Availability Statement

The data presented in this study are available on request from the corresponding author.

Acknowledgments

We thank José Pinto Duarte, Thomas E. Boothby, and Lisa Iulo for fruitful discussions during committee meetings, and Cooper Knapp for their assistance during undergraduate research activities related to Shape Grammars. We also would like to thank IPHAN-MA and Margareth Figueiredo for their assistance during data collection. We acknowledge FAPEMA, SECTI and the Maranhão State Government for providing partial funds for this work. We also acknowledge the Architectural Engineering department and the Stuckeman Center for Design Computing at The Pennsylvania State University for all the support during the execution of this work.

Conflicts of Interest

The authors declare no conflict of interest.

References

  1. Grabowski, M. The 18th And 19th Century Industrialization Process as The Main Aspect of City Creation and Its Impact On Contemporary City Structures: The Case of Lodz. IOP Conf. Ser. 2019, 471, 82046. [Google Scholar] [CrossRef]
  2. Hollander, J.B.; Hartt, M.D.; Wiley, A.; Vavra, S. Vacancy in shrinking downtowns: A comparative study of Québec, Ontario, and New England. J. Hous. Built Environ. 2018, 33, 591–613. [Google Scholar] [CrossRef]
  3. Conejos, S.; Langston, C.; Smith, J. Improving the implementation of adaptive reuse strategies for historic buildings. In The IX International Forum of Studies: S.A.V.E. Heritage; Bond University: Naples, Italy, 2011. [Google Scholar]
  4. Robertson, K.A. Downtown Redevelopment Strategies in the United States: An End-of-the-Century Assessment. J. Am. Plan. Assoc. 1995, 61, 429–437. [Google Scholar] [CrossRef]
  5. King, R.; Orloff, M.; Virsilas, T.; Pande, T. Confronting the Urban Housing Crisis in the Global South: Adequate, Secure, and Affordable Housing; World Resources Institute: Washington, DC, USA, 2019; p. 40. [Google Scholar]
  6. Coupe, T. How global is the affordable housing crisis? Int. J. Hous. Mark. Anal. 2020, 14, 429–445. [Google Scholar] [CrossRef]
  7. Odilla, F.; Passarinho, N.; Barrucho, L. Brasil tem 6,9 Milhões de Famílias sem Casa e 6 Milhões de Imóveis Vazios, diz Urbanista. BBC News Brasil. 2018. Available online: https://www.bbc.com/portuguese/brasil-44028774 (accessed on 18 July 2022).
  8. Foster, G.; Kreinin, H. A review of environmental impact indicators of cultural heritage buildings: A circular economy perspective. Environ. Res. Lett. 2020, 15, 1–14. [Google Scholar] [CrossRef]
  9. Mısırlısoy, D.; Günçe, K. Adaptive reuse strategies for heritage buildings: A holistic approach. Sustain. Cities Soc. 2016, 26, 91–98. [Google Scholar] [CrossRef]
  10. Yung, E.H.K.; Chan, E.H.W.; Xu, Y. Community-Initiated Adaptive Reuse of Historic Buildings and Sustainable Development in the Inner City of Shanghai. J. Urban Plan. Dev. 2014, 140, 05014003. [Google Scholar] [CrossRef]
  11. Shahi, S.; Esnaashary Esfahani, M.; Bachmann, C.; Haas, C. A definition framework for building adaptation projects. Sustain. Cities Soc. 2020, 63, 102345. [Google Scholar] [CrossRef] [PubMed]
  12. Bullen, P.A. Adaptive reuse and sustainability of commercial buildings. Facilities 2007, 25, 20–31. [Google Scholar] [CrossRef]
  13. Brooker, G.; Stone, S. Rereadings: Interior Architecture and the Design Principles of Remodelling Existing Buildings; RIBA Enterprises: London, UK, 2004. [Google Scholar]
  14. Plevoets, B.; Cleempoel, K.V. Adaptive Reuse as a Strategy towards Conservation of Cultural Heritage: A Literature Review. In Structural Studies, Repairs and Maintenance of Heritage Architecture XII; Brebbia, C., Binda, L., Eds.; WIT Transactions on The Built Environment: London, UK, 2011. [Google Scholar] [CrossRef]
  15. Fisher-Gewirtzman, D. Adaptive Reuse Architecture Documentation and Analysis. J. Archit. Eng. Technol. 2016, 5, 3. [Google Scholar] [CrossRef]
  16. Davila Delgado, J.; Hofmeyer, H. Automated generation of structural solutions based on spatial designs. Autom. Constr. 2013, 35, 528–541. [Google Scholar] [CrossRef]
  17. Kim, S.; Ryu, H.; Kim, J. Automated and qualitative structural evaluation of floor plans for remodeling of apartment housing. J. Comput. Des. Eng. 2021, 8, 376–391. [Google Scholar] [CrossRef]
  18. Sanchez, B.; Haas, C. A novel selective disassembly sequence planning method for adaptive reuse of buildings. J. Clean. Prod. 2018, 183, 998–1010. [Google Scholar] [CrossRef]
  19. Agkathidis, A. Generative Design Methods Implementing Computational Techniques in Undergraduate Architectural Education. In Proceedings of the 33rd eCAADe Conference, Vienna, Austria, 16–18 September 2015; pp. 47–55. [Google Scholar] [CrossRef]
  20. Vatandoost, M.; Yazdanfar, S.; Ekhlassi, A. Computer-Aided Design: Classification of Design problems in Architecture. J. Inf. Comput. Sci. 2019, 9, 605–625. [Google Scholar]
  21. Mountstephens, J.; Teo, J. Progress and Challenges in Generative Product Design: A Review of Systems. Computers 2020, 9, 80. [Google Scholar] [CrossRef]
  22. Sönmez, N.O. A review of the use of examples for automating architectural design tasks. Comput. Aided Des. 2018, 96, 13–30. [Google Scholar] [CrossRef]
  23. Stiny, G.; Mitchell, W. The Palladian Grammar. Environ. Plan. B 1978, 5, 5–18. [Google Scholar] [CrossRef]
  24. Stiny, G. Shape: Talking about Seeing and Doing; The MIT Press: Cambridge, MA, USA, 2006; ISBN 978-0-262-19531-7. [Google Scholar]
  25. March, L. Forty Years of Shape and Shape Grammars, 1971–2011. Nexus Netw. J. 2011, 13, 5–13. [Google Scholar] [CrossRef]
  26. Ligler, H. Reconfiguring atrium hotels: Generating hybrid designs with visual computations in Shape Machine. Autom. Constr. 2021, 132, 103923. [Google Scholar] [CrossRef]
  27. Granadeiro, V.; Duarte, J.P.; Palensky, P. Building envelope shape design using a shape grammar-based parametric design system integrating energy simulation. In Proceedings of the IEEE Africon’11, Victoria Falls, Zambia, 13–15 September 2011; IEEE: Livingstone, Zambia, 2011; pp. 1–6. [Google Scholar] [CrossRef]
  28. Benrós, D.; Duarte, J.; Hanna, S. A New Palladian Shape Grammar. Int. J. Archit. Comput. 2012, 10, 521–540. [Google Scholar] [CrossRef]
  29. Lee, J.H.; Ostwald, M.J.; Gu, N. A Combined Plan Graph and Massing Grammar Approach to Frank Lloyd Wright’s Prairie Architecture. Nexus Netw. J. 2017, 19, 279–299. [Google Scholar] [CrossRef]
  30. Eloy, S.; Duarte, J. A transformation-grammar-based methodology for the adaptation of existing housetypes: The case of the rabo-de-bacalhau. Environ. Plan. B 2015, 42, 775–800. [Google Scholar] [CrossRef]
  31. Eloy, S.; Guerreiro, R. Transforming housing typologies. Space syntax evaluation and shape grammar generation. Arq. Urb 2016, 15, 86–114. [Google Scholar]
  32. Guerritore, C.; Duarte, J. Rule-Based Systems in Adaptation Processes: A Methodological Framework for the Adaptation of Office Buildings into Housing; Springer: Cham, Switzerland, 2019; pp. 499–517. [Google Scholar] [CrossRef]
  33. Belčič, A.; Eloy, S. Architecture for Community-Based Ageing—A Shape Grammar for Transforming Typical Single-Family Houses Into Old People’s Cohousing. Buildings 2023, 13, 453. [Google Scholar] [CrossRef]
  34. Paulino, D.M.S.; Knapp, C.; Ligler, H.; Napolitano, R. The Reviver Grammar: Transforming the historic center of São Luís through social housing. In Proceedings of the XXVI International Conference of the Iberoamerican Society of Digital Graphics, Lima, Peru, 9–11 November 2022; pp. 347–358. Available online: https://conf.dap.tuwien.ac.at/papers/sigradi/2022/sigradi2022_94.pdf (accessed on 22 January 2023).
  35. da Conceição Silva, I. Politicas Habitacionais no Centro Historico Ludovicense. In Proceedings of the IX International Seminar of Public Policies, São Luís, Brazil, 20–23 August 2019; pp. 1–12. Available online: http://www.joinpp.ufma.br/jornadas/joinpp2019/images/trabalhos/trabalho_submissaoId_545_5455ca5106ce4781.pdf (accessed on 22 July 2022).
  36. Lopes, M.; Meireles, H.; Cattari, S.; Bento, R.; Lagomarsino, S. Pombalino Constructions: Description and Seismic Assessment. In Structural Rehabilitation of Old Buildings; Costa, A., Guedes, J.M., Varum, H., Eds.; Building Pathology and Rehabilitation, Springer: Berlin/Heidelberg, Germany, 2014; pp. 187–233. [Google Scholar] [CrossRef]
  37. Figueiredo, M.G. Influência pombalina na morfologia urbana de São Luís do Maranhão. Converg. Lus. 2014, 25, 168–180. [Google Scholar]
  38. Mateus, J.M. (Ed.) Baixa Pombalina: Bases Para uma Intervenção de Salvaguarda/Baixa Pombalina: Bases for Intervention and Preservation; Lisbon City Council: Lisbon, Portugal, 2005. [Google Scholar]
  39. Lourenço, P.B.; Vasconcelos, G.; Poletti, E. Edifícios Pombalinos: Comportamento e Reforço. Semin. Intervir Construções Exist. Madeira 2014, I, 103–112. [Google Scholar]
  40. Knight, T. Color grammars: Designing with lines and colors. Environ. Plan. B 1989, 16, 417–449. [Google Scholar] [CrossRef]
Figure 1. Characteristics of the architectural typology in the historic center of São Luís: (a) facade of buildings at Rua Portugal, one of the most famous streets in the historic center; (b) different patterns of the facade tiles; (c) internal patios; (d) wall evidencing the Santo André cross structure.
Figure 1. Characteristics of the architectural typology in the historic center of São Luís: (a) facade of buildings at Rua Portugal, one of the most famous streets in the historic center; (b) different patterns of the facade tiles; (c) internal patios; (d) wall evidencing the Santo André cross structure.
Buildings 13 00722 g001
Figure 2. Sobrado massing types on the buildable urban lot.
Figure 2. Sobrado massing types on the buildable urban lot.
Buildings 13 00722 g002
Figure 3. Case study buildings.
Figure 3. Case study buildings.
Buildings 13 00722 g003
Figure 4. Abstract schema for defining the data input for the floor plan configuration (adapted from [34]).
Figure 4. Abstract schema for defining the data input for the floor plan configuration (adapted from [34]).
Buildings 13 00722 g004
Figure 5. Summary of the Reviver grammar process.
Figure 5. Summary of the Reviver grammar process.
Buildings 13 00722 g005
Figure 6. Ruleset for the Reviver grammar.
Figure 6. Ruleset for the Reviver grammar.
Buildings 13 00722 g006
Figure 7. Derivation process considering steps for stage 1 for the case study building 1.
Figure 7. Derivation process considering steps for stage 1 for the case study building 1.
Buildings 13 00722 g007
Figure 8. Derivation process considering steps for stage 2 for the case study building 1.
Figure 8. Derivation process considering steps for stage 2 for the case study building 1.
Buildings 13 00722 g008
Figure 9. Derivation process considering steps for stage 3 for the case study building 1.
Figure 9. Derivation process considering steps for stage 3 for the case study building 1.
Buildings 13 00722 g009
Figure 10. Derivation process considering steps for stage 4 for the case study building 1.
Figure 10. Derivation process considering steps for stage 4 for the case study building 1.
Buildings 13 00722 g010
Figure 11. Derivation process considering steps for stage 5 for the case study building 1.
Figure 11. Derivation process considering steps for stage 5 for the case study building 1.
Buildings 13 00722 g011
Figure 12. Derivation process for the case study building 2.
Figure 12. Derivation process for the case study building 2.
Buildings 13 00722 g012
Figure 13. Derivation process for the case study building 3.
Figure 13. Derivation process for the case study building 3.
Buildings 13 00722 g013
Figure 14. Variation process for the case study building 1.
Figure 14. Variation process for the case study building 1.
Buildings 13 00722 g014
Figure 15. Variation process for the case study building 2.
Figure 15. Variation process for the case study building 2.
Buildings 13 00722 g015
Figure 16. Variation process for the case study building 3.
Figure 16. Variation process for the case study building 3.
Buildings 13 00722 g016
Table 1. Minimum apartment requirements.
Table 1. Minimum apartment requirements.
Apartment Typen of WindowsMinimum Area (m 2 )
Studio230
1-BR240
2-BR350
Table 2. Summary of steps and classification of rules according to their application during the derivation process.
Table 2. Summary of steps and classification of rules according to their application during the derivation process.
StepActionRule Classification
Step 1.1creating and labeling boundariesmandatory
Step 1.2creating elements (1.2.1)mandatory
labeling elements(1.2.2–1.2.9)mandatory
Step 1.3identifying façade wallsmandatory
Step 2.1defining grid systemmandatory
Step 2.2adjusting grid lines for patio windowsexception
Step 2.3adjusting grid lines for structural elementsexception
Step 3.1defining areas based on grid linesmandatory
Step 3.2classifying areas according to daylightmandatory (3.2.1–3.2.3)
exception (3.2.4–3.2.6)
Step 4.1allocating apartment areasmandatory
Step 4.2allocating circulation areasexception
Step 4.3expanding apartment areasexception
Step 4.4expanding circulation areasexception
Step 4.5adding and deleting wallsmandatory
Step 5.1allocating entrance to apartment unitsmandatory (5.1.1,5.1.3)
exception (5.1.2)
Step 5.2subdividing unitsall mandatory except rule
5.2.3 (optional)
Step 5.3closing openingsmandatory
Disclaimer/Publisher’s Note: The statements, opinions and data contained in all publications are solely those of the individual author(s) and contributor(s) and not of MDPI and/or the editor(s). MDPI and/or the editor(s) disclaim responsibility for any injury to people or property resulting from any ideas, methods, instructions or products referred to in the content.

Share and Cite

MDPI and ACS Style

Paulino, D.M.S.; Ligler, H.; Napolitano, R. A Grammar-Based Approach for Generating Spatial Layout Solutions for the Adaptive Reuse of Sobrado Buildings. Buildings 2023, 13, 722. https://doi.org/10.3390/buildings13030722

AMA Style

Paulino DMS, Ligler H, Napolitano R. A Grammar-Based Approach for Generating Spatial Layout Solutions for the Adaptive Reuse of Sobrado Buildings. Buildings. 2023; 13(3):722. https://doi.org/10.3390/buildings13030722

Chicago/Turabian Style

Paulino, Daniele M. S., Heather Ligler, and Rebecca Napolitano. 2023. "A Grammar-Based Approach for Generating Spatial Layout Solutions for the Adaptive Reuse of Sobrado Buildings" Buildings 13, no. 3: 722. https://doi.org/10.3390/buildings13030722

APA Style

Paulino, D. M. S., Ligler, H., & Napolitano, R. (2023). A Grammar-Based Approach for Generating Spatial Layout Solutions for the Adaptive Reuse of Sobrado Buildings. Buildings, 13(3), 722. https://doi.org/10.3390/buildings13030722

Note that from the first issue of 2016, this journal uses article numbers instead of page numbers. See further details here.

Article Metrics

Back to TopTop