Next Article in Journal
Study of the Nonuniform Consolidation Characteristics of Soft Soils Using a Novel Model
Next Article in Special Issue
Carbon Emission Accounting Model for Comprehensive Medical Facilities Based on Population Flow
Previous Article in Journal
Bio-Inspired Impregnations of Carbon Rovings for Tailored Bond Behavior in Carbon Fiber Reinforced Concrete
Previous Article in Special Issue
Incentives for Promoting Safety in the Chinese Construction Industry
 
 
Font Type:
Arial Georgia Verdana
Font Size:
Aa Aa Aa
Line Spacing:
Column Width:
Background:
Article

In Search for Untapped Energy-Saving Potential in Green and Smart Higher Educational Buildings—An Empirical Case Study Involving the Building Occupants

Department of Energy Technology, KTH Royal Institute of Technology, Brinellvägen 68, 11428 Stockholm, Sweden
*
Author to whom correspondence should be addressed.
Buildings 2023, 13(12), 3103; https://doi.org/10.3390/buildings13123103
Submission received: 8 November 2023 / Revised: 9 December 2023 / Accepted: 11 December 2023 / Published: 14 December 2023
(This article belongs to the Special Issue Research on Green and Low-Carbon Buildings)

Abstract

:
Energy-intense activities and the unpredictable and complex behavior of building occupants lead to an increase in building energy demand. It is, therefore, crucial to study underlying factors for building energy demand related to the users. Higher educational buildings are relevant to study for several reasons: they host the future workforce and citizens, they are predicted to increase in numbers, and they represent a building type less studied. Furthermore, green-rated buildings equipped with smart building systems also represent a research gap that is relevant to address since such a building design involves IoT-functionalities and digital features for the building occupants to interact with. There is also a conceivable risk that if the users know that the building is green-rated and technologically advanced, this may alter their perception of the building operation and thus their behavior. To study the relationship between building occupants and such green and smart educational structure, a survey was conducted in a Swedish higher educational building; as a result, 300 responses were collected and analyzed. The responses revealed that the building occupants act with energy awareness, and they are conscious about energy-saving behaviors. One building feature in particular was studied: the Digital Room Panels (DRPs). The DRP allows the building occupants to modify the indoor temperature and is, therefore, essential for thermal comfort. One key finding from the survey revealed that 70% of the building occupants did not know how the DRPs operate. This study argues that this result can be explained with a lack of communication and user friendliness. Inadequate interactions with building systems could also result in opportunities for energy saving might not be realized. The findings of this case study led to valuable recommendations and suggestions for future research endeavors.

1. Introduction

The predominant energy and resource use within the built environment remain a crucial challenge that needs to be mitigated in order to achieve sustainability within this sector. In particular, energy use and interactions with building systems in commercial buildings is important to acknowledge, as people work, study and spend a great deal of their time in these buildings. In particular, it is important to investigate higher educational buildings for the following reasons: Firstly, the demand for educational buildings is increasing [1]. Secondly, university buildings in general hold opportunities for research and to act as testbeds and demonstrators for new technologies, for example, reducing energy by means of replacing conventional energy sources such as electric heaters with heat pumps. Thirdly, educational buildings should be examples of, and communicate, good practice when it comes to sustainable building development [2]. Lastly, there is a lack of studies targeting campus buildings, as most studies have treated residential and office buildings [3,4].
Achieving energy savings in any building is correlated with building occupant behavior, which depends on multiple factors and is difficult to predict and, therefore, adds complexity to building energy demand [2,4,5,6]. Behavior is linked to building total energy use, since the latter is dependent on knowledge about how interactions affect the building envelope and technical systems [7,8]. It has been reported that there is an untapped potential for energy savings of 24–72% in commercial buildings due to building occupant behavior and energy unawareness. Researchers have also found that building occupants in commercial buildings lack the motivation and interest to behave in an energy-saving manner [9]. For example, energy is wasted by leaving the lights on during the nighttime and non-working hours in commercial or office buildings [3,10,11,12,13]. Additionally, energy-unaware interactions with HVAC systems, opening windows and interactions with electrical appliances are identified behaviors that result in an increase in building energy demands [14].
Nowadays, building systems are being upgraded with data-driven technologies, including IoT-functionalities, and thereby transforming them into smarter and more digitalized building systems. This affects the building occupants, their behaviors and interactions. Yet, there is a scarce amount of research regarding the relationship between smart building systems, the building occupants and resulting energy use [15]. Researchers have also stated that lack of awareness, misinformation and misunderstanding of building systems and their technical features are key factors affecting building energy use [5,16]. In addition, previous research has depicted interactions and user interfaces between building occupants and smart building control devices as a research gap [15,17].
In order to promote sustainable buildings, several green building rating systems were initiated during the 1990s. BREEAM (The Building Research Establishment Environmental Assessment Method) developed the first method for certifying buildings according to a set of predefined indicators [18]. The mechanisms of green-rated building design are supposed to result in an optimized building energy use; however, they may also affect building occupant behaviors. It is, therefore, essential to study this relation to gain knowledge about further energy savings.

1.1. Research Aim

This study focuses on IEQ, energy-saving potential and the interaction between the building occupants and a green and smart campus building. This is conducted through the means of a case study carried out in an educational building in Stockholm, Sweden. The aim of this study is to contribute new knowledge to the research gap on building occupant interactions and the resulting energy use in green-rated campus buildings equipped with smart building systems.
Three overarching research questions are formulated accordingly:
  • How is IEQ experienced by the building occupants?
  • To what extent is the building occupants’ behavior influenced by energy awareness and general sustainability concerns?
  • Is there any energy-saving potential from targeting occupants’ behavior?
Based on the findings from this case study, recommendations will be proposed for future research about how green and smart educational buildings should be further developed in order to achieve the tradeoff between thermal comfort and energy efficiency.
The remainder of this paper is structured as follows: Section 1.2 presents a literature review on recent literature treating related subjects. The case study methodology is described in Section 2, Methods. The results are presented in Section 3. Section 4 comprises the discussion; finally, conclusions and recommendations for future research are presented in Section 5.

1.2. Literature Review

Previous studies have presented numerous energy-saving potentials by various means of targeting the behaviors of building occupants. The results of such studies show a large variation in energy-saving potential, implying the complexity of estimating energy savings [15]. Almeida et al. [19] compared the impacts of occupant behavior in a green-rated and non-green-rated university building. In their study, they found that the building occupants had less impact on the building energy use in the green-rated building, since this building was optimized from an energy use point of view. Therefore, green-rated buildings do not, by default, support building occupants to behave with energy awareness [12]. However, Darby et al. [11] argued that the green-rated branding could work as a catalyst for energy awareness. Furthermore, researchers have noticed the importance of well-functioning building management. According to Almeida et al. [12], a green-rated building must be operated by skilled personnel, otherwise the energy performance is at risk of performing at the same level as a non-rated building.
Green-rated buildings have been examined as to whether they provide a superior IEQ compared with non-green buildings [20]. Whether these buildings are more efficient in saving energy has also been studied [21,22]. Researchers have highlighted that some green-rated buildings demand more or similar amount of energy compared with non-rated buildings [5]. More specifically, according to Newsham et al. [21], 28–35% of green-rated buildings demand more energy compared with non-rated buildings. This results in an inconsistency in how well these green buildings perform and can be explained by the following reasons: green-rated buildings might not have been constructed correctly, building occupants use the building during hours not accounted for, unexpected performance of innovative technologies and a lack of information conveyed to the building occupants about building operations [21].
Adjusting HVAC setpoints and interfering with thermostats is one of the most common behaviors used to mitigate thermal discomfort. However, such behavior also results in an increase in building energy demand. Given this relationship, previous studies have investigated students’ adaptive behavior when feeling thermally uncomfortable. Jowkar et al. [23] found that the building occupants did not prioritize changing the HVAC setpoints. The authors reasoned that this was because it was not obvious how to interact with the HVAC system. In addition, in common shared spaces, building occupants might not feel comfortable changing HVAC setpoints since this could cause thermal discomfort to someone else. Therefore, building occupants in commercial buildings might prefer to mitigate thermal comfort by adjusting their layers of clothing, for example [23].
Managing waste in commercial buildings has also been a subject of study. Soares et al. [7] asked a group of building occupants about their concern regarding placing their waste in the correct bin for recycling. Their results showed that 82% were concerned, very concerned or highly concerned about this.
Previous literature also argues that the lack of information about building operation might be a significant explanation for an increase in building energy use [5,24]. For instance, this relates to adjusting layers of clothing instead of interfering with thermostats or to avoid leaving windows open for a longer time than necessary. These are examples of energy-aware behaviors which are especially important to address in educational buildings where the future workforce is educated and taught about how to promote a sustainable built environment. One suggestion for solving the lack of understanding of building operation is through the distribution of a pedagogic building manual, especially tailored for the building occupants. Almeida et al. [5] argued that there is an overall lack of building manuals in the building industry. They also argued that building manuals would be a useful tool for the building occupants to learn about how to interact with building systems with a sense of energy awareness. Almeida et al. made the analogy of purchasing electrical appliances as they always come with a user manual. Therefore, buildings would also benefit from similar user instructions. Arguably, buildings should have guidelines in order to support building occupants in their interactions with building systems in order to maximize energy-saving potential.
Previous studies have targeted the tradeoff for optimizing building energy use while ensuring the IEQ of the building occupants. Serghides et al. [25] studied the relationship between energy use and IEQ in a university building. They used a questionnaire in combination with field measurements for energy use and illumination intensity. They found that the building occupants were especially dissatisfied with the amount of natural light during the darker winter season. It was also concluded that significant energy savings could be made by targeting behaviors, such as switching off electrical equipment when leaving the building.
Allab et al. [26] suggested an energy audit for a higher educational building in France. They carried out a comprehensive audit involving the building occupants which included questionnaires, energy performance measurements and numerical modeling. By combining these methods, it was argued that the tradeoff between energy efficiency and thermal comfort was surmounted. It was found that thermal comfort and energy efficiency does not need to be conflicting, as recommended interventions could benefit them both.
Azar et al. [27] established a framework for assessing energy-aware behaviors which they illustrated in a green higher educational building in Abu Dhabi, UAE. This was carried out by combining several data analysis methods to analyze survey questions. The survey results showed that saving energy was important for 91% of the respondents. Overall, 65% of the respondents also noted that they perceived themselves to have no control over thermostat temperatures. Furthermore, environmental reasons were the main motivation to save energy in the campus building, according to 60% of the respondents. It was concluded that control over building systems and energy communication from building management are influential factors for building occupant behaviors.

2. Methods

This study adopted a case study methodology to study building occupants in a green and smart educational building. A survey campaign was used to gather data from the building occupants. To support the survey data, interviews with building operators and building occupants, including observations, were carried out. Under the first subheading, the case study building, its smart building systems and energy parameters will be described. Under the second subheading, a description of the survey campaign will be provided.

2.1. Case Study Building Description, the U-Building

The case study building, shown in Figure 1, was selected because it is a green-rated building equipped with smart building systems and thereby falls within the scope of this study. The building has a high rate of occupancy, and it differs from older educational buildings with its open-space design and many group study rooms. The U-building is located at the campus of KTH Royal Institute of Technology in Stockholm. The U-building was constructed in 2017 and it was designed as a collaboration between architects, the developer and the end-users (teachers, researchers and students). It is a brick building with large windows set in all directions. The gross floor area is 2780 m2 with seven floors, characterized by 363 study seats, six lecture rooms, eleven group study rooms and breakout areas. The building is open from 6:00 a.m. to midnight.
According to the Köppen–Geiger climate classification, the climate is characterized by mild winters and warm summers [28]. It should be taken into account that climatic and seasonal variations including outdoor temperature, relative humidity, solar radiation, wind and rain, including daylight times, are important variables that affect building energy use and building occupant behavior [4,29,30]. Therefore, it is important to consider that different locations with diverse climates differentiate energy-saving potential.
The focus for this building has been to provide a first-class environment for teaching and education. The building is designed to serve as a pedagogical tool for students and researchers, with technical installations such as the smart HVAC system being visible. Monitoring and data acquisition systems were installed in the construction phase. Thereby, students can study the building systems at full scale. To do so, innovative and flexible indoor environments were created by the means of movable walls, study and lecture rooms built in various sizes, such as flipped classrooms, supporting varieties of learning and education activities. Smart building systems are used as a real model in courses and research within the Department of Civil and Architectural Engineering. The aim is to understand how to build and design sustainable and resource efficient buildings that provide a superior indoor climate.
The U-building is also a testbed within the KTH Live-In Lab platform, whose aim is to accelerate innovation and develop building codes and rules within the building sector [31]. The KTH Live-in Lab consists of several testbed buildings connected to one database, whereas the U-building is one testbed. Being a testbed means that the building technical systems and sensor data are available via the KTH Live-In Lab database, following the IT-infrastructure scheme in Figure 2. Data are available per request for researchers and students to perform studies and research. All available data are compliant with the EU General Data Protection Regulation, GDPR. To support research and education, tailored data sets can also be made available. The reason for this setup is that enabling sample data will enhance learning and research for developing innovative and sustainable new solutions within the built environment [32].
The building is certified at gold level, according to the Swedish standard Miljöbyggnad, established by the Sweden Green Building Council, SGBC. Miljöbyggnad is a certification tool based on Swedish building codes, regulations and best practice. The building has been evaluated by an independent assessor, using 16 indicators that account for energy use, indoor environment and building materials. The gold level rating means that the building operates at top level performance [34].
The primary energy source for heating is district heating. An energy source for building electricity is the 119 m2 solar panels installed on the south-facing roof which produce on average 15,300 kWh per year. Purchased electricity originates from a mix of hydro, biomass and wind power. Figure 3 illustrates a part of the energy declaration document for the U-building. The energy classification is based on energy performance criteria for buildings, which is regulated in the Swedish building code BBR (BFS 2011:6) [35]. By design, the U-building is rated as B-class. The A-level could potentially be reached through operational excellence and user behavior. This remains to be validated.
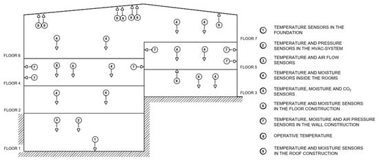
The U-building features an advanced sensor system installed in the walls, floors and ceiling that measures temperature, moisture, air-pressure, CO2 and energy use. Figure 4 illustrates the placement of the sensors. Moisture and temperature sensors are installed at various depths in the building envelope in order to produce data, which can be used to study the physical properties of the building. The embedding of the sensors inside the building envelope is unique, since sensors often come together with a building system or as separately wall-mounted or attached to a ceiling.
The building sensors are connected to a web-based monitoring system (https://www.styrportalen.se/ (accessed on 4 September 2023)). Students and researchers can access this platform to monitor the sensor data in real-time, to visualize building data and study the indoor environment. This data visualization software presents diagrams to analyze trends in sensor data over time.
The building HVAC system is equipped with presence, CO2 and temperature sensors, providing demand-controlled heating, cooling and ventilation. For instance, occupancy-based ventilation in the rooms is enabled by motion detectors. The HVAC system also works with a variable airflow. For example, if a room becomes too warm, the airflow increases. Air is supplied through the air ducts at a constant temperature of 17 °C in the cooling season. Cooling energy is provided by a district cooling system. Heating is provided by free convection radiators with low temperature water and regulated based on outdoor temperature. To save energy, the ventilation does not operate during the nighttime and it is set to start at 7:00 a.m. at minimum flow. As shown in Figure 5, the air ducts are visible to the building occupants.
A Digital Room Panel, DRP, illustrated in Figure 6, is a wall-mounted display located inside group study rooms, lecture rooms and breakout areas [36]. The display shows the ambient temperature (“Aktuell temperatur”), collected from the temperature sensors installed below the ceiling, together with the ducts. Using the features of this display, building occupants should be allowed to control the room temperature by setting their desired temperature (“Önskad temperatur”). The maximum allowed temperature is 31 °C, and the minimum allowed temperature is 11 °C. This temperature range is, however, overridden and constrained by predefined setpoints in the superior building management system. These predefined setpoints regulate how the HVAC system operates and are managed by the building operators based on their energy efficiency goals and to ensure IEQ. The indoor temperature was set to 21.0 °C in the superior building management system.
The windows are equipped with solar blinds operated by outdoor sensors measuring solar radiation and wind speed. There is also a weather station installed on the roof, located to the south. As an example, the weather station monitors outdoor temperature, wind speed, wind direction and global radiation. These data are used for education and research and to optimize the HVAC system. The weather station data are also displayed in the web-based monitoring system, as shown in Figure 7.
Table 1 presents the building systems that directly influence the users perceived IEQ. Possible interactions that might impact building energy use are also presented.

2.2. The Survey Design

A survey was utilized to gather data on energy-related behaviors amongst the building occupants. Surveys are a cost-effective way of gathering a large sample size of responses [6]. Surveys are also an appropriate method to evaluate building occupants’ subjective reactions to their interactions with the building systems [11].
The survey was managed with the online tool SurveyMonkey®. The respondents were informed about the survey campaign via information posters placed inside the building, and they accessed the survey via a QR code. The survey responses were collected between 26 April and 9 June 2023. A free lunch was offered during the process as an incentive. A total of 300 responses were collected and analyzed anonymously.
The survey aimed at providing data for the three overarching research questions presented in Section 1.1. The survey was organized into three blocks. The first block aimed at categorizing the respondents. The second block aimed at evaluating general energy concerns and knowledge. The third block was designed to acquire data on the building occupants’ energy-aware behavior in relation to thermal comfort, electrical appliances, waste and willingness to report building-related issues. A 5-point Likert scale with close-ended questions was used to evaluate the main part of the survey. The scale was formulated as follows: 5 = Strongly agree, 4 = Agree, 3 = Neutral, 2 = Disagree, 1 = Strongly disagree. To provide more qualitative data, the respondents had the opportunity to address any concern related to the U-building in the final survey question provided in an open-ended format. Relevant survey questions will be presented and discussed in Section 3. The full survey is available upon request.

3. Results

3.1. Survey Results

In this section, the survey results are presented.

3.1.1. Demographics

The demographics of the respondents are presented in Table 2. Overall, 99% of the respondents were students; of these, 86% stated that they spend, on average, 1–3 days per week in the U-building.

3.1.2. Energy Awareness and Knowledge

Summarized in Table 3 is the first set of questions that are motivational and intent-based questions that were formulated in order to assess the respondents’ environmental concerns and to identify if they have been provided with information about how the U-building operates.
Q1. The concern about energy and environmental issues is important to assess amongst building occupants since this concern is related to building energy use and foremost essential for the reduction in building energy use. Most building occupants are concerned about energy and environmental issues as the response rate was 90% for concerned, very concerned or highly concerned. If this concern is to be translated into building occupant behavior, it should imply that the building occupants act with responsibility and energy awareness. In this sense, they should be willing to adopt such behaviors that are required to optimize building energy use.
Q2. The DRPs were identified as one building system feature that the building occupants can interact with. This interaction might also have an impact on total building energy use, since the building occupants should be able to increase or decrease indoor temperature via this display. Therefore, it was relevant to include a survey question about this interaction. It was found that 70% claim that they did not know how to interact with the DRPs. This response indicates that the DRPs require improvements regarding the user interface. The reasons behind this response are not identified and should, therefore, be investigated in future studies.
Q3. Smart buildings are not yet so smart that they operate seamlessly without any participation, input or interaction from the building occupants. Building occupants are expected to take active decisions and interact with building systems and features in order to achieve thermal comfort. Therefore, it is relevant to study to what extent the building occupants have received any type of education about how the U-building operates. The results followed accordingly; 85% of the respondents answered that they had not been instructed in how the U-building operates. The resulting 15% that did receive some type of education about the U-building operations were most likely students participating in courses where the building is used as a model. This result could also be linked to the findings in question 2 of the survey, revealing that most of the building occupants did not know how to interact with the DRPs. In addition, it might also explain why some of the open-ended answers indicated a lack of know-how about the building operation.

3.1.3. Building Occupants’ Energy-Aware Behavior

Summarized in Table 4 is the second set of questions that was formulated to acquire data about the building occupants’ habits and concerns about energy-aware behaviors related to thermal comfort, electrical equipment, sorting waste, printing hard copies and a sense of responsibility to notify about building errors.
Q4. Adjusting the layers of clothing is an example of energy-aware behavior, since this relates to a sense of responsibility of first taking personal action, before interfering with building systems or envelopes. This question aimed to provide data on the preferences of the building occupants regarding adjusting their level of clothing to achieve thermal comfort. Overall, 88% of the building occupants responded that they adjust their layers of clothing when they feel too warm or too cold. Therefore, it could be argued that most of the building occupants are willing to adapt to the indoor temperature by making personal adjustments.
Q5. Behaviors regarding managing waste amongst building occupants is important in the sense that it relates to an efficient waste management within the building boundaries and a general environmental concern and sustainable lifestyle. The results of this question reveal that the building occupants have a high concern about managing their waste. A total of 93% of the respondents say that they place waste in the right place for recycling, which indicates a high level of concern about waste management.
Q6. Alerting the building operator about building systems errors is important in the sense that it indicates a sense of responsibility for building operations. In commercial and common shared buildings especially, this might be a challenge. The response to this survey question reveals that building occupants might be reluctant to contact the building operators as 84% responded in a neutral manner or that they do not alert the building operator when there is a building systems error. This could result in delays in detecting errors which might affect the building energy use, as well as the indoor environmental quality. How such behavior could be encouraged should be further studied.
Q7. This survey question aims at investigating the building occupants’ window-opening behavior. The building occupants can open most of the windows to allow fresh air in. Window-opening behavior relates to a sense of control, and opening windows for fresh air enables the building occupant to achieve thermal and air quality preferences. However, it might also increase the building energy use. Especially during the heating season, window-opening behavior might contribute to an increased energy demand due to losses in the ventilation heat recovery system [37]. What kind of energy-related impact opening the windows has for HVAC operation depends on the outdoor temperature and on the length of time the window is kept open. Furthermore, opening the window in one room may also cause shortcuts in the ventilation system so that other rooms do not have sufficient ventilation. Overall, 23% of participants responded that they do not make sure that the windows are closed, whereas 37% of the respondents remained neutral. Our findings confirmed that building occupants open the windows for fresh air, especially when they arrive at the building in the morning between 6:00 a.m. and 7:30 a.m. When the building occupants arrive in the morning, they experience stale air quality. This can be explained by the fact that the ventilation system is not operating during the night, and it is set to start operating at a minimum flow at 7:00 a.m.
Q8. Previous research has found that turning off electrical appliances in educational buildings can save about 20% of building total energy use under certain conditions [38]. Due to these energy-saving potentials, it is, therefore, important to encourage such behavior and concern amongst the building occupants. Thus, this question was formulated for studying the sense of responsibility for turning off electrical equipment. The result showed that 65% of the respondents actively turn off electrical equipment. Thus, 35% responded neutrally or did not engage in turning off electrical equipment. These results showed that there is a need for interventions to encourage knowledge and good practice routines regarding the use of electrical equipment.
Q9. The elevator is an electricity-consuming object in commercial buildings; previous researchers have studied both the impact on energy use and also the health perspective of promoting taking the stairs [39]. Encouraging building occupants to prioritize taking the stairs will have multiple effects: the building energy use will drop while the building occupants adopt a healthier lifestyle, also leading to better learning capabilities as physical activities promote learning [40]. For this study, the question was formulated to study the preferences of using the elevator as opposed to taking the stairs when moving between floors. Overall, 73% of the respondents agreed or strongly agreed that they take the stairs rather than the elevator. The open-ended question revealed that when the students arrive at the building, they take the elevator to the top floor if they are searching for an available group study room. As the study rooms located at floor 7 are the most popular ones, building occupants take the elevator to this top floor and then systematically descend using the stairs, floor by floor, in search of an available space to study. Therefore, there is a tradeoff between taking the elevator which saves time, as opposed to taking the stairs.
Q10. Printing involves several environmental aspects such as paper use, ink and toner use and plastic waste. It could be argued that attitudes towards printing hard copies have changed in line with a general increase in environmental concern. Overall, 76% of the respondents agree or strongly agree that they avoid printing papers. This result shows that most of the building occupants have a sustainable behavior related to printer and paper use. Still, it is important to continue promoting sustainable behaviors related to printing hard copies through incorporating these aspects in campus plans, by conveying information to building occupants and limiting hard copy use in teaching.
Q11. To know where the building occupants prefer to locate themselves is important in planning ways to save energy, because, with this knowledge, building management could, for example, optimize the interior design of the building to fully utilize the natural daylight. The result showed that 57% of the building occupants prefer to sit next to a window. This indicates that the building occupants favor this building due to its many and large windows, which provide a good amount of natural light.

3.1.4. The Open-Ended Question

The open-ended question provided qualitative data about how the building occupants experience and interact with the building and its systems. A total of 38% of respondents provided a comment. Overall, 20% of these comments were about the indoor temperature, whereas 91% stated that the indoor temperature is perceived to be too cold. While observing the indoor environments, it was noted that students wore their outerwear inside classrooms and group study rooms. A previous study made in the same building throughout January–March 2023 found that the temperature in some group study rooms was as low as 16.5 °C [41]. The reason was due to faulty settings in the building management control system. The fault was corrected about two months before this survey started; however, it might have influenced the responses.
The second most reported item, which represented 16% of the comments, was the solar blinds. The respondents noted that they do not understand how they operate and that they “seem to have a mind of its own”, moving up and down irregularly. It was also mentioned that the solar blinds block natural light.
Another key finding was that the building occupants appreciate the visual comfort and the amount of natural daylight in the building, which could explain why they prefer to sit next to a window and why they are annoyed by how the solar blinds operate. It should be noted that the survey was performed from the end of April to the beginning of June where there is daylight between 4 a.m. and 9 p.m., which might have influenced this result.
Another finding is related to the sensor-steered lights. When there is no detected movement, lights turn off after 30 min. To activate the lights, movements must be made. As one respondent noted; “I need to make major moves to turn the lights back on”. Some of the building occupants also believe that the presence sensor which controls the light should be placed differently in order to improve the sensitivity.
Recycling waste was also mentioned in the open-ended question. The U-building has two bins for recycling: paper and unsorted. Respondents stressed that they lack the opportunity to manage their waste correctly, as it is not possible to sort plastics, food, PET bottle recycling and metal.

3.2. Observation Results

As a result of the fact that 70% of respondents did not understand the DRP, it was decided to study this feature in more detail. Therefore, two observations were performed to study its features and how it is connected to the building HVAC system.
When performing the observations, a design fault of the DRP interface was discovered. The DRP, illustrated in Figure 6, allows the building occupants to decrease the “desired temperature” to 11 °C and increase it to 31 °C. However, predefined settings in the superior building management system limit this interaction. The DRP is controlled by a variable maximum allowed temperature shift. This setpoint is supervised by building management and is customized to 2 °C, which means that the building occupants are allowed to increase the temperature with 2 °C and decrease it with 2 °C. Thus, the allowed adjustable temperature interval is within the range of 19 °C and 23 °C. The allowed setpoints via the DRPs are, therefore, subordinate to the maximum allowed temperature shift. The maximum allowed temperature shift is also controlled by a duration of 180 min. This means that any adjustments made by the building occupants will fall back to 21 °C after 180 min. None of these superior setpoints were communicated to the building occupants.
Another issue is that the DRP displays the room temperature from a sensor placed close to the ceiling, approximately 3 m above the floor, which is outside the occupancy zone. This means that the display does not show the temperature in the occupancy zone. This could be misleading if the building occupants act on a temperature that might differ from the temperature in the occupancy zone. Therefore, it would be more accurate if the DRP displayed the temperature in the occupancy zone.
In order to study how this system works from the perspective of the building occupant, two observations were made. In the first observation, illustrated in Figure 8, the desired temperature was set to increase by 2 °C to 23 °C; in the second observation, illustrated in Figure 9, the desired temperature was set to decrease by 2 °C to 19 °C. Hourly readings were recorded from 07:02 a.m. to 17:45 p.m. The room was occupied by one person, the window was not opened, and the room was unoccupied between 11:30 and 12:30.
The results from these two observations show that the desired temperature was not reached within the time set out for the observations. According to the setpoints, they should be able to reach the desired temperatures of 23 °C and 19 °C, respectively. The reasons for why the temperature never reached the 2 °C increase and decrease was not further explored beyond these two observations. Except for technical reasons for this system behavior, building physics could also explain this slow change in temperature as the thermal inertia of a massive brick building induces a slow response to the heating system. This means that if a building occupant increases or decreases the desired temperature, the response of the heating system to the new setpoint is slow due to the free convection radiators with low temperate water. Consequently, the building occupant might already have left the building before the desired temperature is reached.

4. Discussion

It can be argued that interactions with modern building systems occur to a limited extent, compared with traditional and less digitalized buildings. Therefore, building occupants in a smarter building might have a lesser impact on building energy use. As an example, in buildings equipped with smart and sensor-steered lighting systems, the building occupants do not influence the building energy use by leaving lights on when not needed. Additionally, in buildings equipped with smart HVAC systems, the building occupants’ interactions are controlled by predefined setpoints and these predefined settings together with presence and temperature sensors automatically control the indoor environment. Therefore, it is crucial that daily surveillance, maintenance and operation of these smarter building systems is carried out with operational excellence. Otherwise, old settings that have not been updated according to building status could lead to a less comfortable indoor climate.
If the U-building was smarter with responsive intelligent systems, it should learn from the building occupants, potentially benefiting from feedback mechanisms involving the building occupants. By doing so, the building occupants could receive real-time information on the status of the HVAC system. Such feedback loops should also give the building occupants the opportunity to communicate to the building management about their IEQ, for example, if they are feeling cold or warm in relation to where in the U-building they are located.

4.1. The Survey

To summarize the findings from the survey, most of the responses indicated energy awareness and concern. Most of the respondents adjust their layers of clothing, they utilize the natural daylight, they take the stairs instead of the elevator, they manage their waste, and they avoid printing hard copies of documents. What was found to be missing is knowledge about the smart building systems, as most of the respondents did not know how the DRPs operate. Other concerns related to the building systems were unsatisfaction regarding the operations of the solar blinds and the sensor-steered lights.
The open-ended question revealed that the building occupants perceive some challenges for the building to reach its fullest potential. For example, several of the comments pointed out that the building is cold. The setpoints of the indoor temperature resemble a tradeoff between energy efficiency and thermal comfort. Thus, the indoor temperature could be increased; however, that would be counterproductive for achieving sustainable energy use. However, in such a smart building, it is crucial to ensure that the smart building systems provide the same output in reality, as given in the monitoring system. The indoor climate should be validated on a regular basis, for example, validating that the heating system provides 21 °C in every room. The temperature data in the building management system might show 21 °C, but in reality, could be different. Therefore, it is important to set up routines to make sure that the indoor temperature corresponds with the temperature presented in the monitoring systems. The control of data corresponding with reality is important in a smart building, where there are multiple data connections between several system providers, tenants and the building owner.
Most of the responses from the open-ended question relate to a sense of control. According to Jowkar et al. [23], when a sense of control is achieved, the building occupants are able to better take control over their space in terms of taking adequate environmental or personal adaptive behavior to assert thermal comfort. The sense of control for the building occupants’ space tends to have a positive impact on thermal comfort [30,42]. Regarding the U-building, interacting with DRPs could empower positive psychological effects since a sense of control might enable the building occupants to experience an improved sense of thermal comfort. It could also be argued that smart building systems with some degree of occupant control may result in energy-aware behavior, encouraging the building occupants to feel motivated to act. Furthermore, according to Leaman and Bordass [43], there is a fine balance between lack of control and too many choices, as building occupants could be disturbed by too many choices since they use building controls occasionally and only when most needed. According to Nicol and Humphreys [44], “The building should give occupants the chance to adjust the conditions to suit themselves. Discomfort is increased if control is not provided, or if the controls are ineffective, inappropriate or unusable”. This is why the DRPs are essential for thermal comfort.
Visual comfort is particularly important in educational buildings because it affects learning abilities; moreover, the exposure of natural daylight is also beneficial for the comfort and wellbeing of the building occupant [25]. It was found that the building occupants consider the U-building to have great potential for utilizing natural lights via the many large windows. However, they perceive that the solar blinds block this potential. It should be noted that the solar blinds are not blackout curtains; the building occupants still gain some vision when they are down. One challenge of solar blinds is to find the correct operational level between reducing the glare while maintaining natural light [45]. The outdoor sensor controlling the solar blinds should be placed so that the blinds operate to their best performance. Additionally, setpoints in the building control system for the solar blinds should be verified by the building operator. One explanation for the solar blinds to act irregularly could be that the blind control is disturbed by clouds, meaning that the blinds might occasionally operate together with the clouds under variable clouds conditions. This could be solved by introducing hysteresis into the control loop with a delay timer that inhibits frequent blind movement.

4.2. The Digital Room Panel, DRP

DRPs are a relatively new feature in commercial buildings; therefore, little is known about the interplay between them and building occupants. Previous research has noted that building occupants do not by default respond to new technologies positively [8]. One key conclusion that could be drawn from the findings in this study is that user experience should be improved and those setpoints in the superior building management system that limit interactions with the DRPs should be communicated to the building occupants. As an example, this could be carried out by providing instructions for the building occupants about the DRP functionalities. For example, instructions could be placed next to the display or by means of information sessions about the building and its building systems. In addition, feedback mechanisms could support the DRP interaction. For example, the DRP could display whether the heating or cooling system is on or not together with an estimation of the time needed to reach the desired temperature. By doing so, the DRP would provide relevant information to the building occupants, and interactions would become more intuitive.
Another setpoint in the building management system that controls the operation of the DRP is the duration setpoint of 180 min. This means that any adjustments made by the building occupants will revert back to the predefined temperature of 21 °C after 180 min. This setpoint affecting the building occupants’ interactions was not communicated either. Via interviews and observations, it was noted that building occupants use the U-building for more than 3 h as they usually come to the U-building to study for a full day. This means that the desired temperature might revert back before the building occupants leave the U-building.

4.3. Energy-Saving Potentials

In order to explore any possible energy-saving potential with regard to building occupant behavior, the building systems were mapped as shown in Table 1. Interviews were also performed with the building operators and the U-building, and its occupants were observed on several occasions. In addition, findings from the survey provided knowledge about those interactions where potential energy savings could be identified.
The U-building is constructed with many large windows. It could be argued that there would be some energy savings from reducing the artificial light close to the windows, replacing artificial light with natural light. This could be a strategy beneficial from an energy-saving perspective but also from a perspective of the building occupant’s IEQ, as natural light improves health and wellbeing. Unfortunately, there were no separate energy data available for lights; therefore, it was not possible to quantitatively estimate such energy savings. Furthermore, it was also noted in the open-ended question that the U-building would benefit from proximity and luminosity sensors to control artificial light where natural light could replace the LED lights.
There is a general rule saying that lowering the indoor temperature by one degree would decrease building energy demand by approximately 7% [46]. This would mean that if the U-building temperature were set to 20 °C, instead of 21 °C, energy savings of 7% could be achieved. In Sweden, the minimum operative indoor temperature of higher educational buildings should be at least 18 °C [47]. This would keep the temperature within the requirement. However, since the building occupants already feel that the building is cold, lowering the indoor temperature by one degree would involve a tradeoff for thermal comfort. If an intervention like this would be scaled up to include the entire campus areas, a considerable amount of energy could be saved. Nicol et al. [48] stated that in the UK, energy savings of 10% can be achieved for every degree reduced in indoor temperature. According to Nicol and Humphreys [44], if control is provided to the building occupants to make themselves comfortable, a ±2 °C variance is found acceptable. Additionally, a study carried out by Leaman and Bordass [43] found that building occupants might be more tolerable of the indoor climate if they know that it is a green-rated building.

5. Conclusions and Recommendations for Future Research

This paper presents a case study of a green-rated educational building equipped with smart building technology. Interviews, observations and an online survey were used as research methods to study the building occupants, their energy awareness and interactions with the building envelope and building systems. This study was made in a higher educational building, and findings could be generalized to similar building types with a similar building population. However, future research can contribute to the generalizations of the findings of this study by targeting campus buildings that differ in these characteristics. The findings of this study are important for the enhancement of IEQ in green buildings equipped with smart building systems.
This study argues that smart buildings is not yet smart enough. Therefore, it is especially crucial to ensure operational excellence in commercial buildings equipped with smart building systems. In addition, the building operators comprise a critical role in ensuring an optimal performance of the building. Building management systems are becoming data-driven, hence more advanced to operate. Thereby, these systems require the building operators to analyze building data and make correct interpretations for setpoints in relation to seasonal shifts and other relevant factors that affect energy use as well as IEQ. Therefore, adequate training needs to be ensured within building management to acquire relevant and up-to-date skills in smart building systems.
Presented in Section 1.1, three overarching research questions were formulated. The findings are as follows: Firstly, it is challenging for this type of building to meet expectations from the building occupants regarding their perceived IEQ. This statement arises from the open-ended responses, where responses revealed that the building is experienced to be thermally and visually uncomfortable. It was especially noted that the building is perceived to be cold and that the sensor-steered solar blinds seem to have a mind of their own. The DRPs were also found to be non-intuitive and from the perspective of building occupants, it could be perceived that the system simply ignores any efforts to increase or decrease the temperature. Thus, smart building systems should be designed so that interaction becomes intuitive. To increase user-friendliness, the desired temperature of the DRPs should mirror the setpoints in the superior building management system. The issues regarding thermal and visual comfort could be solved by adjusting setpoints in the superior building management system and by providing information to the building occupants about how the HVAC system operates.
Secondly, sustainable behavior and energy awareness are important factors that should be encouraged, especially in higher educational buildings where the future citizens are shaped. It can be concluded that the building occupants are concerned about energy-environmental issues and most of the respondents act with a sense of energy awareness. This study also argues that energy-aware and sustainable behavior is especially crucial to promote amongst campus building occupants as they are the future workforce that will spend most of their time in various commercial buildings.
Thirdly, it was noted that building occupant behaviors have limited impact on total building energy use in this case study building. The explanation is that the indoor climate is controlled via the central building management system and the lighting system and HVAC system are automatically steered via sensors. The building occupants are allowed to adjust temperature settings by adjusting the desired temperature via the DRPs. However, this interaction is limited by setpoints in the superior building management system and, therefore, the impact on building energy use remains insignificant. The building occupants are unaware of these setpoints; therefore, it is recommended to provide building information and feedback mechanisms to enhance the user experience and thereby improve interactions with the DRPs. Furthermore, it is argued that some control is beneficial since building occupants should never become passive agents in the built environment. Encouraging a sense of control and allowing some interactions with the smart building systems could yield positive spillover effects where other desirable behaviors such as sorting waste occur. Ultimately, sustainable behavior even beyond the building boundaries would also be motivated [49].
This study faced some limitations that are important to highlight for future research. Firstly, it should be recognized that the survey was performed during the spring term in a campus building located in Sweden, which means that climate, weather, building type and building occupants is considered specific to this context. Secondly, this study did not include any energy performance calculations. Hence, results and discussions related to energy use are merely subjective based on results from the survey, interviews and observations. Thirdly, response bias should be acknowledged as one limitation that might impact the result of using surveys. Response bias may impact the reliability of self-reported behaviors. This could, for example, be misinterpretations of the survey questions or lack of knowledge about various building systems [50]. Furthermore, building occupant behavior depends on psychological, physiological and social parameters that determine individual preferences, affecting the experienced thermal and visual climate [4]. These individual characteristics together with variations in metabolic rate, clothing and the intake of drinks [16] were not considered for the scope of this study. Finally, the respondents represent a homogeneous sample population. As shown in Table 2, 93% of respondents were between the age of 17 and 27, and 99% were students. Therefore, the outcome of this survey might not be generalized for a heterogenic sample population.
Based on the findings from this study, the following recommendations for future research are suggested. These recommendations are also relevant for key stakeholders responsible for the operation and management of smart and green campus buildings:
  • It was found that most of the building occupants need support in understanding how the DRPs work. For example, a small sign with essential information could be placed on the wall next to the DRP. The interface of the DRP could also be developed to make it more user friendly and to achieve better controllability. Furthermore, the DRPs would benefit with some type of feedback-mechanism for the building occupant to understand how the HVAC system operates. The DRP could display the time it will take until it reaches the desired temperature and indicate if the heating or cooling is in operation.
  • Future research should target how to develop practices and guidelines in order to provide the building operators with education and other necessary organizational support for acquiring adequate knowledge about smart building systems. The building operators should also be given dedicated work time to ensure operational excellence of the smart building systems. There is a risk that if the smart building systems are not managed appropriately, they will not perform according to their full potential. This is evident in this case study where accurate setpoints for the solar blinds could prevent them from moving up and down too often, including misleading DRP settings.
  • The building management team would benefit from learning about the building occupants, their expectations of IEQ and their knowledge about the building systems. This could, for example, be carried out by using surveys where relevant factors are captured. By doing so, behaviors such as window-opening behavior could be better understood, and issues regarding IEQ could be better dealt with.
  • By means of Artificial Intelligence, data from interactions with the DRP could be used to train the superior building system to modify the setpoints based on how the building occupants adjust the DRPs.
  • Sensor data could be analyzed to learn more about the building occupants’ preferences, for example, their presence and movement patterns including spatial data such as where in a building they prefer to study or work.

Author Contributions

Conceptualization, K.B. and M.M.; methodology, K.B.; software, K.B. and M.M.; validation, K.B., M.M.; formal analysis, K.B.; investigation, K.B.; resources, K.B.; data curation, K.B.; writing—original draft preparation, K.B.; writing—review and editing, K.B., M.M. and P.L.; visualization, K.B.; supervision, M.M. and P.L.; project administration, K.B. and M.M.; funding acquisition, K.B. and M.M. All authors have read and agreed to the published version of the manuscript.

Funding

This research was funded by the Swedish Energy Agency and IQ Samhällsbyggnad, under the E2B2 programme, grant agreement 2018-016237, project number 47859-1 (Cost- and Energy-Efficient Control Systems for Buildings), by the Swedish Foundation for Strategic Research (SSF) under grant agreement No. RIT17-0046 (Project CLAS—Cybersäkra lärande reglersystem), by Digital Futures (Project HiSS—Humanizing the Sustainable Smart City), grant agreement VF-2020-0260.

Data Availability Statement

The anonymous results from the survey campaign will be made available upon request. The data are not publicly available due to privacy.

Conflicts of Interest

The authors declare no conflict of interest.

References

  1. Litardo, J.; Hidalgo-Leon, R.; Soriano, G. Energy Performance and Benchmarking for University Classrooms in Hot and Humid Climates. Energies 2021, 14, 7013. [Google Scholar] [CrossRef]
  2. Pisello, A.L.; Castaldo, V.L.; Piselli, C.; Fabiani, C.; Cotana, F. How peers’ personal attitudes affect indoor microclimate and energy need in an institutional building: Results from a continuous monitoring campaign in summer and winter conditions. Energy Build. 2016, 126, 485–497. [Google Scholar] [CrossRef]
  3. Nguyen, T.A.; Aiello, M. Energy intelligent buildings based on user activity: A survey. Energy Build. 2013, 56, 244–257. [Google Scholar] [CrossRef]
  4. Delzendeh, E.; Wu, S.; Lee, A.; Zhou, Y. The impact of occupants’ behaviours on building energy analysis: A research review. Renew. Sustain. Energy Rev. 2017, 80, 1061–1071. [Google Scholar] [CrossRef]
  5. Almeida, L.M.; Tam, V.W.; Le, K.N. Users’ building optimal performance manual. Clean. Responsible Consum. 2021, 2, 100009. [Google Scholar] [CrossRef]
  6. Yan, D.; Hong, T.; Dong, B.; Mahdavi, A.; D’oca, S.; Gaetani, I.; Feng, X. IEA EBC Annex 66: Definition and simulation of occupant behavior in buildings. Energy Build. 2017, 156, 258–270. [Google Scholar] [CrossRef]
  7. Soares, N.; Pereira, L.D.; Ferreira, J.; Conceição, P.; da Silva, P.P. Energy efficiency of higher education buildings: A case study. Int. J. Sustain. High. Educ. 2015, 16, 669–691. [Google Scholar] [CrossRef]
  8. Cottafava, D.; Magariello, S.; Ariano, R.; Arrobbio, O.; Baricco, M.; Barthelmes, V.; Baruzzo, G.; Bonansone, M.; Console, L.; Contin, L.; et al. Crowdsensing for a sustainable comfort and for energy saving. Energy Build. 2019, 186, 208–220. [Google Scholar] [CrossRef]
  9. Casado-Mansilla, D.; Moschos, I.; Kamara-Esteban, O.; Tsolakis, A.C.; Borges, C.E.; Krinidis, S.; Irizar-Arrieta, A.; Konstantinos, K.; Pijoan, A.; Tzovaras, D.; et al. A Human-Centric & Context-Aware IoT Framework for Enhancing Energy Efficiency in Buildings of Public Use. IEEE Access 2018, 6, 31444–31456. [Google Scholar] [CrossRef]
  10. Masoso, O.; Grobler, L. The dark side of occupants’ behaviour on building energy use. Energy Build. 2010, 42, 173–177. [Google Scholar] [CrossRef]
  11. Darby, H.; Elmualim, A.; Clements-Croome, D.; Yearley, T.; Box, W. Influence of occupants’ behaviour on energy and carbon emission reduction in a higher education building in the UK. Intell. Build. Int. 2016, 8, 157–175. [Google Scholar] [CrossRef]
  12. Almeida, L.; Tam, V.W.; Le, K.N.; She, Y. Effects of occupant behaviour on energy performance in buildings: A green and non-green building comparison. Eng. Constr. Arch. Manag. 2020, 27, 1939–1962. [Google Scholar] [CrossRef]
  13. Azar, E.; Menassa, C.C. Framework to Evaluate Energy-Saving Potential from Occupancy Interventions in Typical Commercial Buildings in the United States. J. Comput. Civ. Eng. 2014, 28, 63–78. [Google Scholar] [CrossRef]
  14. Chen, S.; Zhang, G.; Xia, X.; Chen, Y.; Setunge, S.; Shi, L. The impacts of occupant behavior on building energy consumption: A review. Sustain. Energy Technol. Assess. 2021, 45, 101212. [Google Scholar] [CrossRef]
  15. Bäcklund, K.; Molinari, M.; Lundqvist, P.; Palm, B. Building Occupants, Their Behavior and the Resulting Impact on Energy Use in Campus Buildings: A Literature Review with Focus on Smart Building Systems. Energies 2023, 16, 6104. [Google Scholar] [CrossRef]
  16. Hong, T.; Taylor-Lange, S.C.; D’oca, S.; Yan, D.; Corgnati, S.P. Advances in research and applications of energy-related occupant behavior in buildings. Energy Build. 2016, 116, 694–702. [Google Scholar] [CrossRef]
  17. O’Brien, W.; Wagner, A.; Schweiker, M.; Mahdavi, A.; Day, J.; Kjærgaard, M.B.; Carlucci, S.; Dong, B.; Tahmasebi, F.; Yan, D.; et al. Introducing IEA EBC annex 79: Key challenges and opportunities in the field of occupant-centric building design and operation. Build. Environ. 2020, 178, 106738. [Google Scholar] [CrossRef]
  18. Gou, Z.; Lau, S.S.-Y. Contextualizing green building rating systems: Case study of Hong Kong. Habitat Int. 2014, 44, 282–289. [Google Scholar] [CrossRef]
  19. Almeida, L.M.M.C.E.; Tam, V.W.Y.; Le, K.N. Quantification of the energy use due to occupant behaviour collected in surveys: A case study of a green and non-green building. J. Build. Perform. Simul. 2020, 13, 777–803. [Google Scholar] [CrossRef]
  20. Thatcher, A.; Milner, K. Is a green building really better for building occupants? A longitudinal evaluation. Build. Environ. 2016, 108, 194–206. [Google Scholar] [CrossRef]
  21. Newsham, G.R.; Mancini, S.; Birt, B.J. Do LEED-certified buildings save energy? Yes, but… Energy Build. 2009, 41, 897–905. [Google Scholar] [CrossRef]
  22. Scofield, J.H. Do LEED-certified buildings save energy? Not really…. Energy Build. 2009, 41, 1386–1390. [Google Scholar] [CrossRef]
  23. Jowkar, M.; Rijal, H.B.; Brusey, J.; Montazami, A.; Carlucci, S.; Lansdown, T.C. Comfort temperature and preferred adaptive behaviour in various classroom types in the UK higher learning environments. Energy Build. 2020, 211, 109814. [Google Scholar] [CrossRef]
  24. Lindelöf, D.; Morel, N. A field investigation of the intermediate light switching by users. Energy Build. 2006, 38, 790–801. [Google Scholar] [CrossRef]
  25. Serghides, D.; Chatzinikola, C.; Katafygiotou, M. Comparative studies of the occupants’ behaviour in a university building during winter and summer time. Int. J. Sustain. Energy 2015, 34, 528–551. [Google Scholar] [CrossRef]
  26. Allab, Y.; Pellegrino, M.; Guo, X.; Nefzaoui, E.; Kindinis, A. Energy and comfort assessment in educational building: Case study in a French university campus. Energy Build. 2017, 143, 202–219. [Google Scholar] [CrossRef]
  27. Azar, E.; Al Ansari, H. Framework to investigate energy conservation motivation and actions of building occupants: The case of a green campus in Abu Dhabi, UAE. Appl. Energy 2017, 190, 563–573. [Google Scholar] [CrossRef]
  28. Beck, H.E.; Zimmermann, N.E.; McVicar, T.R.; Vergopolan, N.; Berg, A.; Wood, E.F. Present and future Köppen-Geiger climate classification maps at 1-km resolution. Sci. Data 2018, 5, 180214. [Google Scholar] [CrossRef] [PubMed]
  29. Wong, W.; Fellows, R.; Liu, A. Use of electrical energy in university buildings: A Hong Kong case study. Facilities 2006, 24, 5–17. [Google Scholar] [CrossRef]
  30. Liu, J.; Yao, R.; McCloy, R. An investigation of thermal comfort adaptation behaviour in office buildings in the UK. Indoor Built Environ. 2014, 23, 675–691. [Google Scholar] [CrossRef]
  31. Molinari, M.; Vogel, J.A.; Rolando, D.; Lundqvist, P. Using living labs to tackle innovation bottlenecks: The KTH Live-In Lab case study. Appl. Energy 2023, 338, 120877. [Google Scholar] [CrossRef]
  32. KTH Live-In Lab Datapool. Available online: https://www.liveinlab.kth.se/en/datapool/datapool/kth-live-in-lab-datapool-1.974702 (accessed on 1 December 2023).
  33. Testbed AH. Available online: https://www.liveinlab.kth.se/en/datapool/datapool/data-infrastructure/testbed-ah-1.976310 (accessed on 1 December 2023).
  34. Vad är Miljöbyggnad?—Sweden Green Building Council. Available online: https://www.sgbc.se/certifiering/miljobyggnad/vad-ar-miljobyggnad/ (accessed on 10 August 2023).
  35. Energy Performance Certificate—Boverket. Available online: https://www.boverket.se/en/start/building-in-sweden/contractor/inspection-delivery/energy-performance-certificate/ (accessed on 1 December 2023).
  36. DRP | Lindinvent. Available online: https://www.lindinvent.com/products/user-interface/drp/ (accessed on 10 August 2023).
  37. D’Oca, S.; Hong, T. A data-mining approach to discover patterns of window opening and closing behavior in offices. Build. Environ. 2014, 82, 726–739. [Google Scholar] [CrossRef]
  38. Mylonas, G.; Amaxilatis, D.; Tsampas, S.; Pocero, L.; Gunneriusson, J. A Methodology for Saving Energy in Educational Buildings Using an IoT Infrastructure. In Proceedings of the 2019 10th International Conference on Information, Intelligence, Systems and Applications (IISA), 15–17 July 2019, Patras, Greece; pp. 1–7.
  39. Rotger-Griful, S.; Jacobsen, R.H.; Brewer, R.S.; Rasmussen, M.K. Green lift: Exploring the demand response potential of elevators in Danish buildings. Energy Res. Soc. Sci. 2017, 32, 55–64. [Google Scholar] [CrossRef]
  40. Chung, Q.-E.; Abdulrahman, S.A.; Khan, M.K.J.; Sathik, H.B.J.; Rashid, A. The Relationship between Levels of Physical Activity and Academic Achievement among Medical and Health Sciences Students at Cyberjaya University College of Medical Sciences. Malays. J. Med. Sci. 2018, 25, 88–102. [Google Scholar] [CrossRef]
  41. Patil, A. Understanding the Building Processes of a Net-Zero Energy Building. 2023. Available online: https://urn.kb.se/resolve?urn=urn:nbn:se:kth:diva-329071 (accessed on 5 September 2023).
  42. CIBSE-Guide-A-Environmental-design.pdf. Available online: https://ierga.com/hr/wp-content/uploads/sites/2/2017/10/CIBSE-Guide-A-Environmental-design.pdf (accessed on 5 September 2023).
  43. Leaman, A.; Bordass, B. Are users more tolerant of ‘green’ buildings? Build. Res. Inf. 2007, 35, 662–673. [Google Scholar] [CrossRef]
  44. Nicol, J.F.; Humphreys, M.A. Adaptive thermal comfort and sustainable thermal standards for buildings. Energy Build. 2002, 34, 563–572. [Google Scholar] [CrossRef]
  45. Wen, S.; Hu, X.; Hua, G.; Xue, P.; Lai, D. Comparing the performance of four shading strategies based on a multi-objective genetic algorithm: A case study in a university library. J. Build. Eng. 2023, 63, 105532. [Google Scholar] [CrossRef]
  46. Playing My Part. Available online: https://energy.ec.europa.eu/topics/markets-and-consumers/actions-and-measures-energy-prices/playing-my-part_en (accessed on 5 September 2023).
  47. Boverkets Byggregler och Klimatanpassning; The Swedish National Board of Housing, Building and Planning: Stockholm, Sweden, 2018.
  48. Nicol, F.; Humphreys, M.; Roaf, S. Adaptive Thermal Comfort: Principles and Practice; Routledge: London, UK, 2012. [Google Scholar]
  49. Elf, P.; Gatersleben, B.; Christie, I. Facilitating Positive Spillover Effects: New Insights From a Mixed-Methods Approach Exploring Factors Enabling People to Live More Sustainable Lifestyles. Front. Psychol. 2019, 9, 2699. [Google Scholar] [CrossRef]
  50. Yan, D.; Hong, T. Definition and Simulation of Occupant Behavior in Buildings; EBC Annex 66; International Energy Agency: Paris, France, 2018. [Google Scholar]
Figure 1. The U-building at Brinellvägen 28A, KTH campus.
Figure 1. The U-building at Brinellvägen 28A, KTH campus.
Buildings 13 03103 g001
Figure 2. The U-building shared database system overview [33].
Figure 2. The U-building shared database system overview [33].
Buildings 13 03103 g002
Figure 3. U-building energy classification.
Figure 3. U-building energy classification.
Buildings 13 03103 g003
Figure 4. Schematic overview of the sensors.
Figure 4. Schematic overview of the sensors.
Buildings 13 03103 g004
Figure 5. The smart HVAC system and the visible air ducts.
Figure 5. The smart HVAC system and the visible air ducts.
Buildings 13 03103 g005
Figure 6. The Digital Room Panel, DRP.
Figure 6. The Digital Room Panel, DRP.
Buildings 13 03103 g006
Figure 7. The weather station data in the web-based monitoring system.
Figure 7. The weather station data in the web-based monitoring system.
Buildings 13 03103 g007
Figure 8. The desired temperature increase.
Figure 8. The desired temperature increase.
Buildings 13 03103 g008
Figure 9. The desired temperature decrease.
Figure 9. The desired temperature decrease.
Buildings 13 03103 g009
Table 1. The U-building systems and possible user interactions.
Table 1. The U-building systems and possible user interactions.
SystemInteractionInterface Interaction
HVAC systemYesThe DRP
Lighting systemYesBy movement
Solar curtainsNoNo
WindowsYesBy handles
Table 2. Demographic characteristics.
Table 2. Demographic characteristics.
DemographicsResponsesPercentage
Gender
Male18261
Female11438
Age
17–2110635
22–2717458
28–32165
33–3821
Occupation
Student29999
Researcher11
Nationality
Local20267
Foreign9833
Table 3. Summary of questions about energy awareness and knowledge. The results marked with * represent a rounding error of 0.33.
Table 3. Summary of questions about energy awareness and knowledge. The results marked with * represent a rounding error of 0.33.
Energy Awareness and Knowledge [%]
Not concernedLittle concernedConcernedVery concernedHighly concerned
Q1. Please rate your concern about energy and environmental issues.18 *27 *29 *34
Strongly disagreeDisagreeNeutralAgreeStrongly agree
Q2. I know how to interact with the smart HVAC thermostat displays.43 *2717 *93 *
YesNo
Q3. Have you been educated in how the U-building operates?1585
Table 4. Summary of questions about energy-aware behavior. The results marked with * represent a rounding error of 0.67 and # represent a rounding error of 0.33.
Table 4. Summary of questions about energy-aware behavior. The results marked with * represent a rounding error of 0.67 and # represent a rounding error of 0.33.
Energy Aware Behavior [%]
Strongly disagreeDisagreeNeutralAgreeStrongly agree
Q4. I adjust my layers of clothing when I feel too cold or too warm.1 *4 *8 *4444
Q5. I place waste in the right place for recycling.1243162
Q6. I alert the building operator when there is a building systems error.242337124
Q7. I make sure the windows are closed.914372416
Q8. I turn off any electrical equipment when it is no longer needed.214194124
Q9. I use the stairs rather than the elevators.310143043
Q10. I avoid printing hard copies of documents.23193838
Close to a windowThe center of a roomNext to an inner wallNext to an outer wallRandomly
Q11. Where do you prefer to locate yourself while studying in the U-building?57 #3 #5 #4 *29 #
Disclaimer/Publisher’s Note: The statements, opinions and data contained in all publications are solely those of the individual author(s) and contributor(s) and not of MDPI and/or the editor(s). MDPI and/or the editor(s) disclaim responsibility for any injury to people or property resulting from any ideas, methods, instructions or products referred to in the content.

Share and Cite

MDPI and ACS Style

Bäcklund, K.; Molinari, M.; Lundqvist, P. In Search for Untapped Energy-Saving Potential in Green and Smart Higher Educational Buildings—An Empirical Case Study Involving the Building Occupants. Buildings 2023, 13, 3103. https://doi.org/10.3390/buildings13123103

AMA Style

Bäcklund K, Molinari M, Lundqvist P. In Search for Untapped Energy-Saving Potential in Green and Smart Higher Educational Buildings—An Empirical Case Study Involving the Building Occupants. Buildings. 2023; 13(12):3103. https://doi.org/10.3390/buildings13123103

Chicago/Turabian Style

Bäcklund, Katarina, Marco Molinari, and Per Lundqvist. 2023. "In Search for Untapped Energy-Saving Potential in Green and Smart Higher Educational Buildings—An Empirical Case Study Involving the Building Occupants" Buildings 13, no. 12: 3103. https://doi.org/10.3390/buildings13123103

APA Style

Bäcklund, K., Molinari, M., & Lundqvist, P. (2023). In Search for Untapped Energy-Saving Potential in Green and Smart Higher Educational Buildings—An Empirical Case Study Involving the Building Occupants. Buildings, 13(12), 3103. https://doi.org/10.3390/buildings13123103

Note that from the first issue of 2016, this journal uses article numbers instead of page numbers. See further details here.

Article Metrics

Back to TopTop