A Study of the Mechanical Properties of Polyester Fiber Concrete Continuous Rigid Frame Bridge during Construction
Abstract
:1. Introduction
2. Engineering Background
2.1. Overall Design
2.2. Monitoring Program
2.3. Measurement of Construction Conditions
3. Analysis of the Mechanical Behavior during Construction of the Continuous Rigid Frame Bridges
3.1. FE Model of the Whole-Bridge
3.2. Analysis of Main Beam Stress during Construction of the Continuous Rigid Frame Bridge
3.3. Analysis of Main Beam Alignment during Construction of the Continuous Rigid Frame Bridge
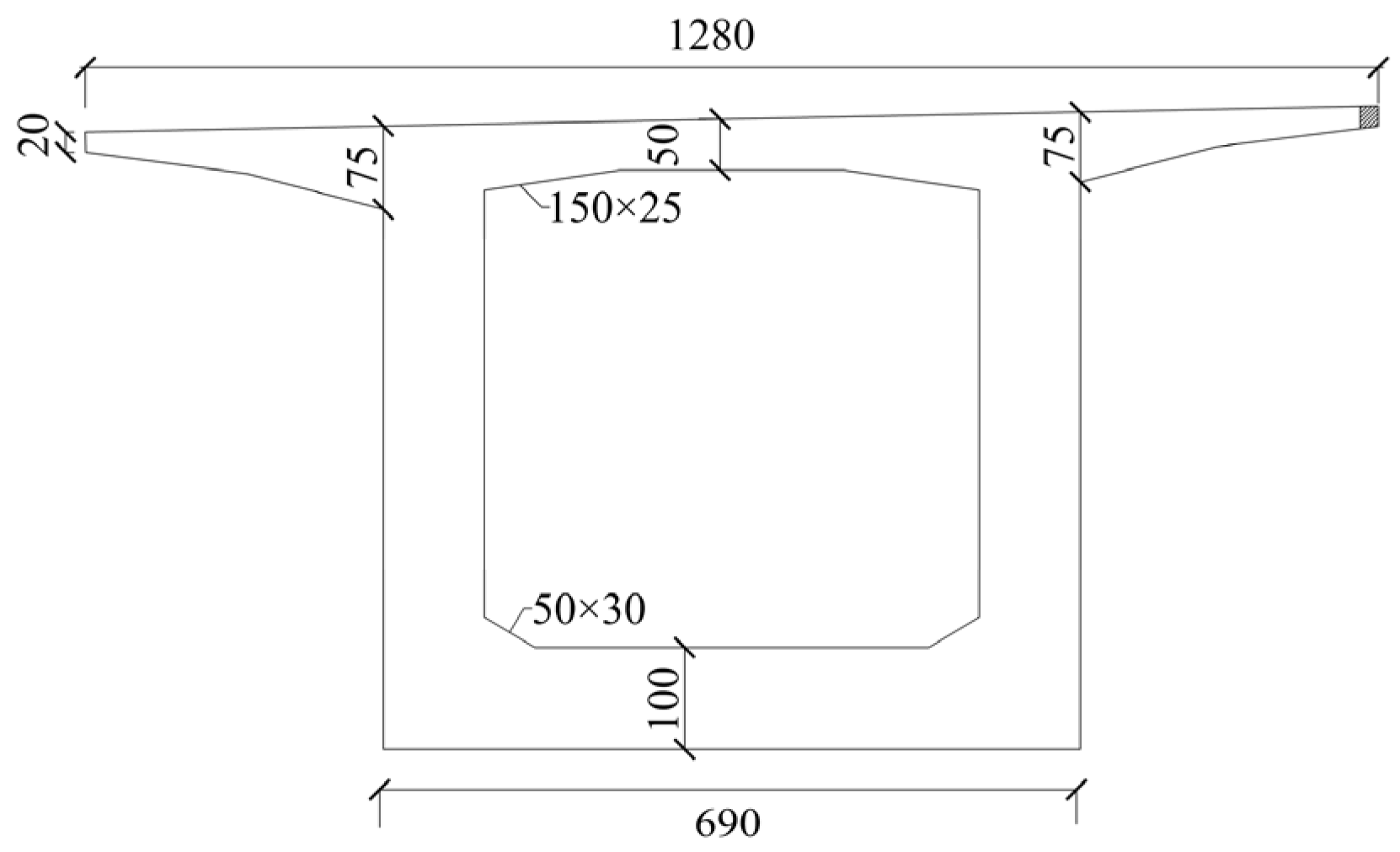
4. Analysis of Mechanical Properties of the 0# Block of Continuous Rigid Frame Bridge
4.1. Block 0# FE Simulations
4.2. Parts of FE Model
4.3. Material Properties
4.4. Boundary Conditions
4.5. Analysis Steps
5. Results of FE Analyses
5.1. Stress Analysis of the Maximum Cantilever State
5.2. Stress Analysis of the Completed Bridge State
5.3. Analysis of Shrinkage Cracks in the 0# Block Box Girder
6. Conclusions
- In the initial stages of cantilever pouring construction, the bottom plate stresses in the main beam segments exhibit slight variations in various working conditions. The compressive stresses on the bottom plate are relatively low, nearing critical values for compression and tension. This underscores the importance of addressing tensile stress control during construction to meet prestressed concrete member design specifications.
- As the continuous rigid frame bridge’s cantilever pouring construction progresses to mid-span L/4, a notable change in main beam stress distribution becomes evident. Simultaneously, elevation deviations in the main beam show instability, particularly after constructing the L/4 beam segment. It is essential to evaluate prestress losses and relaxation and make necessary adjustments.
- The study indicates that when polyester fiber concrete is applied to the 0# block box girders, the top and bottom plates exhibit consistent stress variation patterns along the transverse bridge direction under maximum cantilever and completed bridge states. Additionally, the stress distribution is uniform in both conditions. Stress variation in the top plate remains below 2.5 MPa, and in the bottom plate, it is approximately 1 MPa, effectively meeting spatial force requirements.
- The analysis of shrinkage cracks in the 0# block box girders constructed with polyester fiber concrete indicates that these cracks primarily occur in the bottom and web plate areas. Moreover, the inclusion of polyester fibers significantly reduces the occurrence of cracked concrete elements in comparison to conventional concrete. This underscores the effective crack inhibition and enhanced resistance to shrinkage cracks when employing polyester fiber concrete in 0# block box girders.
Author Contributions
Funding
Data Availability Statement
Acknowledgments
Conflicts of Interest
References
- Song, X.; Melhem, H.; Cheng, L.; Xu, Q. Optimization of closure jacking forces in multispan concrete rigid-frame bridges. J. Bridge Eng. 2017, 22, 04016122. [Google Scholar] [CrossRef]
- Chen, C.; Wang, X.; Lin, Q.; Wang, Y. A Closure Jacking Force Calculation Algorithm for Curved Prestressed Concrete Continuous Rigid-Frame Bridges with Asymmetric Cantilevers and Piers. Math. Probl. Eng. 2022, 2022, 7408232. [Google Scholar] [CrossRef]
- Weng, F.W.; Liu, F.X. Mechanical Analysis of Junction Pier of Fuzhou-Xiamen High-Speed Railway Rigid-Frame Bridge. Adv. Civ. Eng. 2023, 2023, 7563415. [Google Scholar] [CrossRef]
- Zhang, F.; Huang, F.; Wang, Y. Analysis on Spatial Stress and Optimal Design of Block No. 0 of Continuous Rigid Frame Bridge with V—Shaped Piers. J. Highw. Transp. Res. Dev. 2019, 36, 59–67. [Google Scholar]
- Li, S.W.; Yang, Y.Q.; Pu, Q.H.; Yang, D.; Sun, B.L.; Li, X.B. Three-dimensional nonlinear creep and shrinkage effects of a long-span prestressed concrete box girder bridge. Struct. Concr. 2019, 20, 638–649. [Google Scholar] [CrossRef]
- Niu, Y.W.; Tang, Y.Y. Effect of Shear Creep on Long-Term Deformation Analysis of Long-Span Concrete Girder Bridge. Adv. Mater. Sci. Eng. 2019, 2019, 4382904. [Google Scholar] [CrossRef]
- Jin, Y.X.; Sun, C.L.; Liu, H.F.; Xu, D. Analysis on the causes of cracking and excessive deflection of long span box girder bridges based on space frame lattice models. Structures 2023, 50, 464–481. [Google Scholar] [CrossRef]
- Wang, D.; Wang, L.; Liu, Y.M.; Tan, B.K.; Liu, Y. Failure mechanism investigation of bottom plate in concrete box girder bridges. Eng. Fail. Anal. 2020, 116, 104711. [Google Scholar] [CrossRef]
- Huang, J.W. Analysis on dynamic characteristics and wind-induced buffeting response of Hezhang Large-span Bridge. In Proceedings of the 2019 3rd International Workshop on Renewable Energy and Development (IWRED 2019), Guangzhou, China, 8–10 March 2019. [Google Scholar]
- Zeng, Y.; He, X.; Li, Y.Q.; Zhou, J.T. Assessment of Modal Characteristics of Steel-Concrete Composite Girder Bridge with V-Shaped Piers. Appl. Sci. 2023, 13, 3421. [Google Scholar] [CrossRef]
- Shen, J.Y.; Li, R.; Shi, J.; Zhou, G.C. Modified Multi-Support Response Spectrum Analysis of Structures with Multiple Supports under Incoherent Ground Excitation. Appl. Sci. 2019, 9, 1744. [Google Scholar] [CrossRef]
- Liang, Y.; Yan, J.L.; Cheng, Z.Q.; Chen, P.; Ren, C. Time-Varying Seismic Fragility Analysis of Offshore Bridges with Continuous Rigid-Frame Girder under Main Aftershock Sequences. J. Bridge Eng. 2020, 25, 04020055. [Google Scholar] [CrossRef]
- Zhao, J.G.; Jia, H.Y.; Zhan, Y.L. Seismic Vulnerability Analysis of Multi-main-span High Pier Continuous Rigid-frame Bridge in Terms of Cloud Method. Ksce J. Civ. Eng. 2023, 27, 2519–2534. [Google Scholar] [CrossRef]
- Liang, Y.; Yan, J.L.; Qian, W.X.; Cheng, Z.Q.; Chen, H. Analysis of collapse resistance of offshore rigid frame—Continuous girder bridge based on time-varying fragility. Mar. Struct. 2021, 75, 102844. [Google Scholar] [CrossRef]
- Zou, L.L.; Cheng, J.F. Study on Influence of Suspension Interval Length on Construction and Closure of Main Girder of Continuous Rigid Frame Bridge. In Proceedings of the 2019 5th International Conference on Energy Materials and Environment Engineering, Kuala Lumpur, Malaysia, 12–14 April 2019. [Google Scholar]
- Guinchard, M.; Angeletti, M.; Boyer, F.; Catinaccio, A.; Gargiulo, C.; Lacny, L.; Laudi, E.; Scislo, L. Experimental modal analysis of lightweight structures used in particle detectors: Optical non-contact method. In Proceedings of the 9th International Particle Accelerator Conference, IPAC18, Vancouver, BC, Canada, 29 April–4 May 2018; pp. 2565–2567. [Google Scholar]
- Zhou, X.; Zhang, W.; Gao, Y.; Zhang, G.; Wen, M. An Experimental Study of the Feasibility of Identifying the Impact Damages of Reinforced Concrete Piers Using a Modal Frequency Method. Adv. Civ. Eng. 2020, 2020, 6365354. [Google Scholar] [CrossRef]
- Yang, K.; Wang, T.; Zheng, Z. Analysis on Spatial Force of Zero block of long span Hybrid Girder Continuous Rigid Frame bridge. Transp. Sci. Technol. 2021, 1, 48–52. [Google Scholar]
- Zhao, X. Monitoring Analysis on the Construction of Long-span Prestressed Concrete Continuous Rigid Frame Bridge. North. Commun. 2022, 2022, 9–13. [Google Scholar] [CrossRef]
- Zheng, Y.; Sun, S.; Lei, G. Study on the Construction Control Parameters of the Long Span Continuous Rigid Frame Bridge. J. Gansu Sci. 2019, 31, 68–73+98. [Google Scholar] [CrossRef]
- Jiang, D.; Zeng, Y.; Zeng, Y.; Li, Y.; Liu, S. Influence of curing process parameters on the early concrete temperature field of the No.0 section in continuous rigid frame bridge. J. Beijing Jiaotong Univ. 2021, 45, 8–18. [Google Scholar]
- Lee, C.; Lee, S.; Nguyen, N. Modeling of Compressive Strength Development of High-Early-Strength-Concrete at Different Curing Temperatures. Int. J. Concr. Struct. Mater. 2016, 10, 205–219. [Google Scholar] [CrossRef]
- Yu, W.T. Analysis and Control of Non-Loaded Cracks on the Top of Pier for Pc Continuous Rigid Frame Bridge. Master’s Thesis, Wuhan University of Technology, Wuhan, China, 2010. [Google Scholar]
- Yan, L.B.; Chouw, N. A comparative study of steel reinforced concrete and flax fibre reinforced polymer tube confined coconut fibre reinforced concrete beams. J. Reinf. Plast. Compos. 2013, 32, 1155–1164. [Google Scholar] [CrossRef]
- Yan, L.B.; Chouw, N. Behavior and analytical modeling of natural flax fibre-reinforced polymer tube confined plain concrete and coir fibre-reinforced concrete. J. Compos. Mater. 2013, 47, 2133–2148. [Google Scholar] [CrossRef]
- Wang, T.; Zhang, J.H.; Bai, W.F.; Hao, S.M. Forming process and mechanical properties of fibers-reinforced polymer concrete. J. Reinf. Plast. Compos. 2013, 32, 907–911. [Google Scholar] [CrossRef]
- Ruiz, R.; Todisco, L.; Corres, H. Application of high-performance fibre reinforced concrete to precast girders for road bridges: Conceptual considerations and numerical analyses. Struct. Concr. 2023, 24, 4645–4659. [Google Scholar] [CrossRef]
- Feng, Y.H.; Kowalsky, M.J.; Nau, J.M. Fiber-Based Modeling of Circular Reinforced Concrete Bridge Columns. J. Earthq. Eng. 2014, 18, 714–734. [Google Scholar] [CrossRef]
- Lu, R.; He, X.M. The application of carbon fiber concrete in the intelligent bridge reinforcement. Adv. Mater. Res. 2012, 594, 1539–1542. [Google Scholar] [CrossRef]
- Kasu, S.R.; Mitra, N.; Muppireddy, A.R. Influence of polyester microfiber reinforcement on flexural fatigue characteristics of concrete. Road Mater. Pavement Des. 2021, 22, 2866–2882. [Google Scholar] [CrossRef]
- Qiao, Y.; Wang, Z.; Sun, C.; Zuo, G. Experimental Study on Axial Compression Behavior of Reinforced Concrete Columns Strengthened with SRF. Ind. Constr. 2016, 46, 175–180. [Google Scholar]
- Nirmala, D.B.; Angadi, A. Experimental Study on Concrete vy Adding Polyester Fibres. Slovak J. Civ. Eng. 2023, 31, 43–48. [Google Scholar] [CrossRef]
- Koniki, S.; Prasad, D.R. A study on mechanical properties and stress—Strain response of high strength concrete reinforced with polypropylene-polyester hybrid fibres. Cem. Wapno Beton 2018, 23, 67–77. [Google Scholar]





















| Construction Condition | Content | Construction Condition | Content | Construction Condition | Content |
|---|---|---|---|---|---|
| 1 | Main pier construction | 7 | Block 5# pouring | 13 | T10/Z1~Z3/ZH1~ZH5 tension |
| 2 | Block 0# pouring | 8 | Block 6# pouring | 14 | Block 12# pouring |
| 3 | Block 1# pouring | 9 | Block 7# pouring | 15 | Block 13# pouring |
| 4 | Block 2# pouring | 10 | Block 8# pouring | 16 | Bundle tensioning for side span merging |
| 5 | Block 3# pouring | 11 | Block 9# pouring | 17 | Pouring of mid-span merging section |
| 6 | Block 4# pouring | 12 | Block 10# pouring | 18 | Tensioning of steel bundles for mid-span merging |
| Part | Tensile Strength (MPa) | Tension Control Stress (MPa) | Modulus of Elasticity (GPa) | Reinforcement Relaxation Coefficient | Pore Friction Coefficient | Pore Deviation Coefficient |
|---|---|---|---|---|---|---|
| Prestressing tendons | 1860 | 1395 | 195 | 0.3 | 0.17 | 0.0015 |
| Part | Element Type | Mesh Type | Mesh Size (cm) | Element Number |
|---|---|---|---|---|
| Concrete | solid65 | sweep | 25 | 209685 |
| Prestressing tendons | link10 | sweep | 25 | 28620 |
| Material | Modulus of Elasticity (MPa) | Tensile Strength (MPa) | Density (kg/m3) | Elongation at Break (%) | Length (mm) | Diameter (μm) |
|---|---|---|---|---|---|---|
| Polyester Fiber | 3000 | ≥270 | 1360 | ≥15 | 15~40 | 10~25 |
| Material | Modulus of Elasticity (GPa) | Tensile Strength (MPa) | Compressive Strength (MPa) | Poisson’s Ratio | Thermal Expansion Coefficient (°C−1) |
|---|---|---|---|---|---|
| Conventional Concrete | 34.5 | 2.64 | 32.4 | 0.2 | 1.0 × 10−5 |
| Polyester Fiber Concrete | 34.5 | 2.94 | 35.64 | 0.2 | 0.8 × 10−5 |
| Working Condition | Side Span | Mid Span | ||||
|---|---|---|---|---|---|---|
| FZ (kN) | FY (kN) | MY (kN⋅m) | FZ (kN) | FY (kN) | MY (kN⋅m) | |
| Maximum Cantilever State | 130,070.63 | 363.93 | 8514.059 | 130,070.63 | 363.93 | 8514.059 |
| Completed Bridge State | 128,285.27 | 1220.81 | 46,349.364 | 127,197.47 | 244.5 | 72,684.617 |
Disclaimer/Publisher’s Note: The statements, opinions and data contained in all publications are solely those of the individual author(s) and contributor(s) and not of MDPI and/or the editor(s). MDPI and/or the editor(s) disclaim responsibility for any injury to people or property resulting from any ideas, methods, instructions or products referred to in the content. |
© 2023 by the authors. Licensee MDPI, Basel, Switzerland. This article is an open access article distributed under the terms and conditions of the Creative Commons Attribution (CC BY) license (https://creativecommons.org/licenses/by/4.0/).
Share and Cite
Miao, S.; Zhan, X.; Yuan, Y.; Jia, L. A Study of the Mechanical Properties of Polyester Fiber Concrete Continuous Rigid Frame Bridge during Construction. Buildings 2023, 13, 2849. https://doi.org/10.3390/buildings13112849
Miao S, Zhan X, Yuan Y, Jia L. A Study of the Mechanical Properties of Polyester Fiber Concrete Continuous Rigid Frame Bridge during Construction. Buildings. 2023; 13(11):2849. https://doi.org/10.3390/buildings13112849
Chicago/Turabian StyleMiao, Shouju, Xiaojian Zhan, Yangbing Yuan, and Lijun Jia. 2023. "A Study of the Mechanical Properties of Polyester Fiber Concrete Continuous Rigid Frame Bridge during Construction" Buildings 13, no. 11: 2849. https://doi.org/10.3390/buildings13112849
APA StyleMiao, S., Zhan, X., Yuan, Y., & Jia, L. (2023). A Study of the Mechanical Properties of Polyester Fiber Concrete Continuous Rigid Frame Bridge during Construction. Buildings, 13(11), 2849. https://doi.org/10.3390/buildings13112849
