Next Article in Journal
Study on the Influence of a Rubber-Modified Soil Isolation Layer on the Isolation Performance of Frame Structures with Different Foundation Forms
Previous Article in Journal
Fomite Transmission in Airports Based on Real Human Touch Behaviors
 
 
Font Type:
Arial Georgia Verdana
Font Size:
Aa Aa Aa
Line Spacing:
Column Width:
Background:
Article

Flexural Performance Study of Basalt-Fiber-Reinforced Polymer Bar Basalt-Fiber-Reinforced Concrete Beams

1
School of Civil Engineering, Northeast Petroleum University, Daqing 163318, China
2
Heilongjiang Key Laboratory of Disaster Prevention, Mitigation and Protection Engineering, Northeast Petroleum University, Daqing 163319, China
*
Authors to whom correspondence should be addressed.
Buildings 2023, 13(10), 2583; https://doi.org/10.3390/buildings13102583
Submission received: 10 September 2023 / Revised: 6 October 2023 / Accepted: 11 October 2023 / Published: 13 October 2023
(This article belongs to the Section Building Materials, and Repair & Renovation)

Abstract

:
The utilization of Fiber-Reinforced Polymer (FRP) rods to strengthen concrete beam structures can enhance their ultimate load-carrying capacity and mitigate steel reinforcement corrosion damage. However, a prominent issue with BFRP (Basalt FRP) rod reinforcement in flexural members is its lack of yielding behavior, which can lead to catastrophic brittle failure without any preventive measures. Therefore, this study aims to enhance the ductility of concrete by introducing a specific quantity of basalt fiber, thereby reducing the hazards associated with the brittle failure of this composite structure. This experiment focuses on two main variables: the inclusion rate of basalt fiber and the type of longitudinal reinforcement and conducts four-point static bending tests on four BFRP bar BFRC (Basalt-Fiber-Reinforced Concrete) beams. Results showed that the inclusion of fibers resulted in a delayed initiation of vertical cracks and a reduction in the severity of beam failure, thereby enhancing structural safety and reliability. When the basalt fiber inclusion rate was 0.2%, the cracking load and ultimate load of the beam increased by 18.42% and 8.27%, respectively. Furthermore, compared to traditional RC beams, BFRP bar BFRC beams showed a 58.27% increase in ultimate load capacity. A cracking moment calculation model for BFRP beams is proposed and subsequently validated through the utilization of existing experimental data.

1. Introduction

In the past 30 years, Fiber-Reinforced Polymer (FRP) has been widely studied by many scholars because of advantages such as light weight, high strength, fatigue resistance, corrosion resistance, and easy processing. FRP bars are frequently employed as a substitute for conventional steel reinforcement in extreme service environments. This measure not only extends the service life of concrete structures but also reduces structural maintenance costs [1,2,3,4,5,6].
In concrete structures, various types of FRP materials are utilized as reinforcement materials to withstand shear and flexural stresses. Glass-Fiber-Reinforced Polymer (GFRP), Carbon-Fiber-Reinforced Polymer (CFRP), and Aramid-Fiber-Reinforced Polymer (AFRP) are the most common composite reinforcement materials. In recent years, Basalt-Fiber-Reinforced Polymer (BFRP) has gained significant attention from manufacturers and researchers due to its excellent performance characteristics [7,8,9]. Basalt fiber is derived from natural basalt rock ore through reprocessing and is an environmentally friendly fiber material. BFRP (Basalt FRP) reinforcement, made from basalt fibers, exhibits superior corrosion resistance compared to glass fiber reinforcement and is significantly more cost effective than carbon fiber reinforcement [10,11]. Research conducted by Sim et al. has shown that, even after exposure to high-temperature conditions (600 °C) for 2 h, basalt fiber retains approximately 90% of its ambient-temperature strength, whereas carbon fiber and glass fiber fail to maintain their structural integrity. This demonstrates the superior high-temperature resistance of BFRP reinforcements [12].
The investigation of bond slip between steel reinforcement and concrete is of paramount importance for ensuring structural safety, load-bearing capacity, durability, and performance enhancement. Scholars have conducted extensive research on the bond slip between different types of FRP reinforcements and concrete. Due to the utilization of various types of fibers, resins, fiber volume fractions, solution concentrations, and aging temperatures in these studies, the conclusions were varied, and no unified conclusion could be reached yet. However, in general, when not considering extreme environmental conditions, the type and diameter of FRP reinforcements do not appear to have a significant impact on bond strength. However, the bond strength of FRP rods with sand-coated or ribbed surfaces is approximately 140% higher than that of smooth bars [13,14,15]. In terms of durability, after six months of exposure to alkaline environmental conditions, the bond strength of BFRP bars to concrete decreased by 16 percent, 7 percent, and 5 percent at 40 °C, 50 °C, and 60 °C, respectively. Moreover, the computational model predicted that the bond strength would remain between 71 and 92 percent after 50 years of service life in dry, humid, and wet-saturated environments with average annual temperatures between 5 and 35 °C [16,17].
Compared with conventional steel bars, BFRP bars have greater corrosion resistance, high-temperature resistance, and lightweight properties. Its tensile strength exceeds two times that of ordinary steel bars, but its density is only about 25% of that of steel bars, and its coefficient of thermal expansion is close to that of concrete [18,19,20,21]. When subjected to fire, high temperatures (500 °C) have less effect on the load-carrying capacity of BFRP beams, with a failure load reduction factor of only 6.17%, compared to 22.32% for steel-reinforced beams [20]. The above study concludes that ribbed BFRP bars have the advantages of good durability and high-temperature resistance when reinforcing reinforced concrete elements, especially in acidic environments where they show better corrosion resistance than GFRP bars. However, the alkaline environment has a negative impact on the bond between BFRP bars and concrete, which needs to be further improved. The basic mechanical properties of FRP bars and rebar are detailed in Table 1.
However, the most prominent issue with BFRP bar reinforcement in flexural members is its lack of yielding, which can lead to catastrophic brittle failure of the strengthened members without any preventive measures. Scholars have conducted numerous studies to explore suitable solutions for enhancing the ductility of BFRP-bar-reinforced concrete members [22,23]. Research has found that incorporating fibers into the concrete matrix to form Fiber-Reinforced Concrete is a viable solution to address the issue of brittle failure in BFRP bar beams [24]. This phenomenon can be attributed to the judicious inclusion of fibers, which effectively mitigates concrete shrinkage, augments concrete ductility and tensile strength, and restrains crack propagation. Numerous scholars have found that the length and the dosage of the basalt fibers are two key factors influencing the improvement in concrete performance. Some of the research on basalt-fiber-reinforced concrete is summarized in Table 2 [25,26,27,28,29]. In summary, the optimal performance of basalt-fiber-reinforced concrete in terms of tensile and compressive strength is achieved when the length of the basalt fibers falls within the range of 6 mm to 15 mm and the fiber dosage is between 0.1% and 0.2%.
Given the prior emphasis on the performance evaluation of fiber-reinforced concrete in extant research, it becomes imperative to delineate the translational utility of these research findings for tangible structural elements. Within this framework, a multitude of scholars have conducted empirical investigations focusing on the application of basalt-fiber-reinforced concrete in the reinforcement of beam members, aimed at discerning their efficacy in enhancing real-world engineering applications. Liu [19] conducted experiments on short-cut basalt-fiber-reinforced concrete beams. The experimental findings led to the conclusion that the incorporation of basalt fibers effectively enhances the cracking load-bearing capacity of the initial concrete beams, albeit with a comparatively marginal influence on the ultimate load-bearing capacity. Alnahhal [30] found that the addition of basalt fibers improved the ultimate flexural capacity of the tested beams. Furthermore, basalt-fiber-reinforced beams exhibited fewer cracks compared to beams without fibers, which can enhance the overall serviceability of the structure. Liu and Alnahhal exclusively investigated the influence of fibers on the flexural performance of RC (Reinforced Concrete) beams and did not explore the affirmative effects of fibers on FRP (Fiber-Reinforced Polymer)-reinforced concrete beams. Consequently, Abed [31] discovered that introducing basalt fibers into concrete can lead to higher ultimate strength for BFRP reinforcement and significantly improved flexural capacity. Previous studies primarily focused on experimental aspects and lacked the derivation and validation of theoretical formulae for calculations. Then, Elgabbas compared the experimental values of BFRP bar beams with relevant theoretical calculations. The CSA S806-12 standard [32] provides conservative deflection values for BFRP bar beams [32]. Haido introduced the constitutive relationship and models for BFRC to predict its performance under tensile and compressive stresses, as well as its stiffness modulus after cracking [33]. Currently, research has primarily focused on reinforced concrete beams with either steel fibers or FRP reinforcement. There is a relative scarcity of studies concerning BFRP bar reinforcement in combination with BFRC beams.
The primary objective of this study is to investigate the impact of incorporating basalt microfibers into BFRC beams on their flexural performance and to mitigate and delay the brittle failure associated with BFRC beams by introducing basalt fibers into the concrete. The experiments vary the amount of basalt fiber content and the type of longitudinal reinforcement to explore the influence of these factors on the failure mode, cracking load, and ultimate load-carrying capacity of BFRP bar BFRC beams. Additionally, based on the results of this study and previous research, a formula for calculating the cracking moment of BFRC beams is derived.

2. Experimental Preparations

2.1. Experimental Materials

2.1.1. Bars and Basalt Fibers

This experiment utilized BFRP bars and basalt fibers produced by Zhejiang Jiaxing Haining Anjie Composite Materials Co., Ltd. (Jiaxing, China) The BFRP bars had ribs, and their surfaces were treated with adhesive sand. The tensile performance test of BFRP bars was completed using a universal testing machine. The whole loading system of this test was monotonic loading, and the test loading speed was 200 MPa/min; the tensile process is shown in Figure 1. The tensile test results of BFRP bars with various diameters are shown in Table 3. The basalt fibers had a length of 12 mm and a density of 2.64 g/cm3; their physical appearance is shown in Figure 1.

2.1.2. Concrete

This study used Grade C30 concrete as the test matrix material and employed an external mixing method to incorporate basalt fibers in the preparation of fiber-reinforced concrete. The experimental cement used was P.O.42.5 grade Portland cement, with a concrete mixture ratio of water, cement, sand, and coarse aggregate at 1:0.47:1.29:2.74. In the experiment, the specific gravity of the coarse and fine aggregates was determined using the water displacement method, yielding specific gravity values of 2.65 for coarse aggregate and 2.78 for fine aggregate. Furthermore, the water absorption of both coarse and fine aggregates was measured using the saturation–dry method. The results indicated a water absorption of 1.2% for coarse aggregate and 2.9% for fine aggregate. There is currently no consensus on the optimal “basalt fiber content” for fiber-reinforced concrete, with most studies suggesting a range between 0.1% and 0.2% [15,16,17,18,19]. Therefore, this study selected three groups of short-cut basalt fiber volume fractions within the range of 0% to 0.2%, namely, 0.0%, 0.1%, and 0.2%, for the investigation of mechanical properties through experimental testing. The mix proportions of the materials for each group of specimens are summarized in Table 4.

2.2. Fiber-Reinforced Concrete Specimen Preparation and Testing

Based on the mix ratio of C30 concrete, with the volume of basalt fiber as the variable, cubic specimens measuring 150 mm × 150 mm × 150 mm were prepared, and their compressive strength was tested, as shown in Figure 2.
The mechanical performance tests were conducted using a 5000 kN microcomputer-controlled hydraulic servo pressure testing machine for compressive strength testing, as shown in Figure 3a. The loading rate for this mechanical performance test was set at 0.5 MPa/s, and the loading and failure of the specimens are depicted in Figure 3b.
After completing the testing process as described above for each group of specimens, the recorded failure loads were calculated using Formula (1) to obtain the compressive strength of each specimen. The calculated results were then rounded to the nearest 0.1 MPa and organized in Table 5.
f cu = F A
In the formula, f cu is the compressive strength of the concrete cubic specimen, F is the failure load of the specimen, and A is the cross-sectional area of the specimen.

3. Beam Design and Fabrication

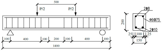
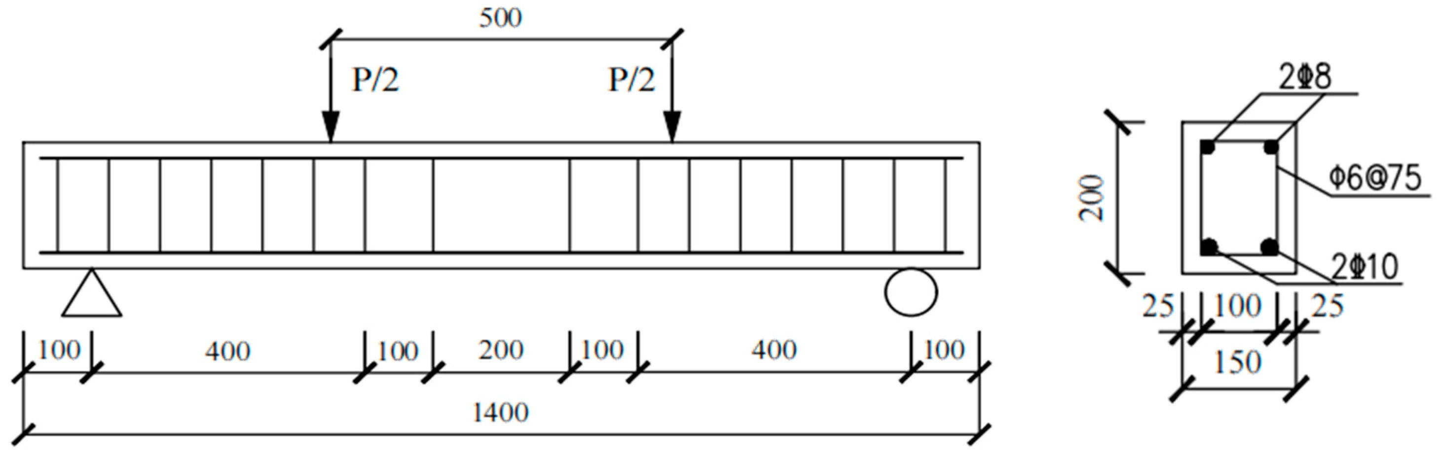
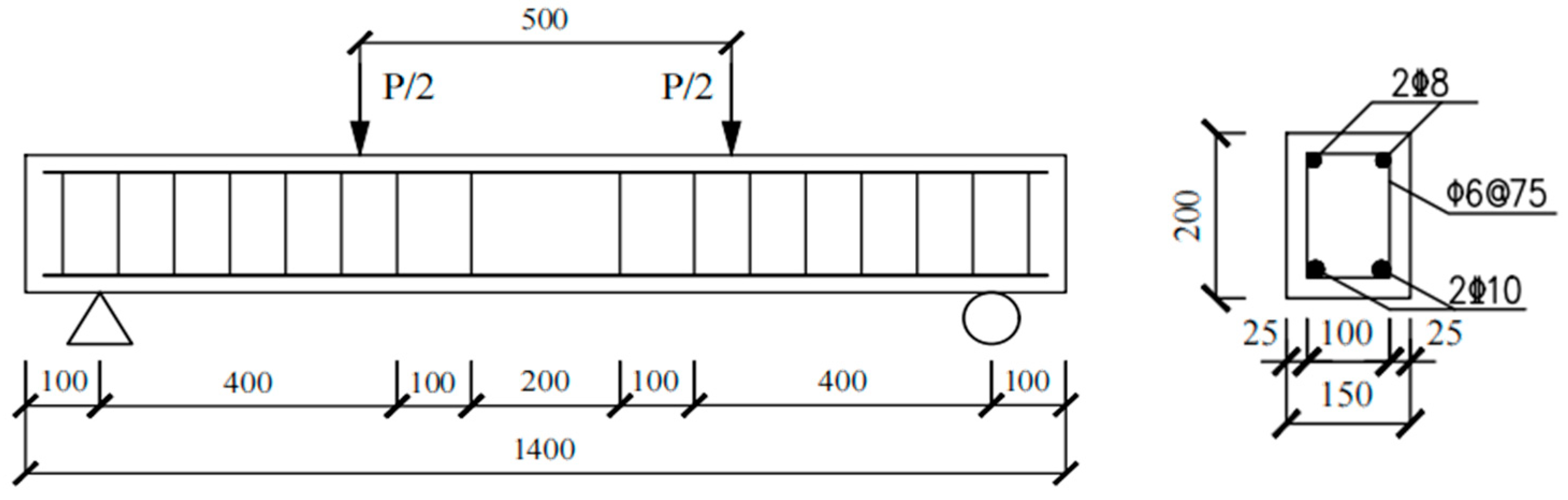
The cross-sectional dimensions of the specimen were b × h = 150 mm × 200 mm, and the total length of the concrete beam was 1400 mm. The support distance from the edge of the test beam was 100 mm. The pure bending length of the beam was 500 mm, and the effective height of the beam was 159 mm, see Figure 4, on the left. The experiment included one RC beam and three BFRP bar beams. According to the GB 50010-2010 [34] standards, the beam type is designated as suitable for reinforcement, with a longitudinal reinforcement ratio of 0.66%. The tension longitudinal bars at the bottom of the specimen were 10 mm in diameter. The stirrups for the specimen were made of HPB300 steel bars with a diameter of 6 mm and spaced at 75 mm intervals. The concrete cover thickness was 25 mm, see Figure 4, on the right.
The naming convention for each specimen can be represented as MX-k, where the letter “M” indicates the type of longitudinal reinforcement, and the subsequent number “X-k” represents the fiber content. For example, “BX-0.2” means the longitudinal reinforcement is BFRP and the fiber content in the concrete beam is 0.2%. “PX-0.2” indicates that the longitudinal reinforcement is ordinary steel bars, and the fiber content in the concrete beam is 0.2%. The specific specimen parameters are shown in Table 6.
The arrangement of strain gauges (for both steel and concrete) in the beam specimen is shown in Figure 5. The numbering scheme for measuring the strains in concrete and steel was as follows: Concrete strain gauges were denoted by “Cx,” where the letter “C” represents concrete, and the digit “x” represents the different positions of the concrete strain gauges. The letter “S” stands for steel, followed by the numbers “1 to 4,” indicating the strain gauges on the steel bars near the midspan, symmetrically positioned in pairs. In this test, the strain gauges used for steel reinforcement had the model number BMB120-5AA, with a grid length of 5 mm and a grid width of 3 mm. The specific attachment steps are illustrated in Figure 6. For the strain gauges on the concrete surface, the model used was BMB120-100AA, with a grid length of 100 mm and a grid width of 3 mm, as shown in Figure 7.

4. Experimental Apparatus and Loading System

The loading method used in this experiment was four-point bending loading, as shown in Figure 8. Vertical loading was applied from the top using a hydraulic jack, distributed through a rigid distribution beam onto two loading points, with a spacing of 500 mm between them. Prior to the appearance of vertical bending cracks in the specimen, a loading rate of 5 kN/step was employed. Once cracks appeared in the specimen, the loading rate was increased to 10 kN/step. As the specimen approached failure, the loading rate was reduced to 2 kN/step until failure occurred. Additionally, to ensure adequate crack propagation, each loading step lasted for approximately 3 min, as shown in Figure 9.

5. Experimental Result Analysis

5.1. Failure Mode

During the experimental loading process, observations were made on the failure process and failure modes of each specimen. The results indicate that the failure mode of BFRP bar beams is characterized by shear brittle failure. Specifically, specimen BX-0 experienced direct fracture failure, while specimen PX-0.2 exhibited flexural failure, as shown in Figure 10. Further details can be found in Table 7. Although the design of the experimental beams complies with the relevant standards (GB 50010-2010) [34] and (GB 50608-2010) [35], the tensile strength of BFRP bars was two to three times that of HRB400 steel bars, notably increasing the flexural capacity of the specimens. As the load continued to increase, the diagonal shear carrying capacity of the beams gradually approached its limit, leading to shear failure.
It is noteworthy that the incorporation of fibers yielded a favorable effect in mitigating the extent of damage to the specimens. For instance, specimen BX-0 experienced direct fracture, while specimens BX-0.1 and BX-0.2 exhibited bottom fiber reinforcement fracture. With an increase in the amount of fiber inclusion, the extent of concrete damage gradually decreased. During the loading process, when the load increased to 25 kN, four cracks appeared in BX-0 and three cracks appeared in BX-0.1, while BX-0.2 and PX-0.2 only developed one crack. This indicates that, as the amount of fiber reinforcement increased, the formation and the propagation of cracks in the test beams were delayed. As the load gradually increased to 55 kN to 65 kN, the BFRP bar beams began to exhibit diagonal cracks. When the load was further increased to 95 kN (equivalent to 86% of the ultimate load), continuous faint cracking sounds could be heard from the BFRP bars.
In summary, for the specimen BX-0 without fiber reinforcement, initial vertical cracks emerged, ultimately causing the beam to fracture into two sections upon failure. In contrast, when 0.2% of fiber was incorporated in specimen BX-0.2, the cracking load capacity increased by 18.42% compared to BX-0. During the failure process, the fibers in the lower portion of the beam underwent rupture, but the beam itself remained structurally intact. Consequently, the inclusion of fibers resulted in a delayed initiation of vertical cracks and a reduction in the severity of beam failure, thereby enhancing structural safety and reliability. Furthermore, different types of longitudinal reinforcement yielded distinct failure modes for the beams, with BFRP bar beams exhibiting a brittle failure mode. Nonetheless, when compared to traditional steel reinforcement, the utilization of BFRP bars significantly boosted the beams’ ultimate load-carrying capacity.

5.2. Load–Deflection Curve at Midspan

The load–deflection curves of four test beams are shown in Figure 11. Comparing different types of longitudinal reinforcement, it was found that, unlike specimen PX-0.2, the turning points of BFRP bar beams occurred earlier and did not exhibit a clear yield stage. Subsequent to the turning point, it is evident that, when subjected to equivalent displacement, the rate of load increment in the BFRP bar beams significantly surpasses that observed in RC beams. This phenomenon is attributed to the fact that the elastic modulus of BFRP bars is approximately one-fourth that of conventional steel reinforcement, and they manifest a distinct linear elastic behavior under tensile loading, as opposed to traditional steel reinforcement, which exhibits a well-defined yield point. Therefore, with the same amount of fiber reinforcement added, the overall stiffness of steel-reinforced concrete beams is higher than that of BFRP bar beams. However, the use of BFRP bars increases the ultimate load-carrying capacity of the beams. Specimen BX-0.2 exhibited a 58.27% increase in ultimate load-carrying capacity compared to specimen PX-0.2.
The impact of different fiber contents on the beam: Compared to specimens BX-0 and BX-0.1, specimen BX-0.2 exhibited a later turning point. Consequently, augmenting the quantity of fiber reinforcement contributes to the enhancement of the beam’s stiffness, consequently mitigating beam deflection. The maximum midspan displacement of the specimens decreases with an increase in fiber reinforcement content. Therefore, the basalt fibers distributed within the concrete beams can more effectively enhance the overall performance of the beams, thereby reducing beam deformations. The influence of basalt fiber content on the ultimate load-carrying capacity of the beams is not very pronounced. Compared to specimen BX-0 without Basalt Fiber, the ultimate load-carrying capacity increased by 4.24% and 8.27% for specimens BX-0.1 and BX-0.2. However, the impact on the cracking load of the beams was more significant. Compared to specimen BX-0, specimens BX-0.1, BX-0.2, and PX-0.2 exhibited increases in cracking load of 4.77%, 14.29%, and 16.67%.

5.3. Load–Strain Curve

Figure 12 presents the load–strain curve for all test beams with longitudinal tensile reinforcement at midspan. This curve undergoes three significant stages of change, with the first stage occurring before concrete cracking: During this phase, the strain exhibited by BFRP bars experiences an increment rate roughly akin to that observed in conventional steel reinforcement. Additionally, with the progressive augmentation of the external load, the longitudinal reinforcement strain remains relatively constant. The second stage is from concrete cracking to just before the steel reinforcement yields: During this stage, the strain in BFRP bars increases significantly more than that in steel reinforcement because the elastic modulus of BFRP reinforcement is smaller than that of steel. Therefore, when subjected to the same load, the strain in the BFRP bars increases at a higher rate than in steel reinforcement. The third stage is from steel reinforcement yielding to beam failure: Steel reinforcement yields and continues to carry the load, resulting in a rapid increase in strain without a significant increase in stress. However, during this time, the strain in a BFRP bar increases with the increase in stress until it ultimately fractures.
Figure 13 illustrates the strain distribution curves recorded at various measurement points along the midspan cross-section of the test beam. Prior to the occurrence of concrete cracking, these curves displayed a characteristic linear pattern. Subsequent to the initiation of concrete cracking, driven by crack expansion, there was an upward shift in the neutral axis of the beam, accompanied by a marginal reduction in the height of the compressed concrete region. This empirical observation substantiates the validity of assuming a planar cross-sectional behavior. For instance, when subjected to a load of 25 kN, it was noted that, as the fiber content increased, the rate of strain growth at the measurement point located 25 cm above the beam’s base decelerated, signifying a significant decrease in the beam’s cracking rate.

5.4. Calculation of Cracking Moment in a Section

In engineering design and experimental research, it is necessary to determine the value of the cracking load. The calculation method for the cracking moment of fiber-reinforced beams is similar to that of ordinary reinforced concrete beams. When a test beam is subjected to an increasing load, upon reaching the cracking load, the tensile region of the concrete undergoes strain deformation, attaining the ultimate tensile strain, whereas the compressive section of the concrete retains its elastic behavior. Regarding the calculation of the cracking moment, previous researchers have compared different methods for calculating the cracking load. After conducting research, this section selects the cracking moment calculation formula for RC beams provided in the “Code for Design of Hydraulic Concrete Structures” (SL 191—2008) [36] and combines it with the strength design formula for steel-fiber-reinforced concrete (SFRC) from the (JGJ/T 465—2019) “Standard for Design of Steel Fiber-Reinforced Concrete Structures” [37]. This combination allows for the determination of the influence coefficient of BFRC beams on the cracking moment.
Referring to the hydraulic engineering code, the cracking moment for reinforced concrete members without the addition of fibers is given by
M cr = γ m f tk I 0 / ( h y 0 ) ,
I 0 = ( 0.083 + 0.19 α E ρ ) bh 3 ,
y 0 = ( 0.5 + 0.425 α E ρ ) h ,
In the equation, γ m —fundamental value of the plastic moment factor for the cross-section; for a rectangular cross-section, γ m = 1.55;
  • f tk —standard value of the concrete’s axial tensile strength;
  • y 0 —distance from the centroidal axis of the cross-section to the tensile edge of the test beam;
  • ρ —longitudinal reinforcement ratio for tensile steel bars;
  • α E —ratio of the elastic modulus of steel reinforcement to the elastic modulus of concrete, α E = E s / E c .
In this context, because both steel reinforcement and FRP bars remain in the elastic phase before concrete cracking, the value of E s can also be effectively replaced by the elastic modulus of the FRP bars.
While JGJ/T 465—2019 may not provide specific provisions for basalt-fiber-reinforced concrete, it is possible to use the tensile strength formula for steel-fiber-reinforced concrete because the reinforcing principle of fibers in concrete remains the same. This allows for the redefinition of the fiber influence coefficient for basalt fiber.
M f c r = M c r ( 1 + α c r λ f ) ,
λ f = ρ f l f d f ,
In the equation, M f c r —cracking moment of basalt concrete beam;
  • λ f —basalt fiber characteristics;
  • ρ f —fiber volume fraction;
  • l f —fiber length;
  • d f —fiber diameter;
  • α c r —influence coefficient of basalt fiber on concrete cracking moment.
Substituting Equation (5) into Equation (2) yields
M fcr = γ m f tk I 0 / ( h y 0 ) f ( λ f ) ,
wherein define f ( λ f ) = 1 + α cr λ f , f ( λ f ) —the impact function of basalt fiber on the cracking moment. After regression calculation, α c r = 0.089. For basalt-fiber-reinforced beams, it should be noted that, due to the limited enhancement effect of fibers on concrete beams, in accordance with the studies cited in references [38,39], it should satisfy f ( λ f ) < 1.4.
To validate the applicability of Equation (7), a total of 22 sets of experimental data for fiber-reinforced concrete beams were collected, including 18 sets from references [23,39,40] and the additional 4 sets of experimental results presented in this paper. Using Equations (2) and (7), the calculated values M0fcr of cracking moments for each specimen were obtained and compared with the corresponding experimental values Mfc, as shown in Table A1 and Figure 14. After calculations, the average ratio of M0fcr to Mfc was 0.97, with a standard deviation of 0.53. It can be observed that Equation (7) fits the experimental results well and exhibits relatively low variability.

5.5. Calculation of Ultimate Load Capacity

In accordance with the calculation method specified in ACI 1440.1R-15 [42], when a beam fails in tension, the concrete does not reach its compressive strength and the strain in the concrete is rather complex, tending toward a conservative consideration. ACI 1440.1R-15 approximates the height of the concrete in the compressed region to the height at which the beam reaches its equilibrium failure, thus resulting in a conservatively estimated ultimate load for the beam. The specific calculation formula is as follows:
c b = ( ε c u ε c u + ε f u ) d ,
M u = A f f f u ( d β 1 c b / 2 ) ,
where
  • ε cu —ultimate compressive strain of concrete;
  • A f —FRP bars’ area;
  • b—cross-sectional width;
  • d—effective depth of the cross-section;
  • f fu —tensile strength of FRP reinforcement;
  • β 1 —correction factor.
When the compressive strength of concrete is not greater than 27.58 MPa, the correction factor β 1 is taken as 0.85. When the compressive strength exceeds 27.58 MPa, for each increase of 6.895 MPa in strength, the factor decreases by 0.05.
Equation (9) is used to calculate the ultimate load of the PX-0.2 specimen, as BX-0, BX-0.1, and BX-0.2 experienced shear failure, and therefore, the flexural capacity calculation cannot be applied. In this case, the calculation is performed using the shear capacity calculation for inclined sections of flexural members as specified in GB 50010-2010 [34]. The calculation formula is as follows:
V = 1.75 λ + 1 f t b h 0 + f y v A s v s h 0 ,
where
  • f t —design value of concrete axial tensile strength;
  • λ —shear span-to-depth ratio,
  • b —cross-sectional width,
  • h 0 —effective depth of the cross-section;
  • f y v —design value of tensile strength of stirrups;
  • A s v —total cross-sectional area of all stirrups within the same section.
The calculated ultimate load closely matched the experimental results, indicating that Equations (9) and (10) can predict the ultimate load of the beam with reasonable accuracy and provide a certain level of safety assurance. The results are presented in Table 8.

6. Conclusions

This article presents a four-point bending test on BFRP bar BFRC beams. This study investigates the effects of variables such as the dosage of basalt fiber (0%, 0.1%, and 0.2%) and the type of longitudinal reinforcement (steel bars and BFRP bars) on the failure mode, cracking moment, and ultimate load-carrying capacity of the tested beams. Based on the experimental results, the following conclusions are drawn:
(1)
Compared to specimens BX-0, which had no basalt fiber reinforcement, specimens BX-0.1 and BX-0.2 exhibited an increase in ultimate load-carrying capacity of 4.24% and 8.27%, respectively. Additionally, their cracking loads increased by 7.89% and 18.42%, respectively. Therefore, it can be concluded that the addition of basalt fiber in these BFRP bar BFRC beams does not significantly enhance the ultimate load-carrying capacity but has a more noticeable effect on increasing the cracking load.
(2)
When the dosage of basalt fiber remained below 0.2%, augmenting the fiber dosage resulted in a progressive diminishment of the extent of beam failure. This indicates that the basalt fibers, uniformly dispersed within the concrete, effectively enhance crack resistance, thereby improving the overall integrity of the beam and reducing the extent of damage.
(3)
Under the same dosage of basalt fiber, specimen BX-0.2 exhibited a 58.27% increase in ultimate load-carrying capacity compared to specimen PX-0.2. However, the cracking load decreased by 4%, which suggests that the incorporation of BFRP (Basalt-Fiber-Reinforced Polymer) bars in the beams exerts a notable influence on augmenting the ultimate load-carrying capacity, whereas it exerts minimal influence on the cracking load.
(4)
A cracking moment calculation formula for BFRC beams was proposed through regression analysis. When the influence coefficient of basalt fiber, denoted as “ α c r ” was set to 0.089, the model’s calculated values exhibited a satisfactory concordance with experimental data. Furthermore, the ultimate load-carrying capacity of four beams was calculated according to relevant standards, and the calculated values matched the experimental results.
The main focus of this study was to investigate the influence of basalt fiber content on BFRP bar beam behavior. The research findings indicated that the addition of fibers effectively increased the ductility and tensile strength of concrete, restrained crack propagation, and improved the ultimate failure mode of BFRP-reinforced beams. While this study conducted partial experimental research and theoretical analysis, there are still many aspects that require further in-depth investigation and refinement.
The parameters considered in this study, such as concrete strength grade, reinforcement ratio, and beam dimensions, were relatively limited in scope. Therefore, the applicability of the conclusions to other types of fiber-reinforced concrete beams, such as over-reinforced beams, under-reinforced beams, high-strength concrete beams, T-shaped beams, and so forth, still necessitates further research.

Author Contributions

Conceptualization, Y.Y. and K.S.; methodology, K.S.; formal analysis, K.S.; resources, Y.L.; data curation, K.S.; writing—original draft preparation, Y.Y. and K.S.; writing—review and editing, Y.Y. and K.S.; visualization, Y.L. and J.Z.; supervision, Y.L. and J.Z.; project administration, Y.L. and J.Z; funding acquisition, Y.Y. All authors have read and agreed to the published version of the manuscript.

Funding

This research received no external funding.

Data Availability Statement

The data supporting the results reported in this paper can be accessed from the corresponding authors.

Acknowledgments

I, Kangjia Song, thank my classmate Zhao Jichong for help in the experiment process. My friend Wu Han put forward some suggestions and guidance on the layout and sentence structure of this paper, and my brother Wang Tong gave general framework guidance for this paper.

Conflicts of Interest

The authors declare no conflict of interest.

Appendix A

Table A1. Comparison of experimental and theoretical cracking moments.
Table A1. Comparison of experimental and theoretical cracking moments.
Beam NumberCracking load (kN)Mfcr (kN∙m)M0fcr (kN∙m)M0fcr/Mfcr
BX-0193.333.230.97
BX-0.120.53.593.490.98
BX-0.222.53.943.750.97
PX-0.223.54.114.121.00
L0-1 [40]2465.890.98
L1-125.56.386.411.00
L2-129.57.386.930.94
L3-128.57.137.461.05
L0-2256.256.090.97
L1-226.56.636.631.00
L3-229.57.387.711.04
BF0P0R12 [27]11.13.333.541.06
BF0P0R1611.83.544.051.14
BF6P200R2015.04.54.951.10
BF12P200R1615.04.54.340.96
C [41]13.52.72.390.88
BFC—0.0518.03.62.500.70
BFC—0.118.03.62.620.73
BFC—0.216.53.32.730.88

References

  1. Achillides, Z.; Pilakoutas, K. Bond Behavior of Fiber Reinforced Polymer Bars under Direct Pullout Conditions. J. Compos. Constr. 2004, 8, 173–181. [Google Scholar] [CrossRef]
  2. Dong, Z.; Wu, G.; Zhao, X.-L.; Zhu, H.; Lian, J. Bond Durability of Steel-FRP Composite Bars Embedded in Seawater Sea-Sand Concrete under Constant Bending and Shearing Stress. Constr. Build. Mater. 2018, 192, 808–817. [Google Scholar] [CrossRef]
  3. Yang, X.; Gao, W.-Y.; Dai, J.-G.; Lu, Z.-D.; Yu, K.-Q. Flexural Strengthening of RC Beams with CFRP Grid-Reinforced ECC Matrix. Compos. Struct. 2018, 189, 9–26. [Google Scholar] [CrossRef]
  4. Berardi, V.P.; Feo, L.; Mancusi, G.; De Piano, M. Influence of Reinforcement Viscous Properties on Reliability of Existing Structures Strengthened with Externally Bonded Composites. Compos. Struct. 2018, 200, 532–539. [Google Scholar] [CrossRef]
  5. Turco, A.; Bocciarelli, M.; Nanni, A.; Poggi, C. Influence of Width and Thickness of Composite Laminates on the Flexural Behavior of Reinforced Concrete Beams and Slabs. Compos. Struct. 2017, 178, 186–194. [Google Scholar] [CrossRef]
  6. Elimelech, M.; Phillip, W.A. The Future of Seawater Desalination: Energy, Technology, and the Environment. Science 2011, 333, 712–717. [Google Scholar] [CrossRef] [PubMed]
  7. El Refai, A.; Abed, F. Concrete Contribution to Shear Strength of Beams Reinforced with Basalt Fiber-Reinforced Bars. J. Compos. Constr. 2016, 20, 04015082. [Google Scholar] [CrossRef]
  8. Cholostiakow, S.; Di Benedetti, M.; Pilakoutas, K.; Zappa, E.; Guadagnini, M. Experimental Analysis of Shear Resisting Mechanisms in FRP RC Beams with Shear Reinforcement. J. Compos. Constr. 2020, 24, 04020037. [Google Scholar] [CrossRef]
  9. Elango, K.S.; Gopi, R.; Jayaguru, C.; Vivek, D.; Saravanakumar, R.; Rajeshkumar, V. Experimental Investigation on Concrete Beams Reinforced with Basalt Fiber Reinforced Polymer Bars. Mater. Today Proc. 2021, 45, 2426–2429. [Google Scholar] [CrossRef]
  10. Monaldo, E.; Nerilli, F.; Vairo, G. Basalt-based fiber-reinforced materials and structural applications in civil engineering. Compos. Struct. 2019, 214, 246–263. [Google Scholar] [CrossRef]
  11. Ge, W.; Zhang, J.; Cao, D.; Tu, Y. Flexural Behaviors of Hybrid Concrete Beams Reinforced with BFRP Bars and Steel Bars. Constr. Build. Mater. 2015, 87, 28–37. [Google Scholar] [CrossRef]
  12. Sim, J.; Park, C.; Moon, D.Y. Characteristics of Basalt Fiber as a Strengthening Material for Concrete Structures. Compos. Part B Eng. 2005, 36, 504–512. [Google Scholar] [CrossRef]
  13. Gravina, R.J.; Li, J.; Smith, S.T.; Visintin, P. Environmental Durability of FRP Bar-to-Concrete Bond: Critical Review. J. Compos. Constr. 2020, 24, 03120001. [Google Scholar] [CrossRef]
  14. Duo, Y.; Liu, X.; Liu, Y.; Tafsirojjaman, T.; Sabbrojjaman, M. Environmental Impact on the Durability of FRP Reinforcing Bars. J. Build. Eng. 2021, 43, 102909. [Google Scholar] [CrossRef]
  15. Wu, G.; Dong, Z.-Q.; Wang, X.; Zhu, Y.; Wu, Z.-S. Prediction of Long-Term Performance and Durability of BFRP Bars under the Combined Effect of Sustained Load and Corrosive Solutions. J. Compos. Constr. 2015, 19, 04014058. [Google Scholar] [CrossRef]
  16. Altalmas, A.; El Refai, A.; Abed, F. Bond Degradation of Basalt Fiber-Reinforced Polymer (BFRP) Bars Exposed to Accelerated Aging Conditions. Constr. Build. Mater. 2015, 81, 162–171. [Google Scholar] [CrossRef]
  17. Dong, Z.; Wu, G.; Xu, B.; Wang, X.; Taerwe, L. Bond Durability of BFRP Bars Embedded in Concrete under Seawater Conditions and the Long-Term Bond Strength Prediction. Mater. Des. 2016, 92, 552–562. [Google Scholar] [CrossRef]
  18. Nepomuceno, E.; Sena-Cruz, J.; Correia, L.; D’Antino, T. Review on the Bond Behavior and Durability of FRP Bars to Concrete. Constr. Build. Mater. 2021, 287, 123042. [Google Scholar] [CrossRef]
  19. Inman, M.; Thorhallsson, E.R.; Azrague, K. A Mechanical and Environmental Assessment and Comparison of Basalt Fibre Reinforced Polymer (BFRP) Rebar and Steel Rebar in Concrete Beams. Energy Procedia 2017, 111, 31–40. [Google Scholar] [CrossRef]
  20. Hassan, A.; Khairallah, F.; Elsayed, H.; Salman, A.; Mamdouh, H. Behaviour of Concrete Beams Reinforced Using Basalt and Steel Bars under Fire Exposure. Eng. Struct. 2021, 238, 112251. [Google Scholar] [CrossRef]
  21. Shamass, R.; Cashell, K.A. Experimental Investigation into the Flexural Behaviour of Basalt FRP Reinforced Concrete Members. Eng. Struct. 2020, 220, 110950. [Google Scholar] [CrossRef]
  22. Yang, J.-M.; Min, K.-H.; Shin, H.-O.; Yoon, Y.-S. Effect of Steel and Synthetic Fibers on Flexural Behavior of High-Strength Concrete Beams Reinforced with FRP Bars. Compos. Part B Eng. 2012, 43, 1077–1086. [Google Scholar] [CrossRef]
  23. High, C.; Seliem, H.M.; El-Safty, A.; Rizkalla, S.H. Use of Basalt Fibers for Concrete Structures. Constr. Build. Mater. 2015, 96, 37–46. [Google Scholar] [CrossRef]
  24. Issa, M.S.; Metwally, I.M.; Elzeiny, S.M. Influence of fibers on flexural behavior and ductility of concrete beams reinforced with GFRP rebars. Eng. Struct. 2011, 33, 1754–1763. [Google Scholar] [CrossRef]
  25. Li, M.; Gong, F.; Wu, Z. Study on mechanical properties of alkali-resistant basalt fiber reinforced concrete. Constr. Build. Mater. 2020, 245, 118424. [Google Scholar] [CrossRef]
  26. Wang, D.; Ju, Y.; Shen, H.; Xu, L. Mechanical Properties of High Performance Concrete Reinforced with Basalt Fiber and Polypropylene Fiber. Constr. Build. Mater. 2019, 197, 464–473. [Google Scholar] [CrossRef]
  27. Liu, X. Experimental Study on the Flexural Performance of Short Basalt Fiber-Reinforced Concrete Beams; Southwest Jiaotong University: Chengdu, China, 2021. [Google Scholar] [CrossRef]
  28. Jiang, C.; Fan, K.; Wu, F.; Chen, D. Experimental Study on the Mechanical Properties and Microstructure of Chopped Basalt Fibre Reinforced Concrete. Mater. Des. 2014, 58, 187–193. [Google Scholar] [CrossRef]
  29. Chen, X.-F.; Kou, S.-C.; Xing, F. Mechanical and Durable Properties of Chopped Basalt Fiber Reinforced Recycled Aggregate Concrete and the Mathematical Modeling. Constr. Build. Mater. 2021, 298, 123901. [Google Scholar] [CrossRef]
  30. Alnahhal, W.; Aljidda, O. Flexural Behavior of Basalt Fiber Reinforced Concrete Beams with Recycled Concrete Coarse Aggregates. Constr. Build. Mater. 2018, 169, 165–178. [Google Scholar] [CrossRef]
  31. Abed, F.; Alhafiz, A.R. Effect of Basalt Fibers on the Flexural Behavior of Concrete Beams Reinforced with BFRP Bars. Compos. Struct. 2019, 215, 23–34. [Google Scholar] [CrossRef]
  32. Elgabbas, F.; Ahmed, E.A.; Benmokrane, B. Flexural Behavior of Concrete Beams Reinforced with Ribbed Basalt-FRP Bars under Static Loads. J. Compos. Constr. 2017, 21, 04016098. [Google Scholar] [CrossRef]
  33. Haido, J.H. Flexural Behavior of Basalt Fiber Reinforced Concrete Beams: Finite Element Simulation with New Constitutive Relationships. Structures 2020, 27, 1876–1889. [Google Scholar] [CrossRef]
  34. GB50010—2010; Code for Design of Concrete Structures. China Architecture & Building Press: Beijing, China, 2010. (In Chinese)
  35. GB50608-2020; Fiber Reinforced Composite Construction Engineering Application Technical Code. China Building and Construction Press: Beijing, China, 2020. (In Chinese)
  36. SL 191—2017; Design Specification for Hydraulic Concrete Structures. China Water & Power Press: Beijing, China, 2017. (In Chinese)
  37. JGJ/T 465—2019; Standard for Design of Steel Fiber Reinforced Concrete Structures. China Architecture & Building Press: Beijing, China, 2020. (In Chinese)
  38. Adesina, A. Performance of cementitious composites reinforced with chopped basalt fibres–An overview. Constr. Build. Mater. 2021, 266, 120970. [Google Scholar] [CrossRef]
  39. Xi, L.; Jintao, Z.; Ziqi, G. Experimental Study on the Bending Behavior of Short Basalt Fiber-Reinforced Concrete Simply Supported Beams in Positive Moment Regions. J. Build. Struct. 2022, 43, 189–198. [Google Scholar] [CrossRef]
  40. Jingrui, K. Experimental Study on the Flexural Performance of Basalt Fiber Self-Compacting Concrete Beams; Liaoning University of Technology: Jinzhou, China, 2014. [Google Scholar]
  41. Sheng’en, F.; Peihui, Z.; Huashan, H. Bending Tests of Fiber-Reinforced Concrete Beams and Calculation Formulas for Cracking Moment. J. Build. Mater. 2019, 22, 567–574. [Google Scholar]
  42. ACI 440.1R-15; Guide for the Design and Construction of Concrete Structure Reinforced with FRP Bars. American Concrete Institute: Farmington Hills, MI, USA, 2015.
Figure 1. Bars and basalt fiber.
Figure 1. Bars and basalt fiber.
Buildings 13 02583 g001
Figure 2. Specimen production process.
Figure 2. Specimen production process.
Buildings 13 02583 g002
Figure 3. (a) Hydraulic pressure testing machine. (b) Diagram of the cubic specimen loading process.
Figure 3. (a) Hydraulic pressure testing machine. (b) Diagram of the cubic specimen loading process.
Buildings 13 02583 g003
Figure 4. Dimension and reinforcement diagram of the designed beam.
Figure 4. Dimension and reinforcement diagram of the designed beam.
Buildings 13 02583 g004
Figure 5. The arrangement of strain gauges on the beam.
Figure 5. The arrangement of strain gauges on the beam.
Buildings 13 02583 g005
Figure 6. Attachment of strain gauges on the bars.
Figure 6. Attachment of strain gauges on the bars.
Buildings 13 02583 g006
Figure 7. Attachment of strain gauges on the concrete surface.
Figure 7. Attachment of strain gauges on the concrete surface.
Buildings 13 02583 g007
Figure 8. Experimental loading device diagram.
Figure 8. Experimental loading device diagram.
Buildings 13 02583 g008
Figure 9. Loading regime diagram.
Figure 9. Loading regime diagram.
Buildings 13 02583 g009
Figure 10. Failure mode of the beam.
Figure 10. Failure mode of the beam.
Buildings 13 02583 g010
Figure 11. Load–deflection curve at midspan.
Figure 11. Load–deflection curve at midspan.
Buildings 13 02583 g011
Figure 12. Longitudinal reinforcement load–strain.
Figure 12. Longitudinal reinforcement load–strain.
Buildings 13 02583 g012
Figure 13. Concrete load–strain.
Figure 13. Concrete load–strain.
Buildings 13 02583 g013aBuildings 13 02583 g013b
Figure 14. Comparison of cracking moment test values and calculated values [27,40,41].
Figure 14. Comparison of cracking moment test values and calculated values [27,40,41].
Buildings 13 02583 g014
Table 1. Comparison of basic mechanical properties between FRP bars and steel bars.
Table 1. Comparison of basic mechanical properties between FRP bars and steel bars.
Material TypeDensity (g/cm3)Tensile Strength (MPa)Young’s Modulus (GPa)
GFRP1.25–2.10483–160035–51
CFRP1.50–1.60600–3690120–580
AFRP1.25–1.40254–172041–125
BFRP1.90–2.10600–150050–65
Steel7.85483–690200
Table 2. Optimal dosage of basalt fiber incorporation.
Table 2. Optimal dosage of basalt fiber incorporation.
Fiber Length (mm)Optimal Fiber Dosage (%)
Compressive StrengthTensile Strength
Li et al. [25]150.10.1
Wang et al. [26]120.150.15
Liu et al. [27]60.10.1
Jiang et al. [28]120.10.3
Chen et al. [29]130.51
Table 3. Mechanical properties of bars and basalt fibers.
Table 3. Mechanical properties of bars and basalt fibers.
MaterialsDiameter (mm)Elastic Modulus (GPa)Tensile Strength (MPa)Ultimate Strain (µε)
BFRP Bars105880026,000
881026,000
HRB400102004602300
8
HPB30062104002000
Basalt Fibers7 × 10−3~15 × 10−391~1003000~4800/
Table 4. Concrete mix proportions (kg/m3).
Table 4. Concrete mix proportions (kg/m3).
Fiber ContentWaterCementSand (Particle Size: 0.25~0.5 mm)Gravel (Particle Size: 0.25~0.5 mm)Basalt Fiber
0.0%44621057412200
0.1%44621057412202.64
0.2%44621057412205.28
Table 5. Compressive strength test results of cubic specimens.
Table 5. Compressive strength test results of cubic specimens.
Fiber ContentSpecimen 1 (MPa)Specimen 2 (MPa)Specimen 3 (MPa)Standard DeviationCompressive Strength (MPa)α (%)
0%32.633.231.40.5732.4/
0.1%38.136.637.21.337.315.1
0.2%38.739.239.51.0739.120.7
Note: The calculation method was as follows: α = (Fiber-Reinforced Concrete Strength − Ordinary Concrete Strength)/Ordinary Concrete Strength × 100%.
Table 6. Specimen parameters.
Table 6. Specimen parameters.
Beam NumberConcrete GradeReinforcement RatioLongitudinal Bar TypeFiber Content (%)
BX-0C300.66%BFRP Bar0
BX-0.1C300.66%BFRP bar0.1
BX-0.2C300.66%BFRP bar0.2
PX-0.2C300.66%HRB4000.2
Table 7. Summary of flexural test results.
Table 7. Summary of flexural test results.
Beam NumberUltimate Load Capacity (kN)Percentage Change in Ultimate Load CapacityMidspan
Displacement (mm)
Cracking Load (kN)Percentage Change in Cracking LoadFailure Mode
BX-0110/25.5919/SC + BR
BX-0.1114.664.24%24.5620.57.89%SC + BR
BX-0.2119.18.27%23.622.518.42%SC + BR
PX-0.275.25−31.59%27.0823.523.68%BD + TC
BD: bending damage; SC: shear compression; BR: bar rupture; TC: tension controlled (steel yielding).
Table 8. Comparison of experimental and theoretical ultimate load values.
Table 8. Comparison of experimental and theoretical ultimate load values.
Beam Number P e (kN) P c (kN) P c / P e
BX-0110106.080.96
BX-0.1114.66109.930.96
BX-0.2119.1113.780.96
PX-0.275.2562.510.83
Note: P e , experimental ultimate load; P C , theoretical calculated ultimate load.
Disclaimer/Publisher’s Note: The statements, opinions and data contained in all publications are solely those of the individual author(s) and contributor(s) and not of MDPI and/or the editor(s). MDPI and/or the editor(s) disclaim responsibility for any injury to people or property resulting from any ideas, methods, instructions or products referred to in the content.

Share and Cite

MDPI and ACS Style

Song, K.; Yu, Y.; Liu, Y.; Zhao, J. Flexural Performance Study of Basalt-Fiber-Reinforced Polymer Bar Basalt-Fiber-Reinforced Concrete Beams. Buildings 2023, 13, 2583. https://doi.org/10.3390/buildings13102583

AMA Style

Song K, Yu Y, Liu Y, Zhao J. Flexural Performance Study of Basalt-Fiber-Reinforced Polymer Bar Basalt-Fiber-Reinforced Concrete Beams. Buildings. 2023; 13(10):2583. https://doi.org/10.3390/buildings13102583

Chicago/Turabian Style

Song, Kangjia, Yang Yu, Yutao Liu, and Jichong Zhao. 2023. "Flexural Performance Study of Basalt-Fiber-Reinforced Polymer Bar Basalt-Fiber-Reinforced Concrete Beams" Buildings 13, no. 10: 2583. https://doi.org/10.3390/buildings13102583

APA Style

Song, K., Yu, Y., Liu, Y., & Zhao, J. (2023). Flexural Performance Study of Basalt-Fiber-Reinforced Polymer Bar Basalt-Fiber-Reinforced Concrete Beams. Buildings, 13(10), 2583. https://doi.org/10.3390/buildings13102583

Note that from the first issue of 2016, this journal uses article numbers instead of page numbers. See further details here.

Article Metrics

Back to TopTop