Machine Learning-Aided Prediction of Post-Fire Shear Resistance Reduction of Q690 HSS Plate Girders
Abstract
1. Introduction
2. Data Collection
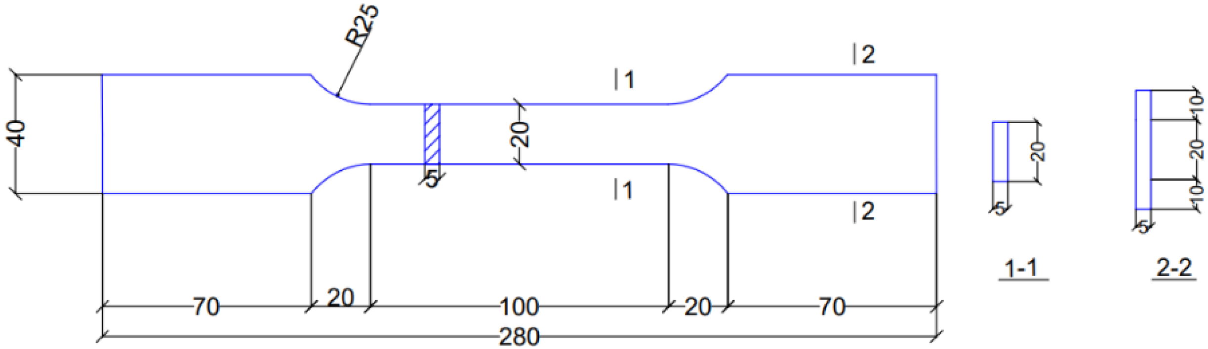
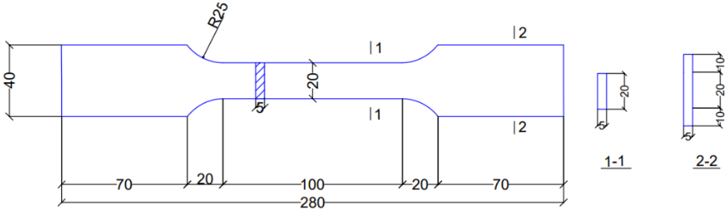
2.1. Material Tests
2.2. Finite Element (FE) Modeling
2.3. Parametric Study
2.4. Prediction of Resistance Reduction through Linear Regression
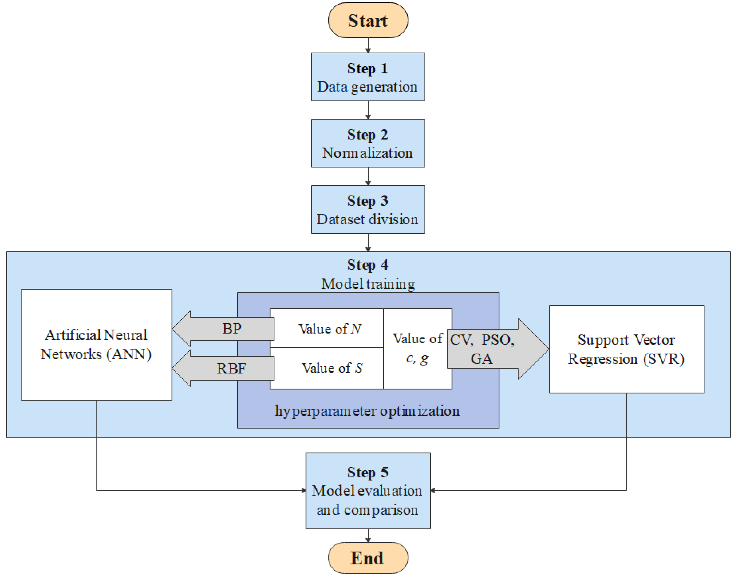
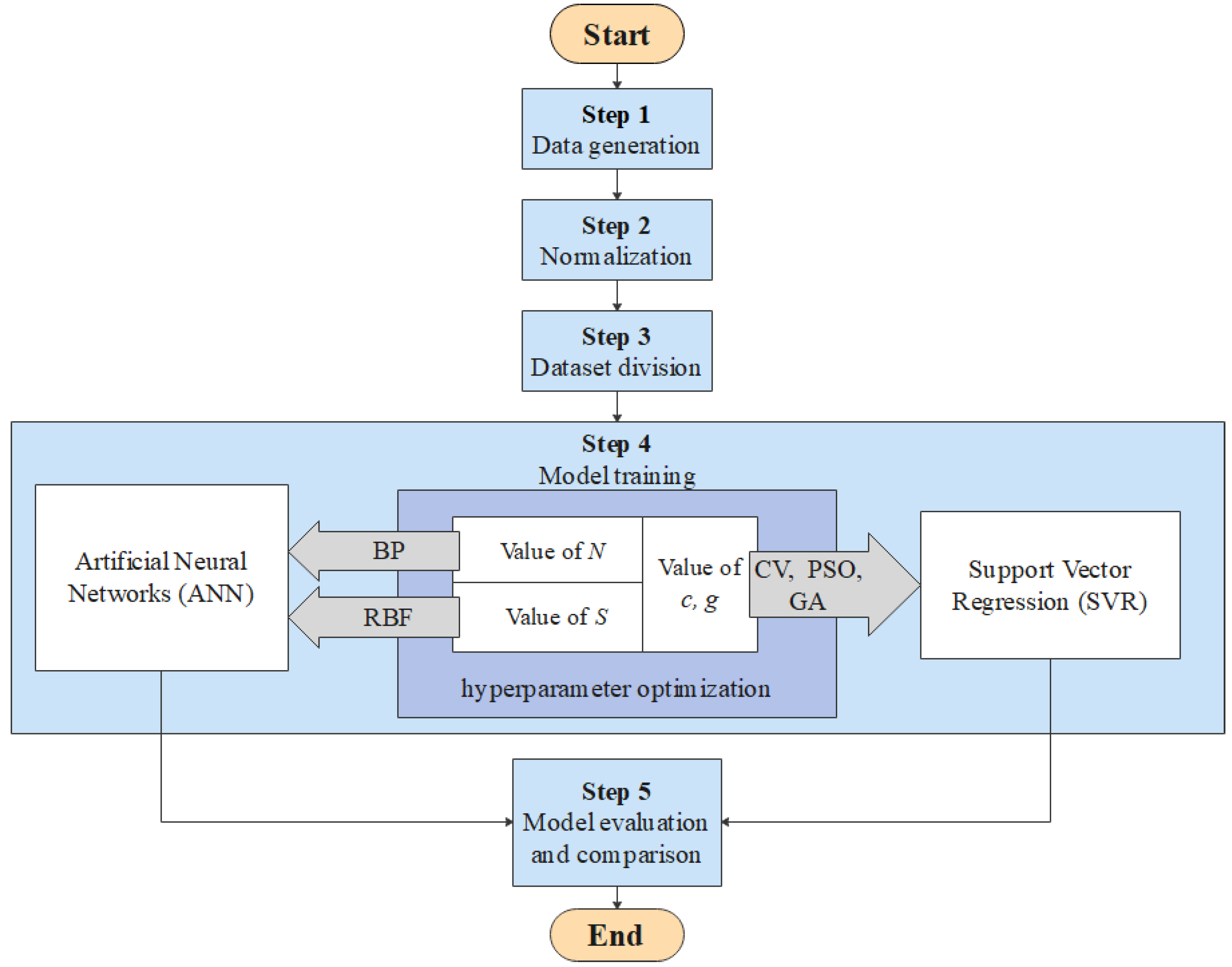
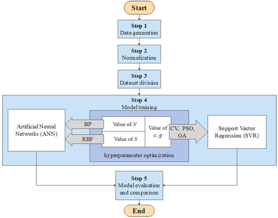
3. Machine Learning Methodology
3.1. Overall Introduction
3.2. Artificial Neural Network (ANN)
3.2.1. ANN_BP
3.2.2. ANN_RBF
3.3. Support Vector Regression (SVR)
3.3.1. SVR+CV
3.3.2. SVR+PSO
3.3.3. SVR+GA
4. Predicted Results
4.1. Prediction of Ultimate Resistance (TVu/20Vu Ratio)
4.2. Prediction of Effective Service Resistance (TVe/20Ve)
5. Discussions and Future Works
6. Conclusions
- The exposure temperature is the most significant parameter for the reduction factor by imposing a negative effect on the ultimate resistance and effective service resistance of Q690 HSS plate girders while cooling in water (CIW) is a more beneficial cooling method than cooling in the air (CIA) in terms of the residual resistance. Basically, the small impact of hw/tw ratio and a/hw ratio on the resistance reduction is seen.
- The R2 values of the OLS regression method for TVu/20Vu ratio and TVe/20Ve ratio are 0.7860 and 0.6954, respectively. The accuracy of fitting and calculating the statistical metric is not high enough for predictions.
- The results show that effective algorithms (i.e., PSO and GA) can be used to automatically optimize the core hyperparameters, which may have higher efficiency than the trial-and-error process relying on human experience.
- Specifically, SVR+PSO seems to be the most accurate algorithm when predicting TVu/20Vu ratio, where R2 value of the test set is 0.99445 and mse value is 0.00021. SVR+GA exhibits the best prediction of TVe/20Ve ratio with an R2 value of 0.99472 and mse value of 0.00013. Considering the accuracy in prediction, the SVR+GA algorithm provides the best performance for both TVu/20Vu ratio and TVe/20Ve ratio.
Supplementary Materials
Author Contributions
Funding
Data Availability Statement
Conflicts of Interest
References
- Yoo, C.H.; Lee, S.C. Mechanics of Web Panel Postbuckling Behavior in Shear. J. Struct. Eng. 2006, 132, 1580–1589. [Google Scholar] [CrossRef]
- Kim, Y.D.; White, D.W. Transverse Stiffener Requirements to Develop Shear-Buckling and Postbuckling Resistance of Steel I-Girders. J. Struct. Eng. 2014, 140, 04013098. [Google Scholar] [CrossRef]
- Hassanein, M. Finite element investigation of shear failure of lean duplex stainless steel plate girders. Thin-Walled Struct. 2011, 49, 964–973. [Google Scholar] [CrossRef]
- Alinia, M.; Gheitasi, A.; Shakiba, M. Postbuckling and ultimate state of stresses in steel plate girders. Thin-Walled Struct. 2011, 49, 455–464. [Google Scholar] [CrossRef]
- Choi, Y.S.; Kim, D.; Lee, S.C. Ultimate shear behavior of web panels of HSB800 plate girders. Constr. Build. Mater. 2015, 101, 828–837. [Google Scholar] [CrossRef]
- Xue, X.Y.; Zhou, X.; Shi, Y.; Xiang, Y. Ultimate shear resistance of S600E high-strength stainless steel plate girders. J. Constr. Steel Res. 2021, 179, 106535. [Google Scholar] [CrossRef]
- Xiao, Y.; Xue, X.Y.; Sun, F.F.; Li, G.Q. Intermediate transverse stiffener requirements of high-strength steel plate girders considering postbuckling capacity. Eng. Struct. 2019, 196, 109289. [Google Scholar] [CrossRef]
- Xiao, Y.; Xue, X.Y.; Sun, F.F.; Li, G.Q. Postbuckling shear capacity of high-strength steel plate girders. J. Constr. Steel Res. 2018, 150, 475–490. [Google Scholar] [CrossRef]
- Azizinamini, A.; Hash, J.B.; Yakel, A.J.; Farimani, R. Shear Capacity of Hybrid Plate Girders. J. Bridg. Eng. 2007, 12, 535–543. [Google Scholar] [CrossRef]
- Hua, J.; Xue, X.; Huang, Q.; Shi, Y.; Deng, W. Post-fire performance of high-strength steel plate girders developing post-buckling capacity. J. Build. Eng. 2022, 52, 104442. [Google Scholar] [CrossRef]
- Shi, Y.; Luo, Z.; Zhou, X.; Xue, X.; Xiang, Y. Post-fire performance of bonding interface in explosion-welded stainless-clad bimetallic steel. J. Constr. Steel Res. 2022, 193, 107285. [Google Scholar] [CrossRef]
- Hua, J.; Wang, F.; Xue, X. Study on fatigue properties of post-fire bimetallic steel bar with different cooling methods. Structures 2022, 40, 633–645. [Google Scholar] [CrossRef]
- Hua, J.; Yang, Z.; Wang, F.; Xue, X.; Wang, N.; Huang, L. Relation between the Metallographic Structure and Mechanical Properties of a Bimetallic Steel Bar after Fire. J. Mater. Civ. Eng. 2022, 34, 04022193. [Google Scholar] [CrossRef]
- Naser, M.; Kodur, V. A probabilistic assessment for classification of bridges against fire hazard. Fire Saf. J. 2015, 76, 65–73. [Google Scholar] [CrossRef]
- Hua, J.; Wang, F.; Yang, Z.; Xue, X.; Huang, L.; Chen, Z. Low-cycle fatigue properties of bimetallic steel bars after exposure to elevated temperature. J. Constr. Steel Res. 2021, 187, 106959. [Google Scholar] [CrossRef]
- Shi, Y.; Luo, Z.; Zhou, X.; Xue, X.; Li, J. Post-fire mechanical properties of titanium–clad bimetallic steel in different cooling approaches. J. Constr. Steel Res. 2022, 191, 107169. [Google Scholar] [CrossRef]
- Kodur, V.; Naser, M. Importance factor for design of bridges against fire hazard. Eng. Struct. 2013, 54, 207–220. [Google Scholar] [CrossRef]
- Naser, M. Deriving temperature-dependent material models for structural steel through artificial intelligence. Constr. Build. Mater. 2018, 191, 56–68. [Google Scholar] [CrossRef]
- Wang, W.; Zhou, H.; Xu, L. Creep buckling of high strength Q460 steel columns at elevated temperatures. J. Constr. Steel Res. 2019, 157, 414–425. [Google Scholar] [CrossRef]
- Zhou, X.; Xue, X.; Shi, Y.; Xu, J. Post-fire mechanical properties of Q620 high-strength steel with different cooling methods. J. Constr. Steel Res. 2021, 180, 106608. [Google Scholar] [CrossRef]
- Wang, W.; Liu, T.; Liu, J. Experimental study on post-fire mechanical properties of high strength Q460 steel. J. Constr. Steel Res. 2015, 114, 100–109. [Google Scholar] [CrossRef]
- Li, G.; Lü, H.; Zhang, C. Experimental research on post-fire mechanical properties of Q690 steel. Jianzhu Jiegou Xuebao/J. Build. Struct. 2017, 38, 109–116. [Google Scholar] [CrossRef]
- Qiang, X.; Bijlaard, F.S.; Kolstein, H. Post-fire mechanical properties of high strength structural steels S460 and S690. Eng. Struct. 2012, 35, 1–10. [Google Scholar] [CrossRef]
- Thai, H.-T. Machine learning for structural engineering: A state-of-the-art review. Structures 2022, 38, 448–491. [Google Scholar] [CrossRef]
- Sun, H.; Burton, H.V.; Huang, H. Machine learning applications for building structural design and performance assessment: State-of-the-art review. J. Build. Eng. 2020, 33, 101816. [Google Scholar] [CrossRef]
- Salehi, H.; Burgueño, R. Emerging artificial intelligence methods in structural engineering. Eng. Struct. 2018, 171, 170–189. [Google Scholar] [CrossRef]
- Zarringol, M.; Thai, H.-T.; Naser, M. Application of machine learning models for designing CFCFST columns. J. Constr. Steel Res. 2021, 185, 106856. [Google Scholar] [CrossRef]
- Hozjan, T.; Turk, G.; Srpčič, S. Fire analysis of steel frames with the use of artificial neural networks. J. Constr. Steel Res. 2007, 63, 1396–1403. [Google Scholar] [CrossRef]
- Almasabha, G.; Alshboul, O.; Shehadeh, A.; Almuflih, A.S. Machine Learning Algorithm for Shear Strength Prediction of Short Links for Steel Buildings. Buildings 2022, 12, 775. [Google Scholar] [CrossRef]
- Dulce-Chamorro, E.; Martinez-De-Pison, F.J. An advanced methodology to enhance energy efficiency in a hospital cooling-water system. J. Build. Eng. 2021, 43, 102839. [Google Scholar] [CrossRef]
- Deng, Z.; Chen, Q. Artificial neural network models using thermal sensations and occupants’ behavior for predicting thermal comfort. Energy Build. 2018, 174, 587–602. [Google Scholar] [CrossRef]
- Deng, F.; He, Y.; Zhou, S.; Yu, Y.; Cheng, H.; Wu, X. Compressive strength prediction of recycled concrete based on deep learning. Constr. Build. Mater. 2018, 175, 562–569. [Google Scholar] [CrossRef]
- GB/T 228-2010; Metallic Materials—Tensile Testing—Part 1: Method of Test at Room Temperature. China Standard Press: Beijing, China, 2010.
- Song, L.-X.; Li, G.-Q. Processing and cooling effects on post-fire mechanical properties of high strength structural steels. Fire Saf. J. 2021, 122, 103346. [Google Scholar] [CrossRef]
- Hua, J.; Wang, F.; Xue, X.; Ding, Z.; Sun, Y.; Xiao, L. Ultra-low cycle fatigue performance of Q690 high-strength steel after exposure to elevated temperatures. J. Build. Eng. 2022, 57, 104832. [Google Scholar] [CrossRef]
- Hua, J.; Yang, Z.; Zhou, F.; Hai, L.; Wang, N.; Wang, F. Effects of exposure temperature on low–cycle fatigue properties of Q690 high–strength steel. J. Constr. Steel Res. 2022, 190, 107159. [Google Scholar] [CrossRef]
- Saliba, N.; Real, E.; Gardner, L. Shear design recommendations for stainless steel plate girders. Eng. Struct. 2014, 59, 220–228. [Google Scholar] [CrossRef]
- CEN. Eurocode 3: Design of Steel Structures, Part 1–5: Plated Structural Elements; European Committee for Standardisation: Brussels, Belgium, 2006. [Google Scholar]
- AASHTO; AWS. Bridge Welding Code, ANSI/AASHTO/AWS D1.5M/D1.5:2002; American Association of State Highway and Transportation Officials, Inc.: Washington, DC, USA; American Welding Society: Miami, FL, USA, 2002. [Google Scholar]
- Hassanein, M. Imperfection analysis of austenitic stainless steel plate girders failing by shear. Eng. Struct. 2010, 32, 704–713. [Google Scholar] [CrossRef]
- Ghadami, A.; Broujerdian, V. Shear behavior of steel plate girders considering variations in geometrical properties. J. Constr. Steel Res. 2018, 153, 567–577. [Google Scholar] [CrossRef]
- Sinur, F.; Beg, D. Moment–shear interaction of stiffened plate girders—Tests and numerical model verification. J. Constr. Steel Res. 2013, 85, 116–129. [Google Scholar] [CrossRef]
- EN 1993-1-5; Eurocode 3: Design of Steel Strcture-Part 1.5: Plated Structural Elements. European Committee for Standarlization: Brussels, Belgium, 2010.
- GB 50017-2007; Standard for Design of Steel Structures. China Architecture & Building Press: Beijing, China, 2017.
- Goldstein, A.; Kapelner, A.; Bleich, J.; Pitkin, E. Peeking Inside the Black Box: Visualizing Statistical Learning with Plots of Individual Conditional Expectation. J. Comput. Graph. Stat. 2015, 24, 44–65. [Google Scholar] [CrossRef]
- Ji, S.; Lee, B.; Yi, M.Y. Building life-span prediction for life cycle assessment and life cycle cost using machine learning: A big data approach. Build. Environ. 2021, 205, 108267. [Google Scholar] [CrossRef]
- Rustam, F.; Reshi, A.A.; Mehmood, A.; Ullah, S.; On, B.-W.; Aslam, W.; Choi, G.S. COVID-19 Future Forecasting Using Supervised Machine Learning Models. IEEE Access 2020, 8, 101489–101499. [Google Scholar] [CrossRef]
- Aziminezhad, M.; Mahdikhani, M.; Memarpour, M.M. RSM-based modeling and optimization of self-consolidating mortar to predict acceptable ranges of rheological properties. Constr. Build. Mater. 2018, 189, 1200–1213. [Google Scholar] [CrossRef]
- Zhang, F.; Bales, C.; Fleyeh, H. From time series to image analysis: A transfer learning approach for night setback identification of district heating substations. J. Build. Eng. 2021, 43, 102537. [Google Scholar] [CrossRef]
- Huang, J.; Sun, Y.; Zhang, J. Reduction of computational error by optimizing SVR kernel coefficients to simulate concrete compressive strength through the use of a human learning optimization algorithm. Eng. Comput. 2022, 38, 3151–3168. [Google Scholar] [CrossRef]
- Sanhudo, L.; Rodrigues, J.; Filho, V. Multivariate time series clustering and forecasting for building energy analysis: Application to weather data quality control. J. Build. Eng. 2020, 35, 101996. [Google Scholar] [CrossRef]
- Al-Shamiri, A.K.; Kim, J.H.; Yuan, T.-F.; Yoon, Y.S. Modeling the compressive strength of high-strength concrete: An extreme learning approach. Constr. Build. Mater. 2019, 208, 204–219. [Google Scholar] [CrossRef]
- Amoosoltani, E.; Ameli, A.; Jabari, F.; Asadi, S. Employing a hybrid GA-ANN method for simulating fracture toughness of RCC mixture containing waste materials. Constr. Build. Mater. 2020, 272, 121928. [Google Scholar] [CrossRef]
- Yilmaz, I.; Kaynar, O. Multiple regression, ANN (RBF, MLP) and ANFIS models for prediction of swell potential of clayey soils. Expert Syst. Appl. 2011, 38, 5958–5966. [Google Scholar] [CrossRef]
- Kang, F.; Li, J.; Zhao, S.; Wang, Y. Structural health monitoring of concrete dams using long-term air temperature for thermal effect simulation. Eng. Struct. 2018, 180, 642–653. [Google Scholar] [CrossRef]
- Gujar, R.; Vakharia, V. Prediction and validation of alternative fillers used in micro surfacing mix-design using machine learning techniques. Constr. Build. Mater. 2019, 207, 519–527. [Google Scholar] [CrossRef]
- Bakeer, A.; Magdy, G.; Chub, A.; Bevrani, H. A sophisticated modeling approach for photovoltaic systems in load frequency control. Int. J. Electr. Power Energy Syst. 2022, 134, 107330. [Google Scholar] [CrossRef]
- Degtyarev, V.V. Neural networks for predicting shear strength of CFS channels with slotted webs. J. Constr. Steel Res. 2020, 177, 106443. [Google Scholar] [CrossRef]
- Li, S.; Liew, J.R.; Xiong, M.-X. Prediction of fire resistance of concrete encased steel composite columns using artificial neural network. Eng. Struct. 2021, 245, 112877. [Google Scholar] [CrossRef]
- Ferreira, F.P.V.; Shamass, R.; Limbachiya, V.; Tsavdaridis, K.D.; Martins, C.H. Lateral–torsional buckling resistance prediction model for steel cellular beams generated by Artificial Neural Networks (ANN). Thin-Walled Struct. 2021, 170, 108592. [Google Scholar] [CrossRef]
- Yigit, S. A machine-learning-based method for thermal design optimization of residential buildings in highly urbanized areas of Turkey. J. Build. Eng. 2021, 38, 102225. [Google Scholar] [CrossRef]
- Han, B.; Bian, X. A hybrid PSO-SVM-based model for determination of oil recovery factor in the low-permeability reservoir. Petroleum 2018, 4, 43–49. [Google Scholar] [CrossRef]
- Ni, L.; Jiang, J.; Pan, Y. Leak location of pipelines based on transient model and PSO-SVM. J. Loss Prev. Process Ind. 2013, 26, 1085–1093. [Google Scholar] [CrossRef]
- Vakharia, V.; Gujar, R. Prediction of compressive strength and portland cement composition using cross-validation and feature ranking techniques. Constr. Build. Mater. 2019, 225, 292–301. [Google Scholar] [CrossRef]
- Zhou, X.; Zi, X.; Liang, L.; Fan, Z.; Yan, J.; Pan, D. Forecasting performance comparison of two hybrid machine learning models for cooling load of a large-scale commercial building. J. Build. Eng. 2018, 21, 64–73. [Google Scholar] [CrossRef]
- Pirmohammad, S.; Marzdashti, S.E. Crashworthiness optimization of combined straight-tapered tubes using genetic algorithm and neural networks. Thin-Walled Struct. 2018, 127, 318–332. [Google Scholar] [CrossRef]
- Ben Chaabene, W.; Flah, M.; Nehdi, M.L. Machine learning prediction of mechanical properties of concrete: Critical review. Constr. Build. Mater. 2020, 260, 119889. [Google Scholar] [CrossRef]
- Jiang, W.; Xie, Y.; Li, W.; Wu, J.; Long, G. Prediction of the splitting tensile strength of the bonding interface by combining the support vector machine with the particle swarm optimization algorithm. Eng. Struct. 2020, 230, 111696. [Google Scholar] [CrossRef]
- Kookalani, S.; Cheng, B.; Xiang, S. Shape optimization of GFRP elastic gridshells by the weighted Lagrange ε-twin support vector machine and multi-objective particle swarm optimization algorithm considering structural weight. Structures 2021, 33, 2066–2084. [Google Scholar] [CrossRef]
- Truong, V.-H.; Kim, S.-E. A robust method for optimization of semi-rigid steel frames subject to seismic loading. J. Constr. Steel Res. 2018, 145, 184–195. [Google Scholar] [CrossRef]
- Khatibinia, M.; Jalaipour, M.; Gharehbaghi, S. Shape optimization of U-shaped steel dampers subjected to cyclic loading using an efficient hybrid approach. Eng. Struct. 2019, 197, 108874. [Google Scholar] [CrossRef]
- Chang, C.; Lin, C. LIBSVM: A Library for Support Vector Machines. ACM Trans. Intell. Syst. Technol. 2013, 2, 27. [Google Scholar] [CrossRef]
- Eyo, E.; Abbey, S. Machine learning regression and classification algorithms utilised for strength prediction of OPC/by-product materials improved soils. Constr. Build. Mater. 2021, 284, 122817. [Google Scholar] [CrossRef]
- Shah, S.; Sulong, N.R.; El-Shafie, A. New approach for developing soft computational prediction models for moment and rotation of boltless steel connections. Thin-Walled Struct. 2018, 133, 206–215. [Google Scholar] [CrossRef]
- Jueyendah, S.; Lezgy-Nazargah, M.; Eskandari-Naddaf, H.; Emamian, S. Predicting the mechanical properties of cement mortar using the support vector machine approach. Constr. Build. Mater. 2021, 291, 123396. [Google Scholar] [CrossRef]
- Yang, C.; Liu, J.; Zeng, Y.; Xie, G. Prediction of components degradation using support vector regression with optimized parameters. Energy Procedia 2017, 127, 284–290. [Google Scholar] [CrossRef]

















| Element | Si | Mn | C | B | Cr | Mo | Ti | Ni | P | S | Nb |
|---|---|---|---|---|---|---|---|---|---|---|---|
| wt.% | 0.15 | 1.57 | 0.07 | 0.001 | 0.01 | 0.02 | 0.09 | 0.01 | 0.010 | 0.002 | 0.001 |
| Independent Variables | Dependent Variables | |||
|---|---|---|---|---|
| TVu/20Vu Ratio | TVe/20Ve Ratio | |||
| Coef | p-Value | Coef | p-Value | |
| X1: hw/tw | −0.0246 | 0.098 * | 0.0639 | <0.001 *** |
| X2: a/hw | −0.0183 | 0.085 * | 0.048 | <0.001 *** |
| X3: exposure temperature T | −0.2583 | <0.001 *** | −0.1857 | <0.001 *** |
| X4: cooling method | 0.1582 | <0.001 *** | 0.0414 | <0.001 *** |
| R2 | 0.78600 | 0.69540 | ||
| ANN_BP | ANN_RBF | SVR+CV | SVR+PSO | SVR+GA | |
|---|---|---|---|---|---|
| R2 | 0.97216 | 0.99402 | 0.98613 | 0.99445 | 0.99406 |
| mse | 0.00261 | 0.00018 | 0.00440 | 0.00021 | 0.00015 |
| ANN_BP | ANN_RBF | SVR+CV | SVR+PSO | SVR+GA | |
|---|---|---|---|---|---|
| R2 | 0.91891 | 0.96350 | 0.91172 | 0.94714 | 0.99472 |
| mse | 0.00130 | 0.00094 | 0.00095 | 0.00060 | 0.00013 |
Publisher’s Note: MDPI stays neutral with regard to jurisdictional claims in published maps and institutional affiliations. |
© 2022 by the authors. Licensee MDPI, Basel, Switzerland. This article is an open access article distributed under the terms and conditions of the Creative Commons Attribution (CC BY) license (https://creativecommons.org/licenses/by/4.0/).
Share and Cite
Liu, G.; Liu, J.; Wang, N.; Xue, X.; Tan, Y. Machine Learning-Aided Prediction of Post-Fire Shear Resistance Reduction of Q690 HSS Plate Girders. Buildings 2022, 12, 1481. https://doi.org/10.3390/buildings12091481
Liu G, Liu J, Wang N, Xue X, Tan Y. Machine Learning-Aided Prediction of Post-Fire Shear Resistance Reduction of Q690 HSS Plate Girders. Buildings. 2022; 12(9):1481. https://doi.org/10.3390/buildings12091481
Chicago/Turabian StyleLiu, Guiwen, Jie Liu, Neng Wang, Xuanyi Xue, and Youjia Tan. 2022. "Machine Learning-Aided Prediction of Post-Fire Shear Resistance Reduction of Q690 HSS Plate Girders" Buildings 12, no. 9: 1481. https://doi.org/10.3390/buildings12091481
APA StyleLiu, G., Liu, J., Wang, N., Xue, X., & Tan, Y. (2022). Machine Learning-Aided Prediction of Post-Fire Shear Resistance Reduction of Q690 HSS Plate Girders. Buildings, 12(9), 1481. https://doi.org/10.3390/buildings12091481

