Study on Seismic Performance of TID-LRB Hybrid Control System under Multi-Level Earthquakes
Abstract
:1. Introduction
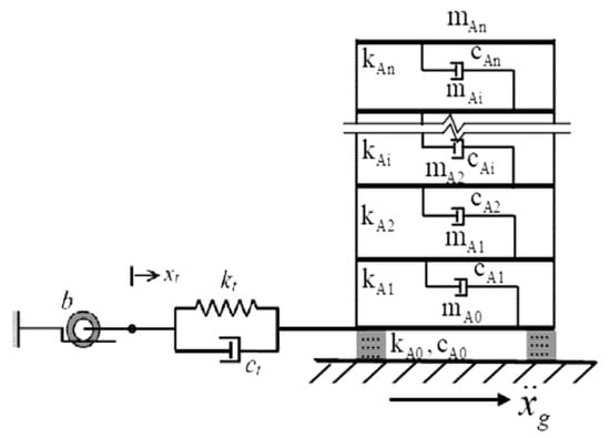
2. TID–LRB Hybrid Control System
2.1. The Equations of Motion
2.2. Ground-Motion Input
3. Seismic Response and Failure Mode of BIS System
3.1. Definition Indices of Seismic Response
3.2. Seismic Response and Failure-Mode Analysis
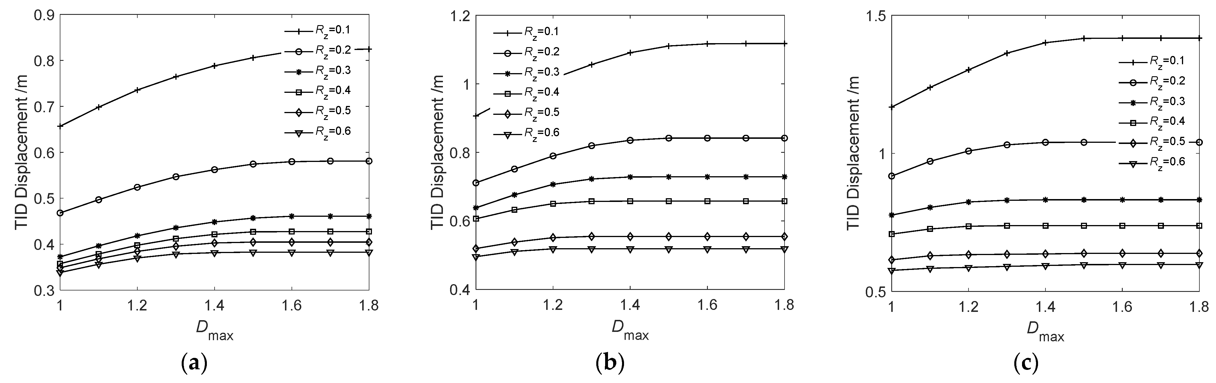
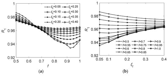
4. Optimum TID for TID–LRB Hybrid Control System
4.1. Description of Optimization Problem
4.2. Parametric Study
5. Pounding Response Analysis
5.1. Pounding Responses and Failure Mode of BIS System
5.2. Pounding Responses of TID–LRB Hybrid Control System
6. Conclusions
- For the BIS system, the acceleration, ductility coefficient, and shear strain of the LRB increase significantly under very rare earthquakes compared to rare earthquakes; in particular, the shear strain of the LRB may exceed the ultimate shear strain and cause damage to the base-isolated structure.
- Prolonging the isolation period of the BIS system can reduce the acceleration, ductility coefficients, and plastic deformations of the superstructure. Furthermore, with a longer isolation period, the horizontal displacement of the LRB increases; in contrast, the shear strain of the LRB decreases.
- For each inertance-mass ratio of the TID, there exists an optimal value of tuning frequency ratio and damping ratio to minimize the shear strain of the LRB. Although the optimal parameters of the TID were obtained under rare earthquakes, it also alleviated the seismic responses of the base-isolated structure under very rare earthquakes.
- For the BIS system under very rare earthquakes, when the width of the isolation joint is insufficient, the moat wall can limit the horizontal displacement and shear strain of the LRB, but it may increase the acceleration response of the LRB and the ductility coefficients of the superstructure, which may cause the failure of the superstructure. The base-isolated structure with the TID may still collide with the moat wall under very rare earthquakes, but the ductility coefficients of the superstructure can be reduced to prevent the collapse of the superstructure by selecting appropriate parameters of the TID.
- For the BIS system, when the width of the isolation joint is large, the shear strain of the LRB may exceed its ultimate shear strain, resulting in the failure of the LRB. Equipping with a suitable TID can reduce the shear strain of the LRB to not exceed the ultimate shear strain and ensure the safety of the LRB.
- Equipping with the TID can reduce the required minimum width of the isolation joint to prevent collision. With an increase in the inertance mass ratio, the corresponding required minimum width gradually decreases.
Author Contributions
Funding
Data Availability Statement
Acknowledgments
Conflicts of Interest
References
- Zhu, H.P.; Zhou, F.Y.; Yuan, Y. Development and Analysis of the Research on Base Isolated Structures. Eng. Mech. 2014, 31, 1–10. [Google Scholar]
- Daniel, O.; Foti, D.; Bozzo, L. Comparative study of the inelastic response of base isolated buildings. Earthq. Eng. Struct. Dyn. 2002, 32, 151–164. [Google Scholar]
- Kikuchi, M.; Black, C.J.; Aiken, I.D. On the response of yielding seismically isolated structures. Earthq. Eng. Struct. Dyn. 2008, 37, 659–679. [Google Scholar] [CrossRef]
- Zhu, H.P.; Tan, P.; Ye, K. Investigation of seismic performance of LRB base-isolated structures subjected to extremely rare earthquakes. J. Build. Struct. 2019, 40, 122–131. [Google Scholar]
- Huang, X.; Liu, Y.; Hu, Z. Seismic behavior of LRB base-isolated structure under extreme rare earthquakes. Earthq. Eng. Eng. Dyn. 2021, 41, 233–243. [Google Scholar]
- Huang, X.; Zhu, H.P. Study on impact of adjacent base-isolated structures under near-fault earthquake. J. Civ. Eng. Manag. 2011, 28, 249–253. [Google Scholar]
- Becker, T.C.; Bao, Y.; Mahin, S.A. Extreme behavior in a triple friction pendulum isolated frame. Earthq. Eng. Struct. Dyn. 2017, 46, 2683–2698. [Google Scholar] [CrossRef]
- Bao, Y.; Becker, T.C. Effect of design methodology on collapse of friction pendulum isolated moment-resisting and concentrically-braced frames. J. Struct. Eng. 2018, 144, 04018203. [Google Scholar] [CrossRef]
- Masroor, A.; Mosqueda, G. Experimental simulation of base-isolated buildings pounding against moat wall and effects on superstructure response. Earthq. Eng. Struct. Dyn. 2012, 41, 2093–2109. [Google Scholar] [CrossRef]
- GB 18036-2015; Seismic Ground Motion Parameters Zonation Map of China. Standardization Administration of the People’s Republic of China: Beijing, China, 2015.
- Ikago, K.; Saito, K.; Inoue, N. Seismic control of single-degree-of-freedom structure using tuned viscous mass damper. Earthq. Eng. Struct. Dyn. 2012, 41, 453–474. [Google Scholar] [CrossRef]
- Lazar, I.F.; Neild, S.A.; Wagg, D.J. Using an inerter-based device for structural vibration suppression. Earthq. Eng. Struct. Dyn. 2014, 43, 1129–1147. [Google Scholar] [CrossRef]
- Saitoh, M. On the performance of gyro-mass devices for displacement mitigation in base isolation systems. Struct. Control Health Monit. 2012, 19, 246–259. [Google Scholar] [CrossRef]
- De Domenico, D.; Ricciardi, G. Optimal design of a novel tuned inerter damper system for reducing the displacement demand of base-isolated structures. In Proceedings of the AIMETA 2017-Proceedings of the 23rd Conference of the Italian Association of Theoretical and Applied Mechanics, Salerno, Italy, 4–7 September 2017. [Google Scholar]
- De Domenico, D.; Ricciardi, G. An enhanced base isolation system equipped with optimal tuned mass damper inerter(TMDI). Earthq. Eng. Struct. Dyn. 2018, 47, 1169–1192. [Google Scholar] [CrossRef]
- Sun, H.X.; Zuo, L.; Wang, X.; Peng, J.; Wang, W. Exact H2 optimal solutions to inerter-based isolation systems for building structures. Struct. Control Health Monit. 2019, 26, e2357. [Google Scholar] [CrossRef]
- Qian, F.; Luo, Y.; Sun, H.; Tai, W.C.; Zuo, L. Optimal tuned inerter dampers for performance enhancement of vibration isolation. Eng. Struct. 2019, 198, 109464. [Google Scholar] [CrossRef]
- Ye, K.; Shu, S.; Hu, L.; Zhu, H. Analytical solution of seismic response of base-isolated structure with supplemental inerter. Earthq. Eng. Struct. Dyn. 2019, 48, 1083–1090. [Google Scholar] [CrossRef]
- Jangid, R.S. Optimum Tuned Inerter Damper for Base-Isolated Structures. J. Vib. Eng. Technol. 2021, 9, 1483–1497. [Google Scholar] [CrossRef]
- Liu, J.B.; Du, X.L. Structural Dynamics; Machinery Industry Press: Beijing, China, 2005; pp. 118–119. (In Chinese) [Google Scholar]
- GB 50011-2010; Code for Seismic Design of Buildings. China Architecture & Building Press: Beijing, China, 2010.
- Applied Technology Council. Quantification of Building Seismic Performance Factors: ATC-63; Applied Technology Council: Redwood City, CA, USA, 2008. [Google Scholar]
- SeismoSoft. SeismoMatch 2016 User Manuals [DB/OL]; SeismoSoft Company: Pavia, Italy, 2016; Available online: http://www.seismosoft.com (accessed on 10 May 2022).
- Priestley, M.J.N.; Calvi, G.M.; Kowalsky, M.J. Displacement-Based Seismic Design of Structures; IUSS Press: Pavia, Italy, 2007. [Google Scholar]





















| Number | Name | Recording Station | Component | Ap/g |
|---|---|---|---|---|
| GM01 | Cape Mendocino | Cape Mendocino | RIO360 | 0.549 |
| GM02 | Chi-Chi | CHY01 | NS | 0.440 |
| GM04 | Duzce | Bolu | BL000 | 0.728 |
| GM05 | Friuli | Tolmezzo | A-TMZ270 | 0.315 |
| GM06 | Hector Mine | Hector | HEC000 | 0.266 |
| GM07 | Imperial | Delta | H-DLT262 | 0.238 |
| GM08 | Imperial | El Centro Array#11 | H-E11230 | 0.380 |
| GM09 | Kobe | Nishi-Akashi | NIS090 | 0.503 |
| GM10 | Kobe | Shin-Osaka | SHI000 | 0.243 |
| GM11 | Kacaeli | Arcelik | ARC090 | 0.150 |
| GM12 | Kacaeli | Duzce | DZC180 | 0.312 |
| GM15 | Loma Prieta | Capitola | CAP000 | 0.529 |
| GM16 | Loma Prieta | Gilroy Array #3 | G03000 | 0.555 |
| GM20 | San Fernando | LA-Hollywood Stor FF | PEL090 | 0.210 |
| GM21 | Superstition Hills | El Centro Imp. Co. Cent | B-ICC090 | 0.258 |
| GM22 | Superstition Hills | Poe Road | B-POE270 | 0.446 |
| BIS System | Rare Earthquakes | Very Rare Earthquakes | ||
|---|---|---|---|---|
| um/m | um/m | |||
| = 3.0 s | 0.235 m | 313 | 0.405 m | 540 |
| = 3.5 s | 0.315 m | 308 | 0.543 m | 532 |
| = 4.0 s | 0.403 m | 303 | 0.690 m | 518 |
| Rare Earthquake | Very Rare Earthquake | |||||||||
|---|---|---|---|---|---|---|---|---|---|---|
| 0.05 | 0.05 | 1.025 | 299 | 0.955 | 0.895 | 0.988 | 518 | 0.958 | 2.805 | 0.920 |
| 0.1 | 0.1 | 0.975 | 291 | 0.927 | 0.894 | 0.987 | 505 | 0.934 | 2.723 | 0.893 |
| 0.15 | 0.15 | 0.90 | 283 | 0.901 | 0.894 | 0.987 | 488 | 0.904 | 2.660 | 0.873 |
| 0.2 | 0.2 | 0.85 | 275 | 0.876 | 0.890 | 0.983 | 475 | 0.879 | 2.563 | 0.841 |
| 0.25 | 0.25 | 0.85 | 268 | 0.855 | 0.885 | 0.977 | 465 | 0.862 | 2.471 | 0.810 |
| 0.3 | 0.3 | 0.775 | 261 | 0.834 | 0.889 | 0.982 | 453 | 0.838 | 2.455 | 0.805 |
| 0.35 | 0.3 | 0.775 | 256 | 0.815 | 0.894 | 0.987 | 442 | 0.818 | 2.432 | 0.798 |
| 0.4 | 0.3 | 0.75 | 249 | 0.796 | 0.901 | 0.995 | 431 | 0.798 | 2.440 | 0.800 |
| 0.45 | 0.3 | 0.75 | 244 | 0.777 | 0.911 | 1.005 | 422 | 0.781 | 2.441 | 0.801 |
| 0.5 | 0.3 | 0.75 | 238 | 0.758 | 0.922 | 1.018 | 412 | 0.763 | 2.445 | 0.802 |
| 0.6 | 0.3 | 0.75 | 228 | 0.726 | 0.949 | 1.048 | 393 | 0.729 | 2.474 | 0.812 |
| Rare Earthquake | Very Rare Earthquake | |||||||||
|---|---|---|---|---|---|---|---|---|---|---|
| 0.05 | 0.05 | 0.925 | 288 | 0.934 | 0.775 | 0.975 | 494 | 0.928 | 2.16 | 0.888 |
| 0.1 | 0.10 | 0.925 | 276 | 0.898 | 0.764 | 0.961 | 473 | 0.889 | 2.01 | 0.827 |
| 0.15 | 0.10 | 0.90 | 266 | 0.863 | 0.760 | 0.956 | 455 | 0.855 | 1.95 | 0.802 |
| 0.2 | 0.15 | 0.875 | 256 | 0.830 | 0.748 | 0.941 | 436 | 0.818 | 1.85 | 0.761 |
| 0.25 | 0.15 | 0.85 | 247 | 0.801 | 0.748 | 0.942 | 419 | 0.787 | 1.86 | 0.765 |
| 0.3 | 0.15 | 0.825 | 239 | 0.775 | 0.751 | 0.945 | 405 | 0.761 | 1.87 | 0.769 |
| 0.35 | 0.15 | 0.825 | 231 | 0.751 | 0.753 | 0.948 | 390 | 0.733 | 1.84 | 0.757 |
| 0.4 | 0.15 | 0.825 | 224 | 0.728 | 0.758 | 0.953 | 379 | 0.712 | 1.83 | 0.753 |
| 0.45 | 0.20 | 0.825 | 219 | 0.711 | 0.752 | 0.947 | 367 | 0.690 | 1.74 | 0.716 |
| 0.5 | 0.20 | 0.825 | 213 | 0.692 | 0.759 | 0.955 | 359 | 0.674 | 1.75 | 0.720 |
| 0.6 | 0.20 | 0.825 | 203 | 0.659 | 0.771 | 0.970 | 344 | 0.646 | 1.80 | 0.740 |
| Rare Earthquake | Very Rare Earthquake | |||||||||
|---|---|---|---|---|---|---|---|---|---|---|
| 0.05 | 0.05 | 1.05 | 274 | 0.902 | 0.696 | 0.948 | 465 | 0.898 | 1.68 | 0.834 |
| 0.1 | 0.1 | 1.025 | 258 | 0.850 | 0.674 | 0.918 | 434 | 0.838 | 1.52 | 0.755 |
| 0.15 | 0.1 | 1.0 | 244 | 0.804 | 0.672 | 0.916 | 408 | 0.788 | 1.47 | 0.730 |
| 0.2 | 0.15 | 1.0 | 233 | 0.767 | 0.658 | 0.897 | 388 | 0.749 | 1.36 | 0.675 |
| 0.25 | 0.15 | 1.0 | 224 | 0.738 | 0.657 | 0.895 | 374 | 0.722 | 1.34 | 0.665 |
| 0.3 | 0.20 | 1.0 | 217 | 0.715 | 0.646 | 0.880 | 363 | 0.701 | 1.28 | 0.636 |
| 0.35 | 0.20 | 1.0 | 211 | 0.695 | 0.648 | 0.883 | 352 | 0.680 | 1.27 | 0.631 |
| 0.4 | 0.20 | 1.0 | 205 | 0.675 | 0.652 | 0.888 | 343 | 0.662 | 1.27 | 0.631 |
| 0.45 | 0.25 | 0.975 | 199 | 0.655 | 0.654 | 0.891 | 334 | 0.645 | 1.26 | 0.626 |
| 0.5 | 0.25 | 0.975 | 194 | 0.639 | 0.659 | 0.898 | 324 | 0.625 | 1.28 | 0.636 |
| 0.6 | 0.25 | 0.975 | 185 | 0.609 | 0.673 | 0.917 | 309 | 0.597 | 1.33 | 0.660 |
| Rare Earthquakes | Very Rare Earthquakes | ||||
|---|---|---|---|---|---|
| um/m | um/m | ||||
| BIS system | 0.235 | 313 | 0.405 | 540 | |
| TID–LRB hybrid control system | 0.218 | 291 | 0.378 | 505 | |
| 0.206 | 275 | 0.356 | 475 | ||
| 0.196 | 261 | 0.339 | 453 | ||
| 0.187 | 249 | 0.324 | 431 | ||
| 0.179 | 238 | 0.309 | 412 | ||
| 0.171 | 228 | 0.295 | 393 | ||
| Rare Earthquakes | Very Rare Earthquakes | ||||
|---|---|---|---|---|---|
| um/m | um/m | ||||
| BIS system | 0.315 | 308 | 0.543 | 532 | |
| TID–LRB hybrid control system | 0.283 | 276 | 0.483 | 473 | |
| 0.261 | 256 | 0.445 | 436 | ||
| 0.244 | 239 | 0.412 | 405 | ||
| 0.228 | 224 | 0.386 | 379 | ||
| 0.217 | 213 | 0.367 | 359 | ||
| 0.207 | 203 | 0.351 | 344 | ||
| Rare Earthquakes | Very Rare Earthquakes | ||||
|---|---|---|---|---|---|
| um/m | um/m | ||||
| BIS system | 0.403 | 303 | 0.690 | 518 | |
| TID–LRB hybrid control system | 0.343 | 258 | 0.578 | 434 | |
| 0.310 | 233 | 0.517 | 388 | ||
| 0.290 | 217 | 0.483 | 363 | ||
| 0.273 | 205 | 0.456 | 343 | ||
| 0.258 | 194 | 0.431 | 324 | ||
| 0.245 | 185 | 0.411 | 309 | ||
| ds = 1.0Dmax | ds = 1.2Dmax | ds = 1.4Dmax | ds = 1.6Dmax | ds = 1.8Dmax | |||||||||||
|---|---|---|---|---|---|---|---|---|---|---|---|---|---|---|---|
| γm (%) | am0 (m/s2) | γm (%) | am0 (m/s2) | γm (%) | am0 (m/s2) | γm (%) | am0 (m/s2) | γm (%) | am0 (m/s2) | ||||||
| Without TID | 321 | 58.3 | 11.9 | 383 | 53.3 | 10.7 | 445 | 45.1 | 9.0 | 505 | 29.6 | 5.9 | 538 | 9.6 | 3.3 |
| 320 | 53.1 | 10.7 | 382 | 47.0 | 9.2 | 443 | 33.6 | 6.6 | 492 | 15.7 | 3.7 | 504 | 9.5 | 2.8 | |
| 319 | 50.5 | 9.8 | 381 | 40.7 | 8.2 | 439 | 27.2 | 5.2 | 470 | 12.2 | 3.0 | 475 | 8.2 | 2.6 | |
| 319 | 46.4 | 9.1 | 381 | 36.4 | 6.9 | 433 | 19.1 | 4.0 | 453 | 8.1 | 2.4 | 453 | 8.1 | 2.4 | |
| 319 | 41.7 | 8.4 | 378 | 29.3 | 5.9 | 424 | 13.4 | 3.0 | 431 | 8.1 | 2.4 | 431 | 8.1 | 2.4 | |
| 318 | 36.6 | 7.5 | 373 | 27.8 | 5.0 | 410 | 9.6 | 2.5 | 412 | 8.0 | 2.4 | 412 | 8.0 | 2.4 | |
| 318 | 31.7 | 6.7 | 366 | 23.5 | 4.1 | 391 | 8.7 | 2.5 | 393 | 8.0 | 2.5 | 393 | 8.0 | 2.5 | |
| ds = 1.0Dmax | ds = 1.2Dmax | ds = 1.4Dmax | ds = 1.6Dmax | ds = 1.8Dmax | |||||||||||
|---|---|---|---|---|---|---|---|---|---|---|---|---|---|---|---|
| γm (%) | am0 (m/s2) | γm (%) | am0 (m/s2) | γm (%) | am0 (m/s2) | γm (%) | am0 (m/s2) | γm (%) | am0 (m/s2) | ||||||
| Without TID | 315 | 64.9 | 12.4 | 376 | 55.0 | 11.0 | 437 | 47.4 | 9.5 | 497 | 31.6 | 6.3 | 532 | 10.1 | 2.6 |
| 314 | 56.9 | 10.9 | 375 | 47.7 | 9.0 | 436 | 34.8 | 5.6 | 470 | 11.6 | 2.5 | 473 | 8.4 | 2.0 | |
| 314 | 50.0 | 9.7 | 375 | 40.4 | 6.9 | 424 | 17.1 | 3.3 | 436 | 8.4 | 1.8 | 436 | 8.4 | 1.8 | |
| 314 | 47.6 | 8.6 | 370 | 30.0 | 4.9 | 401 | 11.7 | 2.4 | 405 | 8.3 | 1.8 | 405 | 8.3 | 1.8 | |
| 313 | 40.4 | 6.9 | 359 | 21.1 | 3.5 | 377 | 8.8 | 2.0 | 379 | 8.3 | 1.8 | 379 | 8.3 | 1.8 | |
| 310 | 35.3 | 5.5 | 346 | 15.7 | 2.6 | 359 | 8.3 | 1.8 | 359 | 8.3 | 1.8 | 359 | 8.3 | 1.8 | |
| 305 | 28.0 | 4.3 | 333 | 13.2 | 2.4 | 344 | 8.2 | 1.8 | 344 | 8.2 | 1.8 | 344 | 8.2 | 1.8 | |
| ds = 1.0Dmax | ds = 1.2Dmax | ds = 1.4Dmax | ds = 1.6Dmax | ds = 1.8Dmax | |||||||||||
|---|---|---|---|---|---|---|---|---|---|---|---|---|---|---|---|
| γm (%) | am0 (m/s2) | γm (%) | am0 (m/s2) | γm (%) | am0 (m/s2) | γm (%) | am0 (m/s2) | γm (%) | am0 (m/s2) | ||||||
| Without TID | 308 | 64.8 | 13.0 | 369 | 64.4 | 11.7 | 428 | 53.8 | 9.7 | 488 | 37.2 | 6.2 | 518 | 9.5 | 2.1 |
| 307 | 58.5 | 10.9 | 368 | 49.3 | 7.6 | 421 | 24.5 | 3.4 | 434 | 8.4 | 1.5 | 434 | 8.4 | 1.5 | |
| 307 | 48.9 | 8.4 | 361 | 28.8 | 4.5 | 388 | 8.3 | 1.4 | 389 | 8.3 | 1.4 | 389 | 8.3 | 1.4 | |
| 305 | 36.1 | 5.8 | 349 | 16.3 | 2.4 | 363 | 8.2 | 1.3 | 364 | 8.2 | 1.3 | 364 | 8.2 | 1.3 | |
| 300 | 29.4 | 4.4 | 333 | 11.4 | 2.0 | 343 | 8.2 | 1.3 | 343 | 8.2 | 1.3 | 343 | 8.2 | 1.3 | |
| 294 | 18.3 | 3.0 | 316 | 10.7 | 1.9 | 324 | 8.1 | 1.3 | 324 | 8.1 | 1.3 | 324 | 8.1 | 1.3 | |
| 284 | 16.1 | 2.4 | 301 | 9.4 | 1.8 | 309 | 8.1 | 1.3 | 309 | 8.1 | 1.3 | 309 | 8.1 | 1.3 | |
Publisher’s Note: MDPI stays neutral with regard to jurisdictional claims in published maps and institutional affiliations. |
© 2022 by the authors. Licensee MDPI, Basel, Switzerland. This article is an open access article distributed under the terms and conditions of the Creative Commons Attribution (CC BY) license (https://creativecommons.org/licenses/by/4.0/).
Share and Cite
Huang, X.; Hu, Z.; Liu, Y.; Nie, L. Study on Seismic Performance of TID-LRB Hybrid Control System under Multi-Level Earthquakes. Buildings 2022, 12, 1465. https://doi.org/10.3390/buildings12091465
Huang X, Hu Z, Liu Y, Nie L. Study on Seismic Performance of TID-LRB Hybrid Control System under Multi-Level Earthquakes. Buildings. 2022; 12(9):1465. https://doi.org/10.3390/buildings12091465
Chicago/Turabian StyleHuang, Xiao, Zhixiang Hu, Yunlin Liu, and Liqing Nie. 2022. "Study on Seismic Performance of TID-LRB Hybrid Control System under Multi-Level Earthquakes" Buildings 12, no. 9: 1465. https://doi.org/10.3390/buildings12091465
APA StyleHuang, X., Hu, Z., Liu, Y., & Nie, L. (2022). Study on Seismic Performance of TID-LRB Hybrid Control System under Multi-Level Earthquakes. Buildings, 12(9), 1465. https://doi.org/10.3390/buildings12091465
