Model-Based Control Strategies to Enhance Energy Flexibility in Electrically Heated School Buildings
Abstract
:1. Introduction
2. Methodology
- Identification of the system and load.
- Characterization of flexibility.
- Analyzing the impact of scenario modeling on the demand profiles.
- Proposing key performance indicators to facilitate interaction between building operators, aggregators, and utility companies.
2.1. Data-Driven Grey-Box Model
- Real building measurement data are collected from the smart meters installed in the archetype zones. Data included variables such as electricity consumption (kW), zone air temperature (°C), weather data, and specific data are related to each zone (e.g., floor heating temperature). All measurements are taken at intervals of 15 min.
- Numerical models of thermal building control are developed. These models are based on RC model thermal networks.
- The developed models are calibrated using the collected data. The important parameters are identified using the Sequential Least-Squares Programming (SLSQP) in Python.
- Appropriate control strategies for zones with the convective system are presented to enhance the energy flexibility available from the building to the grid at specific times, depending on the grid requirement.
- A building energy flexibility index (BEFI) is applied to quantify dynamic building energy flexibility at the zone and building levels.
- Predictive control strategies for zones with the convective system and hydronic radiant floor system are presented to use the maximum thermal capacity of the concrete slab, reduce peak load during on-peak hours, and enhance energy flexibility when needed by the grid.
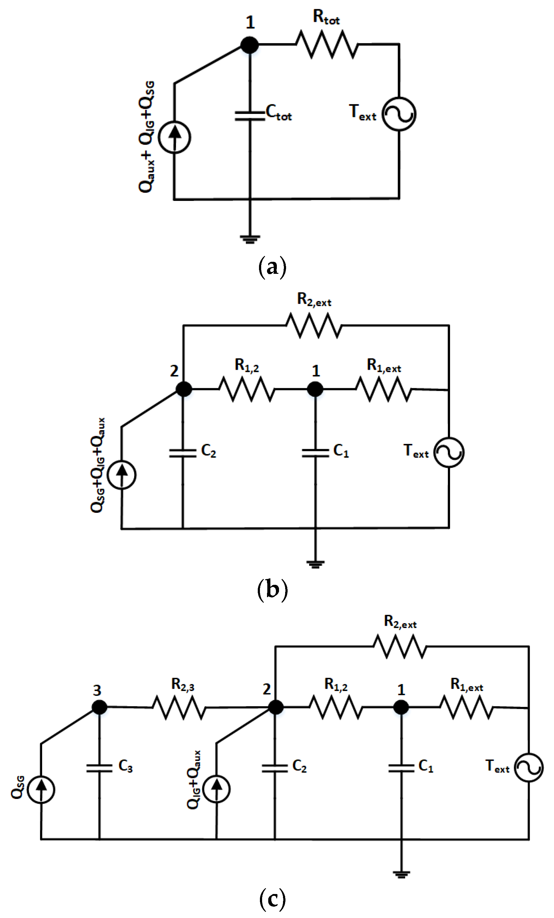
2.2. Governing Equation
- Uij: Thermal conductance between nodes i and j, W/K;
- Uik: Thermal conductance between nodes i and k that node k has a known temperature, W/K.
- T: Temperature at node i, °C.
- Ci: Thermal capacitance at node i J/K.
- : Heat source at node i, W.
- Δt: Time step, s.
- ⊙: is an elementwise multiplication operator.
- N: is the number of nodes.
- M: is the number of nodes with known temperatures.
- kp: proportional gain of the controller, W/K.
- ki: integral gain of the controller, W/K·s.
2.3. Energy Flexibility Quantification
3. Description of the Case Study: Electrically Heated School Building
- In operation since 2017.
- Hydronic radiant floor systems in several zones (gym and offices).
- Convective systems in several zones (classrooms, library, kindergarten).
- A 28-loop geothermal system.
- An Electrically heated Thermal Energy storage device (ThermElect) with an 80 kW heating capacity. ThermElect converts electrical power into stored heat when the price of electricity is low (or when demand on the grid is low) and provides heat when demand is high.
- Water–air Heat pumps with a heating capacity of 40 kW at 36 terminals.
- Water–water heat pump with a capacity of 33 kW.
System Description
4. Modeling Results and Discussion
4.1. Archetype Zones with Convective System: Classrooms
4.1.1. Weather Conditions: Cold Winter Days
4.1.2. Available Energy Flexibility in Contingency Event
4.2. Archetype Zones with Hydronic Radiant Floor and Convective Heating Systems
- Controllable: such as the heat delivered by the heating systems and the ventilation airflow rate.
- Uncontrollable: such as the outdoor temperature, solar gains, and internal gains.
4.2.1. Control Scenarios for Energy Flexibility Activation in Archetype Zones with Hydronic Radiant Floor and Convective Systems
- To maintain the slab temperature within the comfort range, the slab surface is set to a maximum of 26 °C.
- The water–water HP can deliver up to 15 kW of heat to the radiant floor heating system, according to the observation from measured data.
- The operating temperature is considered to be the effective indoor temperature.
- During unoccupied hours (nighttime), the slab is charged and discharged during occupied hours (daytime).
- Control Scenario 1 (Reference Case)
- 2.
- Control Scenario 2 (Constant Air Setpoint Temperature)
- 3.
- Control Scenario 3 (Variable Air Setpoint Temperature)
4.2.2. State of Charge (SOC) of the Slab
4.2.3. Thermal Load Flexibility in Archetype Zones with Hydronic Radiant System
4.3. Building Level Energy Flexibility
5. Conclusions
Author Contributions
Funding
Institutional Review Board Statement
Informed Consent Statement
Data Availability Statement
Acknowledgments
Conflicts of Interest
Abbreviations
| BAS | Building automation system |
| BEFI | Building energy flexibility index (W) |
| BTES | Borehole thermal energy storage |
| C | Thermal capacitance (J/K) |
| COP | Coefficient of performance |
| CV-RMSE | Coefficient of variance of the root mean square error |
| DSM | Demand-side management |
| Dt | Time (seconds/hours) |
| EUI | Energy use intensity (kWh/m2/year) |
| HVAC | Heating, ventilation, and air conditioning |
| KPI | Key performance indicator |
| NZEB | Net zero energy building |
| P | Electric power (W) |
| PV | Photovoltaic |
| QSG | Solar gain (W) |
| QIG | Internal heat gain (W) |
| Qaux | Heating power (W) |
| R | Thermal resistance (K/W) |
| RES | Renewable energy sources |
| RC | Resistance–capacitance |
| SOC | State of charge |
| T | Temperature (°C) |
| To | Outdoor temperature (°C) |
| TSP | Setpoint temperature (°C) |
| Subscripts | |
| Flex | Flexible case |
| Ref | Reference case |
| SP | Setpoint |
References
- Davito, B.; Tai, H.; Uhlaner, R. The smart grid and the promise of demand-side management. McKinsey Smart Grid 2010, 3, 8–44. [Google Scholar]
- Foteinaki, K.; Li, R.; Heller, A.; Rode, C. Heating system energy flexibility of low-energy residential buildings. Energy Build. 2018, 180, 95–108. [Google Scholar] [CrossRef]
- Weiß, T.; Fulterer, A.M.; Knotzer, A. Energy flexibility of domestic thermal loads—A building typology approach of the residential building stock in Austria. Adv. Build. Energy Res. 2019, 13, 122–137. [Google Scholar] [CrossRef]
- Afram, A.; Janabi-Sharifi, F. Theory and applications of HVAC control systems–A review of model predictive control (MPC). Build. Environ. 2014, 72, 343–355. [Google Scholar] [CrossRef]
- Jensen, S.Ø.; Marszal-Pomianowska, A.; Lollini, R.; Pasut, W.; Knotzer, A.; Engelmann, P.; Stafford, A.; Reynders, G. IEA EBC annex 67 energy flexible buildings. Energy Build. 2017, 155, 25–34. [Google Scholar] [CrossRef] [Green Version]
- Torres Ruilova, B. Evaluation of Energy Flexibility of Buildings Using Structural Thermal Mass. Master’s Thesis, Universitat de Barcelona, Barcelona, Spain, 2017. [Google Scholar]
- Ilic, D.; Da Silva, P.G.; Karnouskos, S.; Griesemer, M. An energy market for trading electricity in smart grid neighbourhoods. In Proceedings of the 2012 6th IEEE International Conference on Digital Ecosystems and Technologies (DEST), Campione d’Italia, Italy, 18–20 June 2012; pp. 1–6. [Google Scholar]
- Lopes, R.A.; Chambel, A.; Neves, J.; Aelenei, D.; Martins, J. A literature review of methodologies used to assess the energy flexibility of buildings. Energy Procedia 2016, 91, 1053–1058. [Google Scholar] [CrossRef] [Green Version]
- Reynders, G. Quantifying the Impact of Building Design on the Potential of Structural Storage for Active Demand Response in Residential Buildings. Ph.D. Thesis, KU Leuven, Heverlee, Belgium, 2015. [Google Scholar]
- Afroz, Z.; Shafiullah, G.; Urmee, T.; Higgins, G. Modeling techniques used in building HVAC control systems: A review. Renew. Sustain. Energy Rev. 2018, 83, 64–84. [Google Scholar] [CrossRef]
- Tabares-Velasco, P.; Christensen, C.; Bianchi, M. Simulated peak reduction and energy savings of residential building envelope with phase change materials. ASHRAE Trans. 2012, 118, 90–97. [Google Scholar]
- Morovat, N.; Athienitis, A.K.; Candanedo, J.A.; Dermardiros, V. Simulation and performance analysis of an active PCM-heat exchanger intended for building operation optimization. Energy Build. 2019, 199, 47–61. [Google Scholar] [CrossRef]
- Klein, K.; Herkel, S.; Henning, H.-M.; Felsmann, C. Load shifting using the heating and cooling system of an office building: Quantitative potential evaluation for different flexibility and storage options. Appl. Energy 2017, 203, 917–937. [Google Scholar] [CrossRef]
- Finck, C.; Li, R.; Zeiler, W. Optimal control of demand flexibility under real-time pricing for heating systems in buildings: A real-life demonstration. Appl. Energy 2020, 263, 114671. [Google Scholar] [CrossRef]
- Junker, R.G.; Azar, A.G.; Lopes, R.A.; Lindberg, K.B.; Reynders, G.; Relan, R.; Madsen, H. Characterizing the energy flexibility of buildings and districts. Appl. Energy 2018, 225, 175–182. [Google Scholar] [CrossRef]
- De Coninck, R.; Helsen, L. Quantification of flexibility in buildings by cost curves–Methodology and application. Appl. Energy 2016, 162, 653–665. [Google Scholar] [CrossRef]
- Tumminia, G.; Sergi, F.; Aloisio, D.; Longo, S.; Cusenza, M.A.; Guarino, F.; Cellura, S.; Ferraro, M. Towards an integrated design of renewable electricity generation and storage systems for NZEB use: A parametric analysis. J. Build. Eng. 2021, 44, 103288. [Google Scholar] [CrossRef]
- Ashrae, A.S. Standard 90.1-2016; Energy Standard for Buildings Except Low Rise Residential Buildings. American Society of Heating, Refrigerating and Air-Conditioning Engineers, Inc.: Atlanta, GA, USA, 2016.
- Distribution., H.-Q. État D’Avancement 2012 du Plan D’Approvisionnement 2011–2020. 2012. Available online: http://www.regie-energie.qc.ca/audiences/TermElecDistrPlansAppro_Suivis.html (accessed on 12 January 2022).
- Hydro-Québec, A.r. Voir Grand Avec Notre Énergie Propre. 2019. Available online: http://www.hydroquebec.com/data/documents-donnees/pdf/rapport-annuel.pdf (accessed on 25 August 2021).
- Statistic Canada. Elementary–Secondary Education Survey for Canada, the Provinces and Territories. 2017. Available online: https://www150.statcan.gc.ca/n1/dailyquotidien/171103/dq171103c-eng.htm (accessed on 6 November 2020).
- Issa, M.H.; Attalla, M.; Rankin, J.H.; Christian, A.J. Energy consumption in conventional, energy-retrofitted and green LEED Toronto schools. Constr. Manag. Econ. 2011, 29, 383–395. [Google Scholar] [CrossRef]
- Ouf, M.; Issa, M.; Merkel, P. Analysis of real-time electricity consumption in Canadian school buildings. Energy Build. 2016, 128, 530–539. [Google Scholar] [CrossRef]
- O’Connell, S.; Reynders, G.; Seri, F.; Keane, M. Validation of a Flexibility Assessment Methodology for Demand Response in Buildings. In IOP Conference Series: Earth and Environmental Science; IOP Publishing: Bristol, UK, 2019; p. 012014. [Google Scholar]
- Gouda, M.; Danaher, S.; Underwood, C. Building thermal model reduction using nonlinear constrained optimization. Build. Environ. 2002, 37, 1255–1265. [Google Scholar] [CrossRef]
- Candanedo, J.A.; Dehkordi, V.R.; Lopez, P. A control-oriented simplified building modelling strategy. In Proceedings of the 13th Conference of International Building Performance Simulation Association, Chambéry, France, 26–28 August 2013. [Google Scholar]
- Bacher, P.; Madsen, H. Identifying suitable models for the heat dynamics of buildings. Energy Build. 2011, 43, 1511–1522. [Google Scholar] [CrossRef] [Green Version]
- Reynders, G.; Diriken, J.; Saelens, D. Quality of grey-box models and identified parameters as function of the accuracy of input and observation signals. Energy Build. 2014, 82, 263–274. [Google Scholar] [CrossRef]
- Athienitis, A.; Santamouris, M. Thermal Analysis and Design of Passive Solar Buildings; Routledge: London, UK, 2002. [Google Scholar]
- Hong, T.; Lee, S.H. Integrating physics-based models with sensor data: An inverse modeling approach. Build. Environ. 2019, 154, 23–31. [Google Scholar] [CrossRef] [Green Version]
- ASHRAE Guideline. Guideline 14-2002, Measurement of Energy and Demand Saving; American Society of Heating, Ventilating, and Air Conditioning Engineers: Atlanta, GA, USA, 2002. [Google Scholar]
- Hydro-Québec. Simulation Énergétique des Bâtiments. Available online: https://www.simeb.ca:8443/index_fr.jsp (accessed on 12 October 2021).
- Athienitis, A.K.; Dumont, E.; Morovat, N.; Lavigne, K.; Date, J. Development of a dynamic energy flexibility index for buildings and their interaction with smart grids. In Proceedings of the 2020 Summer Study on Energy Efficiency in Buildings, Virtual, 17–21 August 2020. [Google Scholar]
- Marshall, A. The thermal properties of concrete. Build. Sci. 1972, 7, 167–174. [Google Scholar] [CrossRef]
- Ashrae, I. 2009 ASHRAE Handbook: Fundamentals; American Society of Heating, Refrigeration and Air-Conditioning Engineers: Atlanta, GA, USA, 2009. [Google Scholar]
- ASHRAE 55; Thermal Environmental Conditions for Human Occupancy. American Society of Heating, Refrigeration and Air-Conditioning Engineers: Atlanta, GA, USA, 2017.
- Reynders, G.; Lopes, R.A.; Marszal-Pomianowska, A.; Aelenei, D.; Martins, J.; Saelens, D. Energy flexible buildings: An evaluation of definitions and quantification methodologies applied to thermal storage. Energy Build. 2018, 166, 372–390. [Google Scholar] [CrossRef]
- Gouvernement du Québec. Plan Directeur en Transition, Innovation et Efficacit Energetiques du Quebec 2018–2023; Gouvernement du Québec: Québec City, QC, Canada, 2018. [Google Scholar]




















| Parameter | Description | Parameter | Description |
|---|---|---|---|
| R1, ext | Resistance of Wall | 1 | Envelope node |
| R1,2 | Resistance between wall and air | 2 | Indoor air temperature node |
| R2,3 | Resistance between floor and air | 3 | Floor temperature node |
| R2, ext | Resistance of infiltration | Text | Outdoor temperature |
| C1 | Capacitance of Envelope | QSG | Solar heat gain |
| C2 | Capacitance of effective air | QIG | Internal heat gain |
| C3 | Capacitance of floor | Qaux | Heating power |
| General Information | |
|---|---|
| In operation since | 2017 |
| Site | Sainte-Marthe-sur-le-Lac, Québec, Canada |
| Latitude | 45.5 |
| ASHRAE climate zone | 6 |
| Heating degree days | 4495 |
| Net floor area (m2) | 2596 m2/floor |
| Number of floors | 2 |
| Window type | Double-glazed argon low-e |
| Mechanical | |
| Space heating/cooling | Ground-source water–water HP and local water–air HPs |
| Ventilation system | Balanced mechanical ventilation with DCV, with centralized AHUs with rotary heat recovery. Centralized dedicated outdoor air system (DOAS) modulated based on CO2 |
| Main system, features | Ground-source heat pump (GSHP), energy recovery ventilator (ERV) |
| DHW source | Electricity boiler |
| Electrical | |
| Lighting, typical type, controls | LED-tube luminaires |
| Thermal Zone | Area (m2) | Piping Length (m) |
|---|---|---|
| Office 1 | 64 | 244 |
| Office 2 | 12 | 69 |
| Office 3 | 21 | 91 |
| Office 4 | 27 | 176 |
| Office 5 | 19 | 87 |
| Total | 143 | 667 |
| Parameter | Description | Parameter | Description |
|---|---|---|---|
| 1 | Node of envelope | R1,ext | Resistance of wall, (K/W) |
| 2 | Node of indoor air | R1,2 | Resistance between wall and air node, (K/W) |
| 3 | Node of floor surface | R2,3 | Resistance between floor and air node, (K/W) |
| 4 | Node of pipe | Rinf | Resistance of infiltration, (K/W) |
| 5 | Node of concrete (top) | R3,4 | Resistance between pipe and floor surface, (K/W) |
| Text | Temperature of outdoor, (°C) | R4,5 | Resistance between concrete and pipe, (K/W) |
| Tg | Temperature of ground, (°C) | R6,g | Resistance between ground and concrete, (K/W) |
| QSG | Solar heat gain, (W) | C1 | Capacitance of envelope, (J/K) |
| QIG | Internal heat gain, (W) | C2 | Capacitance of effective Air, (J/K) |
| Qaux | Heating power, (W) | C4 | Capacitance of floor (top), (J/K) |
| QRF | Heating of radiant floor, (W) | C5 | Capacitance of floor (below), (J/K) |
Publisher’s Note: MDPI stays neutral with regard to jurisdictional claims in published maps and institutional affiliations. |
© 2022 by the authors. Licensee MDPI, Basel, Switzerland. This article is an open access article distributed under the terms and conditions of the Creative Commons Attribution (CC BY) license (https://creativecommons.org/licenses/by/4.0/).
Share and Cite
Morovat, N.; Athienitis, A.K.; Candanedo, J.A.; Delcroix, B. Model-Based Control Strategies to Enhance Energy Flexibility in Electrically Heated School Buildings. Buildings 2022, 12, 581. https://doi.org/10.3390/buildings12050581
Morovat N, Athienitis AK, Candanedo JA, Delcroix B. Model-Based Control Strategies to Enhance Energy Flexibility in Electrically Heated School Buildings. Buildings. 2022; 12(5):581. https://doi.org/10.3390/buildings12050581
Chicago/Turabian StyleMorovat, Navid, Andreas K. Athienitis, José Agustín Candanedo, and Benoit Delcroix. 2022. "Model-Based Control Strategies to Enhance Energy Flexibility in Electrically Heated School Buildings" Buildings 12, no. 5: 581. https://doi.org/10.3390/buildings12050581
APA StyleMorovat, N., Athienitis, A. K., Candanedo, J. A., & Delcroix, B. (2022). Model-Based Control Strategies to Enhance Energy Flexibility in Electrically Heated School Buildings. Buildings, 12(5), 581. https://doi.org/10.3390/buildings12050581

