Transfer Matrix Method for Calculating the Transverse Load Distribution of Articulated Slab Bridges
Abstract
1. Introduction
2. Concept of TLD and Basic Assumptions
- (1)
- Ends of slabs are simply supported.
- (2)
- The torsional deformation of the slab end is restrained.
- (3)
- The slab sections have no warping deformation.
- (4)
- The lateral connection between the slabs is replaced by an articulated point in the loading position.
3. TLD Analysis of Articulated Slabs by FM
3.1. Review of Existing Methods
3.2. Procedure of the FM
4. TMM for the TLD Analysis
4.1. Transfer Matrix Derivation
4.2. Transfer Equation Solution
5. Illustrative Example
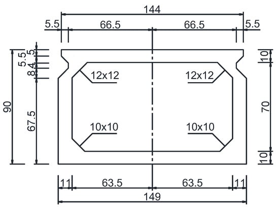
5.1. Overview
5.2. Application of the TMM
5.3. Finite Element Model
5.4. Results and Discussions
5.4.1. The TLD of Slabs in the Midspan and L/8 Span
5.4.2. Variations of TLD along the Span
6. Effects of Parameter Variations on TLD
6.1. Span Length
6.2. Relative Stiffness Coefficient
7. Conclusions
Author Contributions
Funding
Institutional Review Board Statement
Informed Consent Statement
Data Availability Statement
Acknowledgments
Conflicts of Interest
References
- Huckelbridge, A.A.; El-Esnawi, H.; Moses, F. Shear Key Performance in Multibeam Box Girder Bridges. J. Perform. Constr. Facil. 1995, 9, 271–285. [Google Scholar] [CrossRef]
- Barbieri, D.M.; Chen, Y.; Mazzarolo, E.; Briseghella, B.; Tarantino, A.M. Longitudinal Joint Performance of a Concrete Hollow Core Slab Bridge. Transp. Res. Rec. 2018, 2672, 196–206. [Google Scholar] [CrossRef]
- Shi, W.; Shafei, B.; Liu, Z.; Phares, B. Longitudinal box-beam bridge joints under monotonic and cyclic loads. Eng. Struct. 2020, 220, 110976. [Google Scholar] [CrossRef]
- Kong, S.Y.; Zhuang, L.D.; Tao, M.X.; Fan, J.S. Load distribution factor for moment of composite bridges with multi-box girders. Eng. Struct. 2020, 215, 19. [Google Scholar] [CrossRef]
- AASHTO. AASHTO LRFD Bridge Design Specification, 9th ed.; American Association of State Highway and Transportation Officials: Washington, DC, USA, 2020. [Google Scholar]
- Zokaie, T. AASHTO-LRFD Live Load Distribution Specifications. J. Bridge Eng. 2000, 5, 131–138. [Google Scholar] [CrossRef]
- CSA. Canadian Highway Bridge Design Code, CAN/CSA-S6; Canadian Standards Association: Mississauga, ON, Canada, 2019. [Google Scholar]
- European Union. European Standard, Eurocode 1: Actions on Structures—Part 2: Traffic Loads on Bridges; European Union: Brussels, Belgium, 2020. [Google Scholar]
- Semendary, A.A.; Steinberg, E.P.; Walsh, K.K.; Barnard, E. Live-Load Moment-Distribution Factors for an Adjacent Precast Prestressed Concrete Box Beam Bridge with Reinforced UHPC Shear Key Connections. J. Bridge Eng. 2017, 22, 04017088. [Google Scholar] [CrossRef]
- Liu, H.; He, X.; Jiao, Y. Damage Identification Algorithm of Hinged Joints for Simply Supported Slab Bridges Based on Modified Hinge Plate Method and Artificial Bee Colony Algorithms. Algorithms 2018, 11, 198. [Google Scholar] [CrossRef]
- Zhao, Y.; Cao, X.; Zhou, Y.; Wang, G.; Tian, R. Lateral Load Distribution for Hollow Slab Bridge: Field Test Investigation. Int. J. Concr. Struct. Mater. 2020, 22, 8. [Google Scholar] [CrossRef]
- Whelchel, R.T.; Williams, C.S.; Frosch, R.J. Live-load distribution of an adjacent box-beam bridge: Influence of bridge deck. PCI J. 2021, 66, 51–71. [Google Scholar] [CrossRef]
- Ndong, A.K.; Sherif, M.M.; Kassner, B.; Harris, D.K.; Ozbulut, O.E. Potential Improvement in Rating Factors of Concrete T-Beam Bridges through Refined Analysis: Evaluation of Distribution Factors. J. Bridge Eng. 2022, 27, 04022081. [Google Scholar] [CrossRef]
- Aloisio, A.; Rosso, M.M.; Alaggio, R. Experimental and Analytical Investigation into the Effect of Ballasted Track on the Dynamic Response of Railway Bridges under Moving Loads. J. Bridge Eng. 2022, 27, 04022085. [Google Scholar] [CrossRef]
- Fu, C.C.; Pan, Z.; Ahmed, M.S. Transverse Posttensioning Design of Adjacent Precast Solid Multibeam Bridges. J. Perform. Constr. Facil. 2011, 25, 223–230. [Google Scholar] [CrossRef]
- Hussein, H.H.; Sargand, S.M.; Al-Jhayyish, A.K.; Khoury, I. Contribution of Transverse Tie Bars to Load Transfer in Adjacent Prestressed Box-Girder Bridges with Partial Depth Shear Key. J. Perform. Constr. Facil. 2017, 31, 04016100. [Google Scholar] [CrossRef]
- Labib, S.N.; El-Gendy, M.G.; El-Salakawy, E.F. Adjacent Concrete Box Girders Transversely Post-Tensioned at Top Flanges Only: Experimental Investigation. J. Bridge Eng. 2021, 26, 04021017. [Google Scholar] [CrossRef]
- Rui, X.; Wang, G.; Lu, Y.; Yun, L. Transfer matrix method for linear multibody system. Multibody Syst. Dyn. 2008, 19, 179–207. [Google Scholar] [CrossRef]
- Stephen, N.G. Repetitive beam-like structures: Distributed loading and intermediate support. Int. J. Solids Struct. 2009, 46, 3664–3668. [Google Scholar] [CrossRef][Green Version]
- Stephen, N.G. On the Riccati transfer matrix method for repetitive structures. Mech. Res. Commun. 2010, 37, 663–665. [Google Scholar] [CrossRef]
- Tan, G.J.; Wang, W.S.; Jiao, Y.B. Free vibration analysis of a cracked simply supported bridge considering bridge-vehicle interaction. J. Vibroeng. 2016, 18, 3608–3635. [Google Scholar] [CrossRef]
- Kang, H.J.; Xie, W.D.; Guo, T.D. Modeling and parametric analysis of arch bridge with transfer matrix method. Appl. Math. Model. 2016, 40, 10578–10595. [Google Scholar] [CrossRef]
- Su, X.Y.; Kang, H.; Guo, T.D.; Cong, Y.Y. Modeling and Parametric Analysis of In-Plane Free Vibration of a Floating Cable-Stayed Bridge with Transfer Matrix Method. Int. J. Struct. Stab. Dyn. 2020, 20, 2050004. [Google Scholar] [CrossRef]
- Mensah, S.A.; Durham, S.A. Live Load Distribution Factors in Two-Girder Bridge Systems Using Precast Trapezoidal U-Girders. J. Bridge Eng. 2014, 19, 281–288. [Google Scholar] [CrossRef]
- Hołowaty, J. Live Load Distribution for Assessment of Highway Bridges in American and European Codes. Struct. Eng. Int. 2012, 22, 574–578. [Google Scholar] [CrossRef]
- Cheung, M.S.; Bakht, B.; Jaeger, L.G. Analysis of box-girder bridges by grillage and orthotropic plate methods. Can. J. Civ. Eng. 1982, 9, 595–601. [Google Scholar] [CrossRef]
- Li, G.; Shi, D. Calculation of Load Transverse Distribution for Highway Bridges; China Communications Press: Beijing, China, 1987. [Google Scholar]
- Wang, W.; Zhang, C.; Wan, S. Study on transverse load distribution of hinged hollow beam. IOP Conf. Ser. Mater. Sci. Eng. 2017, 269, 012052. [Google Scholar] [CrossRef]
- Harris, D.K. Assessment of flexural lateral load distribution methodologies for stringer bridges. Eng. Struct. 2010, 32, 3443–3451. [Google Scholar] [CrossRef]


















| State Vectors | Z0 | Z1 | Z2 | Z3 | Z4 | Z5 | Z6 | Z7 | Z8 | Z9 | Z10 |
|---|---|---|---|---|---|---|---|---|---|---|---|
| δ (10−5) | 2.22 | 1.97 | 1.52 | 1.18 | 0.92 | 0.73 | 0.59 | 0.48 | 0.42 | 0.38 | 0.36 |
| V | 0 | 0.78 | 0.60 | 0.45 | 0.34 | 0.25 | 0.19 | 0.13 | 0.08 | 0.04 | 0 |
| 1 | 1 | 1 | 1 | 1 | 1 | 1 | 1 | 1 | 1 | 1 | 1 |
| Slab No. | 1 | 2 | 3 | 4 | 5 | 6 | 7 | 8 | 9 | 10 |
|---|---|---|---|---|---|---|---|---|---|---|
| Load | 0.221 | 0.184 | 0.142 | 0.111 | 0.087 | 0.069 | 0.057 | 0.048 | 0.042 | 0.039 |
| Torque | 0.164 | 0.137 | 0.106 | 0.083 | 0.065 | 0.052 | 0.042 | 0.035 | 0.031 | 0.029 |
Publisher’s Note: MDPI stays neutral with regard to jurisdictional claims in published maps and institutional affiliations. |
© 2022 by the authors. Licensee MDPI, Basel, Switzerland. This article is an open access article distributed under the terms and conditions of the Creative Commons Attribution (CC BY) license (https://creativecommons.org/licenses/by/4.0/).
Share and Cite
Guo, K.; Liu, Z.; Bairán, J.-M. Transfer Matrix Method for Calculating the Transverse Load Distribution of Articulated Slab Bridges. Buildings 2022, 12, 1610. https://doi.org/10.3390/buildings12101610
Guo K, Liu Z, Bairán J-M. Transfer Matrix Method for Calculating the Transverse Load Distribution of Articulated Slab Bridges. Buildings. 2022; 12(10):1610. https://doi.org/10.3390/buildings12101610
Chicago/Turabian StyleGuo, Kaiqiang, Zhao Liu, and Jesús-Miguel Bairán. 2022. "Transfer Matrix Method for Calculating the Transverse Load Distribution of Articulated Slab Bridges" Buildings 12, no. 10: 1610. https://doi.org/10.3390/buildings12101610
APA StyleGuo, K., Liu, Z., & Bairán, J.-M. (2022). Transfer Matrix Method for Calculating the Transverse Load Distribution of Articulated Slab Bridges. Buildings, 12(10), 1610. https://doi.org/10.3390/buildings12101610

