Mitigation of Tsunami Debris Impact on Reinforced Concrete Buildings by Fender Structures
Abstract
:1. Introduction
2. Building Models and Loads
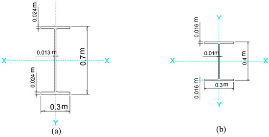
2.1. Details of Building
2.2. Nonlinear Properties of RC Members
2.3. Model of Buildings with a Fender Structure
2.4. Loads on Structure
- (1)
- Buoyant force
- (2)
- Hydrodynamic force
- (3)
- Debris impact force
- (4)
- Load combinations
3. Analysis
3.1. Analytical Cases
3.2. Response of the Building without a Fender Structure (Cases Ia and Ib)
3.3. Response of the Building with the Fender Structure (Cases IIa and IIb)
4. Design Recommendations for Buildings with a Fender Structure
4.1. Concept
- = displacement of the building without a fender structure due to hydrodynamic force;
- = displacement of the building with a fender structure due to hydrodynamic force;
- = displacement of the building due to debris after applying hydrodynamic force;
- = displacement of the fender due to hydrodynamic force;
- = displacement of the fender at the fender yielding state;
- = displacement of the fender at the fender ultimate state;
- = hydrodynamic force on the fender structure;
- = hydrodynamic force on the building;
- = fender yielding force;
- Eb = energy absorption of the building;
- Ef = energy absorption of the fender;
- = energy absorption of the fender due to debris after applying hydrodynamic force;
- = energy absorption of the building without a fender structure due to debris after applying hydrodynamic force;
- = energy absorption of the building with a fender structure due to debris after applying hydrodynamic force;
- = total remaining energy absorption of the building with a fender structure due to debris after applying hydrodynamic force;
- kb = initial stiffness of the building.
4.2. Sample Application of the Proposed Method
5. Conclusions
- The target building was designed on the basis of tsunami forces without debris impact. The analysis showed that the building without a fender could not resist the impact by a loaded shipping container. Therefore, a fender structure was necessary for the target building.
- The hydrodynamic force on the building with a fender structure was larger than that on the building without a fender structure because the hydrodynamic force on the fender structure was transferred to the main building through the fender. The fender utilized about 30% of its load capacity due to the hydrodynamic force. According to this observation, the design of the building should also consider the hydrodynamic force transferred from the fender structure.
- In the comparison of the performance of the building with and without fender structures, the building with a fender structure demonstrated limited damage, and the maximum energy was 1800 kN − m, which was able to resist the maximum impact of the shipping container (1190 kN − m). Conversely, the building without a fender structure exhibited severe damage and could not sustain the maximum impact of the shipping container.
- This study proposed design recommendations for the building with a fender structure. The capacity curve of the building without a fender structure is to be determined first. Then, the kinetic energy of the debris impact is compared with the computed remaining energy absorption of the fender and the building, without the need to perform a nonlinear static analysis of the buildings with a fender structure.
Author Contributions
Funding
Acknowledgments
Conflicts of Interest
References
- Lukkunaprasit, P.; Ruangrassamee, A. Building damage in Thailand in the 2004 Indian Ocean tsunami and clues for tsunami-resistant design. IES J. Part A Civ. Struct. Eng. 2007, 1, 17–30. [Google Scholar] [CrossRef]
- Triatmadja, R.; Nurhasanah, A. Tsunami force on buildings with openings and protection. J. Earthq. Tsunami 2012, 6, 1250024. [Google Scholar] [CrossRef] [Green Version]
- Yeh, H.; Sato, S.; Tajima, Y. The 11 March 2011 East Japan Earthquake and Tsunami: Tsunami Effects on Coastal Infrastructure and Buildings. Pure Appl. Geophys. 2012, 170, 1019–1031. [Google Scholar] [CrossRef]
- Naito, C.; Cercone, C.; Riggs, H.R.; Cox, D. Procedure for Site Assessment of the Potential for Tsunami Debris Impact. J. Waterw. Port Coast. Ocean Eng. 2014, 140, 223–232. [Google Scholar] [CrossRef]
- American Society of Civil Engineers. Minimum Design Loads and Associated Criteria for Buildings and Other Structures; ASCE7-16; ASCE: Reston, VA, USA, 2016. [Google Scholar]
- CCH. The City and Country of Honolulu Building Code; Department of Planning and Permitting of Honolulu: Honolulu, HI, USA, 2000.
- FEMA. Coastal Construction Manual: Principles and Practices of Planning, Siting, Designing, Constructing, and Maintaining Residential Buildings in Coastal Areas; FEMA P-55; Federal Emergency Management Agency: Washington, DC, USA, 2011; Volume 2.
- FEMA. Guidelines for Design of Structures for Vertical Evacuation from Tsunamis; FEMA P-646; Federal Emergency Management Agency: Washington, DC, USA, 2012.
- Chinnarasri, C.; Thanasisathit, N.; Ruangrassamee, A.; Weesakul, S.; Lukkunaprasit, P. The impact of tsunami-induced bores on buildings. Proc. Inst. Civ. Eng. Marit. Eng. 2013, 166, 14–24. [Google Scholar] [CrossRef]
- Nouri, Y.; Nistor, I.; Palermo, D.; Cornett, A. Experimental Investigation of Tsunami Impact on Free Standing Structures. Coast. Eng. J. 2010, 52, 43–70. [Google Scholar] [CrossRef]
- Arnason, H.; Petroff, C.; Yeh, H. Tsunami Bore Impingement onto a Vertical Column. J. Disaster Res. 2009, 4, 391–403. [Google Scholar] [CrossRef]
- Shafiei, S.; Melville, B.; Shamseldin, A. Experimental investigation of tsunami bore impact force and pressure on a square prism. Coast. Eng. 2016, 110, 1–16. [Google Scholar] [CrossRef]
- Wüthrich, D.; Pfister, M.; Nistor, I.; Schleiss, A.J. Experimental Study of Tsunami-Like Waves Generated with a Vertical Release Technique on Dry and Wet Beds. J. Waterw. Port Coast. Ocean Eng. 2018, 144, 04018006. [Google Scholar] [CrossRef]
- Robertson, I.N.; Paczkowski, K.; Riggs, H.R.; Mohamed, A. Tsunami Bore Forces on Walls. In Proceedings of the ASME 2011 30th International Conference on Ocean, Offshore and Arctic Engineering, Rotterdam, The Netherlands, 19–24 June 2011; pp. 395–403. [Google Scholar]
- Lukkunaprasit, P.; Ruangrassamee, A.; Thanasisathit, N. Tsunami loading on buildings with openings. Sci. Tsunami Hazards 2009, 28, 303–310. [Google Scholar]
- Hasumi, K.; Ito, K.; Oda, Y.; Honda, T.; Obi, H. A study on fender piles installed around a tsunami evacuation building. In Proceedings of the 25th International Ocean and Polar Engineering Conference, Kona, HI, USA, 21–26 June 2015; pp. 838–845. [Google Scholar]
- Pimanmas, A.; Joyklad, P.; Warnitchai, P. Structural design guideline for tsunami evacuation shelter. J. Earthq. Tsunami 2010, 4, 269–284. [Google Scholar] [CrossRef]
- BS6349-4; Maritime Structures. Code of Practice for Design of Fendering and Mooring Systems; British Standards Institution: London, UK, 1994.
- Hanggara, D.; Wijeyewickrema, A.C. Vulnerability assessment of reinforced concrete buildings in Indonesia subjected to tsunami inundation forces. Int. J. Disaster Resil. Built Environ. 2019, 11, 204–218. [Google Scholar] [CrossRef]
- Macabuag, J.; Lloyd, T.; Rossetto, T. Towards the development of a method for generating analytical tsunami fragility functions. In Proceedings of the 2nd European Conference on Earthquake Engineering and Seismology, Istanbul, Turkey, 25–29 August 2014; pp. 25–29. [Google Scholar]
- Petrone, C.; Rossetto, T.; Goda, K. Fragility assessment of a RC structure under tsunami actions via nonlinear static and dynamic analyses. Eng. Struct. 2017, 136, 36–53. [Google Scholar] [CrossRef] [Green Version]
- Rossetto, T.; De la Barra, C.; Petrone, C.; De la Llera, J.C.; Vásquez, J.; Baiguera, M. Comparative assessment of nonlinear static and dynamic methods for analysing building response under sequential earthquake and tsunami. Earthq. Eng. Struct. Dyn. 2019, 48, 867–887. [Google Scholar] [CrossRef]
- ACI Committee. Building Code Requirements for Structural Concrete; ACI318-14; ACI Committee: Farmington Hills, MI, USA, 2014. [Google Scholar]
- American Society of Civil Engineers. Seismic Evaluation and Retrofit of Existing Buildings; ASCE/SEI41-17; ASCE: Reston, VA, USA, 2017. [Google Scholar]
- Mander, J.B.; Priestley, M.J.; Park, R. Theoretical Stress-Strain Model for Confined Concrete. J. Struct. Eng. 1988, 114, 1804–1826. [Google Scholar] [CrossRef] [Green Version]
- Sezen, H.; Moehle, J.P. Shear Strength Model for Lightly Reinforced Concrete Columns. J. Struct. Eng. 2004, 130, 1692–1703. [Google Scholar] [CrossRef]
- Aliasghar-Mamaghani, M.; Khaloo, A. Seismic behavior of concrete moment frame reinforced with GFRP bars. Compos. Part B Eng. 2019, 163, 324–338. [Google Scholar] [CrossRef]
- Bae, S.; Bayrak, O. Plastic hinge length of reinforced concrete columns. ACI Struct. J. 2009, 106, 233–237. [Google Scholar]
- Mortezaei, A.; Ronagh, H.R. Plastic hinge length of reinforced concrete columns subjected to both far-fault and near-fault ground motions having forward directivity. Struct. Des. Tall Spéc. Build. 2013, 22, 903–926. [Google Scholar] [CrossRef]
- Priestley, M.J.N.; Park, R. Strength and ductility of concrete bridge columns under seismic loading. ACI Struct. J. 1987, 84, 61–76. [Google Scholar]
- Ren, L.; Fang, B.; Wang, K.; Yuan, F. Numerical Investigation on Plastic Hinge Length of Ultra-High Performance Concrete Column under Cyclic Load. J. Earthq. Eng. 2020, 1–19. [Google Scholar] [CrossRef]
- Caltrans. Seismic Design Criteria; Version 2.0; California Department of Transportation: Sacramento, CA, USA, 2019. [Google Scholar]
- Berry, M.P.; Lehman, D.E.; Lowes, L.N. Appendix: 105-S26 Lumped-Plasticity Models for Performance Simulation of Bridge Columns. ACI Struct. J. 2008, 105, 270–279. [Google Scholar] [CrossRef]
- CSI. CSI Analysis Reference Manual; SAP2000; Computers and Structures, Inc.: Berkeley, CA, USA, 2017. [Google Scholar]
- PIANC. Guidelines for the Design of Fenders Systems; International Navigation Association: Brussels, Belgium, 2002. [Google Scholar]























| Component | Structural Properties | |
|---|---|---|
| Columns | Cross-section (mm) | 850 mm diameter |
| Deformed bar size (mm) | 28 mm | |
| Transverse bar size (mm) | 16 mm | |
| Nos of longitudinal bar | 28 | |
| Rebar percentage | 3.06% | |
| Stirrup spacing | 100 mm | |
| PMM interaction ratio | 0.859 | |
| Beams | Cross-section (mm) | 400 × 600 mm |
| Deformed bar size (mm) | 25 mm | |
| Transverse bar size (mm) | 12 mm | |
| Nos of longitudinal bar | 8 | |
| Rebar percentage | 1.64% | |
| Stirrup spacing | 280 mm | |
| PMM interaction ratio | 0.744 | |
| Slab | Thickness (mm) | 200 mm |
| Parameters | Values |
|---|---|
| Fender reaction | Based on LS state of the building (to be varied) |
| Fender deformation at yielding | 33% of fender length |
| Fender deformation at ultimate point | 72% of fender length |
| Parameters | Values |
|---|---|
| Design inundation depth, h | 9 m |
| Velocity coefficient, α | 1.25 |
| Acceleration due to gravity, g | 9.81 m/s2 |
| Flow velocity, u | 11.75 m/s |
| Drag coefficient, Cd (ASCE 7-16) | 1.2 (for circular element) 2 (for rectangular element) |
| Minimum fluid density for tsunami load, ρ | 1128 kg/m3 |
| Mass of 20 ft standard shipping container (ASCE 7-16, FEMAP 646) | 2270 kg (empty) 13,150 kg (loaded) |
| Mass of 40 ft standard shipping container (ASCE 7-16, FEMAP 646) | 3810 kg (empty) 17,240 kg (loaded) |
| Case | Actual Fender Properties | Idealized Fender Properties | |||
|---|---|---|---|---|---|
| Fender Length, Lf (m) | Stiffness (kN/m) | Maximum Reaction (kN) | Idealized Stiffness (kN/m) | Idealized Yield Force (kN) | |
| F1 | 1.6 | 3796 | 2012 | 3700 | 2000 |
| F2 | 1.8 | 3735 | 2204 | 3700 | 2200 |
| F3 | 2 | 3589 | 2369 | 3700 | 2400 |
Publisher’s Note: MDPI stays neutral with regard to jurisdictional claims in published maps and institutional affiliations. |
© 2022 by the authors. Licensee MDPI, Basel, Switzerland. This article is an open access article distributed under the terms and conditions of the Creative Commons Attribution (CC BY) license (https://creativecommons.org/licenses/by/4.0/).
Share and Cite
Tun, Z.Z.; Ruangrassamee, A.; Hussain, Q. Mitigation of Tsunami Debris Impact on Reinforced Concrete Buildings by Fender Structures. Buildings 2022, 12, 66. https://doi.org/10.3390/buildings12010066
Tun ZZ, Ruangrassamee A, Hussain Q. Mitigation of Tsunami Debris Impact on Reinforced Concrete Buildings by Fender Structures. Buildings. 2022; 12(1):66. https://doi.org/10.3390/buildings12010066
Chicago/Turabian StyleTun, Zin Zin, Anat Ruangrassamee, and Qudeer Hussain. 2022. "Mitigation of Tsunami Debris Impact on Reinforced Concrete Buildings by Fender Structures" Buildings 12, no. 1: 66. https://doi.org/10.3390/buildings12010066
APA StyleTun, Z. Z., Ruangrassamee, A., & Hussain, Q. (2022). Mitigation of Tsunami Debris Impact on Reinforced Concrete Buildings by Fender Structures. Buildings, 12(1), 66. https://doi.org/10.3390/buildings12010066
