Evaluation of Volume Fraction of Austenite in Austempering Process of Austempered Ductile Iron
Abstract
1. Introduction
2. Materials and Methods
3. Results
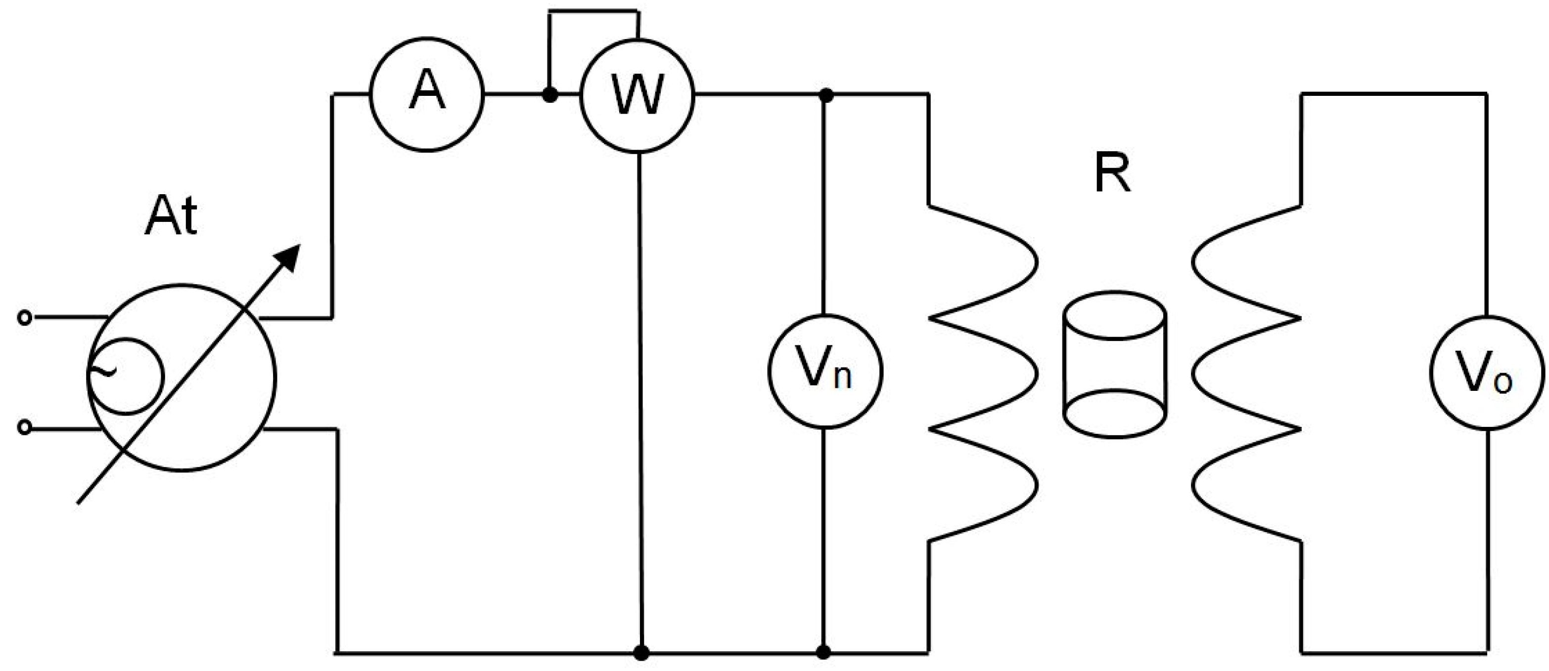
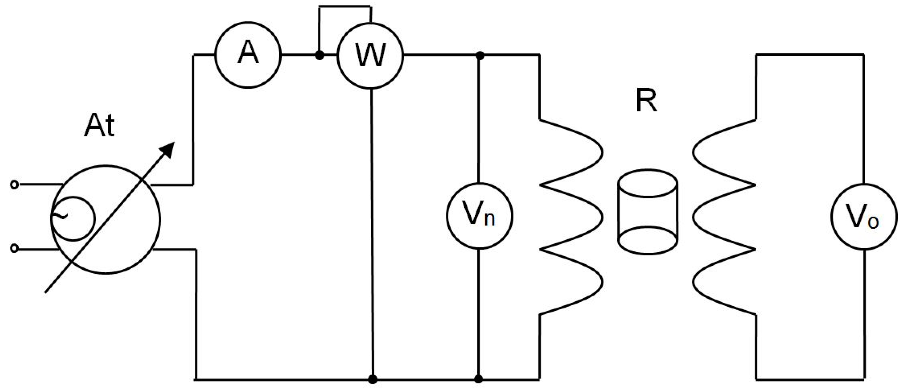
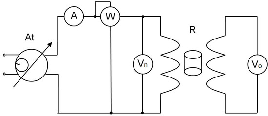
- Un—voltage in the transmitting coil [mV],
- Uo—voltage in the receiving coil [mV],
- a—apparatus constant (a = 2.280),
- ks—magnetic scatter.
- kA = kG = 0.775—magnetic scattering coefficient of austenite and graphite,
- kF = kM = 0.120—magnetic scattering coefficient for ferrite and martensite,
- VG—graphite volume fraction determined by metallographic methods in %,
- VA—volume fraction of austenite in %.
4. Discussion
5. Conclusions
- -
- The volume fraction of austenite in ADI can be unambiguously determined in the second stage of the austempering transformation;
- -
- The estimation of the volume fraction of austenite during the first stage of the austempering transformation is hampered by an error arising from the different magnetic scattering factors related to the ferrite and martensite phases. During the third stage of the transformation, the volume fraction of the austenite is overestimated due to the presence of carbide phases.
Author Contributions
Funding
Conflicts of Interest
References
- Nelson, E. Why ADI? Four applications where ADI is the material of choice and process considerations. In Proceedings of the Ductile Iron Society 2016 World Conference on ADI, Atlanta, GA, USA, 27–28 October 2016; pp. 1–6. [Google Scholar]
- Bamberger, M. Encyclopedia of Iron, Steel, Their Alloy, 5th ed.; Taylor and Francis: New York, NY, USA, 2016; pp. 196–216. [Google Scholar]
- Tanaka, Y.; Kage, H. Development and Application of Austempered Spheroidal Graphite Cast Iron. Mater. Trans. JIM 1992, 33, 543–557. [Google Scholar] [CrossRef]
- Donnini, R.; Fabrizi, A.; Bonollo, F.; Zanardi, F.; Angella, G. Assessment of the microstructure evolution of an austempered ductile iron during austempering process through strain hardening analysis. Met. Mater. Int. 2017, 23, 855–864. [Google Scholar] [CrossRef]
- Fras, E.; Górny, M.; Tyrała, E.; Lopez, H. Effect of nodule count on austenitising and austempering kinetics of ductile iron castings and mechanical properties of thin walled iron castings. Mater. Sci. Technol. 2012, 28, 1391–1396. [Google Scholar] [CrossRef]
- Górny, M.; Tyrała, E.; López, H. Effect of Copper and Nickel on the Transformation Kinetics of Austempered Ductile Iron. J. Mater. Eng. Perform. 2014, 23, 3505–3510. [Google Scholar] [CrossRef]
- Cekic, O.E.; Sidjanin, L.; Rajnovic, D.; Balos, S. Austempering kinetics of Cu-Ni alloyed austempered Ductile Iron. Met. Mater. Int. 2014, 20, 1131–1138. [Google Scholar] [CrossRef]
- Arab, N. Investigation to production machinable austempered ductile iron (MADI). J. Am. Sci. 2011, 7, 49–52. [Google Scholar]
- Boccardo, A.; Dardati, M.; Celentano, D.J.; Godoy, L.A.; Górny, M.; Tyrała, E. Numerical Simulation of Austempering Heat Treatment of a Ductile Cast Iron. Metall. Mater. Trans. B 2016, 47, 566–575. [Google Scholar] [CrossRef]
- Bosnjak, B.; Radulović, B.; Pop-Tonev, K.; Asanovic, V. Influence of Microalloying and Heat Treatment on the Kinetics of Bainitic Reaction in Austempered Ductile Iron. J. Mater. Eng. Perform. 2001, 10, 203–211. [Google Scholar] [CrossRef]
- Darwish, N.; Elliott, R. Austempering of low manganese ductile irons. Part 1 Processing window. Mater. Sci. Technol. 1993, 9, 572–585. [Google Scholar] [CrossRef]
- Darwish, N.; Elliott, R. Austempering of low manganese ductile irons. Part 2 Influence of austenitising temperature. Mater. Sci. Technol. 1993, 9, 586–602. [Google Scholar] [CrossRef]
- Darwish, N.; Elliott, R. Austempering of low manganese ductile irons Part 3 Variation of mechanical properties with heat treatment conditions. Mater. Sci. Technol. 1993, 9, 882–889. [Google Scholar] [CrossRef]
- Mallia, J.; Grech, M. Effect of silicon content on impact properties of austempered ductile iron. Mater. Sci. Technol. 1997, 13, 408–414. [Google Scholar] [CrossRef]
- Keough, J.R.; Hayrynen, K.L. Wear Properties of Austempered Ductile Irons. AFS Trans. 2005, 113, 803–812. [Google Scholar]
- Biswas, S.; Monroe, C.; Prucha, T. Use of Published Experimental Results to Validate Approaches to Gray and Ductile Iron Mechanical Properties Prediction. Int. J. Met. 2017, 11, 656–674. [Google Scholar] [CrossRef]
- Zanardi, F. Fatigue properties and machinability of ADI. Metall. Ital. 2005, 10, 27–32. [Google Scholar]
- Druschitz, A.P.; Fitzgerald, D.C. MADITM: Introducing a New, Machinable, Austempered Ductile Iron; SAE Technical Paper Series 0831; SAE International: Warrendale, PA, USA, 2003; pp. 1–9. [Google Scholar]
- Keough, J.R.; Hayrynen, K.L.; Pioszak, G.L. Designing with austempered ductile iron (ADI). AFS Trans. 2010, 10, 1–15. [Google Scholar]
- Boccardo, A.D.; Dardati, P.M.; Godoy, L.A.; Celentano, D.J. Sensitivity of Austempering Heat Treatment of Ductile Irons to Changes in Process Parameters. Met. Mater. Trans. A 2018, 49, 1522–1536. [Google Scholar] [CrossRef]
- Kapturkiewicz, W.; Fraś, E.; Burbelko, A.; Burbelko, A. Computer simulation of the austenitizing process in cast iron with pearlitic matrix. Mater. Sci. Eng. A 2005, 413, 352–357. [Google Scholar] [CrossRef]
- Nili-Ahmadabadi, M.; Shirazi, H. Austempered Ductile Cast Iron: Bainitic Transformation. In Encyclopedia of Iron, Steel, and Their Alloys; CRC Press: Boca Raton, FL, USA, 2015; pp. 217–230. [Google Scholar]
- Tyrała, E. Phase Composition Using a Variable Magnetic Field. ISIJ Int. 2014, 54, 700–703. [Google Scholar] [CrossRef][Green Version]








| Sample No. | Heat Treatment | |
|---|---|---|
| I | The initial state (as cast condition) | |
| II | Ferritizing annealing, 740 °C/180 min | |
| III | Austenitization, 880 °C/120 min | Austempering, 380 °C/2 min |
| IV | Austempering, 380 °C/5 min | |
| V | Austempering, 380 °C/10 min | |
| VI | Austempering, 380 °C/20 min | |
| VII | Austempering, 380 °C/30 min | |
| VIII | Austempering, 380 °C/40 min | |
| IX | Austempering, 380 °C/60 min | |
| X | Austempering, 380 °C/80 min | |
| XI | Austempering, 380 °C/120 min | |
| XII | Austempering, 380 °C/180 min | |
| XII | Austempering, 380 °C/240 min | |
| XIV | Austempering, 380 °C/300 min | |
| Sample No. | Metallographic Method | Magnetic Field Method | XRD Method | Brinell Hardness [HBW] | ||
|---|---|---|---|---|---|---|
| VG [%] | VA [%] | ks | VA [%] | VA [%] | ||
| I | 9.8 | - | 0.236 | - | - | 274.7 |
| II | 11.3 | - | 0.190 | - | - | 148.3 |
| III | 10.0 | NT | 0.308 | 19.2 | NT | 598.0 |
| IV | 9.7 | NT | 0.315 | 20.6 | NT | 535.7 |
| V | 9.6 | NT | 0.329 | 22.8 | NT | 470.0 |
| VI | 9.8 | 30.0 ± 5 | 0.358 | 27.0 | 27.3 ± 3 | 376.7 |
| VII | 9.7 | NT | 0.369 | 28.8 | NT | 336.0 |
| VIII | 9.9 | NT | 0.382 | 30.6 | NT | 314.7 |
| IX | 9.7 | 31.3 ± 5 | 0.386 | 31.4 | 32.5 ± 3 | 300.7 |
| X | 9.7 | NT | 0.383 | 30.9 | NT | 312.0 |
| XI | 9.6 | 30.5 ± 5 | 0.373 | 29.6 | 29.0 ± 3 | 313.0 |
| XII | 9.8 | 28.2 ± 5 | 0.372 | 29.1 | 27.4 ± 3 | 313.3 |
| XII | 9.7 | NT | 0.370 | 28.9 | NT | 314.0 |
| XIV | 9.7 | 26.0 ± 5 | 0.362 | 27.7 | 28.3 ± 3 | 313.3 |
© 2019 by the authors. Licensee MDPI, Basel, Switzerland. This article is an open access article distributed under the terms and conditions of the Creative Commons Attribution (CC BY) license (http://creativecommons.org/licenses/by/4.0/).
Share and Cite
Tyrała, E.; Górny, M.; Kawalec, M.; Muszyńska, A.; Lopez, H.F. Evaluation of Volume Fraction of Austenite in Austempering Process of Austempered Ductile Iron. Metals 2019, 9, 893. https://doi.org/10.3390/met9080893
Tyrała E, Górny M, Kawalec M, Muszyńska A, Lopez HF. Evaluation of Volume Fraction of Austenite in Austempering Process of Austempered Ductile Iron. Metals. 2019; 9(8):893. https://doi.org/10.3390/met9080893
Chicago/Turabian StyleTyrała, Edward, Marcin Górny, Magdalena Kawalec, Anna Muszyńska, and Hugo F. Lopez. 2019. "Evaluation of Volume Fraction of Austenite in Austempering Process of Austempered Ductile Iron" Metals 9, no. 8: 893. https://doi.org/10.3390/met9080893
APA StyleTyrała, E., Górny, M., Kawalec, M., Muszyńska, A., & Lopez, H. F. (2019). Evaluation of Volume Fraction of Austenite in Austempering Process of Austempered Ductile Iron. Metals, 9(8), 893. https://doi.org/10.3390/met9080893

