Abstract
The surrounding rock control is a tough issue in the roadway with the swelling soft rock. The steel set is an important material for the control of swelling soft rock roadways. However, traditional steel sets failed to prevent the expansive pressure of the soft rock. Based on traditional steel sets, this paper developed a new steel set through both theoretical analysis and numerical simulation. The results showed that the new steel set was the set with the roof beam 1000 mm from the top of the set and the floor beam 400 mm from the bottom end of the set. The maximum deformations of the roof-floor and two sides of the ventilation roadway controlled by the best-improved set at the observation point were 147 mm and 108 mm, respectively. So, the best-improved set can effectively control the surrounding rock of the ventilation roadway. This provides an effective method for the surrounding rock control in extremely soft rock roadways.
1. Introduction
The swelling soft rock is mainly composed of strong hydrophilic clay minerals such as montmorillonite, illite, and kaolinite. The rock body undergoes volume expansion deformation when it encounters water and generates enormous swelling stress under restraint conditions [1,2]. After the excavation of the coal mine roadway, the original three-dimensional stable state of the rock body is broken, and the ground stress releases to the free space. The swelling stress generated by the soft rock greatly aggravates the degree of stress released to the free space, which dramatically increases the difficulty of the surrounding rock control.
The factors affecting the soft rock expansion fall into two categories, namely, the internal and the external. The internal factors, which mainly include the composition, natural moisture content, and cementation degree of rock, determine the swelling capacity and the swelling potential. For example, when the proportion of montmorillonite is greater than 7% or the percentage of illite exceeds 20%, the swelling property of the soft rock becomes visible; the more significant the natural moisture content, the smaller the swelling potential is; and the poorer the cementation of the soft rock, the stronger the swelling potential is [3,4,5]. On the other hand, external factors determine the expansion possibility. For instance, the coal mine roadway excavation will decrease the cementation degree of the surrounding rock and raise its swelling potential accordingly, increasing the swelling likelihood of the soft rock.
At present, some scholars have studied the stability of the roadway surrounding rock and the methods of roadway support [6,7,8,9,10]. Among them, the control methods of the roadway surrounding rock include the active support and passive support. The active support improves the self-bearing capacity of the surrounding rock by increasing the strength of the coal and the surrounding rock, which mainly comprises bolt support [11,12,13], bolting with wire mesh [14], grouting reinforcement [15,16], and combined support [17,18]. The author in reference [19] established a coupled support theory for soft rock roadways and developed a new support material. Chen et al. [20] proposed the “whole section double arch synergy reinforcement technology” that combined sprayed concrete, grouting, anchor bolt, and anchor cable. Shen et al. [21] designed a new roadway support with an optimal cable/bolt arrangement, full-length grouting, and high pre-tensioning bolts and cables. Despite the above achievements, the swelling soft rock has a deficient self-bearing capacity due to its hydrophilic expansion property. Thus, the active support does not apply to the roadway with the swelling soft rock.
The passive support is where the supporting structure is utilized to prevent the stress release of the surrounding rock. It mainly includes pipe shed support [22], stone and concrete support [23,24], U-steel support [25], and concrete-filled steel tubular support [26]. Since its supporting structure can resist both the ground stress and the swelling stress, the passive support provides a method for the surrounding rock control in the roadway with the swelling soft rock. The instability mechanisms and passive support methods of the roadway with the swelling soft rock have been studied extensively over the past decades. Li et al. [27] investigated the deformation mechanisms in the Chagannaoer Mine roadway with the swelling soft rock. Meng et al. [28] studied the evolution law of roadway surrounding rock displacements, plastic zone, and stress distribution under different conditions, revealing the roadway surrounding rock burst evolution process and arriving at five types of failure modes in the deep soft rock roadway. Wang et al. [29] proposed a concept of “high-strength, integrity, and pressure-relief” and developed a confined concrete support system. Yang et al. [30] proposed a support technology focusing on cutting off the water, strengthening the small structure of the rock, and transferring the massive structure of the rock. Fang et al. [31] designed a bolt-shotcrete support program and monitored the mechanical property of the shotcrete layer. Sun et al. [32] proposed the equalized yielding support idea that employs yielding rings to realize the pressure equalization on bolts and cables. Zhao et al. [33] defined a damage coefficient concerning modulus attenuation and derived response models of stress and displacement of the surrounding rock in the soft rock roadway.
The steel set is the dominant approach to control the deformation of the soft rock roadway in the passive support. The maximum swelling stress of the swelling soft rocks is often higher than 30 MPa, and therefore, the traditional steel sets cannot withstand the resulting swelling stress. Consequently, improving the bearing capacity of the traditional steel sets is one of the ways to improve the control effect of the surrounding rock in the soft rock roadway. To improve the bearing capacity of the traditional steel sets, this paper originally improved the traditional set structure and develops a new steel set through both theoretical analysis and numerical simulation. The ventilation roadway with the swelling soft rock in the Chagannaoer Mine was taken as an example. The adaptability of the new steel set to control the swelling soft rock roadway was evaluated by the engineering application effect.
2. Description of the Studied Site
The Chagannaoer Mine is located in the Inner Mongolia Autonomous region, China. It is a key area for lignite resources in western China. Most of the strata in the experimental coalfield are the Cretaceous and Jurassic strata. The coal seam has a depth of about 210 m. The burial conditions of the coal seams are quite different from those of eastern China. There is no hard rock formation within its burial range and the rock formation is mainly the soft rock with low strength. The rock is prone to become muddy and swollen when encountered with water. This paper selects the recoverable 2# coal seam in the coalfield as an example. The 2# coal seam represents the second coal seam in the mine field. This coal seam has a thickness between 3.10 and 41.95 m with an average of 22.32 m. The top and bottom of the coal seam are mainly mudstones and sandy mudstone. These types of rock formation are of the very soft rock type without self-supporting ability. Table 1 shows the basic mechanical parameters of the roof floor strata in the 2# coal seam [34].
Table 1.
Basic mechanical parameters of the roof and floor rock formation in the 2# coal seam.
The 2# coal seam has the ventilation roadway with its position shown in Figure 1 [27]. Currently, the roadway adopts the U36 steel set as the passive support, but the effect is not good, resulting in significant deformation of the roof and the sides in the roadway (see Figure 2 [27]).
Figure 1.
Relative position and section of the roadway.
Figure 2.
Destroyed roadway surrounding rock.
To investigate why the aforementioned supporting methods cannot effectively control the surrounding rock of the ventilation roadway, we utilized the stress relief method to perform a ground stress test at two random points and adopted the SCY-1 swelling pressure tester to conduct a swelling stress test on three test blocks (with a diameter of 50 mm and a height of 50 mm). Testing results revealed that the swelling stress of this roadway is 4.2 times the maximum ground stress approximately. In other words, the swelling stress is the primary source for the deformation of the roadway. As stated previously, the surrounding rock of the roadway is very soft and has a deficient self-bearing capacity, the active support is not applicable in this situation, and thus the passive support is a must. Nevertheless, the U-section and I-section steel sets adopted by the current passive support are non-closed and lack the bottom arch structure. As a consequence, the bending rigidity is small and cannot effectively resist the swelling stress of the roadway.
Therefore, this paper seeks to develop a new support method that enhances the bearing capacity of the current passive support. Since the section of the U-steel set is V-shaped, it is not conducive to structural improvement. As such, this paper uses the I-beam (the No. 12 mining I-beam) whose turning section is flat and is more conducive to structural improvement. Specifically, this paper attempts to add beams to the inside of the I-beam support and hopes to improve its bending resistance by improving its bottom arch structure.
3. Materials and Methods
3.1. Materials
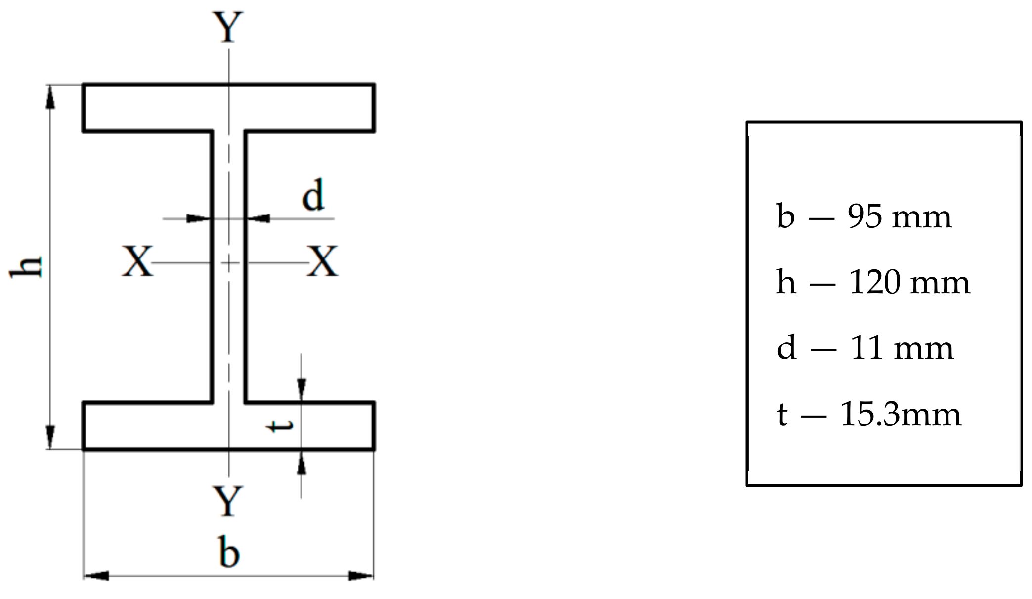
This paper uses the 12H mining I-beam as the support material and determines the size of the support model according to the size of the ventilation roadway of the experimental coal mine. Table 2 shows the parameters of the 12H mining I-beam, including Pattern, Unit mass, Sectional area, Section thickness at neutral axis, Moment of inertia, Elastic modulus, Section modulus, Static moment, Poisson’s ratio [34]. Figure 3 shows the cross section of the 12H I-beam. Figure 4 shows the set model size. Figure 5 shows the numerical model of set. Numerical simulation is an important method to study the bearing performance of the steel set, we use the Abaqus/Standard general analysis module and Tet grid for the simulation solution.
Table 2.
Parameters of the 12H mining I-beam.
Figure 3.
Cross section of the 12H I-beam.
Figure 4.
Set model size.
Figure 5.
Numerical model of set.
Procedures:
- (1)
- Limit the horizontal displacement of the model in the Z direction, and apply boundary conditions to the bottom arch to constrain the displacements in the X, Y, and Z directions.
- (2)
- Since the deformation of the roof and the two sides are equal in any direction [27], we set the load of the top arch and the two sides to be equal. Specifically, a vertical downward displacement load of 0.3 m is applied to the top arch, a horizontal leftward 0.15 m displacement load is applied to the left bottom corner, and a horizontal rightward 0.15 m displacement load is applied to the right bottom corner.
3.2. Numerical Model
In this section, we will verify the numerical model by comparing it with the calculated results [35]. As shown in Figure 6, a vertical downward concentrated load of 10 KN is applied to the top of the top arch, a horizontal to the right concentrated load of 10 KN is applied to the left bottom corner, and a horizontal to the left concentrated load of 10 KN is applied to the right bottom corner. In Figure 6, F1, F2, F3 represent the concentrated load applied at point A, point B, point C of the steel set, respectively. r and R refer to the radius of the top arch and bottom arch, respectively; β is the central angle of the half bottom arch; and L is the height of the set straight wall.
Figure 6.
Application method of the displacement load.
At point A, two constraints can be replaced by the unknown moment X1 and force X2. When X1 and X2 are determined, we can derive the force and moment in any locations. Ignoring the steel section area and the self-weight, the equilibrium formulas by the force method are as follows.
where Δ1p and Δ2p are the displacements induced by F1 and F2; δ11 and δ21 are the displacements induced by X1 = 1; δ12 and δ22 are the displacements induced by X2 = 1.
According to the structural mechanics, the values of δ11, δ22, Δ1p, and Δ2p are obtained through the following set of formulas:
Through Equation (1), we obtain that X1 equals 6355.625 N and X2 equals 1566.9642 N.
Solving the following equations:
where, W is the moment, Fc is the shear stress.
When the stent yields, the normal stress σA of the set is 4.348 × 107 N and the shear stress τc of the set is 8.49 × 106 N.
We set up two monitoring points (point 1 is the center point of the inner surface of the top of the top arch and point 2 is the center of the web at the left bottom corner) and applied the same concentrated loads to them as that shown in Figure 6. Through the numerical simulation, we obtained that σA equals 4.51325 × 107 N at point 1 and τc is equal to 8.13426 × 106 N at point 2. The results are consistent with the theoretical analysis above, and therefore, the numerical model is reasonable.
3.3. Scheme of Improved Steel Sets
Based on the original closed steel set, the improved steel set increases the overall bending strength by adding a roof beam (or a bottom beam). The variable in the model is the distance between the beam and the top of the roof beam (or the bottom of the floor beam). When this distance is too large, it will affect the normal use of the roadway of the steel set. In the improved steel sets, the distance between the beam and the top of the roof beam is 0.5 m, 1.0 m, 1.5 m, and 2.0 m, respectively; and the distance between the beam and the bottom of the floor beam is 0.4 m, 0.6 m, 0.8 m, and 1.0 m, respectively. For convenience, the models for the roof beams are referred to as the roof beam sets (RB sets), denoted by RB set I, RB set II, RB set III, and RB set IV, respectively, as shown in Figure 7. The models for the floor beams are called the floor beam sets (FB sets), denoted by FB set I, FB set II, FB set III, and FB set IV, respectively, as illustrated in Figure 8.
Figure 7.
Models of the roof beam (the RB sets).
Figure 8.
Models of the floor beam (the FB sets).
4. Results and Discussion
4.1. The Stress and Deformation Analysis
Figure 9 shows the stress nephogram and deformation nephogram of the traditional steel set.
Figure 9.
The stress nephogram and the deformation nephogram of the traditional set.
The stress nephogram and deformation nephogram of the RB sets are shown in Figure 10, Figure 11, Figure 12, Figure 13, respectively. The stress nephogram and deformation nephogram of the FB sets are illustrated in Figure 14, Figure 15, Figure 16, Figure 17, respectively.
Figure 10.
The stress nephogram and the deformation nephogram of RB set I.
Figure 11.
The stress nephogram and the deformation nephogram of RB set II.
Figure 12.
The stress nephogram and the deformation nephogram of RB set III.
Figure 13.
The stress nephogram and the deformation nephogram of RB set IV.
Figure 14.
The stress nephogram and the deformation nephogram of FB set I.
Figure 15.
The stress nephogram and the deformation nephogram of FB set II.
Figure 16.
The stress nephogram and the deformation nephogram of FB set III.
Figure 17.
The stress nephogram and the deformation nephogram of FB set IV.
The stress and deformation of the RB sets and the FB sets are analysed respectively to select their optimum structure. From Figure 9 and Figure 17, we conclude that:
- (1)
- The maximum stress and maximum deformation of the RB sets and the FB sets are smaller than those of the traditional set.
- (2)
- The maximum stress concentration of the set is the top arch, shoulder, and bottom arch of the set.
- (3)
- The position of the maximum deformation is also the top arch, shoulder, and bottom arch of the set.
4.2. The Stress-Strain Analysis
Through the above analysis, the bearing performance of the RB sets and the FB sets are superior to those of the traditional set. However, we still need further analysis to determine which set is optimal. Since the structure of the set is symmetrical, to obtain the overall force and deformation, we only need to study the force and deformation of the left half. To analyse the stress and strain at different positions in detail, we selected seven representative measuring points (as shown in Figure 18) to record the stress-strain process of the different models.
Figure 18.
The layout of the monitoring points.
Figure 18 shows the stress-strain diagrams of the RB sets.
As shown in Figure 19a, the larger the load, the higher the bearing capacity of the set in the vertical direction is. The difference of the maximal applied load between the RB set I and the traditional set is much smaller than that between the rest sets (i.e., the RB sets II, III, and IV) and the traditional set. After the deformation of the top local structure of RB set II reaches a specific value, the deformation of other parts will cause the displacement of the top local structure, which will further cause the gradual decrease of the load in RB set II. As such, taking into account the bearing capacity and utilization efficiency of the set, RB set II has the best performance.

Figure 19.
The stress-strain curve of the RB sets.
Figure 19b illustrates the strain-stress inside the top arch. Since the roof beam of RB set I is the closest to the top of the top arch, they form a closed structure, which causes the stress of the top arch spread to the shoulder and the leg. As a result, the stress inside the top arch of RB set I is smaller than those of the traditional set, and the RB sets II, III, and IV. Under the support of the cross beam, the stress concentration of the shoulder in the RB sets II, III, IV spreads to the inside of the top arch. Thus, the stress concentration on the top arch and shoulder of the traditional set leads to greater stress. Considering the bearing capacity and utilization efficiency of the set, we determine that RB set II is the best choice.
As revealed in Figure 19c, the stress of all the RB sets at measuring point 3 is increased after the top beam is added. Since the stress on the shoulder of the set gradually shifts to the top arch and the leg after the top beam is added, the stress concentration of the shoulder weakens. The stresses of the RB sets II, II, and IV at measuring point 3 are close, and they are much smaller than that of the RB set I. Taken together, the best structural support is the RB set II.
Figure 19d shows that the stress of all RB sets at measuring point 4 decreases after the top beam is added. The original set showed apparent stress concentration at measuring point 4. After adding the top beam, the stress of the measuring point 4 of the set gradually shifted to the top arch and the leg. The RB sets I, II, and IV have similar stress at measuring point 4. The distance between the beam of RB set III and measuring point 4 is the smallest, which leads to the stress concentration at the intersection of the roof beam and the shoulder of the set. Accordingly, the stress of RB set III at measuring point 4 is larger than that of the RB sets I, II, and IV. Thus, for point 4, RB sets II, III, and IV are more stable than RB set I. Considering the bearing capacity, material usage, and roadway practicability, the best structural is RB set II.
Figure 19e shows the load to be applied to the set for measuring point 5 to achieve an equal amount of deformation. The higher the applied load, the greater the load carrying capacity of the set in the horizontal direction becomes. The maximum applied loads of the RB sets II, III and IV are significantly larger than that of the traditional set, indicating that the addition of the roof beam can improve the bearing capacity of the set in the horizontal direction. The maximal applied loads of the RB sets II, III, and IV are close, revealing that they have little effect on the bearing capacity of the legs. The maximal applied load of RB set I is significantly smaller than those of the other RB sets. Similarly, the best structural support should be RB set II.
It can be seen from Figure 19f that the addition of the top beam influences the stress distribution of measuring point 6 of the support. Specifically, the stresses of all RB sets are lower than that of the traditional support, indicating that the addition of the top beam can reduce the stress of the support point 6. The stresses of RB sets II, III, and IV are close and are lower than the stress of RB set I. In other words, the difference between the stress at measuring point 6 of RB sets II, III, IV and the yield stress of measuring point 6 is the largest. As a result, RB sets II, III, and IV are the most stable at point 6. Similarly, the best structure is RB set II.
From Figure 19g, the stress of all RB sets decreases significantly at point 7 after adding the roof beam. That is, the addition of the roof beam can increase the bearing capacity of the set at points 7. The stress of four sets is close at point 7, and thus all RB sets are stable. Given the bearing capacity, material consumption, and practicability of the set, RB set II has the best performance.
It can be seen from Figure 19 that the stress of the RB sets at measuring point 7 is significantly reduced after adding the top beam. In other words, it is advantageous to increase the load capacity of the top beam to the support at point 7. All RB sets have similar stresses at point 7. For point 7, all RB sets are stable. Taking into account the bearing capacity, material usage, and roadway practicality, RB set I is the best structural support.
Figure 20 illustrates the stress-strain of the FB sets.

Figure 20.
The stress-strain of the FB sets.
Figure 20a manifests that the addition of the floor beam can increase the maximum applied load of the set, i.e., the floor beam can improve the bearing capacity of the set in the vertical direction. More specifically, the floor beam improves the ability of the bottom arch to support the leg of the set such that the stress moves from the shoulder and leg to the sides. At the same time, the distance between the floor beam and the bottom end of the bottom arch has little effect on the maximal applied load of the set. In terms of the bearing capacity and material usage of the set, the best structure is FB set I.
Figure 20b tells us that the effect of the floor beam on the stress of the set at point 2 is trivial. Although the stress of FB set III is greater than that of the original support and FB sets I, II, and IV, it is not obvious. Figure 20c reveals that the addition of the bottom beam does not have any effect on the stress of the support at measuring point 3. Figure 20d shows that the addition of the bottom beam has a certain degree of influence on the stress of the support at measuring point 4, but there is no patent law. Figure 20b–d illustrate that the addition of the floor beam has no significant effect on the stress distribution of the top arch and shoulder of the set.
As illustrated in Figure 20I, adding the floor beam can increase the maximal applied load in the horizontal direction of the set, that is, the floor beam can enhance the bearing capacity of the set in the horizontal direction. The horizontal load promotes the movement of the leg and the bottom arch of the set, while the bottom beam limits the movement of the leg and the bottom arch in the horizontal direction. Accordingly, it is advantageous to increase the load capacity of the floor beam to the set in the horizontal direction. On the other hand, Figure 20I also shows that the distance between the floor beam and the bottom end of the bottom arch has little effect on the maximum applied load of the set at measuring point 5. In light of the bearing capacity and material usage of the set, the best floor beam set is FB set I.
It can be seen from Figure 20f that after the floor beam is added, the stress at measuring point 6 is reduced to some extent, which is advantageous for improving the bearing capacity of the bracket. However, the distance between the floor beam and the bottom end of the bottom arch does not significantly affect the stress of the support at point 6. Similarly, FB set I is the best structural support.
Figure 20g shows the transfer of stress at measuring point 7 to the bottom end of the leg and bottom arch after the addition of the floor beam. In other words, adding the bottom beam can reduce the stress at measuring point 7 and improves the load carrying capacity of the set. On the other hand, the distance between the floor beam and the bottom end of the bottom arch has little effect on the stress of the bracket at measuring point 7. Considering the bearing capacity and material usage of the bracket, FB set I is the best floor beam.
4.3. Summary
Through the above analysis, the optimal distance between the roof beam and the top end is 1000 mm, and the optimum distance between the floor beam and the bottom end is 400 mm. Therefore, we attempt to improve the structure of the set by adding the top beam and the bottom beam simultaneously, with the optimal distance between the roof beam and the top end being 1000 mm, and the optimum distance between the floor beam and the bottom end being 400 mm. In the next section, we will investigate the bearing capacity of the improved set through further numerical experiments.
4.4. Comprehensive Analysis on Improved Set
4.4.1. Comprehensive model of Improved Set
As described in the previous section, we decide to improve the traditional steel set by simultaneously adding the roof beam (which is 1000 mm from the top end) and the floor beam (which is 400 mm from the bottom end). We refer to this new steel set as the roof-floor beam set (RFB set), as shown in Figure 21.
Figure 21.
The structure of the improved steel set.
The stress nephogram and deformation nephogram of the RFB set is shown in Figure 22.
Figure 22.
The stress nephogram and deformation nephogram of the RFB set.
4.4.2. Comparative Analysis
We selected the original steel set, RB set II, FB Set I and RFB set as the experimental models. As shown in Figure 18, we selected seven measuring points on the steel set. Since the load at point 1 and point 5 represent the load capacity of the support in the vertical direction and the horizontal direction of the set respectively, we selected point 1 and point 5 to analyze the four improved sets. Figure 23 shows the results.
Figure 23.
The displacement-load relationship of the four models.
As can be seen from Figure 23, in the process of the deformation of measuring point 1 reaching 300 mm, the maximum loads of the four models at the measuring point 1 are 2.2 KN, 6.5 KN, 6.0 KN, and 7.5 KN, respectively. Specifically, at point 1, the maximum load of model 2 is 2.95 times that of the original set, the maximum load of model 3 is 2.72 times that of the original set, and the maximum load of model 4 is 3.41 times that of the original set. In other words, model 4 contributes the most to increase the maximum load of the set.
During the deformation of measuring point 5 to 150 mm, the maximum loads of the four models are 9.0 KN, 25.3 KN, 24.0 KN, and 28.0 KN, respectively. By calculation, the maximum load of model 2 is 2.81 times of the original set, the maximum load of model 3 is 2.67 times of the original set, and the maximum load of model 4 is 3.11 times of the original set. Similarly, the increase in the maximum load of model 4 at point 5 is the largest.
5. Engineering Application
Through the above analysis, the RFB set is most effective. In this section, we will apply the RFB set to the ventilation roadway in the Chagannaoer Mine in China (see details in Section 2). Figure 24 illustrates the structure and parameters of the RFB set. Its material is the No. 12 mining I-beam. The height and width of the model are 5.3 m and 5 m, respectively, the diameter of the semicircular arch is 2.5 m, and the height of the bottom arch is 1 m. The roof beam is 1000 mm from the top end of the set and the floor beam is 400 mm from the bottom end of the set.
Figure 24.
The parameters of the RFB set.
Using the laser displacement range finder, we measured the distance between the surrounding rock measuring points of the roadway to analyze the relationship between the surrounding rock deformation and time. We selected four measuring points: Point 1 and point 2 are located at the top of the roof beam and the bottom end of the floor beam, respectively; and point 3 and point 4 are located in the vertical leg of the steel set. The reduction of the distance between point 1 and point 2 represents the deformation amount of the roof and floor of the roadway; the reduction of the distance between point 3 and point 4 represents the deformation amount of the two sides of the roadway. We selected two points 50 meters apart in the ventilation roadway to monitor the deformation of the roof/floor and the two sides. It is monitored once every day, every two days after ten days, and every three days after 20 days. Figure 25 shows the measurement results.
Figure 25.
The deformation of the surrounding rock with time in the ventilation roadway.
As can be seen from Figure 25a, the maximum deformation amounts of the roof and floor of the ventilation roadway at measuring point 1 and the two sides are 106 mm and 89 mm, respectively. In the first ten days of observation, the deformation rates of the roof, the floor, and the two sides are relatively large. After ten days, the deformation slowed down. At day 20, the surrounding rock of the two sides reached a stable state. When the observation time exceeds 23 days, the surrounding rock of the roof and floor reaches a steady state. Figure 25b shows that at measuring point 2, the maximum deformation amounts of the roof/floor and the two sides are 147 mm and 108 mm, respectively. During the first 10 days of the observation, the deformation rates of the floor and the two sides are relatively large. When the observation time is more than ten days, the deformation of the roof and the surrounding rock of the roadway gradually slow down. In day 16, the two sides of the roadway reach a stable state. In day 20, the surrounding rock of the roof and floor of the roadway reaches a stable state. Through the above analysis, after the RFB set is used to support the roadway, the maximum deformation of the surrounding rock can be controlled within a reasonable range. The reaction force of the RFB set can effectively resist the stress of the surrounding rock of the ventilation roadway.
This is compared with the original support method U-steel set. When the U-steel set controlled the surrounding rock of extremely soft rock roadways, the roadway was severely deformed (Figure 2) and cannot meet the normal use of the roadway. This showed that the new steel set had a greater bearing capacity for the extremely soft rock roadways than the U-steel set. The new steel set can effectively control the surrounding rock of the ventilation roadway. So, this provides an effective method for the surrounding rock control in extremely soft rock roadways.
6. Conclusions
The expansive pressure of the soft rock is the primary cause of the deformation of the roadway surrounding rock. Practice showed that traditional steel sets failed to prevent the expansive pressure of the soft rock. To solve this issue, this paper developed a new steel set through both theoretical analysis and numerical simulation. The present paper took the ventilation roadway with the swelling soft rock in the Chagannaoer Mine as an example and applied the new steel set.
The overall bending strength of the set was improved by adding a roof beam and a floor beam simultaneously. The best roof beam model is RB set II, and the best floor beam model is FB set I. Therefore, we combined those two sets to come up with the RFB set with the roof beam 1000 mm from the top end and the floor beam 400 mm from the bottom end. Among the traditional set, RB set II, FB set I, and the RFB set, the load bearing capacity of the RFB set works best in both the vertical direction and the horizontal direction. The deformation of the roadway surrounding rock is within a reasonable range after the RFB set is used to support the ventilation roadway. The support force of the RFB set can effectively resist the stress of the surrounding rock of the ventilation roadway. The RFB set can control the deformation of the roadway surrounding rock effectively. The new steel set solves the surrounding rock control problem of the soft rock roadway in coal mines.
This paper provides an effective method for the surrounding rock control in extremely soft rock roadways. The bearing capacity of the steel set can be improved by changing its structure to achieve the purpose of controlling the surrounding rock of the swelling soft rock roadway.
Author Contributions
Q.L. and J.L. proposed the idea. J.Z. wrote the original Chinese manuscript. J.L. performed the numerical simulation. C.W. and K.F. analyzed the data. L.L. and W.W. modified the Chinese version and translated the manuscript from Chinese to English.
Funding
This study is supported by the National Natural Science Foundation of China (grant numbers 51604164), the Science and Technology Program of Shandong Colleges and Universities (grant numbers J18KA185), and the program of youth teacher growth plan in Shandong province.
Acknowledgments
The authors would like to thank Chagannaoer Mine for the field trial monitoring.
Conflicts of Interest
The authors declare no conflict of interest.
References
- Aksoy, C.O.; Ogul, K.; Topal, I.; Ozer, S.C.; Ozacar, V.; Posluk, E. Numerical modeling of non-deformable support in swelling and squeezing rock. Int. J. Rock Mech. Min. Sci. 2012, 52, 61–70. [Google Scholar] [CrossRef]
- Liu, H.H.; Rutqvist, J.; Birkholzer, J.T. Constitutive relationships for elastic deformation of clay rock: Data analysis. Rock Mech. Rock Eng. 2011, 44, 463–468. [Google Scholar] [CrossRef][Green Version]
- Zhang, Y.S.; Guo, C.B.; Yao, X.; Qu, Y.X.; Zhou, N.J. Engineering geological characterization of clayey diatomaceous earth deposits encountered in highway projects in the Tengchong region, Yunnan, China. Eng. Geol. 2013, 167, 95–104. [Google Scholar] [CrossRef]
- Zhang, G.H.; Jiao, Y.Y.; Wang, H.; Cheng, Y.; Chen, L.B. On the mechanism of inrush hazards when Denghuozhai Tunnel passing through granite contact zone. Tunn. Undergr. Sp. Technol. 2017, 68, 174–186. [Google Scholar] [CrossRef]
- He, M.C.; Leal e Sousa, R.; André, M.; Eurípedes Jr., V.; Ribeiro e Sousa, L.; Chen, X.N. Analysis of excessive deformations in tunnels for safety evaluation. Tunn. Undergr. Sp. Technol. 2015, 45, 190–202. [Google Scholar]
- Tan, Y.L.; Yu, F.H.; Ning, J.G.; Zhao, T.B. Design and construction of entry retaining wall along a gob side under hard roof stratum. Int. J. Rock Mech. Min. Sci. 2015, 77, 115–121. [Google Scholar] [CrossRef]
- Zhao, T.B.; Guo, W.Y.; Tan, Y.L.; Lu, C.P.; Wang, C.W. Case histories of rock bursts under complicated geological conditions. Bull. Eng. Geol. Environ. 2017, 77, 1529–1545. [Google Scholar] [CrossRef]
- Liu, X.S.; Tan, Y.L.; Ning, J.G.; Lu, Y.W.; Gu, Q.H. Mechanical properties and damage constitutive model of coal in coal-rock combined body. Int. J. Rock Mech. Min. Sci. 2018, 110, 140–150. [Google Scholar] [CrossRef]
- Guo, W.Y.; Tan, Y.L.; Yu, F.H.; Zhao, T.B.; Hu, S.C.; Huang, D.M.; Qin, Z.W. Mechanical behavior of rock-coal-rock specimens with different coal thicknesses. Geomech. Eng. 2018, 15, 1017–1027. [Google Scholar]
- Ning, J.G.; Liu, X.S.; Tan, J.; Gu, Q.H.; Tan, Y.L.; Wang, J. Control mechanisms and design for a ’col-backfill-gangue’ support system for coal mine gob-side entry retaining. Int. J. Oil Gas Coal Technol. 2018, 18, 444–465. [Google Scholar] [CrossRef]
- Zheng, X.G.; Feng, X.W.; Zhang, N.; Gong, L.Y.; Hua, J.B. Serial decoupling of bolts in coal mine roadway supports. Arab. J. Geosci. 2015, 8, 6709–6722. [Google Scholar] [CrossRef]
- Mohammadi, M.M.; Bagloo, H. Rock bolt supporting factor: Rock bolting capability of rock mass. Bull. Eng. Geol. Environ. 2017, 76, 231–239. [Google Scholar] [CrossRef]
- Li, W.T.; Yang, N.; Yang, B.; Ma, H.Y.; Li, T.C.; Wang, Q.; Wang, G.; Du, Y.T.; Zhao, M.X. An improved numerical simulation approach for arch-bolt supported tunnels with large deformation. Tunn. Undergr. Sp. Technol. 2018, 77, 1–12. [Google Scholar] [CrossRef]
- Parameter analysis of anchor bolt support for large-span and jointed rock mass. J. Cent. South Univ. Technol. 2005, 12, 483–487.
- Wang, F.T.; Zhang, C.; Wei, S.F.; Zhang, X.G.; Guo, S.H. Whole section anchor- grouting reinforcement technology and its application in underground roadways with loose and fractured surrounding rock. Tunn. Undergr. Sp. Technol. 2016, 51, 133–143. [Google Scholar]
- Yu, S.F.; Wu, A.X.; Wang, Y.M.; Li, T. Pre-reinforcement grout in fractured rock masses and numerical simulation for optimizing shrinkage stoping configuration. J. Cent. South Univ. 2017, 24, 2924–2931. [Google Scholar] [CrossRef]
- Chen, Y.L.; Meng, Q.B.; Guang, X.B.; Wu, H.S.; Zhang, G.M. Bolt-grouting combined support technology in deep soft rock roadway. Int. J. Min. Sci. Technol. 2016, 26, 777–785. [Google Scholar] [CrossRef]
- Yang, S.Q.; Chen, M.; Jing, H.W.; Chen, K.F.; Meng, B. A case study on large deformation failure mechanism of deep soft rock roadway in Xin’An coal mine, China. Eng. Geol. 2017, 217, 89–101. [Google Scholar] [CrossRef]
- He, M.C. Latest progress of soft rock mechanics and engineering in China. J. Rock Mech. Geotech. Eng. 2014, 6, 165–179. [Google Scholar] [CrossRef]
- Chen, S.M.; Wu, A.X.; Wang, Y.M.; Chen, X.; Yan, R.F.; Ma, H.J. Study on repair control technology of soft surrounding rock roadway and its application. Eng. Fail. Anal. 2018, 92, 443–455. [Google Scholar] [CrossRef]
- Shen, B.T. Coal mine roadway stability in soft rock: A case study. Rock Mech. Rock Eng. 2014, 47, 2225–2238. [Google Scholar] [CrossRef]
- Liu, Y.W. Research of shed-cable supporting technology & regularity of minig roadway pressure in three-soft seam. Appl. Mech. Mater. 2013, 353–356, 1753–1758. [Google Scholar]
- Stefano, G.; Giulia, M.; Luisa, R.; Giacomo, T. Failure modes prediction of masonry voussoir arches on moving supports. Eng. Struct. 2018, 173, 706–717. [Google Scholar]
- Brodsky, A.; Yankelevsky, D.Z. Resistance of reinforced concrete frames with masonry infill walls to in-plane gravity loading due to loss of a supporting column. Eng. Struct. 2017, 140, 134–150. [Google Scholar] [CrossRef]
- Jiao, Y.Y.; Song, L.; Wang, X.Z.; Coffi, A.A. Improvement of the U-shaped steel sets for supporting the roadways in loose thick coal seam. Int. J. Rock Mech. Min. Sci. 2013, 60, 19–25. [Google Scholar] [CrossRef]
- Zhang, J.P.; Liu, L.M.; Cao, J.Z.; Yan, X.; Zhang, F.T. Mechanism and application of concrete-filled steel tubular support in deep and high stress roadway. Constr. Build. Mater. 2018, 186, 233–246. [Google Scholar] [CrossRef]
- Li, Q.H.; Shi, W.P.; Yang, R.S. Deformation mechanisms in a coal mine roadway in extremely swelling soft rock. SpringerPlus 2016, 5, 1–13. [Google Scholar] [CrossRef] [PubMed]
- Meng, Q.B.; Han, L.J.; Yu, X.; Li, H.; Wen, S.Y.; Zhang, J. Numerical simulation study of the failure evolution process and failure mode of surrounding rock in deep soft rock roadways. Inter. J. Min. Sci. Technol. 2016, 26, 209–221. [Google Scholar] [CrossRef]
- Wang, Q.; Pan, R.; Jiang, B.; Li, S.C.; He, M.C.; Sun, H.B.; Wang, L.; Qin, Q.; Yu, H.C.; Luan, Y.C. Study on failure mechanism of roadway with soft rock in deep coal mine and confined concrete support system. Eng. Fail. Anal. 2017, 81, 155–177. [Google Scholar] [CrossRef]
- Yang, R.S.; Li, Y.L.; Guo, D.M.; Yao, L.; Yang, T.M.; Li, T.T. Failure mechanism and control technology of water-immersed roadway in high-stress and soft rock in a deep mine. Inter. J. Min. Sci. Technol. 2017, 27, 245–252. [Google Scholar] [CrossRef]
- Fang, S.L.; Zhang, J. In-situ measure to internal stress of shotcrete layer in soft-rock roadway. Int. J. Coal Sci. Technol. 2014, 1, 321–328. [Google Scholar] [CrossRef][Green Version]
- Sun, L.H.; Wu, H.Y.; Yang, B.S.; Li, Q.Q. Support failure of a high-stress soft-rock roadway in deep coal mine and the equalized yielding support technology: A case study. Int. J. Coal Sci. Technol. 2015, 2, 279–286. [Google Scholar] [CrossRef]
- Zhao, Z.H.; Wang, W.M.; Wang, L. Response models of weakly consolidated soft rock roadway under different interior pressures considering dilatancy effect. J. Cent. South Univ. 2013, 20, 3736–3744. [Google Scholar] [CrossRef]
- Li, Q. Study on Instability Mechanism of Soft Rock Roadway and its Control in No.1 Mine of Chagannuoer. Ph.D. Thesis, China University of Mining and Technology (Beijing), Beijing, China, June 2013. [Google Scholar]
- Li, Q.H.; Yang, R.S.; Li, J.K.; Wang, H.; Wen, Z.J. Strength and Cost Analysis of New Steel Sets as Roadway Support Project in Coal Mines. Adv. Mater. Sci. Eng. 2018, 3927843, 1–9. [Google Scholar] [CrossRef]
© 2019 by the authors. Licensee MDPI, Basel, Switzerland. This article is an open access article distributed under the terms and conditions of the Creative Commons Attribution (CC BY) license (http://creativecommons.org/licenses/by/4.0/).


























