Corrosion and Tensile Behaviors of Ti-4Al-2V-1Mo-1Fe and Ti-6Al-4V Titanium Alloys
Abstract
:1. Introduction
2. Experimental Details
3. Results and Discussion
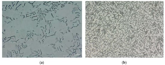
3.1. Microstructure Characterization
3.2. Immersion Test
3.3. Electrochemical Response
3.4. Mechanical Properties
4. Conclusions
Author Contributions
Funding
Acknowledgments
Conflicts of Interest
References
- Boyer, R.R. An overview on the use of titanium in the aerospace industry. Mater. Sci. Eng. A 1996, 213, 103–144. [Google Scholar] [CrossRef]
- Zhang, H.; Li, J.L.; Ma, P.Y.; Xiong, J.T.; Zhang, F.S. Study on microstructure and impact toughness of TC4 titanium alloy diffusion bonding joint. Vacuum 2018, 152, 272–277. [Google Scholar] [CrossRef]
- Nady, H.; El-Rabiei, M.M.; Samy, M. Corrosion behavior and electrochemical properties of carbon steel, commercial pure titanium, copper and copper–aluminum–nickel alloy in 3.5% sodium chloride containing sulfide ions. Egypt. J. Pet. 2017, 26, 79–94. [Google Scholar] [CrossRef]
- Cui, Z.Y.; Wang, L.W.; Zhong, M.Y.; Ge, F.; Gao, H.; Man, C.; Liu, C.; Wang, X. Electrochemical behavior and surface characteristics of pure titanium during corrosion in simulated desulfurized flue gas Condensates. J. Electrochem. Soc. 2018, 165, C542. [Google Scholar] [CrossRef]
- Wang, Z.B.; Hu, H.X.; Zheng, Y.G.; Ke, W.; Qiao, Y.X. Comparison of the corrosion behavior of pure titanium and its alloys in fluoride-containing sulfuric acid. Corros. Sci. 2016, 103, 50–65. [Google Scholar] [CrossRef]
- Contu, F.; Elsener, B.; Böhni, H. Serum effect on the electrochemical behaviour of titanium, Ti6Al4V and Ti6Al7Nb alloys in sulphuric acid and sodium hydroxide. Corros. Sci. 2004, 46, 2241–2254. [Google Scholar] [CrossRef]
- Narayanan, R.; Seshadri, S.K. Point defect model and corrosion of anodic oxide coatings on Ti-6Al-4V. Corros. Sci. 2008, 50, 1521–1529. [Google Scholar] [CrossRef]
- Tamilselvi, S.; Raman, V.; Rajendran, N. Evaluation of corrosion behavior of surface modified Ti-6Al-4V ELI alloy in hanks solution. J. Appl. Electrochem. 2010, 40, 285–293. [Google Scholar] [CrossRef]
- Rai, S.; Dihingia, P.J. Optoelectronics of Cu2+-Doped TiO2 Films Prepared by Sol.–Gel Method; Springer India: New Delhi, India, 2015; pp. 581–589. [Google Scholar]
- Hugot-Le Goff, A. Structure of very thin TiO2 films studied by Raman spectroscopy with interference enhancement. Thin Solid Films 1986, 142, 193–197. [Google Scholar] [CrossRef]
- Diamanti, M.V.; Souier, T.; Stefancich, M.; Chiesa, M.; Pedeferri, M.P. Probing anodic oxidation kinetics and nanoscale heterogeneity within TiO2 films by conductive Atomic Force Microscopy and combined techniques. Electrochim. Acta 2014, 129, 203–210. [Google Scholar] [CrossRef]
- Yue, T.M.; Yu, J.K.; Mei, Z.; Man, H.C. Excimer laser surface treatment of Ti–6Al–4V alloy for corrosion resistance enhancement. Mater. Lett. 2002, 52, 206–212. [Google Scholar] [CrossRef]
- Blanco-Pinzon, C.; Liu, Z.; Voisey, K.; Bonilla, F.A.; Skeldon, P.; Thompson, G.E.; Piekoszewski, J.; Chmielewski, A.G. Excimer laser surface alloying of titanium with nickel and palladium for increased corrosion resistance. Corros. Sci. 2005, 47, 1251–1269. [Google Scholar] [CrossRef]
- Newman, R.C. The dissolution and passivation kinetics of stainless alloys containing molybdenum- I. Coulometric studies of Fe-Cr and Fe-Cr-Mo alloys. Corros. Sci. 1985, 25, 331–339. [Google Scholar] [CrossRef]
- Newman, R.C. The dissolution and passivation kinetics of stainless alloys containing molybdenum-II. Dissolution kinetics in artificial pits. Corros. Sci. 1985, 25, 341–350. [Google Scholar] [CrossRef]
- Marcus, P. On some fundamental factors in the effect of alloying elements on passivation of alloys. Corros. Sci. 1994, 36, 2155–2458. [Google Scholar] [CrossRef]
- Ouchi, C.; Fukai, H.; Hasegawa, K. Microstructural characteristics and unique properties obtained by solution treating or aging in β-rich α+β titanium alloy. Mater. Sci. Eng. A 1999, 263, 132–136. [Google Scholar] [CrossRef]
- Erween Abd, R.; Safian, S. Investigation on tool life and surface integrity when drilling Ti-6Al-4V and Ti-5Al-4V-Mo/Fe. JSME Int. J. Ser. C 2006, 49, 340–345. [Google Scholar]
- Lin, D.J.; Lin, J.H.C.; Ju, C.P. Structure and properties of Ti-7.5Mo-xFe alloys. Biomaterials 2002, 23, 1723–1730. [Google Scholar] [CrossRef]
- Prodana, M.; Bojin, D.; Ioniţǎ, D. Effect of hydroxyapatite on interface properties for alloy/biofluid. UPB Sci. Bull. Ser. B Chem. Mater. Sci. 2009, 71, 89–98. [Google Scholar]
- Pimenova, N.V.; Starr, T.L. Electrochemical and corrosion behavior of Ti–xAl–yFe alloys prepared by direct metal deposition method. Electrochim. Acta 2006, 51, 2042–2049. [Google Scholar] [CrossRef]
- Lu, J.W.; Zhao, Y.Q.; Niu, H.Z.; Zhang, Y.S.; Du, Y.Z.; Zhang, W.; Huo, W.T. Electrochemical corrosion behavior and elasticity properties of Ti-6Al-xFe alloys for biomedical applications. Mater. Sci. Eng. C 2016, 62, 36–44. [Google Scholar] [CrossRef] [PubMed]
- Hsu, H.C.; Pan, C.H.; Wu, S.C.; Ho, W.F. Structure and grindability of cast Ti-5Cr-xFe alloys. J. Alloy. Compd. 2009, 474, 578–583. [Google Scholar] [CrossRef]
- Hsu, H.C.; Hsu, S.K.; Wu, S.C.; Lee, C.J.; Ho, W.F. Structure and mechanical properties of as-cast Ti-5Nb-xFe alloys. Mater. Charact. 2010, 61, 851–858. [Google Scholar] [CrossRef]
- Qiao, Y.X.; Cai, X.; Cui, J.; Li, H.B. Passivity and semiconducting behavior of a high nitrogen stainless steel in acidic NaCl solution. Adv. Mater. Sci. Eng. 2016, 6065481, 1–8. [Google Scholar] [CrossRef]
- Qiao, Y.X.; Chen, J.; Zhou, H.L.; Wang, Y.X.; Song, Q.N.; Li, H.B.; Zheng, Z.B. Effect of solution treatment on cavitation erosion behavior of high-nitrogen austenitic stainless steel. Wear 2019, 424–425, 70–77. [Google Scholar] [CrossRef]
- Huang, S.S.; Ma, Y.J.; Ping, Z.Y.; Zhang, S.L.; Yang, R. Influence of alloying elements partitioning behaviors on the microstructure and mechanical properties in α+β titanium alloy. Acta Metall. Sin. 2019, 55, 741–750. [Google Scholar]
- Huang, S.S.; Zhang, J.H.; Ma, Y.J.; Zhang, S.L.; Youssef, S.S.; Qi, M.; Wang, H.; Qiu, J.K.; Xu, D.S.; Lei, J.F.; et al. Influence of thermal treatment on element partitioning in α+β titanium alloy. J. Alloy. Compd. 2019, 791, 575–585. [Google Scholar] [CrossRef]
- Qiao, Y.X.; Tian, Z.H.; Cai, X.; Chen, J.; Wang, Y.X.; Song, Q.N.; Li, H.B. Cavitation erosion behaviors of a nickel-free high-nitrogen stainless steel. Tribol. Lett. 2019, 67, 1–9. [Google Scholar] [CrossRef]
- Carnot, A.; Frateur, I.; Zanna, S.; Tribollet, B.; Dubois-Brugger, I.; Marcus, P. Corrosion mechanisms of steel concrete moulds in contact with a demoulding agent studied by EIS and XPS. Corros. Sci. 2003, 45, 2513–2524. [Google Scholar] [CrossRef]
- Hitz, C.; Lasia, A. Experimental study and modeling of impedance of the her on porous Ni electrodes. J. Electroanal. Chem. 2001, 500, 213–222. [Google Scholar] [CrossRef]
- Jeyaprabha, C.; Sathiyanarayanan, S.; Venkatachari, G. Influence of halide ions on the adsorption of diphenylamine on iron in 0.5 M H2SO4 solutions. Electrochim. Acta 2006, 51, 4080–4088. [Google Scholar] [CrossRef]
- Qiao, Y.X.; Zheng, Y.G.; Ke, W.; Okafor, P.C. Electrochemical behaviour of high nitrogen stainless steel in acidic solutions. Corros. Sci. 2009, 51, 979–986. [Google Scholar] [CrossRef]
- Grubač, Z.; Metikoš-Huković, M. EIS study of solid-state transformations in the passivation process of bismuth in sulfide solution. J. Electroanal. Chem. 2004, 565, 85–94. [Google Scholar] [CrossRef]
- Hirschorn, B.; Orazem, M.E.; Tribollet, B.; Vivier, V.; Frateur, I.; Musiani, M. Determination of effective capacitance and film thickness from constant-phase-element parameters. Electrochim. Acta 2010, 55, 6218–6227. [Google Scholar] [CrossRef]
- Wang, Z.B.; Hu, H.X.; Liu, C.B.; Zheng, Y.G. The effect of fluoride ions on the corrosion behavior of pure titanium in 0.05M sulfuric acid. Electrochim. Acta 2014, 135, 526–535. [Google Scholar] [CrossRef]
- Cao, C.N. Theory of Electrochemical; Chemical Industry Press: Beijing, China, 2004; pp. 24–35. [Google Scholar]
- Ibrahim, M.A.; Pongkao, D.; Yoshimura, M. The electrochemical behavior and characterization of the anodic oxide film formed on titanium in NaOH solutions. J. Solid State Electrochem. 2002, 6, 341–350. [Google Scholar] [CrossRef]
- Wang, B.J.; Xu, D.K.; Wang, S.D.; Han, E.H. Recent progress in the research about fatigue crack initiation of Mg alloys under elastic stress amplitudes: A review. Front. Mech. Eng. 2019, 14, 113–127. [Google Scholar] [CrossRef]
- Wang, B.J.; Xu, D.K.; Wang, S.D.; Sheng, L.Y.; Zeng, R.C.; Han, E.H. Influence of solution treatment on the corrosion fatigue behavior of an as forged Mg-Zn-Y.-Zr alloy. Int. J. Fatigue 2019, 120, 46–55. [Google Scholar] [CrossRef]











| Alloy | Al | V | Mo | Fe | Ti |
|---|---|---|---|---|---|
| Ti-6Al-4V | 5.95 | 4.03 | - | 0.33 | Bal. |
| Ti-4Al-2V-1Mo-1Fe | 3.96 | 2.03 | 1.05 | 0.92 | Bal |
| Alloy | Ti | Al | V | Mo | Fe | |
|---|---|---|---|---|---|---|
| Ti-6Al-4V | α (area 1) | 88.6 | 6.9 | 4.5 | - | - |
| β (area 2) | 80.7 | 2.4 | 15.9 | - | 1.0 | |
| Ti-4Al-2V-1Mo-1Fe | α (area 3) | 93.5 | 5.3 | 1.2 | - | - |
| β (area 4) | 85.4 | 2.6 | 4.7 | 4.4 | 2.9 | |
| Alloy | Rs (Ω·cm−2) | Rp (Ω·cm−2) | Q (Ω−1·Sn·cm−2) | n |
|---|---|---|---|---|
| Ti-6Al-4V | 10.89 ± 1.12 | 5.69 ± 0.13 × 105 | 3.98 ± 0.32 × 10−5 | 0.93 ± 0.01 |
| Ti-4Al-2V-1Mo-1Fe | 8.71 ± 0.87 | 6.50 ± 0.35 × 105 | 2.56 ± 0.26 × 10−5 | 0.95 ± 0.01 |
| Alloy | Rm (MPa) | Rp0.2 (MPa) | ε (%) |
|---|---|---|---|
| Ti-6Al-4V | 968 ± 22.1 | 921 ± 15.4 | 13.8 ± 1.1 |
| Ti-4Al-2V-1Mo-1Fe | 838 ± 16.3 | 796 ± 14.3 | 15.8 ± 1.3 |
© 2019 by the authors. Licensee MDPI, Basel, Switzerland. This article is an open access article distributed under the terms and conditions of the Creative Commons Attribution (CC BY) license (http://creativecommons.org/licenses/by/4.0/).
Share and Cite
Qiao, Y.; Xu, D.; Wang, S.; Ma, Y.; Chen, J.; Wang, Y.; Zhou, H. Corrosion and Tensile Behaviors of Ti-4Al-2V-1Mo-1Fe and Ti-6Al-4V Titanium Alloys. Metals 2019, 9, 1213. https://doi.org/10.3390/met9111213
Qiao Y, Xu D, Wang S, Ma Y, Chen J, Wang Y, Zhou H. Corrosion and Tensile Behaviors of Ti-4Al-2V-1Mo-1Fe and Ti-6Al-4V Titanium Alloys. Metals. 2019; 9(11):1213. https://doi.org/10.3390/met9111213
Chicago/Turabian StyleQiao, Yanxin, Daokui Xu, Shuo Wang, Yingjie Ma, Jian Chen, Yuxin Wang, and Huiling Zhou. 2019. "Corrosion and Tensile Behaviors of Ti-4Al-2V-1Mo-1Fe and Ti-6Al-4V Titanium Alloys" Metals 9, no. 11: 1213. https://doi.org/10.3390/met9111213
APA StyleQiao, Y., Xu, D., Wang, S., Ma, Y., Chen, J., Wang, Y., & Zhou, H. (2019). Corrosion and Tensile Behaviors of Ti-4Al-2V-1Mo-1Fe and Ti-6Al-4V Titanium Alloys. Metals, 9(11), 1213. https://doi.org/10.3390/met9111213

