Next Article in Journal
A Study on the Influences of Welding Position on the Keyhole and Molten Pool Behavior in Laser Welding of a Titanium Alloy
Next Article in Special Issue
Tuneable Magneto-Resistance by Severe Plastic Deformation
Previous Article in Journal
Examination of Formability Properties of 6063 Alloy Extruded Profiles for the Automotive Industry
Previous Article in Special Issue
Development of a High Strength Mg-9Li Alloy via Multi-Pass ECAP and Post-Rolling
 
 
Font Type:
Arial Georgia Verdana
Font Size:
Aa Aa Aa
Line Spacing:
Column Width:
Background:
Article

Structure and Tensile Strength of Pure Cu after High Pressure Torsion Extrusion

1
Institute of Nanotechnology (INT), Karlsruhe Institute of Technology (KIT), 76021 Karlsruhe, Germany
2
Institute of Solid State Physics, Russian Academy of Sciences, 142432 Chernogolovka, Russia
*
Author to whom correspondence should be addressed.
Metals 2019, 9(10), 1081; https://doi.org/10.3390/met9101081
Submission received: 9 September 2019 / Revised: 19 September 2019 / Accepted: 25 September 2019 / Published: 7 October 2019

Abstract

The microstructure and mechanical properties of rod-shaped samples (measuring 11.8 mm in diameter and 35 mm in length) of commercially pure (CP) copper were characterized after they were processed by high pressure torsion extrusion (HPTE). During HPTE, CP copper was subjected to extremely high strains, ranging from 5.2 at central area of the sample to 22.4 at its edge. This high but varying strain across the sample section resulted in HPTE copper displaying a gradient structure, consisting of fine grains in the central area and of ultrafine grains both in the middle-radius area and at the sample edge. A detailed analysis of the tensile characteristics showed that the strength of HPTE copper with its gradient structure is similar to that of copper after severe plastic deformation (SPD) techniques, typically displaying a homogeneous structure. Detailed analysis of the contributions of various strengthening mechanisms to the overall strength of HPTE coper revealed the following: The main contribution comes from Hall–Petch strengthening due to the presence of high and low angle grain boundaries in gradient structure, which act as effective obstacles to dislocation motion. Therefore, both types of boundaries should be taken into account in the Hall–Petch equation. This study on CP copper demonstrated the potential of using the HPTE method for producing high-strength metallic materials in bulk form for industrial use.

1. Introduction

During past three decades, numerous studies have been conducted on the structure and mechanical properties of bulk nanostructured (NS) and ultra-fine-grained (UFG) materials produced by severe plastic deformation (SPD) processing. In these studies, considerable effort has been devoted to high pressure torsion (HPT) [1,2] as well as equal channel angular pressing (ECAP) [3,4,5] since these two are the best-known SPD techniques for producing UFG metallic materials. UFG materials with unique combinations of mechanical properties such as high strength and plasticity [6] have generated intensive interest because the results of some studies have suggested the presence of new strengthening mechanisms.
NS metals, including those processed by HPT, generally exhibit very high strength but limited tensile ductility (with a uniform elongation, only reaching a few percent) with almost no work-hardening [7]. Low ductility is believed to be an intrinsic “Achilles heel” of NS metals because the conventional deformation mechanisms cease to operate at the nanoscale level such that: (i) the dislocation slip is substantially suppressed by the extremely small grains (which, however, account for the extreme strength values in NS metals); and (ii) grain boundary (GB) sliding or diffusional creep is not active enough to accommodate plastic straining at ambient temperature [8]. However, some experimental data have hinted to the possibility that the generally observed low plasticity in NS metals might be extrinsic rather than intrinsic to these materials. For instance, dimples have been observed on fracture surfaces of various NS metals, indicating substantial plastic deformation before failure [7]. In addition, large plastic strains were also obtained when using other deformation schemes such as compression and rolling [3,5]. Indeed, limited tensile ductility of NS metals has often been attributed to the absence of work hardening and to their nano-sized grains, so that strain localization and early necking occur immediately after the onset of yielding. On the other hand, intrinsic tensile plasticity of NS metals can be detected by effective suppression of strain localization.
There are several kinds of SPD techniques, which combine extrusion and shear, e.g., twist extrusion [9], extrusion compression [10] and cyclic expansion extrusion [11]. In this study, we used the high pressure torsion extrusion (HPTE) approach, with prevailing shear strain at the periphery of bulk rod samples and extrusion-like deformation near the center of the rods [12,13,14]. The strain conditions at the center and at the edge of the HPTE-processed rods depend on the processing parameters and they can vary by several orders of magnitude. Therefore, HPTE is the one of the SPD methods which is capable of producing rod samples with controlled gradient heterogeneous structures.
During the past decades, comprehensive analyses on the influence of the deformation mode on the structural evolution and the resulting physical properties of initially structurally homogeneous materials have been conducted. For example, refer to the study on the hardness and electrical conductivity of pure copper processed by ECAP and HPT [15]; the study on the structural evolution in a Siclanic alloy (Cu–Ni–Si) processed by ECAP and HPT [16]; and the studies on the effect of the SPD deformation mode on the microstructure of pure copper [17,18].
Recently, a few studies have been reported on the mechanical properties of structurally heterogeneous materials [7,19], consisting of hard and soft domains, which may demonstrate the combination of very attractive properties such as high strength and high tensile ductility values. Knowledge on the effects of fine–ultrafine and nano-grained structures on mechanical properties will make it possible to significantly extend our understanding of the deformation processes from the analysis of homogeneous materials to that of heterogeneous counterparts and, in particular, structurally gradient materials [20].
One of the clearest structural features of Cu after the HPTE processing is a strong grain refinement in the peripheral area, and a less pronounced grain refinement in the sample’s core [12]. Such heterogeneous structure was the result of strain gradient along the sample radius. Tensile tests, carried out on the gradient Cu samples after a surface mechanical grinding treatment, have shown that the combination of NS to coarser grained microstructure provide an effective approach for enhancing the “strength–ductility” synergy of materials which offer a potential for using the gradient NS layers as an advanced coating of the bulk materials [7].
However, since HPTE it is a newly established SPD technique, data on the applicability of this method to produce structurally gradient materials are still not available. Consequently, results on the characterization of their mechanical properties are also limited. This study aims to bridge this gap by conducting a critical analysis of both the structure and the mechanical test results obtained on HPTE-processed Cu rod samples to reveal possible strengthening effects of varying grain refinement steps giving rise to gradient (heterogeneous) structures.

2. Materials and Methods

CP copper samples containing 99.0 wt% of Cu and 1.0 wt% of Al were first machined, annealed for two hours at 600 °C, and then water quenched to obtain a coarse-grained (CG) microstructure. A typical orientation imaging microscopy (OIM) map of the initial structure is shown in Figure 1a. The OIM map was obtained from the electron backscatter diffraction (EBSD) data and it demonstrates, random grain orientations. The initial structure is characterized by near-ellipsoid-shaped grains (the aspect ratio was ~1.3) with numerous annealing twins (Figure 1a) and an average grain size of ~30 µm. As shown by the back-scattered electron (BSE) image in Figure 1b, the microstructure also contains second-phase particles. The BSE image shows that the second phases are nearly spherical with an average diameter of ~1–5 µm. Usually, these particles are Cu-rich AlCu3, Al4Cu9 and AlCu2 intermetallic phases [21,22]. According to the technical specifications of CP copper [22], the particles have a metallurgic origin and they can also include oxides, hydrides, and flux-income impurities.
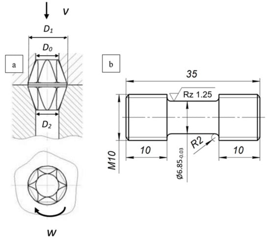
The HPTE apparatus (Karlsruhe Institute of Technology, Institute of Nanotechnology, Eggenstein-Leopoldshafen, Germany), with a specially designed die, is shown in Figure 2a. The material processing was performed at 100 °C with an extruding velocity (υ) of 1 mm/min and a rotational velocity (ω) of 1 rpm. According to [12], HPTE-processed copper with v1w1 regime at room temperature led to the formation of a UFG structure. In our study, cylindrical shaped (rod) samples with an initial diameter of 11.8 mm and a length of 35 mm were processed using molybdenum disulfide (MoS2) as a lubricant to facilitate the extrusion process. The HPTE apparatus was described in detail in [12]. During the processing, the Cu rod samples were exposed to expansion and extrusion as well as torsion.
Additional details regarding the development of the die design and the compressive strength the material samples are subjected to during the HPTE processing have been described in an earlier study [23]. The resulting equivalent strain depends on the ratio of the channel diameters (D1/D0 and D1/D2), the extruding velocity (υ), and the angular velocity of the die (ω), and it can be calculated as follows [12]:
e = 2lnD1/D0 + 2lnD1/D2 + (ω*R*D1)/(√3*v*D2)
where D0, D1, and D2 are fixed and equal to 12, 14, and 10.6 mm, respectively, and R is the distance from the center in the sample’s cross section.
Under the above-mentioned parameters, Table 1 contains the strain values calculated using Equation (1). The equivalent strain is in the range between 5.2 and 22.4, depending on the distance from the center, which ensures the formation of a gradient structure.
The HPTE-processed samples were afterwards sectioned both in the transverse (normal) and longitude directions, thinned to the foil thickness, grinded, and mechanically polished. The polished samples were subsequently examined by EBSD technique, using a ZeissAuriga60 scanning electron microscope (SEM), equipped with an EDAX-TSL EBSD system, and operated at 20 kV. The samples for SEM observations were prepared by conventional electro-polishing procedure with a Tenupol-5 twinjet polisher, using standard Struers solution for copper. Final polishing on GATAN PIPS system was performed to remove the surface oxide layer.
TSL OIM EDAX v.7 (EDAX Inc., Draper, UT, USA) software was used for indexing the EBSD patterns. The dimension of the scan areas was 20 × 20 µm. OIM maps were collected from transverse (shear plane) and longitudinal sections of the samples. They were collected at the sample’s center (~0.5 mm from the sample axis), at the middle-radius (~2.7 mm from the sample axis), and at the sample’s edge (~4.5 mm from the sample axis). Scan step was 0.1 µm for the initial state and at the central area of the deformed samples, and 0.05 µm at the mid-radius and edge of the HPTE samples.
To minimize misindexing error, nine Kikuchi-bands were used for indexing. To ensure reliability of the EBSD data, all grains comprising of three or fewer pixels were automatically removed from the maps using the grain-dilation and neighbor orientation correlation options of the TSL software (minimal grain tolerance angle was 5°). The camera settings and the Hough parameters allowed us to collect data without significant decrease in pattern quality with the angular resolution ~0.5°. For noise reduction, a lower limit boundary misorientation cut-off value of 2° was applied. A 15° criterion was used to differentiate between low—(LABs) and high—(HABs) angle GBs. The grain size (D) was computed using the equal diameter method. Two misorientation threshold values, of 3° and 15°, were used to define the grain area. The respective mean grain sizes are labeled as D3 and D15. Specific grain area (S/Si) distributions by the grain equivalent diameter were plotted for more than 500 grains in each state, where S is the map area and Si is the area of the grains within the i-th interval.
Grain shape was characterized by the Nx/Ny, the aspect ratio parameter corresponding to the ratio between the number of HAB intersections with vertical (Nx) and horizontal (Ny) secant lines in the transverse and longitude sample sections, respectively. The dislocation density was measured by means of two methods, i.e., EBSD and X-ray diffraction (XRD). The EBSD technique allows to define only geometrically necessary dislocation (GND) density [24], whereas XRD measured total dislocation density, including GNDs and statistically stored dislocations (SSDs). As a first-order estimate, the kernel average misorientation (KAM), which is retrieved directly from EBSD data, was chosen as a measure for the local misorientations. KAM gives the average misorientation around a measurement point with respect to a defined set of nearest and second-nearest neighbor points. The GND density was calculated from the local misorientations, using the option of the OIM software for the angles smaller than 2°. Standard preset for fcc crystal-type slip systems was used in the software set-up. For the calculation of KAM, we considered the slip in (111) crystallographic planes and four possible slip systems along four close-packed <110> directions. We computed the GND density, using the experimental data on the misorientation angle. Additional details regarding GND density calculation can be found elsewhere [25]. The calculation was done for each map pixel, taking into account the data for five nearest neighbors. Orientation gradient was determined as the misorientation between two points over the corresponding length [26].
XRD spectra were collected with a Philips X’Pert powder diffractometer (Malvern Panalytical Ltd., Almelo, The Netherlands), operating in the Bragg–Brentano geometry with the Cu-Kα emission line. The background pattern was calculated by the X’pert HighScore software (Malvern Panalytical Ltd., Malvern, UK). The irradiation area had the dimensions of 5 mm in width and 1 mm in length. This made it possible to obtain XRD spectra from three different locations of the sample along the shear direction (SD) in the longitudinal rod section.
Parameters of the XRD peak profiles, i.e., peak intensity and full width at half maximum, were fitted by the Pseudo-Voigt function. The mean diameter of the crystallites (size of coherently scattering domains) and micro-strain have been estimated from the diffraction peak broadening, including reflections up to (420), in a modified Williamson–Hall method [27]. It is known that in the case of the random distribution of dislocations, the total dislocation density ρ can be defined as [28,29]:
ρ = 2 3 ε h k l 2 1 / 2 D h k l b ,
where Dhkl is crystallite size, < ε h k l 2 >1/2 is the mean squared micro-strain value, and b is the absolute value of the Burgers vector.
SEM Zeiss LEO1530 at the acceleration voltage of 20 kV coupled with energy-dispersion spectrometry (EDS) was used for the elemental analysis of the samples.
To enhance the spatial and angular resolution of the OIM analysis we carried out the investigations using the FEI Tecnai F20 transmission electron microscope (200 kV) with field emission gun, equipped with the system for automated crystal orientation mapping in the TEM (ACOM-TEM) [30]. For the mapping we used the µ-probe set-up with a beam diameter of ~1–1.5 nm and step size of 5 nm.
A Buehler Micromet-5104 tester was used for the Vickers hardness measurements. A load of 0.2 kg with a dwell time of 15 s was applied to all samples during the hardness measurements. Five indentations spaced 1 mm apart were made along two mutually perpendicular diameters of the specimens. The average value of each measurement was computed from 10 indentations.
Tensile tests were carried out at ambient temperature at a strain rate of 1 × 10−3 s−1, using a Zwick Z100 screw-driven testing machine on cylinder-shaped samples with twist holders (Figure 2b). The tensile samples were machined from the three HPTE-processed billets along the extrusion direction in accordance with ASTM E 8/E 8M-08 requirements.

3. Results

3.1. Microstructure in the Central Area

The OIM analysis was performed for the central, mid-radius, and edge areas of the samples, previously processed by HPTE in v1w1 regime and the corresponding OIM maps are shown in Figure 3. Grains displaying different crystallographic orientations are indicated by different colors, according to the standard stereographic triangle in the pole figure. Corresponding histograms of the grain size distribution and a GB misorientation distribution from the OIM maps are shown in Figure 3. Microstructure parameters, i.e., grain size at respective boundary misorientation threshold (D3 and D15), average misorientation angle (Θav), the HABs volume fraction (VHAB), twin boundaries volume fraction (Vtwin), second-phase particles’ size (dp) and their volume fraction (f), are given in Table 1.
The D15 grain size distribution in the transverse section of central area was bimodal with two maxima, at 16.7 μm for coarse grains and at 1.2 μm for fine grains (Figure 4a). These two fractions had a specific area ratio of 1:3. Grain size distribution in the longitude section was of a lognormal type. For this section the average grain size of 1.4 μm matched the histogram maximum (Figure 4b).
According to the EBSD data, the GB misorientation histograms were bimodal in both sample sections, with one maximum being close to 2° in the low angle range, and a second one at 47°–48° in the high angle range (Figure 5).
In the central part, the HABs volume fraction in the longitudinal cross-section was larger than that of the transverse cross-section (41% vs. 25%, see Table 1 and Figure 5a,b). This difference in the volume fraction can be explained by the grain morphology, i.e., the coarse grains were elongated in the transverse section, containing numerous LABs (Figure 3a). The grain size that was determined at the 3° (D3) boundary misorientation threshold was 0.8 μm in both cross-sections, whereas D15 in the longitudinal section was four times smaller than that in the transverse section (refer to Table 1). Due to this difference in the D15 value, the volume fraction of HABs in the longitudinal section was larger than that in the transverse section.

3.2. Microstructure in the Mid-Radius Area

In contrast to the inhomogeneous microstructure observed in the central part of the processed sample, the grain structure in the mid-radius area was rather uniform. The average grain size of both D15 and D3 were significantly smaller than those in the central area (Table 1) and grain morphology was equiaxed (Figure 3b).
The SEM-BSE images revealed that the volume fraction of the second-phase particles was slightly smaller than that of the central area. Furthermore, no precipitates in the grains after HPTE were seen in TEM bright field (BF) images (Figure 6a).
The BF TEM image shown in Figure 6a also illustrates the grain substructure of copper after HPTE in the mid-radius area. The majority of triple junctions had contact angles close to 120° (Figure 6a,b). Some grains contained a higher dislocation density compared to that of the adjacent grains, manifested by the diffraction contrast in the image. In general, the TEM observations were consistent with the EBSD maps with respect to the grain size values (Table 2).
Grain size histograms for transverse and longitudinal sections demonstrated similar lognormal distributions. The maxima in both distributions corresponded to 0.8–0.9 µm in the transverse and to 0.7–0.8 µm in the longitudinal sections (Figure 4). However, in the transverse section the number of very small grains, of sizes less than 0.3 µm, was larger than that present in the longitudinal section (Figure 4). The grain size distribution was broader in the transverse section, with grains in range 3 μm < D15 < 6 μm, whereas no grains larger than 3 μm were observed in the longitudinal section (Figure 4). From this, we concluded that the grain structure in copper after HPTE in the mid-radius area was quite similar both in transverse and longitudinal sections, which was not the case for the sample´s central area.
From GB misorientation distributions, it can be observed that the volume fraction of HABs in longitudinal section was higher than that in the transverse one (49% and 33%, respectively, Table 1). This difference was similar to the difference found in the central area and was most likely due to the same grain refinement mechanism.
The differences in grain size and grain size distribution provide evidence that in the mid-radius area the HPTE creates conditions for efficient grain refinement, resulting in smaller grain size than that in the central area of the sample (Table 1).
Examination of the CP copper microstructure after HPTE in the mid-radius area by means of ACOM TEM provided additional microstructural details. Grain substructure was examined in detail using the BF images like that shown in Figure 6a. A typical orientation map is shown in Figure 6b, whereas a GND spatial distribution is shown in Figure 6c. It should be noted here that twins were observed inside the ultrafine grains, which is the reason for the characteristic peak at 60° present in the boundary misorientation histogram (Figure 6b). The volume fraction of the twin-type boundaries was 14% and this value was greater by 5.5% compared to that obtained by the EBSD method (Table 1). Most probably, this difference could be the result of the different step sizes used in the two methods as well as by higher spatial resolution in ACOM TEM.
The average thickness of the twins was about 40 nm (Figure 6b), and the average twin size, estimated using equal circles method, was about 110 nm, i.e., smaller than the measured grain size, D3 = 250 nm. The nano-size twins and grains less than 50 nm could not be resolved in SEM, using a 50 nm step size. Figure 6a,b shows that a high number of very small subgrains, bounded by LABs, was present in the HPTE-processed sample. In general, the majority of grains, bounded by HABs (and marked with blue lines in Figure 6d) contained one or more LABs.
We can see in the ACOM TEM maps (Figure 6b,c) that many twin-type GBs were formed during the HPTE deformation within the fine grains, in this way dividing them into smaller grains. The GND density differed significantly in neighboring (sub)grains (Figure 6c), which means that both LABs and twin-types GBs provided effective barriers for the dislocation slip and they should be taken into account in the analysis of possible strengthening factors, in particular Hall–Petch strengthening. Since the volume fraction of twin boundaries increases from the sample´s center to the edge (Table 1), we can conclude that twinning was more active at higher strains. From the nano-twins morphology, it is hypothesized that twinning occurred in the newly formed small grains.

3.3. Microstructure at the Edge of the Sample

Structure at the sample´s edge consisted of ultrafine equiaxed grains (Figure 3c). The average grain size (D15) in this location was still higher than D3 and it became a bit smaller than that in the mid-radius area (Table 1).
Grain size distribution histograms for the transverse and longitudinal sections looked similar to those of the mid-radius area. The distributions were of log-normal type, with a maximum at 0.7 µm in both sections (Figure 4a,b). GB misorientation distributions show that the fractions of HABs in transverse and longitude sections were 61 and 79%, respectively. These values were much higher than the fractions of HABs in both the central and mid-radius areas (Table 1).

3.4. Dislocation Density

From the center to the edge of the HPTE-processed rod, the GND density in copper after HPTE was 10-times higher when compared to that of the annealed material and it gradually increased from 100 × 1012 m−2 to 130 × 1012 m−2. (Figure 7). Total dislocation density derived from XRD measurements was higher (150 × 1012 m−2 in the central areas and 300 × 1012 m−2 at the edge, Figure 7), being that X-ray diffraction data accounted for both GND and SSD.

3.5. Microhardness

In agreement with microstructural observations and dislocation density measurements, the microhardness of the HPTE-processed copper increased from initial value of 75 HV to 110 HV in the central area, and to 125 HV at the mid-radius and at the edge of the sample (Figure 8a). It can be seen that at a distance of ~0.4 R from the center, microhardness reached its saturation value of ~125 HV and it remained roughly the same up to the specimen edge (Figure 8a).
Therefore, according to the HV data, the Cu rod samples produced by HPTE consisted of two distinct regions, i.e., an inner and an outer region. There are: (1) a central region that extends up to ~0.4 R = 2.0 mm (corresponding equivalent strain ~8, Figure 8a) with a gradually increasing microhardness; and (2) an outer region (>0.4 R) with saturated microhardness value of about 125 HV. The tensile test samples had the gauge diameter of 6.85 mm, sampling both the central area and half of outer area, as indicated by a vertical line in Figure 8a.

3.6. Tensile Tests

Tensile tests showed that the HPTE method resulted in an increase in the yield strength of Cu by more than twice that of the initial annealed state (370 MPa vs. 130 MPa) and a significant ultimate tensile strength enhancement of 430 MPa, with no changes in total elongation (Figure 8b, Table 2).
A rapid strengthening and a short uniform elongation range characterized the stress–elongation curve of copper after HPTE. A decrease of uniform elongation from ~16% in the annealed state to ~2% after the HPTE deformation was a typical behavior for the materials produced by SPD methods. However, after the deformation was localized, the elongation to fracture reached 30%, which was two times higher than post-necking elongation of the annealed copper (Figure 8b).

4. Discussion

The microstructure study demonstrated that the v1w1 regime of the HPTE deformation, carried out at 100 °C, resulted in the formation of a gradient microstructure in CP copper. This is not surprising since HPTE combines both extrusion and shear deformation modes. The shearing mode gradually increases from the sample´s center to the edge (Equation (1)). Consequently, the central area of the HPTE-processed rod is characterized by the presence of a fine-grained structure, whereas in the mid-radius and edge areas are characterized by an ultrafine-grained structure. Apparently, large grains were gradually refined with an increasing strain, resulting in an increased fraction of the fine grains, as shown in Figure 4a. Even in the central area of the HPTE rod the majority of grains (about 80–85%) are the newly refined grains with the sizes in the range of ~2–5 µm (Figure 3a). In this area, new dislocation boundaries were actively formed and the difference between D15 and D3 is significant (Table 1).
At a larger distance from the center, the applied strain increased, and the formation rate of new GBs became slower since both grain sizes, D3 and D15, were practically the same at the mid-radius and at the edge, indicative of no further grain refinement. This indicates that the saturation of the grain size refinement was reached, which is typical for other SPD methods [32]. Following grain refinement saturation, the misorientations at the already-formed interfaces were growing resulting in an increase of the HABs fraction (Figure 5). Note that this increase occurred at different rates at different grain facets and the difference between D15 and D3 still persisted up to the highest strain reached in our experiment. GB distribution maps like one shown in Figure 6d clearly demonstrate that in all sample areas, the microstructure is complex, i.e., the LABs and HABs represent an interpenetrated network. In other words, a crystallite (grain or subgrain) can be simultaneously bounded by high angle and low angle boundaries. Interestingly, the density of SSD showed an enhanced increase at the edge of the HPTE-processed sample in comparison with that of GND (Figure 6c). This fact suggests that the multiplication rate of SSD was higher than their recovery/annihilation rate at the edge (also in the mid-radius) area, compared to the kinetics of the same processes in the central area. The difference in density for both kinds of dislocations (GND and SSD) is consistent with the published data [33], showing that: (i) in well-annealed metallic materials the GND density is 20%–30% lower than the total dislocation density; and (ii) that both values are strongly correlated.
The microstructure resulting from HPTE processing has similar features with the gradient microstructure of CP Cu after free-end torsion [31,34]. Nevertheless, several distinctions should be mentioned here. HPTE provided a more efficient grain refinement compared to that achievable with free-end torsion. Furthermore, instead of a coarse-grained structure in the center and a fine-grained structure at the periphery, we observed an FG structure at the center and a UFG structure at the periphery after HPTE. After HPTE, we observed a more homogeneous grain structure in the entire sample with no grain elongation, as it was observed after the free-end torsion.
CP Cu samples deformed via the HPTE under the v1w1 regime demonstrated a yield strength and an ultimate strength close to the corresponding values obtained after the free-end torsion with strain 1.3 [31]. The elongation to failure of Cu was reduced for more than 1.5 times compared to the elongation after free end torsion. By contrast, the ductility after HPTE remained at the level of the annealed state.
The microhardness saturation value of 125 HV is very close to the microhardness of oxygen-free (OF) copper deformed by HPTE under the v1w1 regime at room temperature [12], and also close to OF copper microhardness after HPT [8,15] (Table 2). The strength of the HPTE-processed copper is comparable with that of copper after ECAP, and it is not as high as that after HPT [8].
The change of the microhardness along the radius of the Cu rod cross-section allows to analyze the contribution of various hardening mechanisms after HPTE in different sample areas (Figure 8a). In fact, after HPTE treatment the variation of hardness is determined by the distribution of strain in the sample affecting the dislocation density values and the degree of grain refinement which gives rise to Hall–Petch hardening [35]. The inhomogeneity of the strain distribution in the HPTE-processed rod (Equation (1)) leads to the formation of the gradient structure. The tensile sample geometry (Figure 2b) made it possible to conduct mechanical testing on the sample with gradient structure.
We assume that experimentally obtained strength in CP copper samples after HPTE results from the following hardening mechanisms: accumulation of dislocations (σρ), Hall–Petch strengthening and subgrains (σH-P), solid solution strengthening (σSSS), and second-phase particle strengthening (σSPPS).
The contribution of stored dislocations to the yield strength can be estimated using the Taylor Equation:
σp = αMGb√ρ,
where M is Taylor factor, α is a constant, G is the shear modulus, b is the absolute value of the average Burgers vector, and ρ is the total dislocation density. We can estimate strengthening due to the grain refinement using the Hall–Petch relation:
σH-P = σ0 + kd−1/2,
where σ0 is the friction stress, k is a constant, and d is the mean grain size in the corresponding sample area. The sample contained material from central and mid-radius areas. The microstructure in both areas is complex because the grains are bounded by both HABs and LABs. Therefore, it is not clear which GB misorientation threshold and grain size should be used in Equation (3). Prior in-situ TEM study [36] had shown that in FCC metals with low and middle stacking fault energy, the LABs with Θ > 3° and special GBs provide effective barriers for the dislocation slip. Therefore, we can assume that the effective grain size, d, in the Hall–Petch equation is equal to D3. In Hall–Petch strengthening it is also necessary to account for the input from nanotwins. Twin boundaries are the obstacles for dislocations slip. The volume fraction of twin boundaries was 15.4% and the effective grain size d for the Hall–Petch strengthening calculation is D3 with twins = 0.25 µm, estimated from several ACOM TEM maps. This value is smaller than D3 obtained from EBSD maps (0.4 µm, Table 1) due to higher angular resolution of ACOM TEM technique as previously discussed.
Solid solution strengthening is complex since the solute atoms can interact with dislocations by the elastic, electrical, short-range and long-range interactions [37]. For the Cu-Al substitutional solid solution, the elastic interaction is most important. This elastic interaction can be associated with local short-range mean normal stress. In the linear approximation, the elastic interaction is assessed as Paierls-Nabarro forces taking into account the atomic radius misfits and alloying element concentrations [37]. As a result, solid solution strengthening leads to an increase in the friction stress σ0. Solid solution strengthening for the Cu–Al single crystal was measured experimentally and, depending on the concentration of Al in solid solution, a linear dependence of the σsss was obtained [38]:
σ S S S = M 4 c 2 3 ,  
where c is the concentration of Al in the Cu–Al solid solution.
Second-phase particle strengthening was provided by the large (about 1 micrometer in diameter) particles and it can be calculated using the Orovan’s formula for the non-coherent particles:
σ S P P S = 2 α M G b d p π / 6 f ,  
The parameters (σ0, k, α, G, b) used for computing the various strengthening mechanisms described above were taken from [22,39,40], whereas the structure parameters D3, ρ, dp, f are given in Table 1 and Table 3.
As can be seen in Table 4, the calculated contributions from the solid solution and the precipitation strengthening are small and they provide less than 10% to the YScalc value, while the dislocation strengthening is 3–4 times higher, which provides ~50% to the YScalc in the initial state and only 20% of the YScalc in HPTE-processed copper. The low contribution of dislocation strengthening to YScalc in the HPTE-processed copper is likely related to the elevated temperature of the HPTE processing of 100 °C, which promoted recovery of dislocation density. Therefore, the main contribution (~60%) to the strength of HPTE-processed Cu is due to the GB strengthening via the Hall–Petch mechanism.
In order to compare the calculated (YScalc) and the experimentally measured (YSM) yield strengths of the entire HPTE-processed sample we can use the rule of mixture:
Y S M = Y S C V C + Y S M R V M R
where YSC and YSMR are the calculated values of the yield strength of the material from the center and mid-radius area, respectively (Table 4), and VC and VMR are the volume fractions in these same areas. According to the microhardness distribution along the radius of the HPTE-processed sample (Figure 8a), the hardness is low in a narrow area with the radius of 1.2 mm around the rod axis. Therefore, the volume fraction of this part of the tensile specimen is only 0.12. Consequently, the majority of the volume fraction is contributed by mid-radius area. The calculated value of YSM = 374.6 MPa is in a good agreement with experimentally measured yield strength of 370 MPa. A part of the HPTE-processed rod with high hardness and strength values was removed upon machining of the tensile specimen (Figure 8b). A rapid strengthening and a short uniform elongation range characterized the stress–elongation curve of copper after HPTE. A decrease of uniform elongation from ~16% in the annealed state to ~2% after the HPTE deformation is a typical behavior for the materials produced by SPD methods. However, as the deformation is localized, the elongation to fracture reaches 30%, which is two times higher than post-necking elongation of the annealed copper (Figure 8b). Such a behavior is typical for materials with ultrafine-grained microstructure [41,42,43] and most likely related to the increased strain rate sensitivity of such materials. Otherwise, the strength of the entire specimen would be even higher. Therefore, HPTE processing of CP copper provides large elongation to failure and high strengthening mostly due to the Hall–Petch mechanism. The uniform elongation (~2%) had not been improved despite the presence of gradient microstructure as proposed in [7]. Most likely, this approach could not be realized in the HPTE-processed copper because both central and outer layers were sufficiently strengthened, and the material demonstrated tensile behavior similar to that of the homogeneous UFG materials.

5. Conclusions

  • It was shown that HPTE equipment can be used to produce CP Cu rods combining both high strength and large elongation to failure.
  • HPTE under the v1w1 regime provides the formation of a gradient structure with fine-grained microstructure close to the rod axis and ultrafine-grained microstructure in the rest of the rod.
  • Tensile behavior of the CP copper after HPTE with gradient structure is similar to that of the CP copper after SPD techniques providing a homogeneous structure.
  • The strength of the gradient HPTE Cu sample follows the rule of mixture.
  • The main contribution to the strength of copper processed by HPTE at 100 °C is GB strengthening via Hall–Petch mechanism. Low angle boundaries and nanotwins serve as effective obstacles for dislocation slip and they should be taken into account regarding the grain size in Hall–Petch equation.
  • The potential of the HPTE method for obtaining a high strength in bulk structural materials was demonstrated. Similar strength properties were found earlier after conventional HPT treatment; however, HPT cannot produce bulk materials required for industrial use.

Author Contributions

Conceptualization, H.H. and Y.I.; methodology, D.N., A.M. and Y.I.; investigation, D.N. and A.M.; writing—original draft preparation, D.N.; writing—review and editing, Y.I. and A.M.; supervision, Y.I. and H.H.; project administration, H.H.; funding acquisition, Y.I. and H.H.

Funding

This work was financially supported by German Research Foundation (DFG) under Grants Nos. IV98/8-1, HA1344/39-1.

Acknowledgments

Authors are grateful to R. Kulagin and Y. Beygelzimer for fruitful discussion of the material´s mechanical properties and to V. Provenzano for the careful editing of the manuscript. This work was partly performed with the support of the Karlsruhe Nano Micro Facility (KNMF), a Helmholtz Research Infrastructure at the Karlsruhe Institute of Technology (KIT).

Conflicts of Interest

The authors declare no conflict of interest.

References

  1. Valiev, R.Z.; Estrin, Y.; Toth, L.S.; Lowe, T.C. Special Issue: Bulk Nanostructured Materials. Adv. Eng. Mater. 2015, 17, 1708–1709. [Google Scholar] [CrossRef][Green Version]
  2. Hoppel, H.W.; Kautz, M.; Xu, C.; Murashkin, A.; Langdon, T.G.; Valiev, R.Z.; Mughrabi, H. An overview: Fatigue behaviour of ultrafine-grained metals and alloys. Int. J. Fatigue 2006, 28, 1001–1010. [Google Scholar] [CrossRef]
  3. Segal, V.M. Materials processing by simple shear. Mater. Sci. Eng. A 1995, 197, 157–164. [Google Scholar] [CrossRef]
  4. Furukawa, M.; Horita, Z.; Nemoto, M.; Langdon, T.G. Review: Processing of metals by equal-channel angular pressing. J. Mater. Sci. 2001, 36, 2835–2843. [Google Scholar] [CrossRef]
  5. Valiev, R.Z.; Langdon, T.G. Principles of equal-channel angular pressing as a processing tool for grain refinement. Prog. Mater. Sci. 2006, 51, 881–981. [Google Scholar] [CrossRef]
  6. Estrin, Y.; Vinogradov, A. Extreme grain refinement by severe plastic deformation: A wealth of challenging science. Acta Mater. 2013, 61, 782–817. [Google Scholar] [CrossRef]
  7. Fang, T.H.; Li, W.L.; Tao, N.R.; Lu, K. Revealing Extraordinary Intrinsic Tensile Plasticity in Gradient Nano-Grained Copper. Science 2011, 331, 1587–1590. [Google Scholar] [CrossRef]
  8. Alawadhi, M.Y.; Sabbaghianrad, S.; Huang, Y.; Langdon, T.G. Direct influence of recovery behaviour on mechanical properties in oxygen-free copper processed using different SPD techniques: HPT and ECAP. J. Mater. Res. Technol. 2017, 6, 369–377. [Google Scholar] [CrossRef]
  9. Beygelzimer, Y.; Prilepo, D.; Kulagin, R.; Grishaev, V.; Abramova, O.; Varyukhin, V.; Kulakov, M. Planar Twist Extrusion versus Twist Extrusion. J. Mater. Process. Technol. 2011, 211, 522–529. [Google Scholar] [CrossRef]
  10. Richert, J. A New Method for Unlimited Deformation of Metals and Alloys. Aliminum 1986, 62, 604–607. [Google Scholar]
  11. Pardis, N.; Talebanpour, B.; Ebrahimi, R.; Zomorodian, S. Cyclic expansion-extrusion (CEE): A modified counterpart of cyclic extrusion-compression (CEC). Mater. Sci. Eng. A-Struct. Mater. Prop. Microstruct. Process. 2011, 528, 7537–7540. [Google Scholar] [CrossRef]
  12. Ivanisenko, Y.; Kulagin, R.; Fedorov, V.; Mazilkin, A.; Scherer, T.; Baretzky, B.; Hahn, H. High Pressure Torsion Extrusion as a new severe plastic deformation process. Mater. Sci. Eng. A 2016, 664, 247–256. [Google Scholar] [CrossRef]
  13. Mizunuma, S. Large straining behavior and microstructure refinement of several metals by torsion extrusion process. In Mater Sci Forum; Horita, Z., Ed.; Trans Tech Publications Ltd.: Stafa-Zurich, Switzerland, 2006; Volume 503–504, pp. 185–190. [Google Scholar]
  14. Fedorov, V.; Ivanisenko, J.; Baretzky, B.; Hahn, H. Vorrichtung und Verfahren zur Umformung von Bauteilen aus Metallwerkstoffen. German patent DE 10 2013 213 072.4 European patent EP 2 821 156 B1, 2015. [Google Scholar]
  15. Edalati, K.; Imamura, K.; Kiss, T.; Horita, Z. Equal-Channel Angular Pressing and High-Pressure Torsion of Pure Copper: Evolution of Electrical Conductivity and Hardness with Strain. Mater. Trans. 2012, 53, 123–127. [Google Scholar] [CrossRef]
  16. Khereddine, A.Y.; Larbi, F.H.; Kawasaki, M.; Baudin, T.; Bradai, D.; Langdon, T.G. An examination of microstructural evolution in a Cu-Ni-Si alloy processed by HPT and ECAP. Mater. Sci. Eng. A 2013, 576, 149–155. [Google Scholar] [CrossRef]
  17. Li, J.H.; Li, F.G.; Zhao, C.; Chen, H.; Ma, X.K.; Li, J. Experimental study on pure copper subjected to different severe plastic deformation modes. Mater. Sci. Eng. A 2016, 656, 142–150. [Google Scholar] [CrossRef]
  18. Balasundar, I.; Raghu, T. On the die design for Repetitive Upsetting—Extrusion (RUE) process. Int. J. Mater. Form. 2013, 6, 289–301. [Google Scholar] [CrossRef]
  19. Wu, X.L.; Yang, M.X.; Yuan, F.P.; Wu, G.L.; Wei, Y.J.; Huang, X.X.; Zhu, Y.T. Heterogeneous lamella structure unites ultrafine-grain strength with coarse-grain ductility. Proc. Natl. Acad. Sci. USA 2015, 112, 14501–14505. [Google Scholar] [CrossRef]
  20. Wu, X.L.; Zhu, Y.T. Heterogeneous materials: A new class of materials with unprecedented mechanical properties. Mater. Res. Lett. 2017, 5, 527–532. [Google Scholar] [CrossRef]
  21. Rabkin, D.M.; Ryabov, V.R.; Lozovskaya, A.V. Preparation and properties of copper-aluminum intermetallic compounds. Powder Met. Met. Ceram. 1970, 9, 695. [Google Scholar] [CrossRef]
  22. Davis, J.R.; Committee, A.S.M.I.H. Copper and Copper Alloys; ASM International: Novelty, OH, USA, 2001. [Google Scholar]
  23. Omranpour, B.; Kulagin, R.; Ivanisenko, Y.; Garcia Sanchez, E. Experimental and numerical analysis of HPTE on mechanical properties of materials and strain distribution. IOP Conf. Series: Mater. Sci. Eng. 2017, 194, 012047. [Google Scholar] [CrossRef]
  24. El-Dasher, B.S.; Adams, B.L.; Rollett, A.D. Viewpoint: Experimental recovery of geometrically necessary dislocation density in polycrystals. Scri. Mater. 2003, 48, 141–145. [Google Scholar] [CrossRef]
  25. Calcagnotto, M.; Ponge, D.; Demir, E.; Raabe, D. Orientation gradients and geometrically necessary dislocations in ultrafine grained dual-phase steels studied by 2D and 3D EBSD. Mater. Sci. Eng. A 2010, 527, 2738–2746. [Google Scholar] [CrossRef]
  26. Field, D.P.; Trivedi, P.B.; Wright, S.I.; Kumar, M. Analysis of local orientation gradients in deformed single crystals. Ultramicroscopy 2005, 103, 33–39. [Google Scholar] [CrossRef] [PubMed]
  27. Markmann, J.; Yamakov, V.; Weissmuller, J. Validating grain size analysis from X-ray line broadening: A virtual experiment. Scr. Mater. 2008, 59, 15–18. [Google Scholar] [CrossRef]
  28. Williamson, G.K.; Smallman, R.E., III. Dislocation densities in some annealed and cold-worked metals from measurements on the X-ray debye-scherrer spectrum. Philos. Mag. A J. Theor. Exp. Appl. Phys. 1956, 1, 34–46. [Google Scholar] [CrossRef]
  29. Smallman, R.E.; Westmacott, K.H. Stacking faults in face-centred cubic metals and alloys. Philos. Mag. A J. Theor. Exp. Appl. Phys. 1957, 2, 669–683. [Google Scholar] [CrossRef]
  30. Kobler, A.; Kübel, C. Challenges in quantitative crystallographic characterization of 3D thin films by ACOM-TEM. Ultramicroscopy 2017, 173, 84–94. [Google Scholar] [CrossRef]
  31. Guo, N.; Song, B.; Yu, H.B.; Xin, R.L.; Wang, B.S.; Liu, T.T. Enhancing tensile strength of Cu by introducing gradient microstructures via a simple torsion deformation. Mater. Des. 2016, 90, 545–550. [Google Scholar] [CrossRef]
  32. Pippan, R.; Scheriau, S.; Taylor, A.; Hafok, M.; Hohenwarter, A.; Bachmaier, A. Saturation of Fragmentation During Severe Plastic Deformation. Annu. Rev. Mater. Res. 2010, 40, 319–343. [Google Scholar] [CrossRef]
  33. Kundu, A.; Field, D.P. Geometrically Necessary Dislocation Density Evolution in Interstitial Free Steel at Small Plastic Strains. Metall. Mater. Trans. A 2018, 49, 3274–3282. [Google Scholar] [CrossRef]
  34. Wang, C.P.; Li, F.G.; Li, J.H.; Dong, J.Z.; Xue, F.M. Microstructure evolution, hardening and thermal behavior of commercially pure copper subjected to torsion deformation. Mater. Sci. Eng. A 2014, 598, 7–14. [Google Scholar] [CrossRef]
  35. Hall, E.O. The Deformation and Ageing of Mild Steel: III Discussion of Results. Proc. Phys. Soc. Sect. B 1951, 64, 747–753. [Google Scholar] [CrossRef]
  36. Fujita, H.; Toyoda, K.; Mori, T.; Tabata, T.; Ono, T.; Takeda, T. Dislocation Behavior in the Vicinity of Grain Boundaries in FCC Metals and Alloys. Trans. Jpn. Inst. Met. 1983, 24, 195–204. [Google Scholar] [CrossRef]
  37. Stremel, M.A. Prochnost Splavov. Chast 2; MISIS: Moscow, Russia, 1997; Volume 2, p. 528. [Google Scholar]
  38. Kratochvíl, P.; Neradová, E. Solid solution hardening in some copper base alloys. Czechoslov. J. Phys. B 1971, 21, 1273–1278. [Google Scholar] [CrossRef]
  39. Hansen, N. Hall–Petch relation and boundary strengthening. Scr. Mater. 2004, 51, 801–806. [Google Scholar] [CrossRef]
  40. Huang, C.X.; Wang, K.; Wu, S.D.; Zhang, Z.F.; Li, G.Y.; Li, S. Deformation twinning in polycrystalline copper at room temperature and low strain rate. Acta Mater. 2006, 54, 655–665. [Google Scholar] [CrossRef]
  41. Valiev, R. Nanostructuring of metals by severe plastic deformation for advanced properties. Nat. Mater. 2004, 3, 511–516. [Google Scholar] [CrossRef]
  42. Meyers, M.A.; Mishra, A.; Benson, D.J. Mechanical properties of nanocrystalline materials. Prog. Mater. Sci. 2006, 51, 427–556. [Google Scholar] [CrossRef]
  43. Wang, Y.M.; Ma, E. Strain hardening, strain rate sensitivity, and ductility of nanostructured metals. Mater. Sci. Eng. A 2004, 375–377, 46–52. [Google Scholar] [CrossRef]
Figure 1. (a) Typical orientation imaging microscopy (OIM) map and (b) back-scattered electron (BSE) image of the annealed Cu rod (longitude section).
Figure 1. (a) Typical orientation imaging microscopy (OIM) map and (b) back-scattered electron (BSE) image of the annealed Cu rod (longitude section).
Metals 09 01081 g001
Figure 2. HPTE die with (a) holding elements and (b) a schematic drawing of the tensile test sample. Dimensions are given in millimeters.
Figure 2. HPTE die with (a) holding elements and (b) a schematic drawing of the tensile test sample. Dimensions are given in millimeters.
Metals 09 01081 g002
Figure 3. OIM maps from (left) transverse and (right) longitude sections of the sample areas at (a) the center; (b) the mid-radius; and (c) the edge, after HPTE.
Figure 3. OIM maps from (left) transverse and (right) longitude sections of the sample areas at (a) the center; (b) the mid-radius; and (c) the edge, after HPTE.
Metals 09 01081 g003
Figure 4. D15 grain size distribution by the grains specific area (S/Si) after HPTE in the (a) transverse and (b) longitude sample sections.
Figure 4. D15 grain size distribution by the grains specific area (S/Si) after HPTE in the (a) transverse and (b) longitude sample sections.
Metals 09 01081 g004
Figure 5. GB misorientation distributions after HPTE in the (a) transverse and (b) longitudinal sample sections.
Figure 5. GB misorientation distributions after HPTE in the (a) transverse and (b) longitudinal sample sections.
Metals 09 01081 g005
Figure 6. Microstructure of the HPTE Cu in the mid-radius area of the longitudinal section; all the images are at the same scale. (a) TEM BF image; (b) ACOM TEM OIM map in which LABs (3° < Θ < 15° are highlighted with white lines) and HABs (Θ > 15°) are highlighted with black lines; (c) GND distribution map from ACOM TEM (all GBs are marked with white lines; and (d) EBSD OIM GBs network (LABs marked with red lines, HABs marked with blue lines).
Figure 6. Microstructure of the HPTE Cu in the mid-radius area of the longitudinal section; all the images are at the same scale. (a) TEM BF image; (b) ACOM TEM OIM map in which LABs (3° < Θ < 15° are highlighted with white lines) and HABs (Θ > 15°) are highlighted with black lines; (c) GND distribution map from ACOM TEM (all GBs are marked with white lines; and (d) EBSD OIM GBs network (LABs marked with red lines, HABs marked with blue lines).
Metals 09 01081 g006
Figure 7. Dislocation density distribution in the CP Cu rod before and after HPTE.
Figure 7. Dislocation density distribution in the CP Cu rod before and after HPTE.
Metals 09 01081 g007
Figure 8. (a) Microhardness distribution along the radius and (b) tensile curves of Cu before and after HPTE.
Figure 8. (a) Microhardness distribution along the radius and (b) tensile curves of Cu before and after HPTE.
Metals 09 01081 g008
Table 1. Structure parameters of CP Cu rod after the HPTE treatment, based on the SEM–EBSD and BSE imaging *.
Table 1. Structure parameters of CP Cu rod after the HPTE treatment, based on the SEM–EBSD and BSE imaging *.
Process IDED15, µmD3, µmNX/NYVHAB, %Θav, degVtwin, %dp, µmf, %
initial030.0-1.3904756.40.610.21
HPTEcenter5.2(16.7,1.2) **/1.4 0.8/0.80.9/0.925/4114/193.81.220.17
mid-rad13.80.9/0.80.4/0.61.0/0.933/4916/269.0
edge22.40.7/0.70.4/0.61.1/1.061/7931/359.1
* All microstructure parameters are given for the transverse/longitudinal sections. ** Here the grain size values for two maxima of the grain size distribution by the specific area are given.
Table 2. Vickers hardness (HV), yield strength (YS), ultimate strength (UTS) and elongation to failure (δ) of CP Cu after HPTE and after some other SPD processing methods.
Table 2. Vickers hardness (HV), yield strength (YS), ultimate strength (UTS) and elongation to failure (δ) of CP Cu after HPTE and after some other SPD processing methods.
Process ParametersHVYS, MPaUTS, MPaδ, %Source
annealing7513023031.8this article
HPTE v1w112537042032.0this article
soft rod ASTM 100220>5.0ASTM B49-17
Free-end torsion
1 revolution
312333~9[31]
11 revolutions 387458~9
16 revolutions 412514~10
ECAP e = 3413824042.1[8]
ECAP e = 181203584153.6
HPT ½ turn1334745122.0
HPT 10 turns1274444874.0
Table 3. Measured parameters used for the strengthening calculations.
Table 3. Measured parameters used for the strengthening calculations.
ParameterInitial ValueHPTE CenterHPTE Mid-Radius
ρ, ×1012m−2111147211
d, µm30.00.80.25
M3.163.153.08
dp, µm6.11.21.2
f, % 0.170.160.16
C, at% 0.50.60.6
Table 4. Contributions (all are given in MPa) of various strengthening mechanisms in CP Cu before and after HPTE. The testing sample contained central and mid-radius areas of the rod.
Table 4. Contributions (all are given in MPa) of various strengthening mechanisms in CP Cu before and after HPTE. The testing sample contained central and mid-radius areas of the rod.
Areaσ0σSSS σSPPS σρ σH-P YScalc * YSM ** YSexp *** HV
initial307.93.460.725.6127.6 130750
HPTEcenter308.917.369.8156.5282.6374.63701100
mid-rad308.816.983.7224.5419.31250
* YScalc is an arithmetic sum of the contributions from different strengthening mechanisms. ** YSM is the yield strength calculated by the mixture rule.*** YSexp is the experimental strength after HPTE.

Share and Cite

MDPI and ACS Style

Nugmanov, D.; Mazilkin, A.; Hahn, H.; Ivanisenko, Y. Structure and Tensile Strength of Pure Cu after High Pressure Torsion Extrusion. Metals 2019, 9, 1081. https://doi.org/10.3390/met9101081

AMA Style

Nugmanov D, Mazilkin A, Hahn H, Ivanisenko Y. Structure and Tensile Strength of Pure Cu after High Pressure Torsion Extrusion. Metals. 2019; 9(10):1081. https://doi.org/10.3390/met9101081

Chicago/Turabian Style

Nugmanov, Dayan, Andrey Mazilkin, Horst Hahn, and Yulia Ivanisenko. 2019. "Structure and Tensile Strength of Pure Cu after High Pressure Torsion Extrusion" Metals 9, no. 10: 1081. https://doi.org/10.3390/met9101081

APA Style

Nugmanov, D., Mazilkin, A., Hahn, H., & Ivanisenko, Y. (2019). Structure and Tensile Strength of Pure Cu after High Pressure Torsion Extrusion. Metals, 9(10), 1081. https://doi.org/10.3390/met9101081

Note that from the first issue of 2016, this journal uses article numbers instead of page numbers. See further details here.

Article Metrics

Back to TopTop