Reduction Conditions of Metallic Calcium from Magnesium Production Residues
Abstract
:1. Introduction
2. Thermodynamic Background
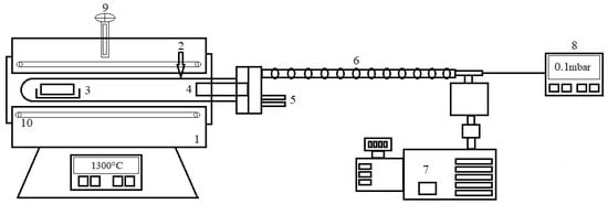
3. Experimental Studies
4. Results and Discussion
5. Conclusions
Author Contributions
Acknowledgments
Conflicts of Interest
References
- Cardarelli, F. Materials Handbook: A Concise Desktop Reference, 3rd ed.; Springer: London, UK, 2008; pp. 620–626. [Google Scholar]
- Mantell, C.L. The alkaline earth metals: Calcium, barium, and strontium. In Rare Metals Handbook, 2nd ed.; Hampel, C.A., Ed.; Reinhold: New York, NY, USA, 1973; pp. 15–25. [Google Scholar]
- Belitskus, D. Aluminothermic production of metals and alloys. JOM 1972, 24, 30–34. [Google Scholar] [CrossRef]
- Sokic, M.; Matković, V.; Marković, B.; Gulišija, Z.; Patarić, A.; Mihailović, M.; Janjušević, Z. The possibilities of obtaining metallic calcium from Serbian carbonate mineral raw materials. Chem. Ind. Chem. Eng. Q. 2014, 20, 397–405. [Google Scholar] [CrossRef]
- Liu, L.; Chen, M.; Xu, L.; Yin, X.; Sun, W. Effect of BaO Addition on Densification and Mechanical Properties of Al2O3-MgO-CaO Refractories. Metals 2016, 6, 84. [Google Scholar] [CrossRef]
- Giorgi, F.T.; Alexander, S. Production of Advanced Materials by Methods of Self-Propagating High-Temperature Synthesis; Springer: New York, NY, USA, 2013. [Google Scholar]
- Theodore, G. The Elements, a Visual Exploration of Every Known Atom in the Universe; Black Dog & Leventhal: New York, NY, USA, 2009. [Google Scholar]
- Albert, S. A Guide to the Elements, 3rd ed.; Oxford University Press: Oxford, UK, 2012. [Google Scholar]
- John, E. Nature’s Building Blocks: An A-Z Guide to the Elements; Oxford University Press: Oxford, UK, 2011. [Google Scholar]
- Mantell, C.L.; Hardy, C. Calcium Metallurgy and Technology; Reinhold: New York, NY, USA, 1945; p. 358. [Google Scholar]
- Mehra, O.K.; Bose, D.K.; Gupta, C.K. Molybdenum Metal by the Aluminothermic Reduction of Calcium Molybdate. Metall. Trans. 1973, 4, 691–694. [Google Scholar] [CrossRef]
- Xiaoming, M. Magnesium technology 2001. In Proceedings of the TMS Annual Meeting, New Orleans, LA, USA, 11–15 February 2001; pp. 13–15. [Google Scholar]
- Buğdaycı, M.; Turan, A.; Alkan, M.; Yücel, O. Effect of Reductant Type on the Metallothermic Magnesium Production Process. High Temp. Mater. Process. 2017. [CrossRef]
- Rodriguez-Navarro, C.; Ruiz-Agudo, E.; Luque, A.; Rodriguez-Navarro, A.B.; Ortega-Huertas, M. Thermal decomposition of calcite: Mechanisms of formation and textural evolution of CaO nanocrystals. Am. Mineral. 2009, 94, 578–593. [Google Scholar] [CrossRef]
- Beruto, D.; Searcy, A.W.; Kim, M.G. Microstructure, kinetic, structure, thermo- dynamic analysis for calcite decomposition: Free-surface and powder bed experiments. Thermochim. Acta 2004, 424, 99–109. [Google Scholar] [CrossRef]
- Wang, L.L.; Munir, Z.A.; Maximov, Y.M. Review Thermite reactions: Their utilization in the synthesis and processing of materials. J. Mater. Sci. 1993, 28, 3693–3708. [Google Scholar] [CrossRef]
- Kulifeev, V.K.; Kropachev, A.N.; Tarasov, V.P. Thermodynamic Investigations and Substantiation of the Aluminothermic Fabrication Method of Calcium. Russ. J. Non-Ferr. Met. 2016, 57, 15–22. [Google Scholar] [CrossRef]
- Pidgeon, L.M.; MacCatty, S.A. Production of Calcium. U.S. Patent Office Patent Number 2,464,767, 15 October 1949. [Google Scholar]
- Senthoorselvan, S.; Gleis, S.; Hartmut, S.; Yrjas, P.; Hupa, M. Cyclic Carbonation Calcination Studies of Limestone and Dolomite for CO2 Separation from Combustion Flue Gases. J. Eng. Gas Turbines Power 2009. [CrossRef]
- Yücel, O.; Yiğit, S.; Derin, B. Production of Magnesium Metal from Turkish Calcined Dolomite using Vacuum Silicothermic Reduction Method. Mater. Sci. Forum 2005, 488–489, 39–42. [Google Scholar]
- Hasegawa, M. Ellingham Diagram. In Treatise on Process Metallurgy, Volume 3: Industrial Processes, 1st ed.; Elsevier: New York, NY, USA, 2013. [Google Scholar]
- Zhang, C.; Wang, C.; Zhang, S.; Guo, L. The effects of hydration activity of calcined dolomite (HCD) on the silicothermic reduction process. Int. J. Miner. Process. 2015, 142, 154–160. [Google Scholar] [CrossRef]
- Wulandari, W.; Brooks, G.A.; Rhamdhani, M.A.; Monaghan, B.J. Kinetic analysis of silicothermic process under flowing argon atmosphere. Can. Metall. Q. 2014, 53, 17–25. [Google Scholar] [CrossRef]












| Mineral | Chemical Formula | Ca% |
|---|---|---|
| Calcite | CaCO3 | 40.04 |
| Gypsum | CaSO4·2(H2O) | 23.28 |
| Fluorite | CaF2 | 51.33 |
| Portlandite | Ca(OH)2 | 54.09 |
| Dolomite | CaMg(CO3)2 | 21.73 |
| Anhydrite | CaSO4 | 29.44 |
| Minimum Reduction Temp. (°C) | ||
|---|---|---|
| Chemical Formula | 1 bar | 1 mbar |
| CaO | 2332 | 1298 |
| MgO | 1481 | 838 |
| CaO | MgO | Al2O3 | Fe2O3 | SiO2 | Na2O | K2O |
|---|---|---|---|---|---|---|
| 57.65 | 3.68 | 0.35 | 5.55 | 28.35 | 0.57 | 0.18 |
| Exp. No. | Stoichiometry % | Temp., °C | Time, min. | Residual Wt., g | Residual Ca, % | Ca Reduction Recovery, % |
|---|---|---|---|---|---|---|
| 1 | 100 | 1200 | 60 | 8.10 | 48.60 | 3 |
| 2 | 120 | 8.30 | 44.65 | 9 | ||
| 3 | 180 | 8.00 | 45.13 | 11 | ||
| 4 | 240 | 8.20 | 39.92 | 19 | ||
| 5 | 125 | 1200 | 60 | 8.40 | 43.42 | 5 |
| 6 | 120 | 8.20 | 41.46 | 12 | ||
| 7 | 180 | 8.40 | 39.03 | 15 | ||
| 8 | 240 | 8.00 | 37.96 | 21 | ||
| 9 | 150 | 1200 | 60 | 8.30 | 41.82 | 5 |
| 10 | 120 | 8.10 | 40.08 | 11 | ||
| 11 | 180 | 8.10 | 39.00 | 14 | ||
| 12 | 240 | 8.20 | 35.97 | 20 | ||
| 13 | 100 | 1250 | 60 | 8.40 | 40.39 | 7 |
| 14 | 120 | 8.30 | 40.01 | 9 | ||
| 15 | 180 | 8.10 | 41.06 | 12 | ||
| 16 | 240 | 7.90 | 37.20 | 20 | ||
| 17 | 125 | 1250 | 60 | 8.40 | 40.82 | 6 |
| 18 | 120 | 8.20 | 39.45 | 12 | ||
| 19 | 180 | 8.10 | 37.71 | 17 | ||
| 20 | 240 | 8.10 | 36.07 | 20 | ||
| 21 | 150 | 1250 | 60 | 8.50 | 38.31 | 11 |
| 22 | 120 | 8.30 | 39.01 | 12 | ||
| 23 | 180 | 8.10 | 36.64 | 19 | ||
| 24 | 240 | 8.10 | 37.52 | 22 | ||
| 25 | 100 | 1300 | 60 | 8.20 | 37.00 | 25 |
| 26 | 120 | 7.70 | 31.75 | 40 | ||
| 27 | 180 | 7.60 | 28.00 | 48 | ||
| 28 | 240 | 7.20 | 22.50 | 60 | ||
| 29 | 125 | 1300 | 60 | 7.70 | 32.00 | 36 |
| 30 | 120 | 7.10 | 30.81 | 43 | ||
| 31 | 180 | 6.60 | 25.19 | 57 | ||
| 32 | 240 | 6.60 | 22.00 | 62 | ||
| 33 | 150 | 1300 | 60 | 7.20 | 32.32 | 37 |
| 34 | 120 | 7.00 | 28.80 | 45 | ||
| 35 | 180 | 6.80 | 22.14 | 59 | ||
| 36 | 240 | 6.50 | 20.10 | 68 | ||
| 37 | 360 | 5.30 | 20.06 | 71 | ||
| 38 | 480 | 5.20 | 19.60 | 72 |
| Exp. Conditions | k | lnk | 1/T × 104 (K−1) | |
|---|---|---|---|---|
| 1200 °C | 100% | 0.0014 | −6.57128 | |
| 125% | 0.0017 | −6.37713 | 6.788175 | |
| 150% | 0.0016 | −6.43775 | ||
| 1250 °C | 100% | 0.0014 | −6.57128 | |
| 125% | 0.0016 | −6.43775 | 6.565342 | |
| 150% | 0.0017 | −6.37713 | ||
| 1300 °C | 100% | 0.0197 | −3.92714 | |
| 125% | 0.0262 | −3.64201 | 6.356673 | |
| 150% | 0.0272 | −3.60454 | ||
© 2018 by the authors. Licensee MDPI, Basel, Switzerland. This article is an open access article distributed under the terms and conditions of the Creative Commons Attribution (CC BY) license (http://creativecommons.org/licenses/by/4.0/).
Share and Cite
Taşyürek, K.C.; Buğdaycı, M.; Yücel, O. Reduction Conditions of Metallic Calcium from Magnesium Production Residues. Metals 2018, 8, 383. https://doi.org/10.3390/met8060383
Taşyürek KC, Buğdaycı M, Yücel O. Reduction Conditions of Metallic Calcium from Magnesium Production Residues. Metals. 2018; 8(6):383. https://doi.org/10.3390/met8060383
Chicago/Turabian StyleTaşyürek, Kerem Can, Mehmet Buğdaycı, and Onuralp Yücel. 2018. "Reduction Conditions of Metallic Calcium from Magnesium Production Residues" Metals 8, no. 6: 383. https://doi.org/10.3390/met8060383
APA StyleTaşyürek, K. C., Buğdaycı, M., & Yücel, O. (2018). Reduction Conditions of Metallic Calcium from Magnesium Production Residues. Metals, 8(6), 383. https://doi.org/10.3390/met8060383

