Direct Production of Ferrochrome by Segregation Reduction of Chromite in the Presence of Calcium Chloride
Abstract
:1. Introduction
2. Materials and Methods
2.1. Materials
2.2. Thermogravimetric Analysis
2.3. Electric Tube Furnace Tests
2.4. Separation of Ferrochrome by Elutriating Tube
2.5. Analytical Methods
3. Results and Discussions
3.1. Effect of the Amount of CaCl2
3.2. Effect of the Amount of Reductant
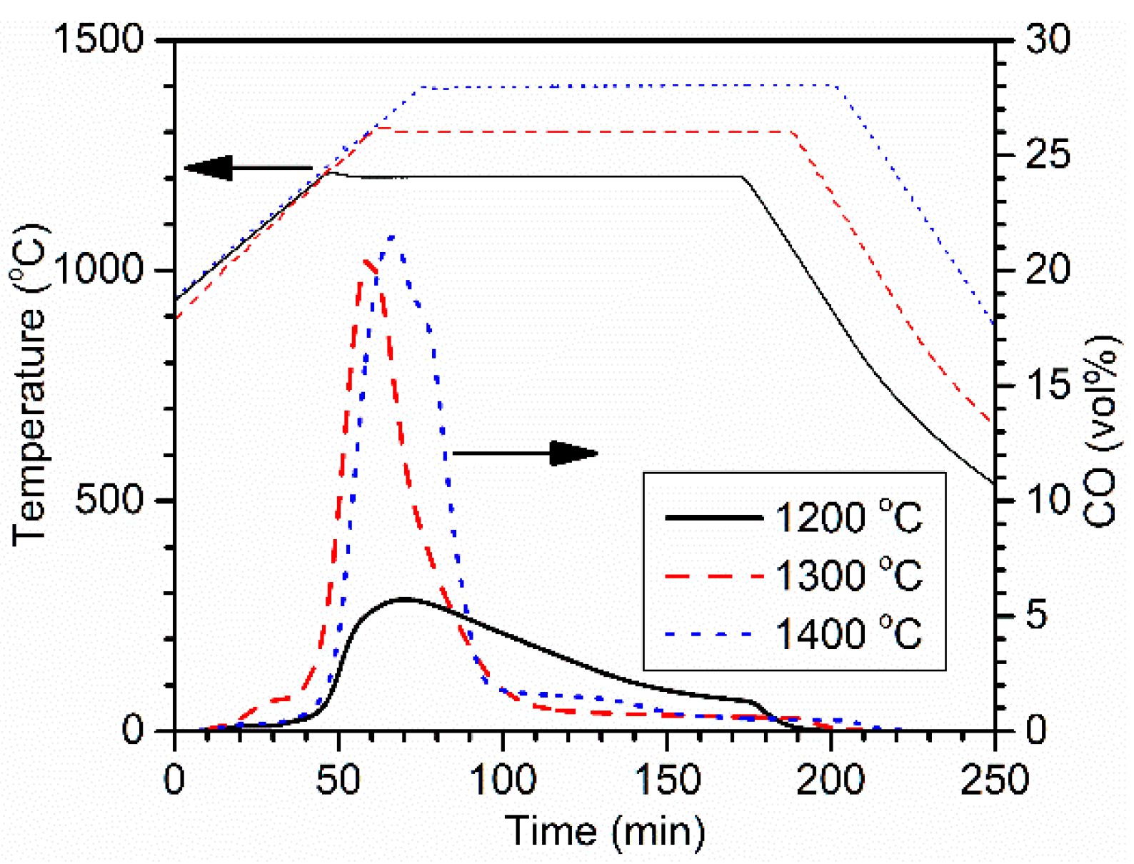
3.3. Effect of Reduction Temperature
3.4. Effect of Chromite Particle Size
3.5. Influence of Pelletization
3.6. Recovery of Ferrochrome
4. Conclusions
Acknowledgments
Author Contributions
Conflicts of Interest
References
- Gasik, M.I. Technology of Chromium and Its Ferroalloys. In Handbook of Ferroalloys: Theory and Technology; Gasik, M., Ed.; Butterworth-Heinemann Elsevier: Oxford, UK, 2013; pp. 299–316. ISBN 9780080977539. [Google Scholar]
- Curr, T.R. A review of new ferrochromium smelting technologies. Presented at the ICDA (International Chromium Development Association) Spring Meeting, Cape Town, South Africa, 11–13 March 1996; pp. 1–8. [Google Scholar]
- Kapure, G.; Tathavadkar, V.; Rao, C.B.; Rao, S.M.; Raju, K.S. Coal based direct reduction of preoxidized chromite ore at high temperature. In Proceedings of the Twelfth International Ferroalloys Congress, Helsinki, Finland, 6–9 June 2010; pp. 293–302. [Google Scholar]
- Johnson, J.; Reck, B.K.; Wang, T.; Graedel, T.E. The energy benefit of stainless steel recycling. Energy Policy 2008, 36, 181–192. [Google Scholar] [CrossRef]
- Chakraborty, D.; Ranganathan, S.; Sinha, S.N. Investigations on the carbothermic reduction of chromite ores. Metall. Mater. Trans. B 2005, 36B, 437–444. [Google Scholar] [CrossRef]
- Basson, J.; Daavittila, J. High Carbon Ferrochrome Technology. In Handbook of Ferroalloys: Theory and Technology; Gasik, M., Ed.; Butterworth-Heinemann Elsevier: Oxford, UK, 2013; pp. 317–363. ISBN 9780080977539. [Google Scholar]
- Hill, R.J.; Craig, J.R.; Gibbs, G.V. Systematics of the spinel structure type. Phys. Chem. Miner. 1979, 4, 317–339. [Google Scholar] [CrossRef]
- Yu, D.; Paktunc, D. Kinetics and Mechanisms of the Carbothermic Reduction of Chromite in the Presence of Nickel. J. Therm. Anal. Calorim. 2018. [Google Scholar] [CrossRef]
- Ding, Y.L.; Warner, N.A. Catalytic reduction of carbon-chromite composite pellets by lime. Thermochim. Acta 1997, 292, 85–94. [Google Scholar] [CrossRef]
- Duong, H.V.; Johnston, R.F. Kinetics of solid state silica fluxed reduction of chromite with coal. Ironmak. Steelmak. 2000, 27, 202–206. [Google Scholar] [CrossRef]
- Lekatou, A.; Walker, R.D. Effect of SiO2 addition on solid state reduction of chromite concentrate. Ironmak. Steelmak. 1997, 24, 133–143. [Google Scholar]
- Weber, P.; Eric, R.H. The reduction mechanism of chromite in the presence of a silica flux. Metall. Trans. B 1992, 24, 987–995. [Google Scholar] [CrossRef]
- Weber, P.; Eric, R.H. Solid-state fluxed reduction of LG-6 chromite from the Bushveld complex. In INFACON 6, Proceedings of the 6th International Ferroalloys Congress; SAIMM: Cape Town, South Africa, 1992; pp. 71–77. [Google Scholar]
- Weber, P.; Eric, R.H. The reduction of chromite in the presence of silica flux. Miner. Eng. 2006, 19, 318–324. [Google Scholar] [CrossRef]
- Dawson, N.F.; Edwards, R.I. Factors affecting the reduction of chromite. In Proceedings of the 4th International Ferro-Alloys Congress, Sao Paulo, Brazil, 31 August–3 September 1986; pp. 105–113. [Google Scholar]
- Dawson, N.F. The Solid State Reduction of Chromite. Ph.D. Thesis, Department of Chemical Engineering, University of Natal, Durban, South Africa, 1989. [Google Scholar]
- Ding, Y.L.; Warner, N.A. Kinetics and mechanism of reduction of carbon-chromite composite pellets. Ironmak. Steelmak. 1997, 24, 224–229. [Google Scholar]
- Kekkonen, M.; Xiao, Y.; Holappa, L. Kinetic study on solid state reduction of chromite pellets. In Proceedings of the INFACON, Trondheim, Norway, 11–14 June 1995; pp. 351–360. [Google Scholar]
- Niayesh, M.J.; Dippenaar, R.J. The solid state reduction of chromite. In Proceedings of the INFACON 6, 6th International Ferroalloy Congress, Cape Town, South Africa, 8–11 March 1992; pp. 57–63. [Google Scholar]
- Kekkonen, M.; Holappa, L.; Niemela, P. Kinetic study on smelting reduction of chromite ore. In Proceedings of the INFACON IX, The Ninth International Ferroalloys Congress, Quebec City, QC, Canada, 3–6 June 2001; pp. 157–165. [Google Scholar]
- Soykan, O.; Eric, R.H.; King, R.P. The reduction mechanism of a natural chromite at 1416 °C. Metall. Trans. B 1991, 22B, 53–63. [Google Scholar] [CrossRef]
- Moulden, J.C.; Taplin, B. Improvements in or Relating to the Heat Treatment of Oxidized Copper Ores. British Patent 250991, 1924. [Google Scholar]
- Brittan, M.I. Kinetics of copper segregation by the Torco process. J. S. Afr. Inst. Min. Metall. 1970, 70, 278–289. [Google Scholar]
- Kwatara, M.; Tayabally, J.; Peek, E.; Schonewille, R. Segregation roasting of a saprolitic ore—An experimental investigation. In EPD Congress 2011; Monteiro, S.N., Verhulst, D.E., Anyalebechi, P.N., Pomykala, J.A., Eds.; John Wiley & Sons, Inc.: Hoboken, NJ, USA, 2011. [Google Scholar]
- Mehrotra, S.P.; Srinivasan, V. Extraction of nickel from an Indian laterite by segregation roasting. Trans. Inst. Min. Metall. 1994, 103, C97–C104. [Google Scholar]
- Zhou, S.; Wei, Y.; Li, B.; Wang, H.; Ma, B.; Wang, C. Chloridization and reduction roasting of high-magnesium low-nickel oxide ore followed by magnetic separation to enrich ferronickel concentrate. Metall. Mater. Trans. B 2016, 47B, 145–153. [Google Scholar] [CrossRef]
- Bhattacharya, M. Reaction mechanism and thermodynamics of segregation roasting of iron oxide. Int. J. Miner. Process. Extr. Metall. 2016, 1, 64–69. [Google Scholar]
- Hernandez, V.; Peake, K.; Dalvi, A.; Brown, R.; Olurin, J.; O’Farrell, T.; Zhou, M.; Liu, B.; Cameron, I. Process development of a new DRI technology for Oolitic iron ores. In AISTech Proceedings; Association for Iron & Steel Technology: Pittsburgh, PA, USA, 2013; pp. 519–526. [Google Scholar]
- Gruszkiewicz, M.S.; Simonson, J.M. Vapor pressures and isopiestic molalities of concentrated CaCl2(aq), CaBr2(aq), and NaCl(aq) to T = 523 K. J. Chem. Thermodyn. 2005, 37, 906–930. [Google Scholar] [CrossRef]
- Sharma, S.D.; Kitano, H.; Sagara, K. Phase Change Materials for Low Temperature Solar Thermal Applications; Research Reports of the Faculty of Engineering; Mie University: Mie, Japan, 2004; Volume 29, pp. 31–64. [Google Scholar]
- N’Tsoukpoe, K.E.; Rammelberg, H.U.; Lele, A.F.; Korhammer, K.; Watts, B.A.; Schmidt, T.; Ruck, W.K.L. A review on the use of calcium chloride in applied thermal engineering. Appl. Therm. Eng. 2015, 75, 513–531. [Google Scholar] [CrossRef]
- Lide, D.R. CRC Handbook of Chemistry and Physics, 90th ed.; CRC Press: Boca Raton, FL, USA, 2009. [Google Scholar]
- Frost, I.C. An elutriating tube for the specific gravity separation of minerals. Am. Miner. 1959, 44, 886–890. [Google Scholar]
- Ravel, B.; Newville, M. ATHENA, ARTEMIS, HEPHAESTUS: Data analysis for X-ray absorption spectroscopy using IFEFFIT. J. Synchrotron Radiat. 2005, 12, 537–541. [Google Scholar] [CrossRef] [PubMed]

















| Particle Size (µm) | Cr2O3 | FeO * | MgO | Al2O3 | SiO2 | TiO2 | V2O5 | NiO | K2O | CaO |
|---|---|---|---|---|---|---|---|---|---|---|
| 37–75 | 35.32 | 15.92 | 18.51 | 10.42 | 9.79 | 0.21 | 0.18 | 0.29 | 0.44 | 0.17 |
| 75–105 | 44.36 | 19.71 | 14.07 | 10.84 | 4.54 | 0.27 | 0.20 | 0.17 | 0.21 | 0.09 |
| 105–180 | 46.42 | 20.50 | 12.85 | 11.16 | 3.35 | 0.28 | 0.19 | 0.12 | 0.10 | 0.06 |
| 180–300 | 47.36 | 20.92 | 12.71 | 11.61 | 2.95 | 0.28 | 0.22 | 0.10 | 0.06 | 0.04 |
| Temperature (°C) | Elements | Ferrochrome (%) | Chromite (%) | χ2 * |
|---|---|---|---|---|
| 1200 | Fe | 91.6 | 8.4 | 0.014 |
| Cr | 58.6 | 41.4 | 0.045 | |
| 1300 | Fe | 100.0 | 0.0 | 0.067 |
| Cr | 94.2 | 5.8 | 0.010 | |
| 1400 | Cr | 100.0 | 0.0 | 0.211 |
| Size Fraction (µm) | Concentrate (wt %) | Middling (wt %) | Tailings (wt %) | Total (wt %) |
|---|---|---|---|---|
| >500 | 8.38 | 0 | 1.19 | 9.57 |
| 250–500 | 29.75 | 6.75 | 15.46 | 51.95 |
| 150–250 | 12.48 | 0.49 | 6.95 | 19.91 |
| 105–150 | 3.36 | 0 | 2.63 | 5.98 |
| <105 | 0 | 0 | 12.58 | 12.58 |
| Total | 53.96 | 7.24 | 38.80 | 100 |
© 2018 by the authors. Licensee MDPI, Basel, Switzerland. This article is an open access article distributed under the terms and conditions of the Creative Commons Attribution (CC BY) license (http://creativecommons.org/licenses/by/4.0/).
Share and Cite
Yu, D.; Paktunc, D. Direct Production of Ferrochrome by Segregation Reduction of Chromite in the Presence of Calcium Chloride. Metals 2018, 8, 69. https://doi.org/10.3390/met8010069
Yu D, Paktunc D. Direct Production of Ferrochrome by Segregation Reduction of Chromite in the Presence of Calcium Chloride. Metals. 2018; 8(1):69. https://doi.org/10.3390/met8010069
Chicago/Turabian StyleYu, Dawei, and Dogan Paktunc. 2018. "Direct Production of Ferrochrome by Segregation Reduction of Chromite in the Presence of Calcium Chloride" Metals 8, no. 1: 69. https://doi.org/10.3390/met8010069
APA StyleYu, D., & Paktunc, D. (2018). Direct Production of Ferrochrome by Segregation Reduction of Chromite in the Presence of Calcium Chloride. Metals, 8(1), 69. https://doi.org/10.3390/met8010069

