Effects of Martensite Content and Anisotropy on Hydrogen Fracture of Dual-Phase Steels
Abstract
1. Introduction
2. Material and Methods
2.1. Heat Treatments and Characterisation
2.2. Hydrogen Charging and Mechanical Testing
3. Results and Discussion
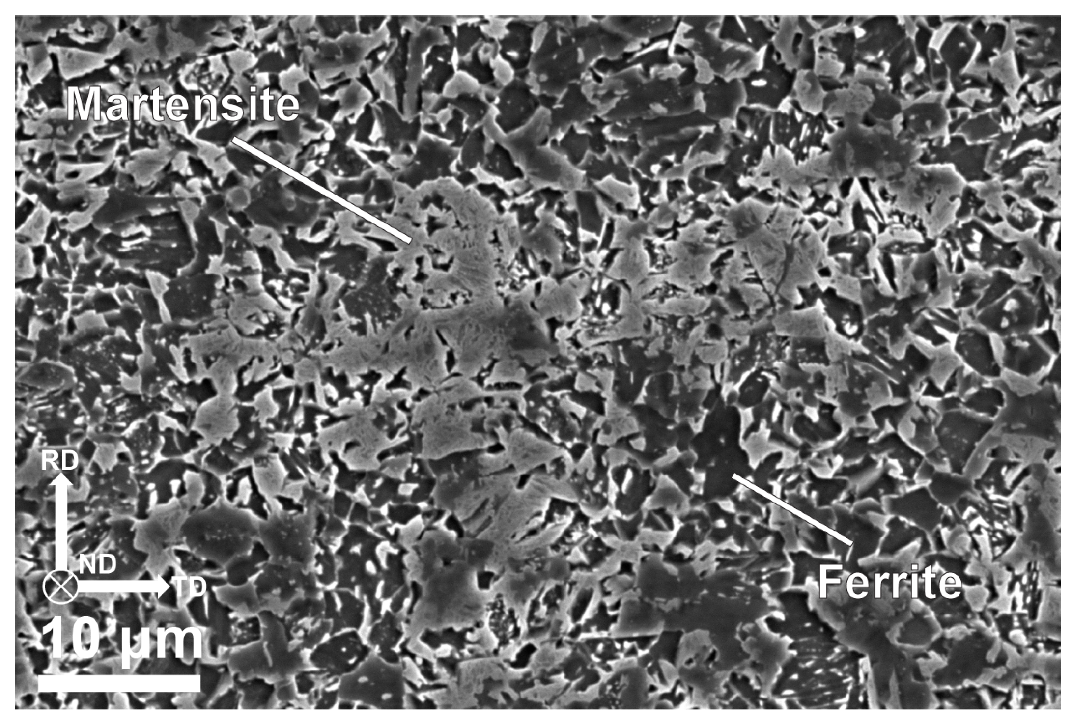
3.1. Creation of Microstructures
3.2. Hydrogen Trapping
3.3. Mechanical Behaviour
3.4. The Role of Martensite in Fracture Initiation
3.5. The Role of Martensite in Fracture Propagation
4. Conclusions
- The steel annealed at 630 °C shows the most favourable combination of strength and ductility, with a strength of 1025 ± 8 MPa and a fracture strain of 12.6 ± 0.6%. This steel, as well as that annealed at 670 °C, contains connected martensite networks.
- The ferrite/martensite interphase density keeps increasing even after the martensite reaches the required density to form a connected network. This is a result of refinement of ferritic grains resulting in a high aspect ratio and interphase area.
- The steel annealed at 630 °C shows the highest HEI of 86 ± 10%, which is mainly caused by its higher ductility without hydrogen.
- The HEI does not increase further after a martensite content of 50% has been reached, since fracture is dominated by crack propagation through the martensitic phase that is connected in the steels with higher martensite content. This has the added effect that the fracture strain of the specimens annealed at 630 and 670 °C are similar.
- Although the steel annealed at 590 °C shows the lowest HEI at 51 ± 39%, brittle fracture is most evident on the fracture surface of this steel. The localisation of brittle fracture is a result of an anisotropic microstructure in the rolling direction, combined with plasticity effects that increase and localise the hydrogen content.
- Martensite that is present on the surface acts as a brittle fracture initiation point even at high strain rates. Cracks then readily propagate through connected martensite bands. Martensite present on the surface should therefore be avoided to minimise risk of HE in DP steels.
Supplementary Materials
Author Contributions
Funding
Data Availability Statement
Acknowledgments
Conflicts of Interest
References
- Climate TRACE. Distribution of Carbon Dioxide Emissions Produced by the Transportation Sector Worldwide in 2023, by Sub Sector. Available online: https://www.statista.com/statistics/1185535/transport-carbon-dioxide-emissions-breakdown/ (accessed on 22 May 2025).
- Saidpour, H. Lightweight High Performance Materials for Car Body Structures. In Proceedings of the NTI Technology Conference, CEME, Ford Motor Company, 16 June 2004. Available online: https://pdfs.semanticscholar.org/8808/d37e012f2b79fcc7db31285e326da1931601.pdf (accessed on 22 May 2025).
- Galán, J.; Samek, L.; Verleysen, P.; Verbeken, K.; Houbaert, Y. Advanced high strength steels for automotive industry. Rev. Metal. 2012, 48, 118. [Google Scholar] [CrossRef]
- Serrenho, A.C.; Norman, J.B.; Allwood, J.M. The impact of reducing car weight on global emissions: The future fleet in Great Britain. Philos. Trans. R. Soc. A Math. Phys. Eng. Sci. 2017, 375, 20160364. [Google Scholar] [CrossRef] [PubMed]
- Sezgin, C.T.; Hayat, F. The microstructure and mechanical behavior of TRIP 800 and DP 1000 steels welded by electron beam welding method. Soldagem Inspeção 2020, 25, e2526. [Google Scholar] [CrossRef]
- Hilditch, T.; De Souza, T.; Hodgson, P. Properties and automotive applications of advanced high-strength steels (AHSS). In Welding and Joining of Advanced High Strength Steels (AHSS); Woodhead Publishing: Sawston, UK, 2015; pp. 9–28. [Google Scholar]
- Zhao, J.; Jiang, Z. Thermomechanical processing of advanced high strength steels. Prog. Mater. Sci. 2018, 94, 174–242. [Google Scholar] [CrossRef]
- SSAB. Dual Phase (DP) Steel: Excellent Ductility and Energy Absorption; SSAB: Stockholm, Sweden, 2025. [Google Scholar]
- Tasan, C.C.; Diehl, M.; Yan, D.; Bechtold, M.; Roters, F.; Schemmann, L.; Zheng, C.; Peranio, N.; Ponge, D.; Koyama, M.; et al. An Overview of Dual-Phase Steels: Advances in Microstructure-Oriented Processing and Micromechanically Guided Design. Annu. Rev. Mater. Res. 2015, 45, 391–431. [Google Scholar] [CrossRef]
- Rudomilova, D.; Prošek, T.; Salvetr, P.; Knaislová, A.; Novák, P.; Kodỳm, R.; Schimo-Aichhorn, G.; Muhr, A.; Duchaczek, H.; Luckeneder, G. The effect of microstructure on hydrogen permeability of high strength steels. Mater. Corros. 2020, 71, 909–917. [Google Scholar] [CrossRef]
- Mallick, D.; Mary, N.; Raja, V.; Normand, B. Study of diffusible behavior of hydrogen in first generation advanced high strength steels. Metals 2021, 11, 782. [Google Scholar] [CrossRef]
- Wang, Z.; Liu, J.; Huang, F.; Bi, Y.J.; Zhang, S.Q. Hydrogen Diffusion and Its Effect on Hydrogen Embrittlement in DP Steels With Different Martensite Content. Front. Mater. 2020, 7, 620000. [Google Scholar] [CrossRef]
- Drexler, A.; Helic, B.; Silvayeh, Z.; Mraczek, K.; Sommitsch, C.; Domitner, J. The role of hydrogen diffusion, trapping and desorption in dual phase steels. J. Mater. Sci. 2022, 57, 4789–4805. [Google Scholar] [CrossRef]
- Varanasi, R.S.; Koyama, M.; Shibayama, Y.; Chiba, S.; Ajito, S.; Hojo, T.; Akiyama, E. Hydrogen-Induced delayed fracture in a 1.5 GPa dual-phase steel via coalescence of surface and Sub-surface cracks. Metall. Mater. Trans. A 2023, 54, 2989–2997. [Google Scholar] [CrossRef]
- Wu, Y.; Qiao, G.; Xu, K.; Xiao, F. Effect of hydrogen on tensile and fatigue properties of ferritic/bainite dual-phase X70 pipeline steel. Trans. Mater. Heat Treat. 2023, 44, 114–121. [Google Scholar] [CrossRef]
- Liu, M.; Du, C.; Wang, T.; Hai, C.; Li, X. Effect of solution annealing temperature on the hydrogen-assisted cracking behavior of the ferrite-martensite-austenite multiphase stainless steel: The role of ferrite and martensite phases. Mater. Sci. Eng. A 2025, 945, 148993. [Google Scholar] [CrossRef]
- Li, Z.; Shi, J.; Fan, Y.; Ma, C.; Dong, X.; Guo, C.; Zhao, H. The effect of intercritical annealing time on the hydrogen embrittlement of dual-phase steel. Mater. Today Commun. 2024, 38, 108328. [Google Scholar] [CrossRef]
- Rodoni, E.; Claeys, L.; Depover, T.; Iannuzzi, M. Effect of nickel on the hydrogen diffusion, trapping and embrittlement properties of tempered ferritic-martensitic dual-phase low alloy steels. Int. J. Hydrogen Energy 2025, 98, 418–428. [Google Scholar] [CrossRef]
- Reddy, K.S.; Govindaraj, Y.; Neelakantan, L. Hydrogen diffusion kinetics in dual-phase (DP 980) steel: The role of pre-strain and tensile stress. Electrochim. Acta 2023, 439, 141727. [Google Scholar] [CrossRef]
- Dwivedi, S.K.; Vishwakarma, M. Effect of hydrogen in advanced high strength steel materials. Int. J. Hydrogen Energy 2019, 44, 28007–28030. [Google Scholar] [CrossRef]
- Harris, Z.D.; Somerday, B.P. Hydrogen embrittlement of steels: Mechanical properties in gaseous hydrogen. Int. Mater. Rev. 2025, 70, 394–421. [Google Scholar] [CrossRef]
- Davies, R.G. Influence of martensite content on the hydrogen embrittlement of dual-phase steels. Scr. Metall. 1983, 17, 889–892. [Google Scholar] [CrossRef]
- Reddy, K.S.; Govindaraj, Y.; Neelakantan, L. Influence of microstructure on the hydrogen diffusion behavior in dual-phase steels: An electrochemical permeation study. J. Mater. Sci. 2022, 57, 19592–19611. [Google Scholar] [CrossRef]
- Drexler, A.; Helic, B.; Silvayeh, Z.; Sommitsch, C.; Mraczek, K.; Domitner, J. Influence of Plastic Deformation on the Hydrogen Embrittlement Susceptibility of Dual Phase Steels. Key Eng. Mater. 2022, 926, 2077–2091. [Google Scholar] [CrossRef]
- Manda, S.; Kumar, S.; Tripathy, R.R.; Sudhalkar, B.; Pai, N.N.; Basu, S.; Durgaprasad, A.; Vijayshankar, D.; Panwar, A.S.; Samajdar, I. Origin of hydrogen embrittlement in ferrite-martensite dual-phase steel. Int. J. Hydrogen Energy 2025, 100, 1266–1281. [Google Scholar] [CrossRef]
- Takai, K.; Shoda, H.; Suzuki, H.; Nagumo, M. Lattice defects dominating hydrogen-related failure of metals. Acta Mater. 2008, 56, 5158–5167. [Google Scholar] [CrossRef]
- Park, C.; Kang, N.; Liu, S.; Lee, J.; Chun, E.; Yoo, S.J. Effect of Prestrain on Hydrogen Embrittlement Susceptibility of EH 36 Steels Using In Situ Slow-Strain-Rate Testing. Met. Mater. Int. 2019, 25, 584–593. [Google Scholar] [CrossRef]
- Koyama, M.; Tasan, C.C.; Akiyama, E.; Tsuzaki, K.; Raabe, D. Hydrogen-assisted decohesion and localized plasticity in dual-phase steel. Acta Mater. 2014, 70, 174–187. [Google Scholar] [CrossRef]
- Rodoni, E.; Verbeken, K.; Depover, T.; Iannuzzi, M. Effect of microstructure on the hydrogen embrittlement, diffusion, and uptake of dual-phase low alloy steels with varying ferrite-martensite ratios. Int. J. Hydrogen Energy 2024, 50, 53–65. [Google Scholar] [CrossRef]
- Sun, J.; Jiang, T.; Sun, Y.; Wang, Y.; Liu, Y. A lamellar structured ultrafine grain ferrite-martensite dual-phase steel and its resistance to hydrogen embrittlement. J. Alloys Compd. 2017, 698, 390–399. [Google Scholar] [CrossRef]
- Boot, T.; Kömmelt, P.; Brouwer, H.J.; Böttger, A.; Popovich, V. Effect of titanium and vanadium nano-carbide size on hydrogen embrittlement of ferritic steels. npj Mater. Degrad. 2025, 9, 2. [Google Scholar] [CrossRef]
- Boot, T.; Kömmelt, P.; Hendrikx, R.W.; Böttger, A.J.; Popovich, V. Effect of plastic deformation on the hydrogen embrittlement of ferritic high strength steel. npj Mater. Degrad. 2025, 9, 39. [Google Scholar] [CrossRef]
- Fernández Iniesta, S. Fractographic Study on the Effect of Hydrogen Content in a Dual Phase AHSS on the Mechanism of Hydrogen Embrittlement; External Research Project Report, TATA Steel in IJmuiden; Delft University of Technology: Delft, The Netherlands, 2023. [Google Scholar]
- Drexler, A.; Vandewalle, L.; Depover, T.; Verbeken, K.; Domitner, J. Critical verification of the Kissinger theory to evaluate thermal desorption spectra. Int. J. Hydrogen Energy 2021, 46, 39590–39606. [Google Scholar] [CrossRef]
- Martin, M.L.; Fenske, J.A.; Liu, G.S.; Sofronis, P.; Robertson, I.M. On the formation and nature of quasi-cleavage fracture surfaces in hydrogen embrittled steels. Acta Mater. 2011, 59, 1601–1606. [Google Scholar] [CrossRef]
- Merson, E.; Kudrya, A.V.; Trachenko, V.A.; Merson, D.; Danilov, V.; Vinogradov, A. Quantitative characterization of cleavage and hydrogen-assisted quasi-cleavage fracture surfaces with the use of confocal laser scanning microscopy. Mater. Sci. Eng. A 2016, 665, 35–46. [Google Scholar] [CrossRef]
- Dunne, D.P.; Hejazi, D.; Saleh, A.A.; Haq, A.J.; Calka, A.; Pereloma, E.V. Investigation of the effect of electrolytic hydrogen charging of X70 steel: I. The effect of microstructure on hydrogen-induced cold cracking and blistering. Int. J. Hydrogen Energy 2016, 41, 12411–12423. [Google Scholar] [CrossRef]
- Mohtadi-Bonab, M.; Szpunar, J.; Razavi-Tousi, S. Hydrogen induced cracking susceptibility in different layers of a hot rolled X70 pipeline steel. Int. J. Hydrogen Energy 2013, 38, 13831–13841. [Google Scholar] [CrossRef]












| Fe (Balance) | C | Mn | Cr | Si | Al |
|---|---|---|---|---|---|
| 97.03 | 0.14 | 2.15 | 0.54 | 0.13 | 0.02 |
| Annealing Temp. [°C] | Hardness [HV1] | Martensite Content [%] | Ms Grain Size [µm] | F/M Interphase Density [µm /µm210−2] | H Content [wppm] |
|---|---|---|---|---|---|
| 590 | 238 ± 25 | 25 ± 5 | 3.9 ± 2.6 | 2.65 ± 0.61 | 1.16 ± 0.11 |
| 630 | 286 ± 13 | 50 ± 4 | 5.9 ± 3.2 | 3.12 ± 0.57 | 1.29 ± 0.13 |
| 670 | 344 ± 12 | 78 ± 7 | 7.4 ± 3.4 | 3.83 ± 0.44 | 1.58 ± 0.27 |
| Annealing Temperature [°C] | UTS [MPa] | Fracture Strain [%] | UTS in H [MPa] | Fract. Strain in H [%] | HEI [%] |
|---|---|---|---|---|---|
| 590 | 756 ± 20 | 8.4 ± 1.7 | 677 ± 21 | 4.1 ± 0.7 | 51 ± 39 |
| 630 | 1025 ± 8 | 12.6 ± 0.6 | 798 ± 35 | 1.8 ± 0.2 | 86 ± 10 |
| 670 | 1115 ± 15 | 8.2 ± 0.8 | 877 ± 20 | 1.6 ± 0.1 | 80 ± 19 |
Disclaimer/Publisher’s Note: The statements, opinions and data contained in all publications are solely those of the individual author(s) and contributor(s) and not of MDPI and/or the editor(s). MDPI and/or the editor(s) disclaim responsibility for any injury to people or property resulting from any ideas, methods, instructions or products referred to in the content. |
© 2025 by the authors. Licensee MDPI, Basel, Switzerland. This article is an open access article distributed under the terms and conditions of the Creative Commons Attribution (CC BY) license (https://creativecommons.org/licenses/by/4.0/).
Share and Cite
Boot, T.; Leivseth, E.; Iniesta, S.F.; Kömmelt, P.; Böttger, A.J.; Popovich, V. Effects of Martensite Content and Anisotropy on Hydrogen Fracture of Dual-Phase Steels. Metals 2025, 15, 1333. https://doi.org/10.3390/met15121333
Boot T, Leivseth E, Iniesta SF, Kömmelt P, Böttger AJ, Popovich V. Effects of Martensite Content and Anisotropy on Hydrogen Fracture of Dual-Phase Steels. Metals. 2025; 15(12):1333. https://doi.org/10.3390/met15121333
Chicago/Turabian StyleBoot, Tim, Eirik Leivseth, Sara Fernández Iniesta, Pascal Kömmelt, Amarante J. Böttger, and Vera Popovich. 2025. "Effects of Martensite Content and Anisotropy on Hydrogen Fracture of Dual-Phase Steels" Metals 15, no. 12: 1333. https://doi.org/10.3390/met15121333
APA StyleBoot, T., Leivseth, E., Iniesta, S. F., Kömmelt, P., Böttger, A. J., & Popovich, V. (2025). Effects of Martensite Content and Anisotropy on Hydrogen Fracture of Dual-Phase Steels. Metals, 15(12), 1333. https://doi.org/10.3390/met15121333

