Effect of Flow Rate and Partial Pressure of Oxygen on Desulfurization of KR Slag
Abstract
1. Introduction
2. Experimental Section
2.1. Materials
2.2. Experimental Equipment
2.3. Oxidation Experiments
3. Experiment Results
3.1. Removal Rate of Sulfur from Slag
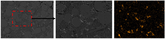
3.2. Occurrence State of Residual Sulfur after Oxidation of Slag
4. Discussion
4.1. Thermodynamic Analysis
4.2. Removal Rate of Sulfur from Slag
4.3. Occurrence State of Residual Sulfur after Oxidation of Slag
5. Conclusions
- At 1420 °C, under oxidizing conditions, sulfur residue persists in the slag as the CaS phase following oxidation at low oxygen pressure ( < 0.20 bar). However, under high oxygen pressure ( ≥ 0.20 bar), sulfur residue oxidizes from the CaS phase to form the 11CaO·7Al2O3·CaS phase within the slag. The residual sulfur phase in the oxidized slag remains unchanged with varying oxidation times.
- Under the condition of 1420 °C, the desulfurization rate of slag oxidized for 120 min at low oxygen pressure ( < 0.20 bar) increases with the increase in oxygen partial pressure. At high oxygen pressure ( ≥ 0.20 bar), the desulfurization rate of slag samples does not change with the change in oxygen partial pressure, and the desulfurization rate is higher than 93.5%. However, the rise was rather small. In actuality, sulfur reduction might be accomplished using air.
- The sulfur removal rate is directly correlated with the slag surface area and the flow rate of the reaction gas, and it increases with an increase in both surface area and gas flow rate.
Author Contributions
Funding
Data Availability Statement
Conflicts of Interest
References
- Nakai, Y.; Sumi, I.; Kikuchi, N.; Kishimoto, Y.; Miki, Y. Aggregation Behavior of Desulfurization Flux in Hot Metal Desulfurization with Mechanical Stirring. ISIJ Int. 2013, 53, 1411–1419. [Google Scholar] [CrossRef][Green Version]
- Zhu, R.L.; Li, J.L.; Jiang, J.J.; Yu, Y.; Zhu, H. Effect of Basicity on the Sulfur Precipitation and Occurrence State in Kambara Reactor Desulfurization Slag. Minerals 2021, 11, 977. [Google Scholar] [CrossRef]
- Nakai, Y.; Hino, Y.; Sumi, I.; Kikuchi, N.; Uchida, Y.; Miki, Y. Effect of Flux Addition Method on Hot Metal Desulfurization by Mechanical Stirring Process. ISIJ Int. 2015, 55, 1398–1407. [Google Scholar] [CrossRef]
- Nakai, Y.; Sumi, I.; Matsuno, H.; Kikuchi, N.; Kishimoto, Y. Effect of Flux Dispersion Behavior on Desulfurization of Hot Metal. ISIJ Int. 2010, 50, 403–410. [Google Scholar] [CrossRef]
- Moosavi-Khoonsari, E.; Van Ende, M.A.; Jung, I.H. Kinetic simulation of hot metal pretreatment: Desulfurization using powder injection. Metall. Mater. Trans. B 2022, 53, 981–998. [Google Scholar] [CrossRef]
- Li, Q.; Ma, S.; Feng, M.; Lei, H.; Zou, Z. Energy efficiency characterization and optimization of mechanical stirring multiphase dispersion processes: Applied to Kanbara reactors for hot metal desulfurization. J. Mater. Res. Technol. 2023, 24, 5642–5659. [Google Scholar] [CrossRef]
- Ma, N. Trebarent of Hot Metal Desulfurization Slag with CO2 Gas in the Temperature Range of 873 K to 1473 K for Better Recycling of the Slag. Metall. Mater. Trans. B 2024, 55, 409–417. [Google Scholar] [CrossRef]
- Shiha, Y.F.; Tseng, S.S.; Wang, H.Y.; Wei, C.-T. A Study of the Replacement of Desulphurization Slag for Sand to Ready-Mixed Soil Materials (RMSM). Comput. Concr. Int. J. 2016, 17, 423–433. [Google Scholar] [CrossRef]
- Tong, Z.B.; Ma, G.J.; Cai, X.; Xue, Z.; Wang, W.; Zhang, X. Characterization and Valorization of Kanbara Reactor Desulfurization Waste Slag of Hot Metal Pretrebarent. Waste Biomass Valorization 2016, 7, 1–8. [Google Scholar] [CrossRef]
- Du, H.; Li, J.; Ni, W.; Xu, D.; Li, N.; Mu, X.; Hou, Y.; Li, Y.; Fu, P. Optimization of the Whole-Waste Binder Containing Molten Iron Desulfurization Slag from Kambara Reactor for Concrete Production. J. Build. Eng. 2022, 54, 104594. [Google Scholar] [CrossRef]
- Fujino, K.; Ono, K.; Murakami, T.; Kasai, E. Effective utilization of KR slag in iron ore sintering process. Tetsu-Hagane/J. Iron Steel Inst. Jpn. 2017, 103, 357–364. [Google Scholar] [CrossRef]
- Nakai, Y.; Kikuchi, N.; Iwasa, M.; Nabeshima, S.; Kishimoto, Y. Development of Slag Recycling Process in Hot Metal Desulfurization with Mechanical Stirring. Steel Res. Int. 2009, 80, 727–732. [Google Scholar]
- Kuo, W.T.; Hou, T.C. Engineering Properties of Alkali-Activated Binders by Use of Desulfurization Slag and GGBFS. Constr. Build. Mater. 2014, 66, 229–234. [Google Scholar] [CrossRef]
- Pelton, A.D.; See, J.B.; Elliott, J.F. Kinetics of Evolution of SO2 from Hot Metallurgical Slags. Metall. Trans. 1974, 5, 1163–1171. [Google Scholar] [CrossRef]
- Agrawal, B.; Yurek, G.J.; Elliott, J.F. Kinetics and mechanism of the desulfurization of liquid blast furnace slags by Ar-H2O gas mixtures. Metall. Trans. B 1983, 14, 221–230. [Google Scholar] [CrossRef]
- Lynch, D.C.; Elliott, J.F. Analysis of the oxidation reactions of CaS. Metall. Trans. B 1980, 11, 415–425. [Google Scholar] [CrossRef]
- Jiang, J.-J.; Xiao, C.; Yu, Y.; Li, J.-L. Effect of Temperature on Oxidation Behavior and Occurrence State of Sulfur in KR slag. JMMB Metall. 2023, 59, 431–441. [Google Scholar] [CrossRef]
- Wei, S.K.; Wang, G.C. Gaseous Desulfurization of Molten Slag in Air Top Blowing Process. Acta Metall. Sin. 1965, 4, 419–434. [Google Scholar]
- Allertz, C.; Du, S.C. Possibility of Sulfur Removal from Ladle Slag by Oxidation in the Temperature Range 1373-1673 K. J. Sustain. Metall. 2015, 1, 229–239. [Google Scholar] [CrossRef]
- Hiraki, T.; Kobayashi, J.; Urushibata, S.; Matsubae, K.; Nagasaka, T. Removal of Sulfur from CaF2 Containing Desulfurization Slag Exhausted from Secondary Steelmaking Process by Oxidation. Metall. Mater. Trans. B 2012, 43, 703–709. [Google Scholar] [CrossRef]
- Kobayashi, K.; Hiraki, T.; Nagasaka, T. Oxidation of Pure Solid CaS with Ar-O2 Gas Mixture. High Temp. Mater. Process. 2012, 31, 667–673. [Google Scholar] [CrossRef]
- He, H.Y.; Ni, H.W.; Gan, W.G.; Lin, L. Sulfur Occurrence Form and Formation Mechanism of Sulfur-Containing Phase in Refined Steel Slag. Steel 2009, 44, 32–35. [Google Scholar]
- Lv, N.N.; Yu, J.K.; Suan, C.; Wang, H.Z. Study on Sulfur Occurrence form in LF Refining Waste Residue. J. Northeast. Univ. (Nat. Sci. Ed.) 2013, 34, 1261–1264. [Google Scholar]















| Basicity | CaO | SiO2 | Al2O3 | MgO | CaS | CaF2 |
|---|---|---|---|---|---|---|
| 3.5 | 62.73 | 17.92 | 6.00 | 3.00 | 3.38 | 6.97 |
| Sample | Crucible Shape | O2 (bar) | Reaction Time (min) | Gas Flow (L min−1) | RS (%) |
|---|---|---|---|---|---|
| S-1 | Boat | 0.5 | 30 | 2 | 47.58 |
| S-2 | Boat | 0.5 | 60 | 2 | 70.23 |
| S-3 | Boat | 0.5 | 90 | 2 | 85.84 |
| S-4 | Boat | 0.5 | 120 | 2 | 93.06 |
| S-5 | Boat | 0.05 | 30 | 2 | 8.79 |
| S-6 | Boat | 0.05 | 60 | 2 | 20.90 |
| S-7 | Boat | 0.05 | 90 | 2 | 45.88 |
| S-8 | Boat | 0.05 | 120 | 2 | 66.88 |
| S-9 | Boat | 0.1 | 120 | 2 | 75.95 |
| S-10 | Boat | 0.15 | 120 | 2 | 79.11 |
| S-11 | Boat | 0.20 | 120 | 2 | 93.62 |
| S-12 | Boat | 0.25 | 120 | 2 | 97.51 |
| S-13 | Boat | 0.5 | 120 | 2 | 93.56 |
| S-14 | Boat | 0.75 | 120 | 2 | 96.51 |
| S-15 | Boat | 1 | 120 | 2 | 95.47 |
| S-16 | Cylinder | 0.5 | 30 | 2 | 39.59 |
| S-17 | Cylinder | 0.5 | 60 | 2 | 67.14 |
| S-18 | Cylinder | 0.5 | 90 | 2 | 80.40 |
| S-19 | Cylinder | 0.5 | 120 | 2 | 85.97 |
| S-20 | Cylinder | 0.5 | 30 | 4 | 63.69 |
| S-21 | Cylinder | 0.5 | 60 | 4 | 74.10 |
| S-22 | Cylinder | 0.5 | 90 | 4 | 84.05 |
| S-23 | Cylinder | 0.5 | 120 | 4 | 89.09 |
| S-24 | Cylinder | 0.5 | 30 | 6 | 64.05 |
| S-25 | Cylinder | 0.5 | 40 | 6 | 66.19 |
| S-26 | Cylinder | 0.5 | 50 | 6 | 69.975 |
| S-27 | Cylinder | 0.5 | 60 | 6 | 74.48 |
| S-28 | Cylinder | 0.5 | 90 | 6 | 83.58 |
| S-29 | Cylinder | 0.5 | 120 | 6 | 90.56 |
Disclaimer/Publisher’s Note: The statements, opinions and data contained in all publications are solely those of the individual author(s) and contributor(s) and not of MDPI and/or the editor(s). MDPI and/or the editor(s) disclaim responsibility for any injury to people or property resulting from any ideas, methods, instructions or products referred to in the content. |
© 2024 by the authors. Licensee MDPI, Basel, Switzerland. This article is an open access article distributed under the terms and conditions of the Creative Commons Attribution (CC BY) license (https://creativecommons.org/licenses/by/4.0/).
Share and Cite
Jiang, P.; Jiang, J.; Muvunyi, R.A.; Li, J. Effect of Flow Rate and Partial Pressure of Oxygen on Desulfurization of KR Slag. Metals 2024, 14, 516. https://doi.org/10.3390/met14050516
Jiang P, Jiang J, Muvunyi RA, Li J. Effect of Flow Rate and Partial Pressure of Oxygen on Desulfurization of KR Slag. Metals. 2024; 14(5):516. https://doi.org/10.3390/met14050516
Chicago/Turabian StyleJiang, Peng, Jiajun Jiang, Rodrigue Armel Muvunyi, and Jianli Li. 2024. "Effect of Flow Rate and Partial Pressure of Oxygen on Desulfurization of KR Slag" Metals 14, no. 5: 516. https://doi.org/10.3390/met14050516
APA StyleJiang, P., Jiang, J., Muvunyi, R. A., & Li, J. (2024). Effect of Flow Rate and Partial Pressure of Oxygen on Desulfurization of KR Slag. Metals, 14(5), 516. https://doi.org/10.3390/met14050516

