Impact Toughness Dependent on Annealing Temperatures in 0.16C-6.5Mn Forged Steel for Flywheel Rotors
Abstract
1. Introduction
2. Experimental Method
3. Results and Discussion
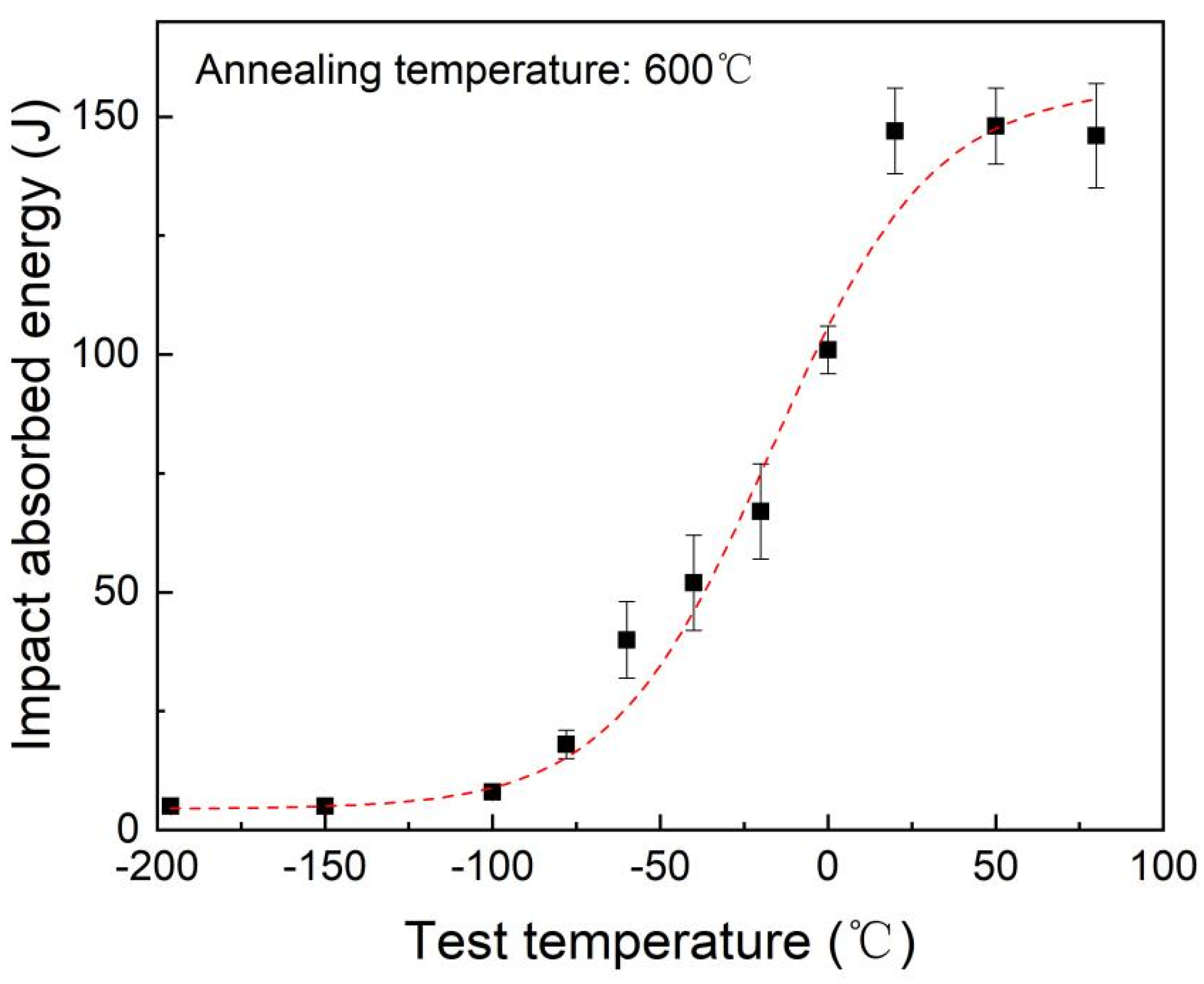
3.1. Impact Toughness
3.2. Microstructural Evolution
3.3. Ductile-to-Brittle Transition Temperature
4. Conclusions
Author Contributions
Funding
Data Availability Statement
Conflicts of Interest
References
- Report of the Chinese Government in 2021. Available online: http://www.qstheory.cn/yaowen/2022-03/12/c_1128465058.htm (accessed on 12 March 2022).
- Pei, Y.; Andrea, C.; Silvio, V.; Chai, F.; Alberto, T. Flywheel energy storage systems for power systems application. In Proceedings of the 6th International Conference on Clean Electrical Power (ICCEP), Santa Margherita Ligure, Italy, 27–29 June 2017. [Google Scholar]
- Abdalla, A.N.; Nazir, M.S.; Tao, H.; Cao, S.; Ji, R.; Jiang, M.; Yao, L. Integration of energy storage system and renewable energy sources based on artificial intelligence: An overview. J. Energy Storage 2021, 40, 102811. [Google Scholar] [CrossRef]
- Pullen, K.R. The Status and Future of Flywheel Energy Storage. Joule 2019, 3, 1394–1399. [Google Scholar] [CrossRef]
- Li, X.; Palazzolo, A. A review of flywheel energy storage systems: State of the art and opportunities. J. Energy Storage 2021, 46, 103576. [Google Scholar] [CrossRef]
- Nguyen, X.P.; Hoang, A.T. The Flywheel Energy Storage System: An Effective Solution to Accumulate Renewable Energy. In Proceedings of the 2020 6th International Conference on Advanced Computing and Communication Systems (ICACCS), Coimbatore, India, 6–7 March 2020. [Google Scholar]
- Kale, V.; Aage, N.; Secanell, M. Augmented Lagrangian approach for multi-objective topology optimization of energy storage flywheels with local stress constraints. Struct. Multidiscip. Optim. 2023, 66, 231. [Google Scholar] [CrossRef]
- Arnold, S.; Saleeb, A.; Al-Zoubi, N. Deformation and life analysis of composite flywheel disk systems. Compos. Part B Eng. 2002, 33, 433–459. [Google Scholar] [CrossRef]
- Mittelstedt, M.; Hansen, C.; Mertiny, P. Design and Multi-Objective Optimization of Fiber-Reinforced Polymer Composite Flywheel Rotors. Appl. Sci. 2018, 8, 1256. [Google Scholar] [CrossRef]
- Genta, G. Kinetic Energy Storage; Elsevier BV: Amsterdam, The Netherlands, 1985. [Google Scholar]
- Wu, X.; Chen, Y.; Liu, Y. Structure optimization of metal rotor of grid-connected flywheel energy storage system. Acta Energ. Solaris Sinica 2021, 42, 317. [Google Scholar]
- Cao, W.Q.; Wang, C.; Shi, J.; Wang, M.Q.; Hui, W.J.; Dong, H. Microstructure and mechanical properties of Fe-0.2C-5Mn steel processed by ART-annealing. Mater. Sci. Eng. A 2011, 528, 6661. [Google Scholar] [CrossRef]
- Hu, J.; Li, X.; Meng, Q.; Wang, L.; Li, Y.; Xu, W. Tailoring retained austenite and mechanical property improvement in Al–Si–V containing medium Mn steel via direct intercritical rolling. Mater. Sci. Eng. A 2022, 855, 143904. [Google Scholar] [CrossRef]
- Lee, S.; De Cooman, B.C. On the selection of the optimal intercritical annealing temperature for medium Mn TRIP steel. Metall. Mater. Trans. A 2013, 44A, 5018. [Google Scholar] [CrossRef]
- Hu, J.; Du, L.-X.; Sun, G.-S.; Xie, H.; Misra, R. The determining role of reversed austenite in enhancing toughness of a novel ultra-low carbon medium manganese high strength steel. Scr. Mater. 2015, 104, 87–90. [Google Scholar] [CrossRef]
- Gibbs, P.J.; De Moor, E.; Merwin, M.J.; Clausen, B.; Speer, J.G.; Matlock, D.K. Austenite Stability Effects on Tensile Behavior of Manganese-Enriched-Austenite Transformation-Induced Plasticity Steel. Met. Mater. Trans. A 2011, 42, 3691–3702. [Google Scholar] [CrossRef]
- Sun, C.; Liu, S.; Misra, R.; Li, Q.; Li, D. Influence of intercritical tempering temperature on impact toughness of a quenched and tempered medium-Mn steel: Intercritical tempering versus traditional tempering. Mater. Sci. Eng. A 2018, 711, 484–491. [Google Scholar] [CrossRef]
- Dutta, A.; Park, T.M.; Nam, J.-H.; Lee, S.-I.; Hwang, B.; Choi, W.S.; Sandlöbes, S.; Ponge, D.; Han, J. Enhancement of the tensile properties and impact toughness of a medium-Mn steel through the homogeneous microstrain distribution. Mater. Charact. 2021, 174, 110992. [Google Scholar] [CrossRef]
- Han, J.; da Silva, A.K.; Ponge, D.; Raabe, D.; Lee, S.-M.; Lee, Y.-K.; Hwang, B. The effects of prior austenite grain boundaries and microstructural morphology on the impact toughness of intercritically annealed medium Mn steel. Acta Mater. 2016, 122, 199–206. [Google Scholar] [CrossRef]
- Man, T.; Jiang, C.; Liu, K.; Liu, T.; Gu, J.; Dong, H. Study on hardenability of large cross-sectional high strength medium-Mn forged steels. J. Iron Steel Res. 2022, 34, 834. [Google Scholar]
- Kim, M.T.; Park, T.M.; Baik, K.-H.; Choi, W.S.; Choi, P.-P.; Han, J. Crucial microstructural feature to determine the impact toughness of intercritically annealed medium-Mn steel with triplex-phase microstructure. Acta Mater. 2018, 164, 122–134. [Google Scholar] [CrossRef]
- Kuzmina, M.; Ponge, D.; Raabe, D. Grain boundary segregation engineering and austenite reversion turn embrittlement into toughness: Example of a 9 wt.% medium Mn steel. Acta Mater. 2015, 86, 182–192. [Google Scholar] [CrossRef]
- Hu, J.; Du, L.-X.; Xu, W.; Zhai, J.-H.; Dong, Y.; Liu, Y.-J.; Misra, R.D.K. Ensuring combination of strength, ductility and toughness in mediummanganese steel through optimization of nano-scale metastable austenite. Mater. Charact. 2018, 136, 20. [Google Scholar] [CrossRef]
- Li, Z.; Wu, D. Effects of Hot Deformation and Subsequent Austempering on the Mechanical Properties of Si-Mn TRIP Steels. ISIJ Int. 2006, 46, 121–128. [Google Scholar] [CrossRef]
- GB/T 229; Metallic Materials-Charpy Pendulum Impact Test Method. Standards Press of China: Beijing, China, 2020.
- Raabe, D.; Sandlöbes, S.; Millán, J.; Ponge, D.; Assadi, H.; Herbig, M.; Choi, P.-P. Segregation engineering enables nanoscale martensite to austenite phase transformation at grain boundaries: A pathway to ductile martensite. Acta Mater. 2013, 61, 6132–6152. [Google Scholar] [CrossRef]
- Raabe, D.; Herbig, M.; Sandlöbes, S.; Li, Y.; Tytko, D.; Kuzmina, M.; Ponge, D.; Choi, P.-P. Grain boundary segregation engineering in metallic alloys: A pathway to the design of interfaces. Curr. Opin. Solid State Mater. Sci. 2014, 18, 253–261. [Google Scholar] [CrossRef]
- Duchateau, D.; Guttmann, M. Relationships between microstructure and mechanical properties of microduplex α + (γ + ɛ) 6 and 9%Mn steels for cryogenic applications. Met. Sci. 1983, 17, 229–240. [Google Scholar] [CrossRef]
- Zou, Y.; Xu, Y.; Wang, G.; Han, Y.; Teng, H.; Han, D.; Qiu, M.; Yang, F.; Misra, R. Improved strength-ductility-toughness balance of a precipitation-strengthened low-carbon medium-Mn steel by adopting intercritical annealing-tempering process. Mater. Sci. Eng. A 2020, 802, 140636. [Google Scholar] [CrossRef]
- Ding, R.; Dai, Z.; Huang, M.; Yang, Z.; Zhang, C.; Chen, H. Effect of pre-existed austenite on austenite reversion and mechanical behavior of an Fe-0.2C-8Mn-2Al medium Mn steel. Acta Mater. 2018, 147, 59–69. [Google Scholar] [CrossRef]
- Toji, Y.; Matsuda, H.; Herbig, M.; Choi, P.-P.; Raabe, D. Atomic-scale analysis of carbon partitioning between martensite and austenite by atom probe tomography and correlative transmission electron microscopy. Acta Mater. 2013, 65, 215–228. [Google Scholar] [CrossRef]
- Matsuoka, Y.; Iwasaki, T.; Nakada, N.; Tsuchiyama, T.; Takaki, S. Effect of Grain Size on Thermal and Mechanical Stability of Austenite in Metastable Austenitic Stainless Steel. ISIJ Int. 2013, 53, 1224–1230. [Google Scholar] [CrossRef]
- He, Y.; Li, L.; Luo, H.; Zhu, C. Ductile-brittle transition temperature of high-strength steel by Boltzmann function fitting method. Phys. Exam. Test 2020, 38, 7. [Google Scholar]
- Gao, S.; Li, J.; Guo, L.; Bai, Q.; Li, F. Mechanical properties and low-temperature impact toughness of high-strength bolts after elevated temperatures. J. Build. Eng. 2022, 57, 104851. [Google Scholar] [CrossRef]
- Jiang, J.; Wu, M.; Xu, T.; Bao, W.; Li, Z. Study on impact toughness of TMCP and quenched and tempered high strength steels. Case Stud. Constr. Mater. 2024, 20, e02795. [Google Scholar] [CrossRef]
- Zeng, D.; An, T.; Zheng, S.; Dai, H.; Cao, Z.; Ma, C. Fracture toughness of weld metal of 440 MPa grade high-strength steel. Chin. J. Mater. Trans. 2024, 38, 151. [Google Scholar]








Disclaimer/Publisher’s Note: The statements, opinions and data contained in all publications are solely those of the individual author(s) and contributor(s) and not of MDPI and/or the editor(s). MDPI and/or the editor(s) disclaim responsibility for any injury to people or property resulting from any ideas, methods, instructions or products referred to in the content. |
© 2024 by the authors. Licensee MDPI, Basel, Switzerland. This article is an open access article distributed under the terms and conditions of the Creative Commons Attribution (CC BY) license (https://creativecommons.org/licenses/by/4.0/).
Share and Cite
Man, T.; Wang, J.; Zhao, H.; Dong, H. Impact Toughness Dependent on Annealing Temperatures in 0.16C-6.5Mn Forged Steel for Flywheel Rotors. Metals 2024, 14, 501. https://doi.org/10.3390/met14050501
Man T, Wang J, Zhao H, Dong H. Impact Toughness Dependent on Annealing Temperatures in 0.16C-6.5Mn Forged Steel for Flywheel Rotors. Metals. 2024; 14(5):501. https://doi.org/10.3390/met14050501
Chicago/Turabian StyleMan, Tinghui, Jun Wang, Hongshan Zhao, and Han Dong. 2024. "Impact Toughness Dependent on Annealing Temperatures in 0.16C-6.5Mn Forged Steel for Flywheel Rotors" Metals 14, no. 5: 501. https://doi.org/10.3390/met14050501
APA StyleMan, T., Wang, J., Zhao, H., & Dong, H. (2024). Impact Toughness Dependent on Annealing Temperatures in 0.16C-6.5Mn Forged Steel for Flywheel Rotors. Metals, 14(5), 501. https://doi.org/10.3390/met14050501

